研选课堂
HOME
研选课堂
正文内容
理盖器 plc编程 自动化工程师:经典干货,从浅到深分享西门子S7-1200 PLC编程
发布时间 : 2026-02-27
作者 : 小编
访问数量 : 23
扫码分享至微信

自动化工程师:经典干货,从浅到深分享西门子S7-1200 PLC编程

CPU 的目的承载操作系统,组织与具体控制任务无关的所有功能 。具体包括:处理暖启动、刷新输入 /输出映像、调用用户程序、检测中断事件、调用中断组织块、检测和处理错误、管理存储器、处理通信任务等等。

它的工作模式

停止( stop ),启动( startup ),运行( running );

启动( startup ):CPU从停止转换到运行时为启动模式。四个要点——清输入,始输出,启OB,排中断。具体为清理输入缓冲区( I 区),初始化输出缓冲区( Q 区),执行启动 OB,排列中断队列,但不处理。 注意,此时启动 OB 读取 I 区时结果为 0,必须读取物理输入。

运行( running ):五个要点 —— 写输出,写输入,行 OB,自诊断,附断信。

具体为 Q 区写输出,输入写 I 区,执行用户程序,执行自诊断,如此循环。循环中任何时候都会处理中断和外来通信。

图 1 CPU的启动( startup)和工作( running)

停止( stop ):四个要点 —— 停程序,禁输出,不刷新,仅通信诊断。

具体为停止执行用户 OB,禁止输出或保持最后输出值,不刷新输入输出过程映像,仅仅处理通信和自诊断。

CPU 的工作方式

扫描式工作:单片机是逐行工作, PLC 是逐行扫描。逐行工作指下一指令的执行始于上一指令的结束,逐行扫描指每循环扫描所有指令并刷新变量。

CPU 的扫描周期:自诊断 —处理通信 —读输入 —执行用户程序 —写输出 。扫描周期是弹性的, 多数情况越小越好,组态时可设置最大值,实际扫描周期超出最大值 CPU报错。

编程基础

编程单位

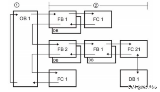
代码块 ,具体分为以下几类:

表 1 用户程序代码块

组织块 OB(organization block ):由操作系统调用, OB 间不可互相调用。 OB 可调用子函数如 FB/FC 。有程序循环组织块 (扫描循环执行) 、启动组织块 (startup ,启动时执行一次,默认编号 100 )、中断组织块 。

功能 FC(function ):子函数, 一个扫描周期内执行完毕 。

功能块 FB(function block ):子函数,内部含有静态变量,须附加背景数据块 DB,多数情况下需要多个扫描周期内执行完毕。

背景数据块 DB/ 全局数据块 DB(data block ):存储全局静态数据。

编程语言

梯形图( ladder diagram, LAD ):类似继电器电路图,由触点、线圈和方框表示的指令框组成。特别适合于数字量逻辑控制,直观易懂。假想“能流” (powerflow )自上而下,自左而右。

图 3 梯形图示例

功能块图( function block diagram, FBD):类似于输电的图形逻辑符号,用类似与或非门表示逻辑运算关系。

图 4 功能块图示例

结构化控制语言( structured control language ):类似于 PASCAL、C 语言的简化的高级语言。语言功能强于图形语言,可读性强于指令语言,适于编写算法复杂的程序,不如图形语言直观。

图 5 结构化控制语言示例

数据存储

过程映像输入( I ):可按照位、字节、字、双字访问。 I0.0,IB0, IW0 ,ID0 。

物理输入( I:P):立即读取输入。

过程映像输出( Q):可按照位、字节、字、双字访问。 Q0.0,QB0,QW0,QD0。

物理输出( Q:P):立即写输出。

位存储区( M):全局性的, 可保持 ,用于存储操作的中间状态或其它控制信息,可按照位、字节、字、双字访问。

临时局部存储区( L):块的临时局部数据, CPU运行时自行分配。

数据块( DB):可保持 。

数据类型

用于指定数据元素大小以及如何解释数据。

基础数据类型 :Bool(1bit )、Byte(8bit )、Word(16bit )、Dword(32bit )、USint(8bit )、Sint(8bit )、Uint (16bit )、Int (16bit )、UDint (32bit )、Dint (32bit )、Real(32bit )、LReal(64bit )、Sturct 、数组。

时间和日期 :Time(32 位 IEC 时间,T#1d_2h_15m_30s_45ms )、Date(16 位日期值,D#2009‐12‐ 31)、TOD(32 位日时钟值, TOD#10:20:30.400 )、DT(64 位日期和时间值, DTL#2008 ‐12‐ 16‐ 20:30:20.250)。

字符和字符串 :char( 8bit 单个字符)、String (256 个 byte ,存储最长 254 个字符),关于String 特别说明如下, 第一个字节存储最大字符串长度,第二个字节存储当前字符串长度 :

表 2 String 数据类型示例

PLC 数据类型 :可自定义在程序中多次使用的数据结构。

指针数据类型: pointer 、any、variant (不占用存储器的任何空间) 。

Any 示例: P#DB11.DBX20.0INT10 (DB11 中从 DBB20.0 开始的 10 个字);

Any 示例: P#M20.0BYTE10 (从 MB20.0 开始的 10 个字节)

Any 示例: (输入 I1.0 )

数据片段访问

按位访问: 变量名称 >".xn 、"<数据块名称 >".<变量名称 >.xn。

按字节访问: 变量名称 >".bn 、"<数据块名称 >".<变量名称 >.bn。

按字访问: 变量名称 >".wn 、"<数据块名称 >".<变量名称 >.wn 。

AT 访问: 以不同于原有变量数据类型的方式访问变量。如利用 arrayofbool 访问 byte 变量。具体步骤:

在待覆盖变量下方选择 AT 变量类型,编辑器随即创建该覆盖;

图 6 AT覆盖( 1)

重命名 AT 变量名称,选择用于覆盖的新的数据类型、结构、数组。

图 7 AT覆盖( 2)

编程准备

安装 STEP7Basic/ProfessionTIAPortal (eg.V13 );

RJ‐ 45接口网线连接 PC和 S7‐ 1200(eg.1214C/DC/DC/DC );

给 S7‐ 1200以及其他模块供电 DC24V 。

一般步骤

新建项目;

组态硬件配置; 特指 硬件组态 ,指在设备和网络编辑器中生成一个与实际系统对应的虚拟系统, PLC 模块的型号、订货号、版本、安装位置、设备通信连接、参数配置都应当与实际硬件系统完全相同。

编写用户程序;

编译和下载至 ;

在线监测设备运行情况,调试修改。

指令

能流

能流流经某个具备 EN 和 ENO 的指令,并不一定代表该指令功能执行完成,只代表该扫描周期的扫描完成;算数运算、 bool 变量操作等单扫描周期指令的 ENO输出代表该指令执行完成。

单周期指令和多周期指令

单扫描周期指令 将在本扫描周期内执行完毕;单扫描周期指令的循环操作也在本扫描周期内完成; 多扫描周期指令 的 EN 或者 REQ只使能一个扫描周期,某些指令将不能成功执行;例如大多数的通信指令。能流与扫描FB/FC 的 EN 端将为能流提供扫描通道, EN 端断路,能流无扫描通路, 内部变量将不再刷新,即该函数不再执行;当 FB/FC 的 EN 端总是使能, Enable 输入断开,块内部仍有能流通路,相应变量会被扫描以致刷新,例见下图:

图 8 能流‐内部扫描

图 9 能流‐内部不扫描

前者 FB12 内部的变量总会被扫描,而后者在 M3.0 或 DB_Valve.done 为 1 时,内部变量不会被扫描;相应的,前者 done 变量将被下一扫描周期置 0,而后者 done 置 1 后将因能流不通不能扫描而自行保持;

变量赋值顺序

变量被多次赋值时的先后顺序很重要。 因为变量的值总会被最后执行动作更新, 前面的值将被覆盖,例如下图:

程序初衷为当接受响应完成时 ERR 置位,或响应超时 ERR 置位。上述程序是可以完成正常功能的;但若二者互换,如下图:

接收超时时, ERR 不会置位,因为 rev_done 为 0,ERR 被复位!

FB 与 FC 的参数

FB 块的输入输出形参存储于背景数据块中,在调用该 FB 时实参可选;

FB 块的 输入输出参数 虽不是静态变量,但亦有 保持功能 ,具体视程序而定;

FC 块的输入输出参数是临时内存,必须指定实参才能运行

FC 中临时( Temp)变量也不会自动清零

上升沿和下降沿的读取

单个扫描周期中,一个布尔变量的上升 / 下降沿只能读取一次;因为读取一次之后,其 Pre变量已被立即刷新,后续的读取不能成功读到该变量的状态变化。

数组的使用

数组访问越界将导致 CPU错误, ERR 灯闪烁;

使用数组索引时(例如 array[i] )一定要初始化,上电时该变量内存为随机分配,不一定为0;

SEND_PTP

EN 是使能该命令的能流, REQ 触发该命令的执行,上升沿和保持为 1 都只触发命令 执行一次。

REV_PTP

使用自由口通信协议时, 必须 指定 消息的开始和结束条件 (Condition ),保证正确、及时的发送和接收, 否则会因非必要的延时而增大通信负载; RCV_CFG命令用于配置消息开始和结束条件。

Message timeout/Response timeout messagetimeout 是指从接收到第一个字符起的等待时间,该时间超出后将不再接收消息;

responsetimeout 是指从传送结束到接收到第一个字符之间的时间,超出该时间将不再接受消息,视为消息结束。

STEP7 在线监控的刷新频率

STEP7 中的梯形图操作数、能流的监控特征色(蓝绿) 、以及监控表中的布尔变量的刷新频率有限, 可能不能反映真实的实时运行状况, 可借助一个累加器来监视程序的运行状态, 例如下图:

图 10 累加器监控程序

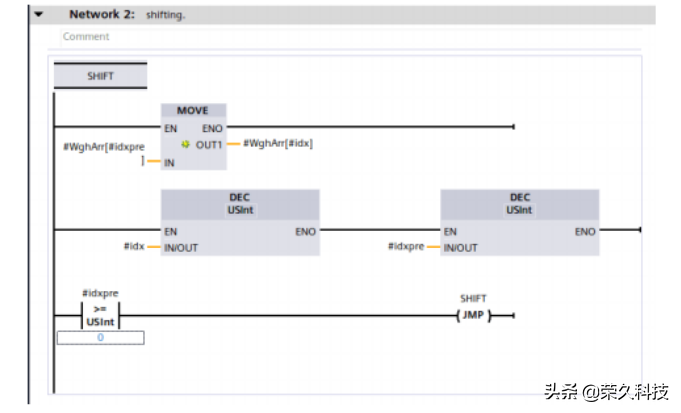
数组下标越界与数据类型

一数组共计 15 个元素, array[0..14] ,执行队列先入先出操作,循环内判断索引是否大于 0:

图 11 数组索引的错误判断

执行结果将为数组下表访问越界。 因为索引的数据类型定义为 USING,即无符号 8 位整数,值域为 0–255 ,当 idxpre 为 0 时,下一循环的 DEC操作导致其变为 255 而非 ‐1,所以,正确的做法是重设索引数据类型为 sint ,或修改判断条件。

欧姆龙和西门子一键启停PLC编程方法图解 看完秒懂!

之前分享了台达PLC一键启动梯形图编写,大家纷纷要求看看其他品牌的一键程序编写,我这是应大家要求开始分享其他品牌一键启停梯形图。

整理了以前项目中用的一些编程技巧,我首先分享欧姆龙的一键启动,我使用欧姆龙PLC里面的专用指令,图1

图一

欧姆龙编程软件里面有些可以直接输入类似于台达或者三菱上升沿指令,有些不能直接输入,我用的这款软件就不能直接输入上升沿指令

,我需要写入一个DIFU 200.00然后在输出上升沿指令。最后面这个KEEP指令是欧姆龙专门的保持指令。图二详解介绍KEEP指令。

图二

KEEP(11)用来保持基于两个执行条件指定位的状态。这些执行条件用S和R标出。S是置位输出,R是复位输出。KEEP(11)运算就象一个由S置位和R复位的锁存继电器。

当S为ON时,其指定位也会置ON,并保持ON直到复位为止,在此期间不管S是否保持ON还是变为OFF。

当R置ON时,其指定位也会置OFF,并保持OFF直到置位为止,在此期间不管R是否保持ON还是变为OFF。

也就是类似于三菱和台达系列中相当于SET/RERST 指令;当置位接通一次后,对应的状态就保持,直到复位为ON时,解除保持;

这样说大家应该明白吧。

西门子S7-200PLC和S7-200smart里面,没有ALT指令,也没有KEEP指令,需要我们自己搭建一个一键启停梯形图。图3和图4(一张截图放不下,电脑屏比较小)

图3

图四

当第一次按下按钮时候,网络1 置位M0.0就导通了,网络2和网络3中M0.0常开点闭合,同时网络四接通Q0.0,同样,当第二次按下按钮时候,网络2的M0.1导通,同时网络3 M0.0和M0.1导通,复位M0.0和M0.1线圈。大家有机会自己编写好程序,自己链接上PLC就可以去试一试。当然西门子还有其他方法可以实现,那就是用计数器指令,也可以实现一键启停。我就在里过多废话了。

下次我准备给大家分享台达PLC时间锁的程序编写,因为我们做设备怕遇到老赖,一般编写一个这样程序,到了时间给钱,不给钱就自动停机。大家如果想看请在下面留言。

​电工学习网独家原创稿件,转载必须注明原文出处及原文链接,违者必究!

留言处大家可以补充文章解释不对或欠缺的部分,这样下一个看到的人会学到更多,你知道的正是大家需要的。。。

推荐阅读:电动机起停一键控制PLC梯形图程序, 请点击下面“了解更多

相关问答

plc编程步骤方法?

常用的PLC编程方法有经验法、解析法、图解法。经验法:即是运用自己的或别人的经验进行设计,设计前选择与设计要求相类似的成功的例子,并进行修改,增删部分功...

码垛机plc程序编写技巧?

1.确定好物料码垛要求和工艺流程,包括机器运行的逻辑和流程操作;2.按照机器操作流程编写程序,严格控制输入输出信号,确保程序的正确性和系统的稳定性;3...

plc如何做写字程序?

下面是一些编写PLC写字程序的步骤:确定要显示的字母或数字,并将它们转换成PLC可以处理的二进制或BCD码。创建一个字母或数字的模板,并将其上传到PLC中。将...

plc怎么编程一个开关?

关于这个问题,编程一个开关需要以下几个步骤:1.定义输入和输出:首先需要定义输入和输出,例如输入为一个按钮,输出为一个灯,通过按钮控制灯的开关。2.配...

供料单元plc程序怎么写?

关于这个问题,编写供料单元PLC程序的步骤如下:1.确定供料单元的输入和输出信号:首先需要确定供料单元与其他设备之间的信号传输方式,例如传感器、开关、驱...

三菱plc配方程序实例?

三菱PLC配方程序是一种基于三菱PLC的自动化控制程序,主要用于生产和制造领域中的物料配方控制。下面是一个三菱PLC配方程序的示例:LDK100;将K100置位LDK1...

plc程序清单怎么写?

分配表如:输入,输出;PLC地址:连接的外部,设备功能说明,PLC地址,连接的外部设备,功能说明:X0,SB1,启动按钮,Y0,HL1,灯一,X1,SB2,停止按钮,Y1,H...分配表如:输...

plc用c语言怎么进行编程?

你好,PLC(可编程逻辑控制器)可以使用多种编程语言进行编程,其中包括C语言。以下是使用C语言编程PLC的一般步骤:1.确定PLC型号和规格:PLC有多种型号和规格...

PLC程序加时间继电器怎么编程?

以台达plc编程时间继电器编程方法台达PLC计时器是以1ms、10ms、100ms为一个计时单位,计时方式采上数计时,当计时器现在值=设定值时输出线圈导通,设定值为10进...

 3点肉薄团电影  磁悬浮床 
王经理: 180-0000-0000(微信同号)
10086@qq.com
北京海淀区西三旗街道国际大厦08A座
©2026  上海羊羽卓进出口贸易有限公司  版权所有.All Rights Reserved.  |  程序由Z-BlogPHP强力驱动
网站首页
电话咨询
微信号

QQ

在线咨询真诚为您提供专业解答服务

热线

188-0000-0000
专属服务热线

微信

二维码扫一扫微信交流
顶部