plc编程自锁指令 启动,自锁和停止控制的PLC线路与梯形图

小编 81 0

启动、自锁和停止控制的PLC线路与梯形图

启动、自锁和停止控制是PLC最基本的控制功能。启动、自锁和停止控制可采用驱动指令(OUT),也可以采用置位指令(SET、RST)来实现。①PLC采用线圈驱动指令实现启动、自锁和停止控制线圈驱动(OUT)指令的功能是将输出线圈与右母线连接,它是一种很常用的指令。

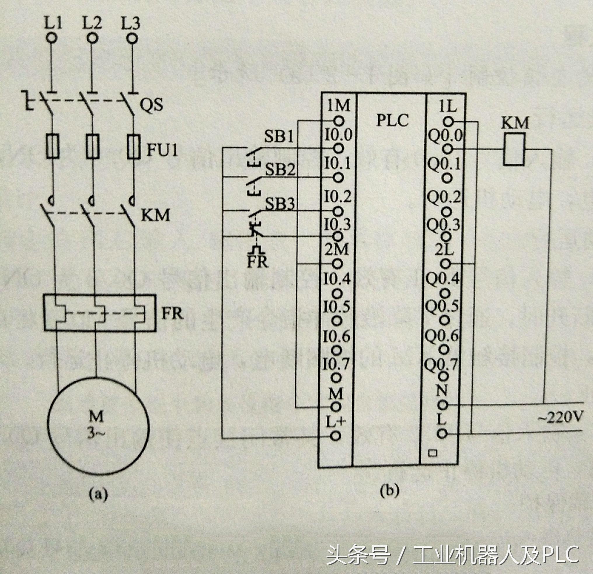
启动、自锁和停止控制的PLC接线图

PLC采用线圈驱动指令实现启动、自锁和停止控制的梯形图a、当按下启动按钮SB1时,PLC内部梯形图程序中的启动触点X000闭合,输出线圈Y000得电,输出端子Y0内部硬触点闭合,Y0端子与COM端子之间内部接通,接触器线圈KM得电,主电路中的KM主触点闭合,电动机得电启动。

b、输出线圈Y000得电后,除了会使Y000、COM端子之间的硬触点闭合外,还会使自锁触点Y000闭合,在启动触点X000断开后,依靠自锁触点闭合可使线圈Y000继续得电,电动机就会继续运转,从而实现自锁控制功能。c、当按下停止按钮SB2时,PLC内部梯形图程序中的停止触点X001断开,输出线圈Y000失电, Y0、COM端子之间的内部硬触点断开,接触器线圈KM失电,主电路中的KM主触点断开,电动机失电停转

PLC自锁控制应用程序,你会吗

自锁控制的I/O分配表

自锁控制的PLC硬件原理图

(a)电动机控制电路(b)PLC硬件原理图

I表示PLC输入元件,Q表示PLC输出元件。PLC输入信号采用直流24V供电,L+为DC24V的正极,M为DC24V的负极,1M和2M为PLC输入公共端。 根据PLC输入信号工作原理输入信号公共端应与DC24V正极相连 。接触器线圈采用AC220V供电,输出端L和N为PLC的供电电源L为AC220V相线,N为AC220V中性线1L,2L为PLC输出公共端将其与交流电源AC220V的相线连接,输出元件公共端与交流电源AC220V的中性线连接.

自锁好处: 1 能使被控制对象持续得电2 具有零压保护和失压保护功能。

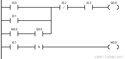
采用脉冲指令的自锁控制(N为下降沿检测)

(1)电动机的连续运行

按下按钮SB1,输入信号I0.0有效,控制输出信号Q0.0为ON,同时控制接触器通电,实现自锁。

(2)电动机点动运行

按下按钮SB2,输入信号I0.1有效,控制输出信号Q0.0为ON,控制接触器通电,电动机运行;当SB2断开时,通过下降沿延脉冲指令产生的信号M0.0将自锁回路断开,使输出信号Q0.0为OFF,KM线圈断电,电动机停止。

(3)电动机停止

按下按钮SB3,输入信号I0.2有效,其常闭接点使输出信号Q0.0为OFF,控制接触器KM的线圈通电,电动机停止。

(4)电动机的过载保护

当电动机过载时继电器动作,输出信号I0.3断开,使输出信号Q0.0复位,KM断电,达到过载保护目的。

相关问答

PLC程序编写怎么实现自锁程序?

可以实现自锁程序。因为PLC程序编写是通过指令和逻辑模块组合实现程序功能的。在编写自锁程序时,可以使用锁存器或者触发器等控制器件实现程序的自动锁定功能,...

西门子plc自锁怎么编程?

西门子PLC可实现自锁,编程方法如下:可以实现自锁功能。在PLC编程中,通过使用一个内存位来记忆当前的状态,当执行某项操作时需要对该内存位进行标记,如果重复...

在PLC中,什么叫自锁?

PLC中自锁是线圈控制触点维持线圈自身的通电状态。最简单的自锁是用常开触点X1控制线圈Y1,再回过头把Y1的常开触点并在X1上。PLC,即可编程逻辑控制器。PLC中...

plc怎么用不带自锁的按钮实现自锁?

PLC自锁之自锁电路是无机械锁定开关电路编程中常用的电路形式,是指输入继电器触点闭合,输出继电器线圈得电,控制其输出继电器触点锁定输入继电器触点;当输入...

plc编程中有没有自锁按钮?

PLC自锁之自锁电路是无机械锁定开关电路编程中常用的电路形式,是指输入继电器触点闭合,输出继电器线圈得电,控制其输出继电器触点锁定输入继电器触点;当输入...

plc自锁开关能控制吗?

PLC中自锁是线圈控制触点维持线圈自身的通电状态。最简单的自锁是用常开触点X1控制线圈Y1,再回过头把Y1的常开触点并在X1上。PLC,即可编程逻辑控制器。它采用...

在PLC中,什么叫自锁?

在PLC中,自锁通常指使用逻辑电路和输出信号实现的一种保持输出状态的机制。当输出信号被触发后,自锁机制会保持输出信号的状态,直到另一个输入信号被触发以解...

plc自锁停止按钮为啥用常开也可以通?

常开常闭只是个相对的概念~关键看你怎么应用比如一个常开的表示正常状态0那么在PLC程序中正常状态用常开如果要表示闭合状态则需要用常闭了。你接线接的...

plc如何控制LED灯的亮灭?

1.首先,要设计硬件电路。一般来说,PLC有晶体管输出和继电器输出。需要把LED灯和PLC的输出点串联在一起,而PLC的输出点就相当于电路中的开关,它的开启和关闭就...

plc的自锁和互锁的联系?

1、PLC自锁主要是针对输入信号是自复位类型(复位按钮,感应开关等)来讲,自锁就是说当PLC接收到这个输入信号能自保持,不会因为输入信号改变而复位。2、PLC互...