研选课堂
HOME
研选课堂
正文内容
plc编程里面正转 PLC控制电机正反转的实例讲解,步骤详细的编程讲解
发布时间 : 2026-02-26
作者 : 小编
访问数量 : 23
扫码分享至微信

PLC控制电机正反转的实例讲解,步骤详细的编程讲解

私信“干货”二字,即可领取138G伺服与机器人专属及电控资料!

为什么要从电机启停和正反转讲起呢,个人认为这张电路图是一切电气控制的基础,对于初学者熟悉和掌握这张图是必备的,也是我自学plc时做的第一个例子,通过这张图要学会一个理念(启-保-停),也是我们以后深入学习PLC编程的基础。

电路图讲解:从图中应该很简单看出来,当按下SB2,KM1接触器得电,电机正传,KM1常开触点闭合形成自保电路,KM2的常闭触点作为互锁保护,当按下SB1时,电机停止;反转同理。

编程讲解:

新建项目:出现如下界面,

先进行硬件组态,也就是说要将你实际要用的硬件,在这个编程界面中组态出来,要与实际相符,(我们这里没有硬件,我们用的是仿真器),

插入我们所要用的站,这里我插入一个300的系统,

编写变量表

编写程序

启动仿真器

设置PG/PC接口

点击下装硬件和程序,选择整个站下载,当然也可以分别下载硬件和程序

将仿真器中的CPU拨到run,同时建好你要监控的变量,

这样就可以进行仿真。

S7-200脉冲输出指令做电机正反转控制

关注“PLC发烧友”,一起涨知识!

通过上次的学习,我们应该已经知道可以通过修改SM存储区(包括控制字节),然后执行PLS指令来改变PTO或PWM波形。除了前面学习的使用步骤和一些使用要点,我们还要知道的就是PTO状态字节的空闲位(SM66.7或SM76.7),它标志着脉冲输出完成。另外,在脉冲输出完成时,我们还可以利用脉冲发送完成中断,使程序跳转到中断服务程序进行执行。那么就补充这几点内容。下面我们做利用一个脉冲输出指令做电机正反转控制的例子。

主程序:

高速计数器子程序:

高速脉冲输出子程序:

中断程序:

我们首先先做一个高速计数子程序和脉冲输出子程序,在高速计数器子程序中,首先是定义控制字节,送16#F8到SMB37,定义为加计数更新当前值,传送0到SMD38写入初始值,定义的是高速计数器HSC0和HSC模式12,然后激活高速计数器,还做了高速计数器中断,PTO0完成中断的事件为中断事件号19,我们建立中断程序0和中断事件19的中断连接,并全局允许中断。

而在高速脉冲输出子程序里面,我们定义一下接口,定义周期io_time为LW0,为IN类型的,定义脉冲数io_NO为LD2,也是为IN类型的,然后写子程序。首先传送16#85到SMB67中定义控制字节,这里选择的是PTO模式、单段、1us/周期、装入周期和脉冲数的情况(控制字节的定义可以参考PTO/PWM控制字节表),并传送LW0到SMW68中写入周期值,传送LD2到SMD72中写入脉冲数,最后执行PLS指令。那么这样是做了一个带功能参数的子程序,之后在主程序中可以对这个带功能参数的子程序进行调用。

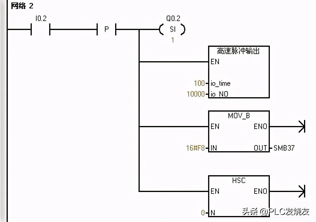
然后我们编写主程序,在主程序的网络一中,首先用SM0.1首次扫描驱动高速计数器子程序进行高速计数初始化,同时对Q0.0的过程映像区清零,同时也对高速脉冲输出进行初始化。在网络中,我们用I0.2的上升沿来驱动立即置位指令,立即置位Q0.2,同时调用高速脉冲输出子程序,周期设为100us,脉冲为10000个,同时还要传送16#F8到SMB37并执行HSC指令进行加计数并更新当前值。那么就就是说当我们接通I0.2时,会在I0.2的上升沿立即置位Q0.2,电机正转,100us发10000个脉冲,同时高速计数器进行加计数。因为建立了脉冲完成中断,那么当脉冲发生完成时,会进入到中断程序进行执行。

那么我们就可以在中断程序中编写反转的控制,因为原来是正转,那么Q0.2是接通的,那么我们就用Q0.2的常开触点来驱动立即复位指令,立即复位Q0.2,同时调用高速脉冲输出子程序,周期设为200us,脉冲为10000个,同时还要传送16#B0到SMB67并执行HSC指令进行减计数并不更新当前值。那么就是说进入中断时会立即复位Q0.2,电机反转,200us发10000个脉冲,同时高速计数器进行减计数。

那么对于这样一个例子,应用到了带参数的子程序调用、中断和高速计数器的内容,会不会比较难以理解呢,如果觉得有些模糊的话,可以回看一下前面中断和高速计数器的内容,这样可以加深印象呢。

来源:技成培训网,作者:蔡慧荥,未经授权请勿转载!回复:西门子全套 ,可领取西门子系列资料包!

相关问答

plc正反转怎么编程?

PLC(可编程逻辑控制器)的正反转编程可以通过以下几个步骤来完成:1.梳理需求:明确需要控制的对象、输入信号和输出信号。2.创建程序:在PLC编程软件中,创建...

怎么用plc控制电动机正反转并plc与电脑怎么联接·编程-ZOL问答

用plc的输出点控制电机的正反转,并用通讯电缆和编程软件把plc和电脑连接编程有用(0)回复dsiircbqtiph详见该教程:http://wenku.baidu.com/link?ur...

plc控制变频器光有正转没有反转?

原因及解决方法如下:如果变频器pg卡与编码器PG接线次序代表的方向,和变频器与电动机连接次序代表的方向匹配,设定值应为正向,否则为反向。必须注意当方向选...

如何使用PLC用一个按钮控制电机的正转、反转、停止?

很简单啊。你在加一个计数器,计数器随便设数字只要大于3就行,每按一下按钮计数器加1,第一下就设成正转,第2下就设成反转,第3下就设成停止,然后在加个计...

如何用PLC与变频器控制电机正反转?

要通过PLC与变频器控制电机的正反转,首先需要将PLC与变频器进行连接,设置好通讯参数。然后在PLC编程软件中编写程序,定义好正转与反转的逻辑条件和动作指令。...

plc用绝对定位怎么正反转?

DDRVIK10000K1000Y0Y1正转S1S2D0D1DDRVIK-10000K1000Y0Y1反转S1方向和距离S2快慢D0脉冲口(FX系列Y0~Y3(Y3...

三菱PLC编程,伺服电机正反转?

三菱PLC编程中,可以使用以下步骤实现伺服电机的正反转:1.首先,需要设置PLC的输入端口和输出端口。例如,可以将PLC的X1口作为控制伺服电机正反转的输入端口...

plc如何通过两个按钮控制电动机的正转,停止,以及翻转?

很简单啊。你在加一个计数器,计数器随便设数字只要大于3就行,每按一下按钮计数器加1,第一下就设成正转,第2下就设成反转,第3下就设成停止,然后在加个计...

PLC正反转的外围怎么接线?-汇财吧专业问答

[回答]想自学西门子PLC,其实不需要怎么按照书上的接线方法,只需要一台笔记本、数据线、安装软件。就行了。找找西门子226的说明书,梯形图就不说了,其实还...

PLC控制步进电机正反转?

这个问题分解开比较容易解决:1、变频器的模拟量输出:一般就是频率、电流、功率、PID回授信号等,有些特殊功能变频器还可能包括更丰富的信息(转矩、负载率之...

 标志308sw  黄淑萍 
王经理: 180-0000-0000(微信同号)
10086@qq.com
北京海淀区西三旗街道国际大厦08A座
©2026  上海羊羽卓进出口贸易有限公司  版权所有.All Rights Reserved.  |  程序由Z-BlogPHP强力驱动
网站首页
电话咨询
微信号

QQ

在线咨询真诚为您提供专业解答服务

热线

188-0000-0000
专属服务热线

微信

二维码扫一扫微信交流
顶部