线下实训
HOME
线下实训
正文内容
plc编程时间怎么设置 PLC经典程序-可随意设定通电时间和断电时间,建议收藏
发布时间 : 2026-03-20
作者 : 小编
访问数量 : 23
扫码分享至微信

PLC经典程序-可随意设定通电时间和断电时间,建议收藏

好久没更新了,今天分享一个可随意设定通电时间和断电时间的程序吧,我们在做PLC程序的时候会经常用到,建议小伙伴收藏哦。

话不多说,直接上干货。

首先建立我们需要的变量,如下图所示:

变量列表

变量列表中的‘b_启动’是我们建立的启动开关变量,我们可以通过控制此开关的通断来控制输出‘b_OUT’的输出。而 ‘b_OUT’通电时间和断电时间又是通过我们的‘i_通电时间’和‘i_断电时间’变量的数值控制的。比如我们设置‘i_通电时间’等于3,‘i_断电时间’等于2.那么当 ‘b_启动’开关接通的时候,‘b_OUT’就会进行输出3秒停2秒,然后一直循环,直到 ‘b_启动’开关断开。

然后编写程序,程序如下图所示:

可随意设定通电时间与断电时间的程序

如小伙伴看到的那样,当我们的b_启动开关得电的时候,我们的b_OUT就会按照我们设定的通电时间和断电时间进行输出。小伙伴们可以测试一下哦。

欢迎小伙伴们一起交流学习!!!

西门子S7-200系列PLC实操(40 设置时钟指令)

大家好,这节课我们来学习“设置时钟指令

由于上节课,我们学习了从PC里读取时间,并按照该事件进行控制的操作。而有的时候,我们需要人为的为PLC设定一个时间该怎么操作呢?

我们先来了解一下设置指令。因为这其中多次提到数据类型、进制与位的关系,所以要求大家一定要熟悉基础知识:

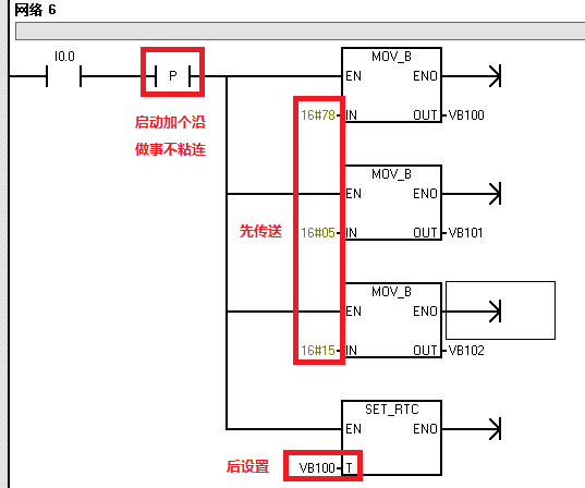
这里的设置,实际上是通过传送指令,将数据传送到相应的位置。所以,我们编程之后如下图:

这里需要注意的是,考虑到传送指令是有扫描周期的。所以在启动后面加一个触发沿,确保“一下是一下”。另外需要注意的是,一定要先传送,后设置;顺序一定要正确。然后下到PLC里,我们看一下结果。上电启动的时候是正常的,当我们按下I0.0的时候,结果怎么样?

没错,我们设置的数据,咔的一下就都变过来了。同时发现,Q0.0输出亮了!

向下检查的时候发现,原来这里从VB100开始向后顺延的8个位,如VB100,VB101,VB102...直到VB107,除了此前通过传送指令给了数值的数据以外,其余未强调的位,都被补成了0.也就是说,一下就变成了X年X月X日的0点了,所以路灯Q0.0一下就点亮了。

下节课,我们开始学习“电机多段定时启动

相关问答

plc系统时间如何设置?

[最佳回答]使用“设置时钟”命令设置实时时钟1.PLC通电,以太网连接编程计算机,打开编程软件STEP7-Micro/WINSMART,新建项目,重命名为“设置和读取实时时钟”,单击...

三菱PLC怎么设置时间的限制-ZOL问答

三菱PLC时间继电器在梯形图中的编程方法是:在三菱PLC梯形图编程软件中输入ldx0计时指令,并在软件中直接输入OUTT1K10即可完成编程操作。其中T1是时间继电器...

plc控制的时间怎么用程序控制?

[最佳回答]1、用编程软件(Micro/WIN)的菜单命令plc>TimeofDayClock...,通过与CPU的在线连接设置,完成后时钟开始走动。2、编写用户程序使用SET_RTC(设置时钟...

plc如何修改时间?

[最佳回答]要修改PLC的时间,您需要访问PLC的编程界面或配置界面。在界面中,您可以找到一个选项来修改时间设置。通常,您可以输入日期和时间,然后保存更改。某些PLC还可...

怎样设置编程时间?

[最佳回答]一是利用PLC的内部时钟,其中年、月、日、小时、分钟和秒都有单独的指定的寄存器,你编程时先写入当前时钟,然后再与时间做判断,到达指定时间就执行程序就可以...

PLC原始时间如何设定?

[最佳回答]1、在联机的情况下,通过STEP7软件菜单指令直接设定系统时钟。2、菜单命令设定系统时钟3、菜单命令设定系统时钟4、菜单命令设定系统时钟上述几种方法,都会...

西门子1200PLC读取的时间还是PLC时间,请问这么更改CPU里头的...

要更改西门子1200PLC里的时间,首先确保你的编程软件已经连接到PLC。在参数设置或系统管理菜单里,找到时钟调整选项,输入当前的日期和时间,然后保存设置。重启...

三菱PLC怎样通过三菱触摸屏修改时间,求各位大虾帮忙指教-ZO...

如何修改设定时间在三菱PLC中,可以通过使用D指令来设置T的时间。具体而言,需要在触摸屏上修改D的设定值即可实现。首先,启动三菱PLC系统并进入编程模式。然后...

怎么为西门子300PLC定时器设置变量时间-ZOL问答

在程序编辑界面,双击定时器图标,在弹出的属性窗口里调整时间常数或者预设值,输入你所需的延迟时间。记得保存更改并下载到PLC首先,你需要登录到西门子300PLC...

就想修改下延时时间,求大神帮忙怎么操作。-ZOL问答

在梯形图里面自己改好延时指令的设置,然后才上传到PLC.对于电脑连接的操作步骤是这样的:登录到PLC配置工具,选择在线编辑模式。定位到要修改延时的部分,在图形...

 r400  国内网站域名 
王经理: 180-0000-0000(微信同号)
10086@qq.com
北京海淀区西三旗街道国际大厦08A座
©2026  上海羊羽卓进出口贸易有限公司  版权所有.All Rights Reserved.  |  程序由Z-BlogPHP强力驱动
网站首页
电话咨询
微信号

QQ

在线咨询真诚为您提供专业解答服务

热线

188-0000-0000
专属服务热线

微信

二维码扫一扫微信交流
顶部