课程中心
HOME
课程中心
正文内容
松下plc接线及编程 干货分享:PLC输入输出各种回路接线整理
发布时间 : 2026-01-09
作者 : 小编
访问数量 : 23
扫码分享至微信

干货分享:PLC输入输出各种回路接线整理

一、输入回路接线

输入电路是PLC接收信号的端口(对模拟量来说一般为0-40MA直流电流或0-10V直流电压信号),输入接线是指外部输入器件(任何无源的触点和集电极开路的NPN三极管)接通输入回路闭合,同时输入指示的发光二极管亮。常用外部输入器件有按钮,接近开关,转换开关,拨码器,各种感应器等,是对系统发出各种控制信号的主令电器。

(一)PLC输入模块与主令电器电器类设备的连接

图中松下PLC为直流汇点式输入,即所以输入点共用一个公共端COM,同时COM端内带有DC24V电源,在编写程序时注意外部设备使用的是常闭还是常开触点

输入端的电气原理图中停止按钮SB0用常闭触点,串在控制线中,用于停机控制。启动按钮SB1用常开触点。在设计的两个梯形图完成的控制功能相同,但停机信号X0使用的触点类型不同,那么连接在端点的外部停机按钮触点类型也就不同

I/O分配SB0-X0,SB1-X1,输出K0-Y0。当外部使用长闭触点,不操作该按钮,输出Y0正常接通,在PLC控制系统中,外部开关无论是启动还是停止一般都选用常开型。

(二)接近开关与PLC输入模块的连接

在PLC控制系统设计中接线的工作比重较小,但它是编程设计的基础。要保证接线工作正确性,需PLC的输入输出电路有一个清楚的了解。

1.PLC直流输入电路:分有源型(共阳极)输入电路,漏型(共阴极)输入电路。所以漏型输入电路PLC的COM端是外接直流电源的正极,如西门子S7-400PLC直流输入模块的COM端必须接外部电源的正极。所以西门子PLC输入信号为低压信号,如果外部信号为高压信号应该通过中间继电器转换。

2.PLC交流输入电路电压一般为AC120V或AC230V,经过电阻的限流和电容的隔离在经过整流变成直流三个环节,所以输入信号延迟时间比直流电路长,但是输入端是高电压,输入信号的可靠性高,一般用于环境恶劣,对响应要求不高的场合。

(三)开关量信号与PLC输入模块的连接

对于不同的PLC输入电路应正确选择传感器(NPN或PNP)的输入方式,NPN型传感器动作时,OUT端为0V,(NPN型输出端OUT应和PLC的输入端漏型相连)输出低电平信号。PNP型传感器动作时,OUT端为+V,输出高电平信号。

(四)PLC输入回路接线的优化

1、减少输入点数,分组输入

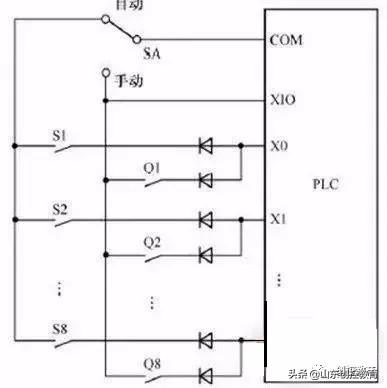
如图上系统分自动和手动两种工作方式,Q1-Q8为手动方式用到的 输入信号,S1-S8为自动方式用到的输入信号。S1和Q1共用输入点X0,PLC运行时只会用到其中一组信号,所以可以共用PLC的输入点。(图中二极管是用来防止寄生回路,避免错误输入信号的产生。

2、输入设备的多功能化:在PLC系统中可以借助PLC逻辑功能来实现一个设备在不同条件下产生不同作用的信号。

3、不同形式的直流输入信号与PLC连接

直流有源输入输入信号一般都是24V,这类信号与其他无源开关量信号混合接入PLC输入点时电压的0V点一定要接。上图输入点I0.0,I0.1连接光电编码器,接近开关的输出OUT信号,它们的驱动电源由PLC自身的24V电压提供

不同电压直流信号与PLC输入模块输入点的连接,注意信号电位差的参考点必须相同。即它们的0V信号必须连接在一起。

4、对于用长线引入PLC的开关量信号可以用小型继电器来转接输入信号,避免外部的强电感应的干扰。

二、输出回路接线

由于PLC输出元件被封装在线路板上并连接至输出端子板上,若将输出元件短路将烧毁印制电路板,所以应用熔断器保护输出元件。开关量输出模块有继电器,晶体管,晶闸管输出。输出端接线分公共输出和独立输出。直流输出的续流管保护,交流输出阻容吸收电路,晶体管,晶闸管输出的旁路电阻保护,以及外部紧急停车电路。

(一)PLC输出有三种,这三种输出回路的配线应注意

1、继电器输出配线:通用于交直流电路,不同公共点可以带不同交直流电压负载。负载容量以负载性质区分,阻抗负载2A/1点,8A/4点COM ,感抗负载容量80VA,灯泡负载100W。可知继电器型输出的PLC可通过相对大的电流,但输出触点响应的时间相对较慢。

2、晶体管输出:通用于直流电路,电压范围DC5-30V,阻抗负载0.5A/1点,0.8A/4点COM ,感抗负载容量12W/DC24,灯泡负载1.5W/DC24。可知晶体管型输出的PLC输出触点响应时间快,但个通过的电流小。

3、晶闸管输出:适应高频动作,但只能带DC5-30V,负载最大电流电流为0.5A,灯泡负载30W。

4、在输出回路必须设置适当熔断器作为保护。DC直流感抗负载要并联二极管以延长触点寿命,二极管规格为耐压时负载电压5-10倍,电路大于负载电流。

5、氖灯或小电流负载需要并联浪涌吸收器。

6、马达正反转电路,除PLC内部程序要设计互锁,输出外部配线也必须互锁配线。

(二)COM 点的选择

因为PLC内部没有熔断器,需在COM点处加一个熔断器。当负载种类多且电流大可采用一个COM点带1-2个输出点的PLC产品,当负载数量多且种类少可采用一个COM点带4-8个输出点的PLC产品。

(三)PLC与感性设备的连接

当PLC输入输出端接有感性负载元件时,直流输出的续流管保护(直流电路两端并联续流二极管),交流输出阻容吸收电路。

对于大容量负载电路,须在继电器主触头两端连接RC阻容吸收电路

(四)PLC与七段LED显示器的连接

上图两只CD4513的数据输入端A-D共用PLC四个输出端Y0-Y3,A为最底D为最高,LE 为寄存输入端,当LE 为高电平时,输入数据将存在芯片内的寄存器中,并将其译码后显示出来。如PLC使用继电器输出模块时,与CD4513相连的输出各端在接一个下拉电阻,避免输出继电器断开的时候CD4513输入端悬空。

七段数码管有共阴极(公共极接地)和共阳极(公共极接+5V)两种,是电气仪表常用的数显器件。

(五)PLC控制系统输出回路接线的优化

1、减少输出点的措施

① 矩阵输出:要使某个设备(负载)接通工作,只要控制相对应的输出继电器接通即可,采用巨阵输出必须将同一时间段接通的负载安排在同一列。

②分组输出:PLC每个输出点可以控制两个不同时工作的负载,当两组负载不会同时工作时,可以通过外部转换开关SA进行切换。

③ 并联输出:两个通段完全相同的负载可并联后共用PLC的一个输出点。

④ 提高PLC输出可靠性措施:PLC输出模块的继电器触点容量一般为2A,如果输出点的负载功率太大,可以采用输出继电器带动一个中间继电器,在由中间继电器驱动负载。

最全的PLC通讯电缆编程电缆自制详解(图)

一. 前言

八方汇PLC实战培训

随着可编程序控制器(plc)在工业控制领域的广泛应用,plc编程成了电气工程技术人员必须掌握的专业技能。可编程序控制器的品牌众多,欧、美、日、韩及台湾的PLC纷纷抢滩大陆,在给使用者提供了多种选择的同时,也给使用者带来了小小麻烦。由于不同品牌PLC的编程电缆互不通用,买一根原装电缆往往上千元。对于以学习为主要目的以及经常碰到不同品牌PLC的技术人员来说,如果能够有办法花较低的代价自制一根编程电缆,无疑为他们提供了方便。PLC虽然品牌众多,但各种品牌的PLC其编程接口不外乎几种型式,在PLC随机提供的技术手册里一般也都会提供编程口的引脚定义,这就为自制编程线提供了可能。下面我就PLC编程口的几种串行通信接口标准和物理结构,详细说明如何DIY一根适用的编程电缆。

二.PLC编程口的型式

编程电缆一端与PC的COM口相连,另一端与PLC的编程口相连,PC端的COM口均为RS232C接口,DB-9针形插头。而PLC的编程口按接口标准一般可分为三种,即RS232、RS485、RS422 。按物理结构可分为五种,即八针圆口(DIN-8),九针D形口(DB-9),二十五针D形口(DB-25),RJ11口以及专用接口,其中以前两种居多,各接口引脚排列如图一所示。

为了做好编程电缆,首先要大概了解一下这三种串行通信接口标准。RS-232、RS-422与RS-485是三种串行数据接口标准,接口标准只对接口的电气特性做出规定,而不涉及接插件、电缆或协议,所以同样一种接口标准可以有不同的物理结构,如DB-9 、DB-25等。RS-232是PC机与通信工业中应用最广泛的一种串行接口, RS-232C总线标准设有25条信号线,包括一个主通道和一个辅助通道。多数情况下只使用主通道,常用九条信号线(九针D形口),各引脚定义如表一所示。对于一般双工通信,仅需几条信号线就可实现,如发送数据线 TXD 和接收数据线RXD以及逻辑地线GND,RS232C只能点对点通讯,传输距离短,共模抑制能力差。 RS-485采用平衡发送和差分接收,因此具有抑制共模干扰的能力。它使用一对双绞线,将其中一根定义为A(TXD-/RXD-),另一根定义为B(TXD+/RXD+),不需要数字地线。速率在100kbps及 以下时通信距离达1200米以上。RS-485 可以联网构成分布式系统,其允许最多并联32台驱动器和32台接收器。RS-485只能实现半双工通信。表一:RS-232接口引脚定义25 针 9 针 缩 写 描 述2 3 TXD 发送数据3 2 RXD 接收数据4 7 RTS 请求发送5 8 CTS 允许发送6 6 DSR 通讯设备准备好7 5 GND 信号地8 1 CD 载波检测20 4 DTR 数据终端准备好22 9 RI 响铃指示器 RS-422接口标准主要是为克服RS-232接口标准的通讯距离短和传输速率慢而建立的。RS-422标准是一种以平衡方式传输的标准,使用二对双绞线,每个信号以两根信号线来传输,即发送数据TXD+ 、 TXD- ,接收数据RXD+ 、 RXD- ,逻辑电平是由两条传输线之间的电位差来决定的,由于采用了双线传输,大大增强了抗共模干扰的能力,因此最大数据速率可达10MbPs(传送15m时)。若传输速率降到90kbPs时,则最大距离可达1200m,可实现全双工通信。

三. PLC编程电缆的制作

各厂家的编程电缆的作用就是将PLC端的RS485、RS422格式的数据转换为PC端的RS232C格式的数据,PLC端如果是RS232则只要按规则直接连接即可。因此要自制PLC编程电缆,就必须将PLC端的RS485、RS422转换为PC机能够识别的RS232C,PC才能与PLC通信,完成下载、上传、监控等工作,这就涉及到一个接口标准转换的问题。实现接口转换有几种方法:一是用简易的电平转换电路,但一种电路只能针对一种PLC,且功能不全,性能也不太可靠,甚至可能会损坏PC机的串口;二是用专用的接口转换IC ,但业余实现起来比较复杂,不适合自制。这里我们使用一种成品通讯接口转换器,可以实现RS232/RS485/RS422的转换,由于是专用的通讯接口转换器,使用起来很方便且性能可靠,价格也比较低。该类产品市场上比较多,以四川德阳四星电子的产品SC-485C接口转换器为例,该转换器用于RS232到RS485/RS422的通讯转换,体积小巧,只有两个DB-9插头大小,采用串口窃电技术,不需外接电源。SC-485C的结构及引脚定义如图二所示。RS232端为DB-9的孔座,可以直接插在PC机的COM口上,RS485/RS422端为DB-9的针座, RS485时使用3脚和8脚, RS422时用3脚、8脚、1脚和7脚。利用该接口转换器制作编程电缆如图三所示。左侧为SC-485C接口转换器,右侧从上而下分别为DIN-8、RJ11、DB-9和DB25插头的编程电缆,电缆靠近接口转换器一边的插头均为DB-9孔型插头,另一头均为针插头,分别对应不同物理结构的PLC编程口。

接线时根据PLC端是RS485还是RS422选择对应的引脚,按照“发送接接收,接收接发送,正接正,负接负”的规律连接,SC-485C接口转换器与PLC RS485、RS422接口接线图和PC与PLC RS232接口接线见图四。图四

要做好一根编程电缆,除了要进行RS232/RS485/RS422之间的接口转换外,还必须了解PLC编程口各引脚的定义,因为即使是采用同一种接口标准,不同厂家的PLC其引脚分布也是不相同的。表二提供了几种主流PLC的引脚定义,供自制时参考。未列举的PLC可以查找随机的技术手册,也可以到网上找一个通用型人机界面(hmi)的说明书,在HMI与各厂家PLC联机的连线说明中可以找到市场上绝大多数PLC的引脚定义。表二 部份PLC编程口引脚定义PLC型号 接口标准 接口外形 引 脚 定 义S7-200 RS485 DB-9 3B/8ATIWDO/NEZA RS485 DIN-8 1A/2BLGmasterK系列 RS232 DB-9 2RXD/3TXD/5GNDFX2N/FX0N RS422 DIN-8 1RXD-/2RXD+/4TXD-/7TXD+OMRON CH200HS RS232 DB-9 2TXD/3RXD/7GND/4RTS/5CTSAB SLC503/504 RS232 3TXD/2RXD/5GND/7RTS/8CTSABB COMLI RS232 6TXD/ 7RXD/ 5GND(SLAVE MODE)KOYO DIRECT DL RS232 RJ11 4TXD/3RXD/1GND

四、结束语

一种原装电缆只能在一种PLC上使用,而一只接口转换器配上不同接插件可以组合成一套编程电缆,几乎可以在任何品牌的PLC上使用。接口转换器和接插件在通信市场都能买到,而且价格便宜,总成本仅需原装电缆价格的十分之一左右,制作也非常简便。自制的编程电缆可以在PC与PLC之间可以完成程序上传、下载、在线监控等功能,在功能和可靠性上比起原装电缆来可以说是毫不逊色。RS232转RS485自制线原理图

串行通讯电缆的制作 RS-232通讯电缆的制作无论是9孔插头,还是25孔插头,其串行通讯电缆连接时都要遵循下列对接关系:  SG←→SG TXD←→RXD RXD←→TXD RTS←→CTS  CTS←→RTS DTR←→DSR DSR←→DTR  根据上述对接关系,就可以非常方便地连接串行通讯电缆。这里顺便介绍一下上述各引脚所代表的含义:  SG英文全称为Signal Ground/Common Return,表示信号地;  TXD指Transmitted Data,表示数据发送;  RXD指Received Data,表示接收数据;  RTS指Request To Send,表示发送请求;  CTS指Clear To Send,表示清除请求;  DTR指Data Terminal Ready,表示数据终端准备就绪;  DSR指Data Signal Rate Selector,表示数据置位准备就绪。  在制作9芯串口连线时,需要2个9孔插头和1.5米长的至少7芯的扁平电缆,引脚连线如下所示。  9孔插头-9孔插头引脚连线为:2-3、3-2、4-6、5-5、6-4、7-8、8-7。  9孔插头-25孔插头引脚连线为:2-2、3-3、4-6、5-7、6-20、7-5、8-4。  25孔插头-25孔插头引脚连线为:2-3、3-2、4-5、5-4、6-20、7-7、20-6。

台达DOP系列触摸屏与各品牌PLC通讯连线1、GE VERMAX 编程电缆制作(电源模件第一个串口):

PLC PC(9 SUB MALE) (9 SUB FEMALE)2 (T) 2 (R)3 (R) 3 (T)5 (G) 5 (G)

2、GE 90—30系列(CPU351/352/363/364) 编程电缆制作(RS232端口 6脚RJ11型):PLC PC(6 RJ11 MALE) (9 SUB FEMALE)2 (T) 2 (R)5 (R) 3 (T)3 (G) 5 (G)3、GE 90-30、90-70、VersaMax 编程电缆制作(RS232端口 6脚RJ11型):PLC RS422/RSRS232 PC(15 SUB MALE) (9 SUB FEMALE)12 (T-) (R+) (T) 2 (R)13 (T+) (R-) (R) 3 (T)10 (R-) (T+) (G) 5 (G)11 (T+) (T-)9 (RT)6 (RTS-)15 (CTS-)6 (RTS+)15 (CTS+)4、GE公司生产的编程电缆(GE 90-30、90-70、VersaMax),在调试过程中不够长,需要延长,延长线的制作为同1注意一下,GE 90-70有两个15 SUB FEMALE串口,用第二个串口方能编程,即使用GE公司生产的编程电缆。

欧姆龙CPM1A編程電纜製作資料

一、 (如图)

二、欧姆龙plc编程电缆

制作三菱FX系列PLC编程电缆

用于三菱FX1S、FX1N、FX2N、FX2NC及A系列PLC编程使用。第一步:制作一根FX-422CABO。

第二步:制作一根F2-232CAB-1

第三步:把上以两根线的25针母接头和公插头对接。上图实际就是计算机的串口直接对应PLC的DIN8孔为;计算机 PLC2 23 75 36和8短接 6好了,一根三菱plc编程电缆SC-09就制作完成了。

三菱FX系列编程电缆 三菱PLC編程電纜製作資料

电脑与PLC/CQM1H系列的编程电缆XW2Z-200S-CV的制作PLC-PC:2-2 3-3 4-8 5-7 9-5LG PLC编程电缆制作方法使用RS232 串行口和屏蔽电缆制作。公2(白)〈-----〉母3(白),公3(黄)〈-----〉母2(黄)公5(红)《-----》母5(红),屏蔽层加护套焊接在金属外壳上。以上颜色为自定。假如线径太细接口卡不牢,可以先用电工胶带固定和加粗厚再安装接口外壳。

富士PLC编程电缆制作

制作方法如下:1.直连编程电缆 ,该制作方法当初是参考三菱PLC编程电缆制作方法。当初网上没有关于富士PLC编程电缆制作的方法,在触摸屏编程手册上看到富士PLC采用RS422通讯,并下载了通讯口图如图所示。开始准备用RS232/422转换器制作,单本地没有买到。想起三菱PLC也是RS422通讯,网上很多三菱编程电缆制作图,就下载了一个三菱接线图并制作了一个富士编程电缆。开始用电阻制作的编程电缆用V1.0中文版富士软件联机成功几率很低,10%左右。在车间用笔记本成功几率为0,就到郑州购买RS232/422模块制作另外一根编程电缆,谁知道用转换器制作的编程电缆在办公室成功几率0,车间就更不用说了。就一直使用电阻连接的编程电缆并把PLC拆到办公室输入程序再安装到车间。直到后来才有好心的工控朋友说V1.0中文版软件是在WIN98系统联机的软件,XP系统必须用V2.0以后的版本。下载安装V2.0版本软件,两种方法制作的编程电缆都可以用。【attach】42【/attach】4 RTX+ -------------------------5 GND6 TXD+ -------------------------5 GND3 RXD— ------2.2K电阻------3 RXD5 TXD— ------2.2K电阻------2 TXD将PLC的4(RXD+).6(TXD+)脚的导线与电脑9芯母头的5脚连接(该脚是RS232的地),3脚(RXD-)通过2.2k欧的电阻与9芯的3脚相连,5脚(TXD-)通过2.2k欧电阻与9芯的2脚相连2.通过RS232-RS422转换头相连到电脑市场购买一个RS232-422转换头(25元左右,比电阻连接的安全),按转换头的说明书的说明与8芯水晶头按RTX+接RTX+;RTX-接RTX-;TXD+接TXD+;TXD-接TXD-连接就可。后有朋友联机不成功,我总结有以下原因导致他们没有成功:1 如果有USB/RS232转换器,注意转换器必须单独供电,如果转换器可以用+5V供电,可以直接用PLC的+5V电源 。如果转换器是+9V供电的可能需要另外增加一个直流电源了;2 软件必须用2.0英文版本,1.0中文版本可以在下面编程用,1.0在WIN98系统可用,在XP 系统联机成功率不高(偶然可以成功一次)。3 判断接线是否正确,可以把水晶头插到PLC编程口(PLC NB2有一个口不是编程口,不要插错)测量+5V是否是1/7和2/8脚。好几个朋友都是把水晶头上下程序弄错 。好几个朋友都是把通讯口1~8的次序弄颠倒了,插到PLC通讯口后测量1脚和2脚+5V极性判断是否接错。

富士spb plc的编程电缆内部接线图!一端8芯水晶头 一端rs232 9孔RJ45端 3-----TD+ ; 4-----TD- ; 5-----RD+ ; 6-----RD- ; 1,2,7,8---NCSPB为RS422模式,因此令一端你需要一个RS232转RS422的转换器~~然后对应著转换器上的引脚分布进行接线。另低版本的软件会导致通讯失败,请使用高版本的软体。

F930GOT-BWD-C的编程电缆PC HMI2--------33--------24--------6.85--------56.8-----44400与OMRON CP1H的通讯电缆制作plc-----------hmi3 32 29 54,5短自制松下PLC(FP0)编程电缆图

相关问答

求松下PLCXY接线方法?

输入端排在X6、7、E、F的4个插针在plc内部是连通的,一般作为com端接24V电源+。输入信号接在输入点X和24V-之间。输出端排在Y6和YE下面的插针在内部是连通的,接...

松下plc怎么与电脑连接-ZOL问答

松下编程软件安装成功后,驱动已经在松下编程软件的安装目录下了,指定到目录就可以装FP0R的驱动了FPOR的PLC,USB驱动只有在XP系统里面才可以使用;V7以上系统...

松下plc上传程序步骤?

连好编程线,然后设置好端口,点击上载连好编程线,然后设置好端口,点击上载

松下FP-XHplc接线?

松下PLC一般情况下:24V0V为PLC本身输出的一个24V电压,给输出端供电(因为输出电流较小,建议不要使用,如果所接负载较大,最好自己外接一个24V电源)NC为空...

mcgs触摸屏和松下plc通讯怎么设置-ZOL问答

一、需要一条松下PLC专用编程通讯线,一端5针插头连接PLC,一端9针母头连接MCGS通讯口。二、松下PLC通讯格式选择默认:三、MCGS触摸屏的通讯格式要和上面的格式...

松下plc如何与电脑连接?

你松下编程软件安装成功后,驱动已经在松下编程软件的安装目录下了,指定到这个目录就可以装FP0R的驱动了你松下编程软件安装成功后,驱动已经在松下编程软件的...

请问松下伺服驱动器X4的接线中36,37(ALM-,ALM+)如何接线将报警信号传递给PLC,以及报警时的工作原理?

直接引一根线到PLC输入端(X点)即可!伺服正常情况下,这点是亮的,如果伺服异常,这个就灭了。然后你就给出相应的报警程序就好。直接引一根线到PLC输入端(X点)即...

PLC松下FP-X的四个通信口怎么实现通讯,请举例说明?

我这里有一个松下的小PLC,型号是FP-XC40R。有编程口和USB端口,编程口是RS232很多时候用作和上位机的通信。剩下的通讯方式和你选择的通讯卡有关,比如说我这...

请教一下,松下伺服用PLC发脉冲控制怎么接线?

松下伺服对应PLC输入的脉冲引脚是1、2、4、6,一般是1和2接高电平,4和6接PLC的输出。我们公司之前还有用欧系PLC,接线就一直转不起来,后来经过上海会...

松下plc与电脑通讯必须用编程线吗?

不一定需要使用编程线来实现松下PLC与电脑的通讯。虽然编程线是最常见和直接的方式,但还有其他的通讯方式可供选择。通过使用网络通讯协议,如以太网或串行通信...

 金华市实验中学  车窗外 
王经理: 180-0000-0000(微信同号)
10086@qq.com
北京海淀区西三旗街道国际大厦08A座
©2026  上海羊羽卓进出口贸易有限公司  版权所有.All Rights Reserved.  |  程序由Z-BlogPHP强力驱动
网站首页
电话咨询
微信号

QQ

在线咨询真诚为您提供专业解答服务

热线

188-0000-0000
专属服务热线

微信

二维码扫一扫微信交流
顶部