直播课堂
HOME
直播课堂
正文内容
plc编程案例经典案例 30个PLC编程实例,老电工带你由浅入深,由易到难,一步步学习PLC
发布时间 : 2026-01-01
作者 : 小编
访问数量 : 23
扫码分享至微信

30个PLC编程实例,老电工带你由浅入深,由易到难,一步步学习PLC

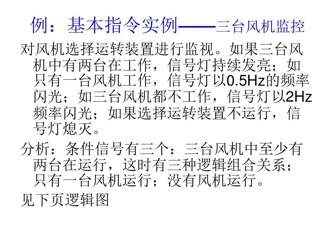
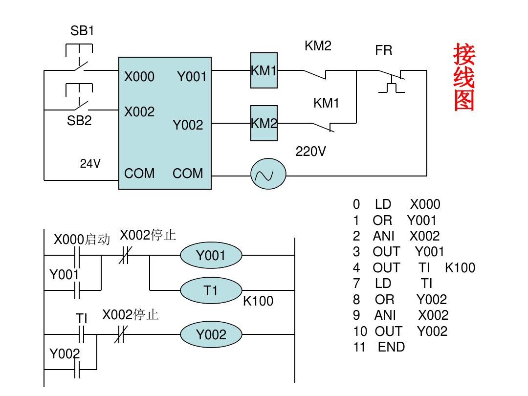
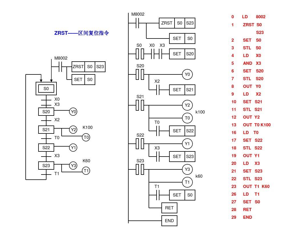
PLC在学习的过程中,除了需要掌握必备的基础理论知识以外,更需要亲身设计电路来实践,刚开始学习PLC编程的时候,可以先从小的电路小的程序入手,由浅入深,先易后难的进行学习,今天我们就重点来看看具体的基础的PLC编程实例:

30个PLC编程实例,助你学习和巩固PLC技术,学PLC,我们认真的!

PLC在学习的过程中,除了需要掌握必备的基础理论知识以外,更需要亲身设计电路来实践,刚开始学习PLC编程的时候,可以先从小的电路小的程序入手,由浅入深,先易后难的进行学习,今天我们就重点来看看具体的基础的PLC编程实例:

相关问答

plc编程实例讲解?

当涉及PLC(可编程逻辑控制器)编程实例时,以下是一个简单的案例来说明:假设有一个自动灌装系统,该系统使用PLC来控制液体的进料和排出。系统中有一个传感器...

plc编码器编程实例?

以三菱PLC的脉冲+方向控制为例首先是接线:步进驱动器的脉冲端,分别接到PLC的脉冲输出端Y0,方向端接PLC任意输出端Y3;然后是编程:PLSY发脉冲即可[PLSYD100...

plc中断编程实例?

以下是一个PLC中断编程的示例:假设我们有一个PLC控制器,其中包含一个输入模块和一个输出模块。我们希望在某个输入信号触发时,立即执行一些特定的操作。1.首...

欧姆龙plc控制伺服编程实例?

以下是一个欧姆龙PLC控制伺服的简单实例。假设有一个工控系统需要控制一个伺服电机,实现简单的位置控制。具体实现步骤如下:1.确定控制器和伺服的型号、通...

西门子1200plc编码器编程实例?

西门子1200PLC的编码器可以通过编程实现各种控制功能。以下是一个简单的实例,用于控制一个温度传感器并将其转换为数字信号,以便在PLC中进行计数和计算:1.创...

信捷plc总线控制伺服编程实例?

回答如下:以下是一个信捷PLC总线控制伺服编程实例:假设我们要控制一个伺服电机,该电机有一个编码器反馈,用于检测它的位置。我们需要使用信捷PLC和总线控制...

欧姆龙plc485通讯编程实例?

您好,以下是PLC485通讯编程实例:1.确定PLC通讯口:首先需要确定使用的PLC通讯口,例如COM1口。2.定义串口参数:定义串口参数,包括波特率、数据位、停止...

plc脉冲定位编程实例?

PLC脉冲定位编程实例:1、脉冲定位编程:(1)首先配置脉冲定位模块,确定脉冲定位模块的通道号、脉冲定位方向、脉冲定位频率和脉冲定位位置等信息;(2)编...PL...

三菱plc压力传感器编程实例?

三菱PLC控制压力传感器的编程实例如下:读取压力传感器的信号,将其存储到PLC的一个数据寄存器中。将数据寄存器中的值与设定值进行比较,如果小于设定值,则输...

plcpwm运动控制编程实例?

以下是一个使用PLC与PWM运动控制编程的示例:假设我们要控制一个直流电机以特定的速度旋转。我们将使用PLC来生成PWM信号,以控制电机的速度。1.首先,选择一...

 昌平高教新城  贝尔西 
王经理: 180-0000-0000(微信同号)
10086@qq.com
北京海淀区西三旗街道国际大厦08A座
©2026  上海羊羽卓进出口贸易有限公司  版权所有.All Rights Reserved.  |  程序由Z-BlogPHP强力驱动
网站首页
电话咨询
微信号

QQ

在线咨询真诚为您提供专业解答服务

热线

188-0000-0000
专属服务热线

微信

二维码扫一扫微信交流
顶部