直播课堂
HOME
直播课堂
正文内容
plc软启动怎么编程 干货 经典的PLC编程实例及经验设计法(三相异步电动机)
发布时间 : 2026-01-01
作者 : 小编
访问数量 : 23
扫码分享至微信

干货 经典的PLC编程实例及经验设计法(三相异步电动机)

​一、三相异步电动机的降压启动控制

1、三相异步电动机的Y-△降压启动控制

将三相异步电动机的Y-△降压启动的继电接触器控制改造为PLC控制系统.

(1)确定I/O信号、画PLC的外部接线图

(a)主电路

(b)PLC的I/O接线图 电动机的Y-△降压启动的接线图

(2)设计三相异步电动机的Y-△降压启动梯形图

电动机的Y-△降压启动控制的梯形图

2.三相异步电动机的串自耦变压器降压启动控制

将串自耦变压器降压启动的继电接触器控制改造为PLC控制系统 :

(1)确定I/O信号、画PLC的外部接线图

PLC的输入信号:启动按钮SB1,停止按钮SB2,热继电器常开触点FR。

PLC的输出信号:运行接触器KM2、串接自耦变压器接触器KM1。

(a)主电路

(2)设计三相异步电动机的串自耦变压器降压启动梯形图

三相异步电动机的串自耦变压器降压启动控制梯形图

二、三相绕线式异步电动机的控制

1.三相绕线式异步电动机串电阻启动控制

将绕线式异步电动机串电阻启动的继电接触器控制线路改造为PLC控制系统 :

(1)确定I/O信号、画PLC的外部接线图

PLC的输入信号:启动按钮SB1,停止按钮SB2,热继电器常开触点FR。

PLC的输出信号:电源接触器KM、短接R1接触器KM1、短接R2接触器KM

(a)主电路

(b) PLC的I/O接线图 三相绕线式异步电动机串电阻启动的接线图

2.三相绕线式异步电动机串频敏变阻器启动电路

将绕线式异步电动机串频敏变阻器启动的继电接触器控制线路改造为PLC控制系统 :

(1)确定I/O信号、画PLC的外部接线图

PLC的输入信号:启动按钮SB1,停止按钮SB2,热继电器常开触点FR。

PLC的输出信号:运行接触器KM1、短接频敏变阻器接触器KM2、接入热继电器的中间继电器KA。

(a)主电路

(b) PLC的I/O接线图

(2)设计三相绕线式异步电动机串频敏变阻器启动梯形图

三相绕线式异步电动机串频敏变阻器启动梯形图

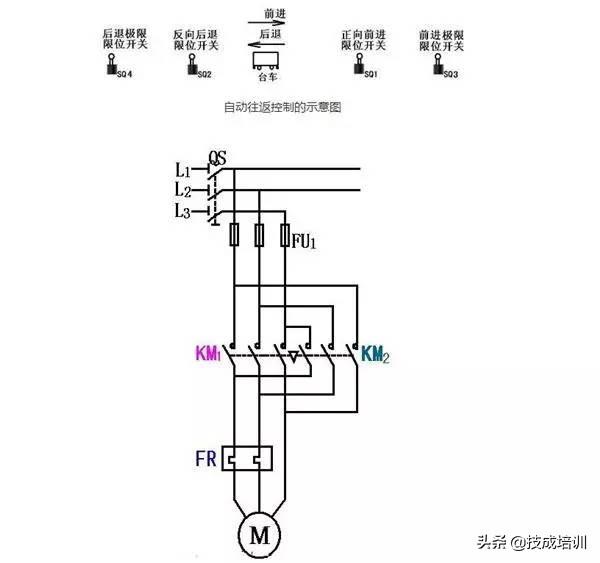
三、自动往返控制

将自动往返控制的继电接触器控制线路改造为PLC控制系统 :

(1)确定I/O信号、画PLC的外部接线图

PLC的输入信号:正转启动按钮SB1,反转启动按钮SB2,停止按钮SB3,热继电器常开触点FR、正向前进限位开关SQ1、反向后退限位开关SQ2、前进极限限位开关SQ3、后退极限限位开关SQ4。

PLC的输出信号:正向运行接触器KM1、反向运行接触器KM2。

自动往返控制的示意图

(a)主电路

(b) PLC的I/O接线图 自动往返控制的接线图

(2)设计梯形图

自动往返控制的梯形图

四、梯形图经验设计法

(一)PLC控制系统梯形图的特点

(1)PLC控制系统的输入信号和输出负载:继电器电路图中的交流接触器和电磁阀等执行机构用PLC的输出继电器来控制,它们的线圈接在PLC的输出端。按钮、控制开关、限位开关、接近开关等用来给PLC提供控制命令和反馈信号,它们的触点接在PLC的输入端。

(2)继电器电路图中的中间继电器和时间继电器的功能用PLC内部的辅助继电器和定时器来完成,它们与PLC的输入继电器和输出继电器无关。

(3)设置中间单元:在梯形图中,若多个线圈都受某一触点串并联电路的控制,为了简化电路,在梯形图中可设置用该电路控制的辅助继电器,辅助继电器类似于继电器电路中的中间继电器。

(4)时间继电器瞬动触点的处理:除了延时动作的触点外,时间继电器还有在线圈得电或失电时马上动作的瞬动触点。对于有瞬动触点的时间继电器,可以在梯形图中对应的定时器的线圈两端并联辅助继电器,后者的触点相当于时间继电器的瞬动触点。

(5)断电延时的时间继电器的处理。FX系列PLC没有相同功能的定时器,但是可以用线圈通电后延时的定时器来实现断电延时功能。

(6)外部联锁电路的设立。为了防止控制正反转的两个接触器同时动作,造成三相电源短路,除了在梯形图中设置与它们对应的输出继电器的线圈串联的常闭触点组成的软互锁电路外,还应在PLC外部设置硬互锁电路。

(7)热继电器过载信号的处理:如果热继电器属于自动复位型,则过载信号必须通过输入电路提供给PLC,用梯形图实现过载保护。如果属于手动复位型热继电器,则其常闭触点可以接在PLC的输出电路中与控制电动机的交流接触器的线圈串联。

(8)外部负载的额定电压:PLC的继电器输出模块和双向晶闸管输出模块,一般只能驱动额定电压AC 220V的负载,如果系统原来的交流接触器的线圈电压为380V时,应将线圈换成220V的,或在PLC外部设置中间继电器。

(二)经验设计法

以上实例编程使用的方法为"经验设计法"。顾名思义,"经验法"是依倨设计者的经验进行设计的方法。

1.经验设计法的要点

(1)PLC的编程,从梯形图来看,其根本点是找出符合控制要求的系统各个输出的工作条件,这些条件又总是用机内各种器件按一定的逻辑关系组合实现的。

(2)梯形图的基本模式为启-保-停电路。每个启-保-停电路一般只针对一个输出,这个输出可以是系统的实际输出,也可以是中间变量。

(3)梯形图编程中有一些约定俗成的基本环节,它们都有一定的功能,可以像摆积木一样在许多地方应用。

2."经验法"编程步骤

(1)在准确了解控制要求后,合理地为控制系统中的事件分配输入输出口。选择必要的机内器件,如定时器、计数器、辅助继电器。

(2)对于一些控制要求较简单的输出,可直接写出它们的工作条件,依据启-保-停电路模式完成相关的梯形图支路。工作条件稍复杂的可借助辅助继电器。

(3)对于较复杂的控制要求,为了能用启-保-停电路模式绘出各输出口的梯形图,要正确分析控制要求,并确定组成总的控制要求的关键点。

(4)将关键点用梯形图表达出来。关键点总是用机内器件来表达的,在安排机内器件时需要合理安排。绘关键点的梯形图时,可以使用常见的基本环节,如定时器计时环节、振荡环节等。

(5)在完成关键点梯形图的基础上,针对系统最终的输出进行梯形图的编绘。使用关键点综合出最终输出的控制要求。

(6)审查以上草绘图纸,在此基础上,补充遗漏的功能,更正错误,进行最后的完善。

谈一谈软启动器在PLC项目中的应用(二)

PLC入门从电机启停开始

最近半年,连着做了几个大功率的试验台。本人(702)负责上位机试验程序的编写和电控方案的制定。一般都是采用经典的硬件方案,上下位机模式,上位机用工控机,下位机用PLC。工控机一般用研华的,只要用户不指定,用习惯了也不愿意换了,下位机当然是西门子的经典系列了,看具体用途和预算,要么1200,要么1500,没什么可说的,扯远了。

大功率的试验台都会用到大功率的电机,大功率的电机要么用变频器,要么用软启动器。需要调速的时候,就用变频器,不需要调速的时候就用软启动器,也没什么可说的。

用什么品牌?

变频器一般用西门子系列了,还是那样,用户不指定,就用西门子系列。前两年用过ABB的,用法都差不多。以前用MM440,后来都用S120系列了。以前估计为了省事,用模拟量控制转速,程序也好写么,0-10V对应0-3000转,一个线性转换就搞定了,后来么,就都用PROFIBUS,再后来就都用PROFINET了,扯远了,下期专门写一个变频器的小文。

软启动器,当然是用施耐德的了,贵。都是大项目,所以都是用的好点的东西。价格?90KW重载,一万二左右,55KW重载九千多吧。什么是重载,什么是轻载?重载就是重载,选型的时候比轻载大一个型号。

下面谈一谈几个遇到的问题(二)。

上一篇小文聊了聊关于选型的问题,这一篇接着往下说。

2. 接线问题。怎么接线?

接线问题貌似不是什么问题。难者不会,会者不难,都说一说。

接线分 主回路接线和控制回路接线。

先说主回路,就是软启动器的进线和出线。

上图是说明书给出的接线图。就这么接线那肯定是不对的,总得在前面后面,左面右面加点东西吧,是的,总得加一个开关吧,断路器。

软启动器前面放一个断路器,加一个熔断器,然后直接接软启动器进线L1,L2,L3.接一个互感器,放一个电流表,显得专业一点。

然后,T1,T2,T3拿电缆引到电机即可。

然后旁边放一个盘路接触器就可以了。先忽略控制电路,后面会在PLC程序编写时讲到。

启停原理?

原理很简单。就是在电机启动时,电流会很大,对电网冲击很大,所以在启动时,要把想法将电流,在启动完成后,在切换回来即可。

这个原理和星三角一样,就是先降电流,后切换回来。为什么要切换?不切换影响扭矩输出,就是电流小,扭矩小,电机没劲。

如上图所示,就是在要启动时,给软启动器一个信号,软启动器就开始让电机运行,应该是一个斜坡信号,当电机启动完成后,软启动器会给你一个信号,你让旁路接触器接通即可。

什么时候启动完成?

这个不用你管,启动完成,软启动器会告诉你。

怎么告诉?

R1A,R2A,两个继电器,一个故障,一个启动完成。先不用去记,现在知道有这么个功能就行。

当启动完成后,启动完成继电器会常开变常闭,检测这个信号就可以。

具体这个信号怎么用?

现在日子好了,都用PLC了,直接接到PLC就可以了。后面会讲到。

没有PLC?直接接接触器的控制回路就可以了吧。

上图是AST系列控制端子分配图。

具体怎么用?在后面的小文中会讲到。

控制端子和PLC的控制逻辑相关,所以在讲PLC软启的控制逻辑时,一同讲会好一点。

这里只简单说一下接线就可以了。

第一是,要给CL1,CL2通电,这个看清楚了,AST48---Q系列220V-400V AC,就是说可以接380V的动力电,直接可以把进线引导这。AST48---Y系列,只能是110V—230V AC。 这里不是危言耸听,我亲眼不止N次的见过,一些初学者,毛手毛脚,懒,不看样本,看到个电源端子就敢往上面接线。PLC供电,到底是24V还是220V。接触器到底是220V线圈还是36V线圈。好几次,冒火冒烟了才知道去看接线图。扯远了。

这一小节,很简单,但还是聊一聊,下一篇小文,讲软启动器的启停控制和PLC编程。

再下一小节,讲一个更省钱的方法,一个软启动器托多个电机的控制方式。

有了前面的基础,后面讲起来会更轻松一些。

编写:十年工控702

实践项目篇QQ群:241388930

头条公众号:1628583166434318

今日头条二维码:

每次写点东西,第二天就被别人抄去了,标定符号都不带给的。上面加点防盗手段,有问题的同学可以留言,交流。

相关问答

plc控制软启动器的启停怎么接线?

PLC控制西门子变频器启停要看是什么样的控制器了。一般通过端子启停的话接DI0-----24V就可以了。但是变频器内部设置也要相匹配才可以。PLC控制启停,启停按...

触摸屏PLC编程培训都有哪些学习内容?

[回答]汇缘教育PLC编程培训学校继续剖析第二个环节:加强学习应用不一样PLC编程語言开展程序编写,HMI与PLC的通信组态软件,HMI智能监控网页页面制做,PLC根...

PLC编程培训都有哪些学习内容?

东莞市汇缘教育PLC编程培训学校的工程师告诉大家:PLC编程的学习培训关键分成两大控制模块,计算机语言与操纵方法。PLC编程語言简言之便是了解智能机...

初学者想系统的学习PLC,请问应该怎么学?有没有好的学习方法或学习步骤?

大家好,我是王俊杰,做项目的,从2010年接触电气自动化编程到现在已经有11年时间了。还记得第一次做工程的情景,那是一个夏天,天气炎热,我负责做公司PLC编程...现...

怎样在电脑里写入plc编程?

PLC根据它的品牌、型号来选择编程软件,比如,西门子:S7-200系列PLC编程软件用STEP7-MicroWINV4.0SP9版本软件;S7-200SMART系列PLC编程软件用STEP7...

PLC和文本编程?

首先要保证文本与plc通讯链接好,然后在plc里写好手动程序。文本中做软元件按钮控制Plc首先要保证文本与plc通讯链接好,然后在plc里写好手动程序。文本中做软...

电气PLC编程培训学习的三个重要环节?

[回答]着严格的要求,他们都有着5年以上非标自动化行业工作经验,曾多次带领团队共同完成多个大型项目经验。我们始终站在学员的角度出发,坚持“让...我们...

初学者如何快速学习PLC?

以三菱plc为例,这是一份学习计划第一周:熟悉PLC硬件及相关模块、接线1、常见FX系列CPU的种类及常用的各种模块(有助于选型)2、不同的CPU中各自输入输出的接线...

plc指令程序是什么?

1.PLC指令程序是一种用于编程可编程逻辑控制器(PLC)的指令序列。2.PLC指令程序的目的是控制PLC执行特定的操作,例如监测输入信号、进行逻辑运算、控制输出信...

触摸屏PLC编程培训学习的三个重要环节?

[回答]汇缘教育PLC编程培训学校为您解析第三个环节:PLC秘方的设计方案及程序编写,怎么使用EPLAN手机软件开展配电设计及其PLC和智能机器人新项目集成化运...

 rust blaster  城市地理学 
王经理: 180-0000-0000(微信同号)
10086@qq.com
北京海淀区西三旗街道国际大厦08A座
©2026  上海羊羽卓进出口贸易有限公司  版权所有.All Rights Reserved.  |  程序由Z-BlogPHP强力驱动
网站首页
电话咨询
微信号

QQ

在线咨询真诚为您提供专业解答服务

热线

188-0000-0000
专属服务热线

微信

二维码扫一扫微信交流
顶部