电梯plc编程设计 基于PLC的电梯控制系统设计分析

小编 99 0

基于PLC的电梯控制系统设计分析

福建水利电力职业技术学院的研究人员黄丽晶,在 2016 年第 11 期《电气技术》杂志上撰文指出,为了让乘客可以用到更舒适、更安全、更环保的电梯,对电梯的研究还是很有必要的。PLC 控制克服了继电器控制电梯的很多缺点,有着编程容易、灵活性好、扩展性能好、抗干扰能力强等优点,被应用于电梯控制系统的设置。

本文研究的是七层电梯的 PLC 控制系统,主要是利用 PLC 的逻辑开关控制功能,通过 PLC 来控制电梯的开关门、楼层显示、轿内与厅外的召唤登记与消除、定向、超载报警、启动加速和制动停车等模块。这些都要通过分析电梯的性能要求,来确定输入输出口,进而选出合适的 PLC 型号,再分配 I/O 口,并且就前面所述的模块功能以获得相应的梯形图,最后再进行程序的调试和仿真,实现了应用 PLC 控制电梯系统的目的。

随着经济的发展,人们生活水平的提高,加之为了提高土地资源的利用率,现在的建筑物都在往高层发展,显然自从出现电梯之后,高楼大厦就开始呈现出离不开电梯的现象了[1]。目前,电梯已广泛应用于人们的生活中,它带给人们极大的方便,发挥着至关重要的作用,如汽车等交通工具一般不可或缺,而电梯的承载量、启停的舒适感和控制方式等也在不断地改进,因此对电梯的研究已经显得很有必要了。

在我国发展初期,大部分电梯的电气部分采用继电器控制,不仅接线复杂,容易发生故障,维修困难,而且它的控制电路需使用大量的控制电器,这都要人工布线、焊接与组装等,若工艺要求改变的话,控制电路也应该改变,这样耗时又费力[2]。

在继电器控制系统中,毕竟器件的老化、脱焊、触点电弧等现象不可避免,这就降低了系统的可靠性,加上系统扩展性差,技术难以提升,而且电磁机构的触点动作速度比较慢,其机械与电磁惯性大,使得控制精度会降低,同时系统结构庞大,能耗较大,其机械动作时噪声也大,这样就不太符合我国的环保要求了。

鉴于以上不足,本文选取PLC作为控制系统,其克服了继电器控制系统的很多明显的缺点,比如PLC采用大规模集成电路,大部分是软继电器,其可靠性明显高很多,而且扩展灵活,通用性强,且微处理器控制,实时性好[3]。因此随着微电子和计算机技术的发展,PLC在工业控制领域上的应用也越来越广泛,所以研究PLC应用于电梯有着重大的意义。

1 电梯和主要参数和 PLC 的特点

电梯的主要参数有轿厢尺寸、额定载重量、轿厢形式、开门宽度、曳引方式、额定速度、停层站数、井道高度等。电梯是机电一体化的产品,它的机械部分就像人的躯体,电气部分类似于人的神经,而控制部分则相当于人的大脑,各部分通过彼此密切相关的连接而必不可少,才能保证电梯的可靠运行。

电梯从空间上可划分为机房部分、轿厢部分、井道部分和层站部分,熟称四大空间。而电梯的八大系统则是曳引系统、电力拖动系统、导向系统、重量平衡系统、门系统、轿厢系统、电气控制系统和安全保护系统。其电梯的总体结构图如图1所示[1]。

图1电梯总体结构图

可编程控制器的优越性主要蕴含有以下方面[4]:

[1]灵活性和通用性强:继电器控制系统的控制电路需要使用大量的控制电器,而且需要人工布线和焊接等来完成电路的连接,若工艺要求改变一点,控制电路就必须跟着改变,这样耗时又费力。在PLC控制系统中,若控制功能要求改变,则只需要修改它的程序,其外部接线的改动极少,甚至可以不必改动。

[2]编程语言简单易学:PLC采用梯形图逻辑编程,它的语言直观易懂,不要求使用者要精通计算机方面的复杂的软硬件知识,只要有了通常的继电器梯形图,就可方便地写出PLC程序。

[3]抗干扰能力强,可靠性高:继电器控制系统中,因为器件的老化、触点电弧及脱焊等现象是不可避免的,从而大大降低了系统的可靠性。在PLC控制系统中,主要模件都采用大规模和超大规模集成电路,而且都是由无触点的半导体电路来完成大量的开关动作,加之PLC在硬件和软件方面用了较好的防护措施,从而使其可靠性更高,抗干扰能力也更强。

[4]PLC与外部设备的连接简单而且使用方便。

[5]PLC具有完善的功能与较强的扩展能力,而且体积小、重量轻并且易于机电一体化。

对于整体式PLC,其所有部件都装在同一个机壳内,组成框图如图2所示[4-6]。

图2 整体式PLC组成框图

2 基于 PLC 的电梯设计

2.1 硬件设计

(1)主电路设计

交流双速电梯的主电路图如图3所示,电源由开关SQ0引入,经上升接触器KM1和下降接触器KM2来控制双速笼型异步电动机的正反转,从而用以实现电梯的上下行控制。正常工作即电梯上升或下降时由高速运行接触器KM3接通快速绕组,定子串联阻抗启动,再经过延时,就由启动加速接触器KM5来短接启动阻抗,从而达到额定速度进入稳速运行的阶段。采用降压启动可以减小启动电流对电网的冲击,减少电动机的启动加速度,从而增加了电梯启动的舒适感。

当电梯收到停车的命令后,KM3应该断电释放,由低速运行接触器KM4接通慢速绕组,经过延时分别由减速制动接触器KM6、KM7和KM8短接阻抗,从而起到电梯停车前制动减速的作用,这样不仅增加了停车制动时的舒适感,而且使停车更为准确。电梯到平层位置时,所有接触器都断开,抱闸抱死,使电梯停止运行。

图3 交流双速电梯的主电路

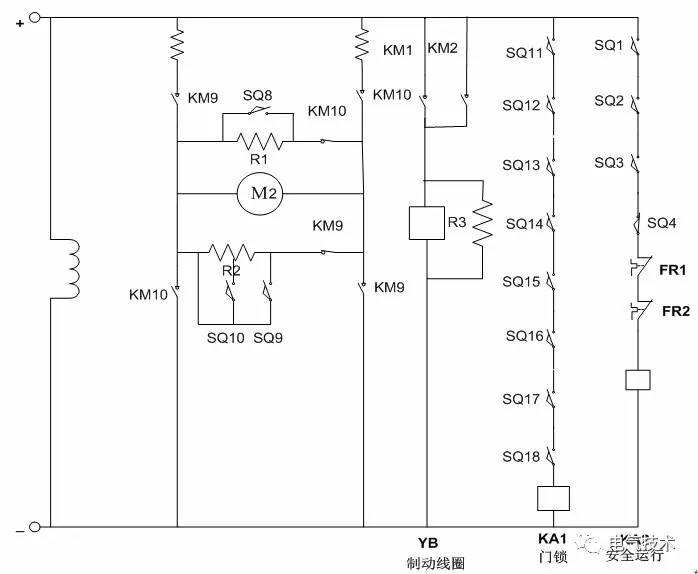
(2) 门机、抱闸、门锁和安全运行电路的设计

其电路图如图4所示,门机电路中,M2为他励直流电动机,由开门接触器KM9和关门接触器KM10来控制M2的正反转,KM9闭合时,电阻R1与M2的电枢并联,电流从电动机电枢的左端流向右端,从而使电动机正转实现开门,由开门调速开关SQ8将R1短接,得以实现开门调速(减速);KM10闭合时,电阻R2与M2的电枢并联,电流从电动机电枢的右端流向左端,从而使电动机反转实现关门,并由关门调速开关SQ9、SQ10和R2一起来实现关门调速。

图4 门机、抱闸、门锁和安全运行电路的设计

在电梯上、下行的运行中时,KM1或KM2将会闭合一个,从而使制动线圈YB得电,抱闸松开,电动机能够正常运转。当电梯要停止时,KM1和KM2断开,YB将失电,抱闸将电动机闸住而实现停车。

SQ11~SQ17表示1~7楼厅门锁开关,SQ18表示轿门关闭到位开关,只有将所有的厅和轿门开关串联在一起,从而控制电梯门锁继电器KA1,实现只有当全部门正常关闭后电梯才能实现上升和下降的控制。

安全运行电路是将安全窗开关SQ1、安全钳开关SQ2、限速器开关SQ3和轿内急停开关SQ4以及热继电器触点FR1和FR2串联在一起构成,是电梯中最重要的电路。最后用KA2的触点来控制电源的接入与否,这样可以保证在多种紧急情况下能够立即停车,从而确保了电梯的安全运行。

如图5中M2用的是他励直流电动机,直流电动机的调速性能好,起动力矩大,比较容易实现电梯的开关门,就像关门要由快到慢,直流比较容易调节它的速度,而且直流的制动回路比较简单。

图5 他励直流电动机

(3) 电梯的控制原理图分析

电梯的电气控制原理如图6所示,它由曳引电动机、门电机、PLC和其他电气元件构成,本控制系统主要是采用欧姆龙CP1H系列的PLC来实现电梯的运行控制,PLC接收来自现场的厅外与轿内的呼叫、楼层、位置和安全等信号,再实现对楼层的显示、电梯的开关门、呼梯显示和电梯的升降等功能。

图6电梯的控制系统原理图

本小节的硬件设计是保证电梯能够正常运行的重要条件,通过电动机的正反转来控制电梯的上升与下降,还有电梯的开关门也要由电动机的正反转来控制,而且为了满足电梯启动和停车的舒适感,还采用了降压启动和分级制动减速的方法,同时为了使电梯能够安全运行,还设计了门锁和安全运行电路。

2.2 软件设计

通过清点需要接入PLC的信号,可以计算出控制系统所需的输入点数为40个,输出点数为38个,所以选择欧姆龙CP1H系列40点I/O型主机和3台20点的I/O扩展单元,其I/O扩展配置和I/O点编号如图7所示[5]。七层电梯的PLC控制输入输出端口如图8所示。

图7 CP1H系列PLC的I/O扩展配置和I/O点编号

图8 七层电梯的PLC控制输入输出端口

电梯主程序设计主要包括了:开关门控制;楼层信号的显示;轿内与厅外召唤的登记与消除;电梯的定向;停车信号的产生;制动减速信号的产生;电梯启动加速、稳速运行与停车制动环节;超载报警等环节。

电梯控制的流程图如图9所示。

(1)开关门控制

电梯开门主要存在着以下几种情况:检修开门;重新开门;停层开门;基站开门;呼梯开门。因而设计得到关门控制的梯形图如图10所示,其相应的程序如表1所示(按列看,下文同)。

图9 电梯控制流程图

图10 开门控制的电梯图

表1 开门控制的程序

对于关门主要存在以下几种情况:检修关门;自动关门;提前关门。因而关门控制的梯形图如图11所示,其程序如表2所示。

图11 关门控制的电梯图

表2 开门控制的程序

(2)楼层信号显示

当电梯到达某层时,应该显示出此层是几楼,才能让乘客更清楚电梯的位置。若要楼层正确的显示,首先应由楼层感应器来判断电梯在哪个范围属于哪层,然后利用内部辅助继电器使相应的七段码亮。

例如观察比如电梯在一楼,在一楼辅助继电器20003得电,则七段码A段和B段会亮,显示出1的字样,当电梯不在一楼而上升到二楼时,则20003将失电,七段码A段和B段会暗,相应的在二楼辅助继电器20004会得电,进而使七段码的A、B、D、E和G段会亮,显示出2的字样。

因篇幅限制,本文只列举一楼至三楼的程序如表3所示。

表3 一楼至三楼的楼层信号显示程序

(3)轿内与厅外召唤的登记与消除

如图12左是轿厢内的布局,右是厅外的布局,轿厢内设有急停开关按钮、检修时的上行启动按钮和检修时的下行启动按钮,还有手动开门按钮、手动关门按钮和1~7楼的内选按钮;厅外2~6楼都有上呼按钮和下呼按钮,1楼有上呼按钮,7楼有下呼按钮。

轿内1~7这七个按钮和厅外的上下呼的按钮只要有被按下,则相应按钮的指示灯就会亮,当电梯响应其按钮的指示灯就会灭。此外,轿内和厅外都有楼层显示和上下行显示,这样可以让乘客更清楚电梯的位置。

图12 轿内和厅外的布局

乘客想要去哪个楼层,可以按下内选按钮,比如乘客在一楼进入电梯,想去三楼,则应该按下三楼的内选按钮,此时三楼的内选按钮指示灯会亮,当电梯行驶到三楼时,常闭触点20005会断开,从而使三楼内选按钮的指示灯灭掉即被消除,其一楼至三楼的登记与消除的梯形图如图13所示,相应的程序如表4所示。

图13 一楼至三楼的登记与消除的梯形图

表4一楼至三楼的登记与消除的程序

(4)电梯的定向

电梯在自动运行的情况下,首先得先确定运行方向,才能让电梯正确的运行。当电梯处于待命的时候,若此时接到了内选和外呼的信号,则应该把电梯的位置和呼叫信号相比较,从而来确定电梯是应该上行还是下行。一旦电梯定向完后,当内选和外呼顺向运行还没完的时候,定向信号不能被消除。在检修的状态下,电梯不需要定向,直接由上行启动和下行启动按钮来完成。

当乘客在四楼时,想去五楼,就按下了四楼厅外的上呼按钮,此时只有当电梯在四楼以下即电梯不在五、六和七楼时,电梯上行辅助继电器才会得电,但是为了防止乘客进入轿厢后想去五楼时,在他进入电梯和按下五楼内选这段时间内,由于此时电梯已经在四楼了,电梯上行辅助会马上失电,如果二楼有外呼的话,电梯会定下行,所以可以通过引入定上行辅助继电器来使上行继电器接通时间延长到上行这个动作完成。

(5)停车信号的产生

在停车制动前,必须先确定停车信号,即确定电梯将要在哪层停下,这可通过楼层位置信息和呼叫信息来判断。如当电梯定上行时二楼有上呼状态或者电梯定下行时二楼有下呼状态,又或者有二楼内选状态时,此时应该产生二楼停车触发的信号,当电梯行驶到二楼(由楼层感应器判断)时就要产生二楼停车信号,从而可以使电梯开始减速停车。

(6)制动减速信号的产生

电梯在平层之前要先减速再制动,才能使电梯平层更准确,且电梯也不会突然停车,这让乘客感觉更舒适,如图14所示,上平层感应器7和下平层感应器8一般装载轿厢的顶部,隔磁铁板9一般安装在井道壁上。电梯上行时,上平层感应器先插入隔磁铁板,若有停车信号,则此时应该发出制动减速信号,使电梯开始减速,当下平层感应器插入隔磁铁板时,电梯应该抱闸停车,并自动开门;电梯下行时,下平层感应器先插入隔磁铁板,如有停车信号,则此时应该发出制动减速信号,使电梯开始减速,当上平层感应器插入隔磁铁板时,电梯应该抱闸停车,并自动开门。

图14 电梯平面示意图

(7)电梯启动加速、稳速运行与停车制动环节

只有当电梯的运行方向确定了,即上行或下行,并确保电梯门已经关好了,才可以开始启动电梯,进入启动加速环节,经过延时后短接阻抗,从而达到额定速度进入稳速运行的阶段。

因此,电梯运行前应先确定下上下行接触器的接通与断开情况,从而使电梯实现上下行或停车,所以要先设计好上下行接触器的程序。当产生制动信号后,停层辅助继电器就会得电,主要是利用停层辅助继电器来计算停层时间(包含制动时间),当定时结束时,停层辅助继电器也会失电,所以停层辅助继电器保证了电梯在制动开始到平层后自动关门这段时间里,使电梯在上(下)行时,下(上)平层感应器插入隔磁铁板,上(下)行接触器KM1(KM2)会断开,从而使电梯抱闸停车,并实现自动开门的功能。

同时,当定时结束时,电梯会自动关门,常闭停层辅助触点也会闭合,如果此时确保门已关上,则上行接触器KM1或下行接触器KM2将接通,使电梯实现继续上行或下行的动作。在检修的状态下,可以直接通过轿厢内的上下行启动按钮来实现电梯的上下行功能。

但是为了防止电梯超过顶层平层后能停止向上运行,应设置个上行限位,将其常闭触点接入上下行的控制程序中,从而确保了电梯行驶的安全性,类似地,为了防止电梯超过底层平层后能停止向下运动,应设置个下行限位。

(8)报警系统

根据电梯的实际运行能力,预先设置电梯的额定载重量,利用重力传感器来判断是否超载。当超过额定载重量时,重力传感器的模拟开关就会闭合,从而使超载报警灯点亮,发出报警信号。

3 程序调试

本文研究的是七层电梯的PLC控制系统,将上面5.2各部分的梯形图拼在一起就可以得到电梯PLC控制系统的梯形图总图,其中PLC采用的是欧姆龙的CP1H系列,由于实验室的实验台输入输出口有限,所以我主要是利用CX-Simulator仿真软件。

先在此软件设置好要仿真的PLC型号即CP1H,然后连接运行,再打开CX-Programmer软件,把画好的梯形图载进去,选好PLC型号为CP1H,最后只要点击在线模拟即可,若想要哪个开关接通或断开,可以直接右击此开关设置其为on或off,然后就可以观察到哪条线路通了,哪个继电器得电之类的。

下面将介绍两种代表性的呼梯情况,进而验证出电梯的运行情况是符合设计要求的:

(1)顺向截梯,反向不停:电梯在二楼,若厅外同时有三楼下呼和四楼上呼信号,则电梯从二楼上行时,不会在三楼停下,应该在四楼停下。其程序仿真情况如下:

电梯在二楼,则二楼感应器会闭合,使在二楼辅助继电器得电,从而使楼层显示为2,在厅外按下三楼下呼按钮和四楼上呼按钮时,相应的指示灯也会亮,从而确定了电梯为上行,即按下三楼下呼和四楼上呼按钮后,定上行辅助继电器得电,电梯显示上行。

在门确保关上的情况下,上行接触器KM1会闭合,并由KM3和KM5实现启动加速,从而实现电梯的上行动作,同时四楼停车触发继电器得电,而三楼停车触发继电器只有在下行的时候才会得电。

当电梯上行到四楼时,停层信号继电器得电,当上平层感应器插入隔磁铁板时,制动信号继电器得电,开始进入制动减速阶段,当下平层感应器插入隔磁铁板时,电梯将抱闸停车,然后自动停层开门,最终实现在四楼停车,响应四楼上呼的信号,经延时后,电梯会自动关门,常闭停层辅助触点会接通,使电梯继续实现上行或下行。类似的当电梯下行时,才会响应三楼下呼的信号。

(2)电梯在一楼,若厅外同时有三楼下呼信号和五楼下呼信号,则电梯应该先到五楼,再下行到三楼。其程序仿真情况如下:

电梯在一楼,楼层显示就会显示1,当按下三楼下呼信号和五楼下呼信号时,电梯定上行辅助继电器将得电,在门确保关上的情况下,上行接触器KM1会闭合,并由KM3和KM5实现启动加速,从而实现电梯上行的情况,当电梯到达三楼时,三楼感应器使在三楼辅助继电器得电,但是还有五楼下呼信号,使电梯定上行辅助继电器还是处于得电状态,所以在三楼电梯不会停车。

当电梯到达五楼时,五楼感应器使定上行辅助继电器失电,由于三楼下呼信号还在,所以定下行辅助继电器会得电,使电梯定下行,接着五楼停车触发继电器会得电,进而会产生五楼停车触发信号,使停层信号继电器得电,当上平层感应器插入隔磁铁板时,制动信号继电器得电,停层辅助继电器也得电,定时器开始计时,停层时间(包含了制动时间)定时器TIM000得电,使电梯进入制动减速阶段。

通过三级的制动减速,使电梯停车更舒适,当下平层感应器插入隔磁铁板时,电梯将抱闸停车,然后自动开门,实现在五楼停车,经过延时后,电梯会自动关门,常闭停层辅助触点会接通,使电梯继续实现上行或下行。类似的当电梯下行时,三楼的下呼信号才会响应。

3 结论

本文主要研究PLC应用于电梯的控制系统,克服了继电器控制的很多缺点。主要是采用PLC来实现电梯的自动开/关门、楼层显示、轿内和厅外的登记与消除、自动定向、启动和停车、检修运行与安全保护等功能,并且通过PLC来控制双速笼型异步电动机和门电机正反转,使电梯可以高效可靠地运行。实现了电梯的PLC控制,达到了预想的目的,为实际的工程实践提供了新的思路和手段。

进一步阅读,请点击左下角“阅读原文”,访问期刊官方网站,可免费下载全文PDF版。

诚邀杂志审稿专家

根据稿件评审工作需要,中国电工技术学会《电气技术》杂志编辑部拟请业内人士自荐审稿专家,阅读详情和报名请扫描二维码。

如何制定PLC的编程方案?以电梯控制程序为例讲解模块化编程方法

PLC广泛应用于交流电梯控制系统中,其具有稳定性好、可靠性高;程序编制简单,易于掌握;检修方便等优点。

系统设计的内容与步骤

1.分析电梯的使用环境及客户要求,确定控制系统的硬件配置;

2.根据电梯的控制要求,对PLC的核心控制部件和软件资源进行资源分配。

PLC控制电梯硬件系统的设计

选定电梯的型号后,根据电梯的控制方式、载重量、运行速度确定变频器的功率大小。

对于电梯曳引机的功率选择,我们通常采用以下方法进行计算:

P=Wv(1-φ)/102η

式中

η——电梯机械传动效率(0.85左右);

φ——电梯平衡系数(40%~50%);

W——电梯额定载重量(t);

v——电梯的额定速度(m/s)。

初步计算出电梯曳引机的功率后再预留20%~30%的功率即可,变频器的功率在实际应用中可以选择与曳引机功率相同或稍大一点。

根据电梯型号计算PLC的I/O点数

PLC控制电梯的输入输出部件中一部分为基本不变的,另一部分是根据电梯层站数的变化而变化的。

1.基本不变的输入信号

门区平层信号

门区信号、上平层信号、下平层信号共3个点

安全保护信号

安全继电器2个点;门锁继电器2个点、上换速开关+下换速开关2个点;上限位开关+下限位开关2个点;抱闸接触器1个点;主电路运行接触器1个点;超载信号1个点;满载信号1个点,共12个点。

检修运行信号

检修信号1个点(控制柜、轿顶、轿厢串联输入);检修上行信号1个点;检修下行信号1个点。

开关门信号

开门指令信号1个点、关门指令信号1个点,开门到位信号1个点、关门到位信号1个点。

紧急停止信号

机房急停开关1个点,轿顶急停开关1个点。

脉冲输入信号

脉冲输入信号1个点。

自学习信号

井道自学习信号1个点。

其它开关2个点,预留4个点,共6个点。

2.根据层站数变化的输入信号(层站数为N)

轿内指令按钮N个。厅外召唤按钮(2N-2)个。

3.基本不变的输出信号

变频拖动控制信号5个点,速度信号3个点,方向使能信号2个点,共计10个点。开门输出信号1个点,关门信号输出1个点,共计2个点。抱闸接触器输出1个点,运行接触器输出1个点,共计2个点。警铃输出1个点,轿厢风扇1个点,轿厢照明1个点,共计3个点。

4.根据层站数变化的输出信号

轿内选层指令按钮显示N个点。外呼指令选层按钮(2N-2)个点。层站显示7个点(采用七段码显示板)。上下行运行方向显示2个点。

在实际使用中可以根据需要使用的点数(输入输出信号的数量)适当预留10%的余量来确定PLC的型号和点数。以4层4站的集选控制电梯为例,可以确定使用80点的三菱FX-2N-80MR PLC作为电梯控制系统的核心控制单元。

I/O接口的电路设计

1.注意事项

电源部分应根据电压的种类、等级的不同进行分类,不同种类、等级的电压应该隔离,使用PLC的不同公共点。使用同一等级和种类的电压,其输出点的公共点可以短接使用。脉冲信号输入点需要使用高速计数器时,通常采用X0作为输入点。进行输出端子分配时,通常将高压部分设置在前面,低压部分设置在后面。

2.主电路和输入、输出接口电路

在主电路中可以选用日本安川L1000变频器作为电梯曳引机的动力源。

主电路接线图 PLC输入接口电路图 输出接口电路图

PLC软件资源分配

在进行软件设计的过程中,尽量采用模块化设计的方法,这样可以提高程序的可读性和方便多人进行编写。通常将程序分为以下几个模块,运行控制模块、轿厢位置确认模块(楼层位置的确定、换速位置信号的获取)、楼层显示模块、内选和外选信号的登记和消号模块、定向模块、换速模块、开关门运行模块、消防运行模块、安全保护模块等,并对PLC的资源(M、C、T、D)进行分配。

相关问答

电梯维修需要懂plc编程吗?

对于电梯维修人员来说,了解和懂得PLC(可编程逻辑控制器)编程是一项有益的技能。PLC是一种专门用于自动控制的电子设备,广泛应用于电梯控制系统中。掌握PLC编...

三层电梯plc毕业论文不写梯形图可以吗?

不推荐不写梯形图。梯形图是电气控制领域最常用的图形符号,能够清晰地呈现程序逻辑和数据流程,为程序编写和调试提供便利。同时,考虑到毕业论文的要求,不写梯...

究竟哪种PLC最适用于电梯?

都合适,不过一般电梯品牌里面有西门子,三菱,施耐德,等品牌,然后他们都用自己品牌的PLC,反正程序是一样的都合适,不过一般电梯品牌里面有西门子,三菱,施耐德,...

交流双速变极调速集选plc控制电梯,当电梯停在一楼关门待命,此时3楼2楼有下召指令,详细分析电梯运行过程?

高楼层下楼指令优先当PLC接到3和2层下楼指令时,PLC保持住每层的下楼指令,电梯上升,当PLC检测3楼位置时电梯停止开门-上人-关门-下降,到达二层时停止开门-上人...

plc用哪种信号控制电梯?

PLC控制技术加变频调速用来控制电梯。电梯是根据外部呼叫信号以及自身控制要求等运行的,而呼叫是随机的,是一个人机交互式的控制系统,当有随机的呼叫指令时,...

问下大哥,电梯的PLC电路和电路板的那种那种好呀?-ZOL问答

单片机是电梯发展中的主流现在的电梯大部分都是采用单片机控制的,主流的新时达系统,采用串行通信技术,接线简洁,功能及显示要好于plc,主要是用于客梯不过plc控...

电梯是用plc变频器控制的吗?

是的,电梯系统中可以使用PLC(可编程逻辑控制器)和变频器(变频调速器)进行控制。PLC是一种常见的工业自动化控制设备,它可以通过编程控制输入和输出,实现电...

plc多地控制的启动停止如何接线?

同一设备多点控制起动条件相同的即或逻辑可以外部并联再接IN,停止一样(使用常开,停止=1=STOP)。停止要串联,启动并联,这个既可以在PLC外部做,也可以在PLC...

阿尔法电梯,plc控制的变频货梯,偶尔保护一下,显示0电梯不能运行,打检修开关能复位?

首先检查你的硬件是否是正常的工作状态,排除硬件故障,故障时你打开PLC程序监控一下,看程序内相关节点的状态,估计是信号问题。。。首先检查你的硬件是...

海力格电梯plc灯怎么看?

海力格电梯的PLC灯通常分为运行灯和故障灯,您可以按照以下方法进行查看:1.运行灯:通常位于电梯控制面板上,用来指示电梯的运行状态。运行灯通常会有上行...