线下实训
HOME
线下实训
正文内容
plc编程两输入并联 PLC编程:并联控制
发布时间 : 2026-01-06
作者 : 小编
访问数量 : 23
扫码分享至微信

PLC编程:并联控制

并联控制是PLC编程过程中,最基本的逻辑使用方法。主要用于处理处于并列关系中的控制对象。这里以自电机启动停止控制为例,介绍其使用方法。

电机启动/停止控制逻辑

启动按钮按下后,启动电机运行控制输出;停止按钮按下后,停止电机控制输出。

1、电机在停止状态下,按下启动按钮,电机启动运转;然后松开启动按钮,电机依然保持运转。

2、电机在运行状态下,按下停止按钮,电机停止运转。

实现思路

1、第一步

启动按钮按下,实现电机启动;

STEP1

可以看到,通过以上的程序,即可实现按钮按下,电机的运行启动操作。要使松开启动按钮后,电机依然运转,那么我们就应该有一个信号继续使Y0保持输出。

2、第二步

这里选择电机运行状态的常开触点信号,与按钮信号并联使用,就可以使电机的运行信号Y0,在启动按钮松开的情况下,依然保持输出。

STEP2

由此,实现了启动按钮按下,电机启动运行;启动按钮松开,电机保持运行状态。从上面的程序可以看到并联控制,无论并联中的任何一个有效,那么控制输出就会有效。

3、第三步

电机的启动过程已经实现,在需要停止时,还应该具有一个方式是电机停止运行。从第二步的程序结构可以看到,电机能够持续运转是由于自保持逻辑的作用。那么在处理停止电机的方式上,只需要停止按钮破坏程序中的自保持逻辑即可。

STEP3

在自保持控制逻辑上,串联停止按钮的常闭触点,即可在按钮按下的时候,破坏保持控制逻辑。从而停止电机的控制输出,停止电机运行。

由此,我们也就实现了电机的启动/停止控制操作。

PLC与常用输入输出电气元件的连接

一、PLC与输入元件的连接

PLC常见的输入元件有按钮、行程开关、接近开关、转换开关、拨码器、各种传感器等,输出设备有继电器、接触器、电磁阀等。正确地连接输入和输出电路,是保证PLC安全可靠工作的前提。

与主令电器元件连接1

如下图所示是与按钮、行程开关、转换开关等主令电器类输入设备的接线示意图。图中的PLC为直流汇点式输入,即所有输入点共用一个公共端COM,同时COM端内带有DC24V电源。若是分组式输入,也可参照下图的方法进行分组连接。

与旋转编码器连接2

旋转编码器是一种光电式旋转测量装置,它将被测的角位移直接转换成数字信号(高速脉冲信号)。因些可将旋转编码器的输出脉冲信号直接输入给PLC,利用PLC的高速计数器对其脉冲信号进行计数,以获得测量结果。不同型号的旋转编码器,其输出脉冲的相数也不同,有的旋转编码器输出A、B、Z三相脉冲,有的只有A、B相两相,最简单的只有A相。

如上图所示是输出两相脉冲的旋转编码器与FX系列PLC的连接示意图。编码器有4条引线,其中2条是脉冲输出线,1条是COM端线,1条是电源线。编码器的电源可以是外接电源,也可直接使用PLC的DC24V电源。电源“-”端要与编码器的COM端连接,“+ ”与编码器的电源端连接。编码器的COM端与PLC输入COM端连接,A、B两相脉冲输出线直接与PLC的输入端连接,连接时要注意PLC输入的响应时间。有的旋转编码器还有一条屏蔽线,使用时要将屏蔽线接地。

与传感器连接3

传感器的种类很多,其输出方式也各不相同。当采用接近开关、光电开关等两线式传感器时,由于传感器的漏电流较大,可能出现错误的输入信号而导致PLC的误动作,此时可在PLC输入端并联旁路电阻R,如下图所示。当漏电流不足lmA时可以不考虑其影响。

式中:I为传感器的漏电流(mA),UOFF为PLC输入电压低电平的上限值(V),RC为PLC的输入阻抗(KΩ),RC的值根据输入点不同有差异。

与多位拨码开关连接4

如果PLC控制系统中的某些数据需要经常修改,可使用多位拨码开关与PLC连接,在PLC外部进行数据设定。如下图所示为一位拨码开关的示意图,一位拨码开关能输入一位十进制数的0~9,或一位十六进制数的0~F。

如下图所示4位拨码开关组装在一起,把各位拨码开关的COM端连在一起,接在PLC输入侧的COM端子上。每位拨码开关的4条数据线按一定顺序接在PLC的4个输入点上。由图可见,使用拨码开关要占用许多PLC 输入点,所以不是十分必要的场合,一般不要采用这种方法。

二、PLC与输出元件的连接

PLC开关量输出的有:

继电器输出:输出交直流都可以,电压范围宽,电流大,动作频率低,一般1Hz左右。晶体管输出:只能输出直流,一般是30V以下,电流小,动作频率高,最高可达200KHz或更高。晶闸管输出:只能输出交流,一般是60-450V,电流大,动作频率高,价格贵。

PLC模拟量输出的有:

电压输出,一般是-10V到+10V电压输出。电流输出,一般是0-20mA、4-20mA电流输出。

PLC与输出设备连接时,不同组(不同公共端)的输出点,其对应输出设备(负载)的电压类型、等级可以不同,但同组(相同公共端)的输出点,其电压类型和等级应该相同。要根据输出设备电压的类型和等级来决定是否分组连接。如下图所示以FX2N为例说明PLC与输出设备的连接方法。图中接法是输出设备具有相同电源的情况,所以各组的公共端连在一起,否则要分组连接。图中只画出Y0-Y7输出点与输出设备的连接,其它输出点的连接方法相似。

与感性负载元件连接1

PLC的输出端经常连接的是感性输出设备(感性负载),为了抑制感性电路断开时产生的电压使PLC内部输出元件造成损坏。因此当PLC与感性输出设备连接时,如果是直流感性负载,应在其两端并联续流二极管;如果是交流感性负载,应在其两端并联阻容吸收电路。如下图所示。

图中,续流二极管可选用额定电流为1A、额定电压大于电源电压的3倍;电阻值可取50~120Ω,电容值可取0.1~0.47μF,电容的额定电压应大于电源的峰值电压。接线时要注意续流二极管的极性。

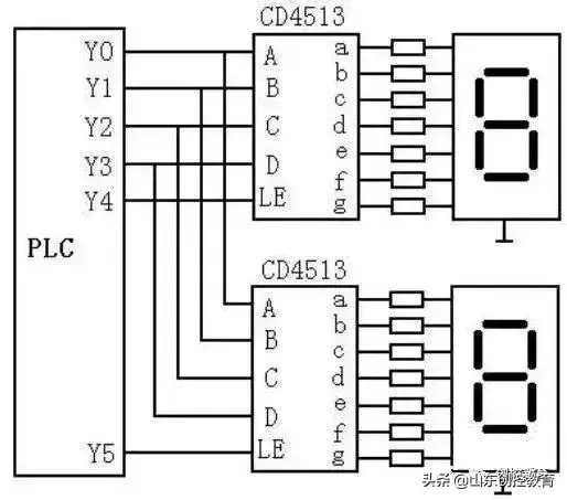
与七段LED显示器连接2

PLC可直接用开关量输出与七段LED显示器的连接,但如果PLC控制的是多位LED七段显示器,所需的输出点是很多的。

如上图所示电路中,采用具有锁存、译码、驱动功能的芯片CD4513驱动共阴极LED七段显示器,两只CD4513的数据输入端A~D共用PLC的4个输出瑞,其中A为最低位,D为最高位。LE是锁存使能输入端,在LE信号的上升沿将数据输入端输入的BCD数锁存在片内的寄存器中,并将该数译码后显示出来。如果输入的不是十进制数,显示器熄灭。LE为高电平时,显示的数不受数据输入信号的影响。显然,N个显示器占用的输出点数为P=4+N。

如果PLC使用继电器输出模块,应在与CD4513相连的PLC各输出端接一下拉电阻,以避免在输出继电器的触点断开时CD4513的输入端悬空。PLC输出继电器的状态变化时,其触点可能抖动,因此应先送数据输出信号,待该信号稳定后,再用LE信号的上升沿将数据锁存进CD4513。

相关问答

plc并联输出怎么弄?

回答如下:在PLC中进行并联输出,需要使用PLC的输出模块和电路进行连接。具体步骤如下:1.确定需要进行并联输出的输出端口。2.将这些输出端口连接到并联输出...

PLC梯形图编辑中怎样在输入和输出端同时并联?

没有看明白是什么意思,左端全部输入信号,右端全部输出信号不就行了吗,任何一个点动作,所有输出都动作。没有看明白是什么意思,左端全部输入信号,右端全部输出...

plc电路并联块回路指令是?

ORB指令是一种独立指令,其后不带操作元件号,因此,ORB指令不表示触点,可以看成电路块之间的一段连接线。如需要将多个电路块并联连接,应在每个并联电路块之...

plc负载并联二极管的作用?

plc输出端是接的感性负载,根据感性负载的物理特点,在通电或者断电的时候,电感会产生相应的感应电动势,来阻碍其本身的电流的改变,根据这一物理特性,为了避...

西门子plc并联指令怎么写?

回答如下:西门子PLC并联指令的写法如下:S7-200PLC:ANDA、ORA、XORA指令S7-300/400PLC:1.与指令:与指令可以使用“AND”、“ANB”、“AN”、“&am...

两个三菱plc怎么连接通信设置?-ZOL问答

两台plc通信主站要读取30个从站的寄存器D100-D130,怎么写主从站通信程序。用485bdb板。懂的联系我有报酬13557792228。你好,本人长期在工厂做设备维护工作...

PLC输入电源、PLC输出电源和外部电源能并联使用吗?

一般cpu模块自带24v输出,但是容量很小也,电流也就200ma左右,所以我们的输入模块输出模块和外部开关和传感器都用外部电源,在设计的过程中,一般外部电源可分...

《PLC》里的串联和并联电路块是什么?

ORB指令是一种独立指令,其后不带操作元件号,因此,ORB指令不表示触点,可以看成电路块之间的一段连接线。如需要将多个电路块并联连接,应在每个并联电路块之后...

plc梯形图编程中,常开触电X0可以与它的常闭形式X0并联使用吗?

可以,但是那样一点意义都没有,因为这个时候不管怎样电路都是接通的!可以,但是那样一点意义都没有,因为这个时候不管怎样电路都是接通的!

PLC中线圈可不可以串联或并联?

PLC中的定时器必须接右母线,因此不能串联。串联的话,中间的定时器就接不到右母线上了。定时器相应的触点(常开触点或常闭触点)等可以串联。与普通的X,M等触...

 我是特种兵小影  谢依霖个人资料 
王经理: 180-0000-0000(微信同号)
10086@qq.com
北京海淀区西三旗街道国际大厦08A座
©2026  上海羊羽卓进出口贸易有限公司  版权所有.All Rights Reserved.  |  程序由Z-BlogPHP强力驱动
网站首页
电话咨询
微信号

QQ

在线咨询真诚为您提供专业解答服务

热线

188-0000-0000
专属服务热线

微信

二维码扫一扫微信交流
顶部