课程中心
HOME
课程中心
正文内容
函数公式plc如何编程 倍福PLC学习:编写函数块及简单调试
发布时间 : 2026-01-03
作者 : 小编
访问数量 : 23
扫码分享至微信

倍福PLC学习:编写函数块及简单调试

今天这篇文章我们来编写一个简单的电机控制函数块,并将其下载到倍福CX5020控制器进行测试,以熟悉TwinCAT3环境下基本的编程步骤。

打开TwinCAT3(TC3),按照上一篇文章《倍福PLC学习:扫描EtherCAT I/O子站并测试模块》介绍的内容新建工程项目并扫描EtherCAT子站,项目名称为“motorControl”。

在左侧项目树的“PLC”节点下右键单击,选择“Add new item(添加新内容)”,添加新的PLC项目,命名为“CPU1”,如下图所示:

添加完成后,“CPU1 Project”中会有POUs、GVLs、DUTs等文件夹。其中,POU是程序组织单元,GVL是全局变量列表,UDT是用户自定义变量。我们计划编写一个电机控制的函数块,因此在“POUs”文件夹右键单击,在弹出的对话框中选择“添加(Add)”→“POUs”,如下图所示:

在弹出的“添加POU”对话框中,选择功能块(Function Block),命名为motorControl,编程语言选择ST语言,如下图所示:

在函数块motorControl中声明变量,其中:

VAR_INPUT是输入变量,包含电机启动 、停止信号;VAR_OUTPUT是输出变量,包含输出信号(线圈);VAR_STAT是静态变量,包含沿信号检测变量;

如下图所示(注意变量不区分大小写):

编写代码如下图所示:

为了分配参数,我们新建全局变量列表:GVL1,并添加变量如下图所示:

接下来要在主函数(MAIN)中调用电机控制函数块。首先在变量列表中声明motorControl的实例,命名为“motorControl1”,编写控制代码如下图所示:

单击工具栏“Build”→“Build CPU1”编译PLC程序。

单击工具栏“PLC”→“Download”下载PLC程序。

单击工具栏“PLC”→“Login”登录到在线状态,或者工具栏的快捷按钮,如下图所示:

如果PLC处于未运行状态,单击“Start(启动)”使其运行。本例程为了给出电机启动信号,我们将全局变量“startBtn1”的“Prepared Value”设置为“TRUE”,并单击工具栏“Write Values”按钮将该值写入到PLC中,如下图所示:

此时可以看到主程序MAIN中电机输出信号为TRUE,如下图所示:

如果想让函数输出对应到实际的输出模块,在“CPU 1 instance”→“PLCTask Outputs”→“GVL1.coilKM”,将其对应到“Linked to”指定的输出模块即可。

好了,关于倍福PLC编写函数块及简单调试就先介绍到这里。

PLC画圆很难吗?其实,只要有方法,这都是浮云

用PLC怎么画圆?相信很多朋友都思考过这个问题,PLC200 smart并没有开发这个功能,需要自己写程序实现,本文和喜欢工控和开发的朋友们交流一下这个有趣的问题,笔者在调试成功的基础上附上视频和程序介绍一种画圆的方法,此方法通用性强,可以根据这个原理方法绘制其它不同的曲线。

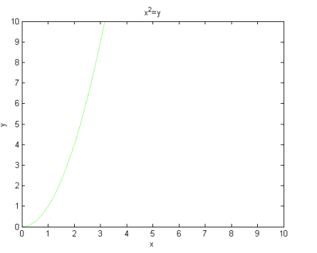
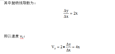
以上图的抛物线y=x^2为例分析,我们知道一个方向上走匀速,一个方向上以恒定的加速度运动,轨迹就是抛物线。同样我们可以想到,X轴匀速运动,Y轴变速运动,运动轨迹就会走出曲线。匀速运动时用路程除以时间就可以得到速度,而变速度就需要从微分的角度来计算,即:

所以从原点开始,X方向上以2mm/s的速度匀速向右,Y方向上以Vy=4X的变速度向上运动就能得到上图抛物线。

有了前面的分析,我们可以试试分析这个以50mm为半径的圆形:X^2+Y^2=50^2

可以看到(-50,50)区间内每一个X对应两个Y值,两个Y值一正一负且绝对值相等,对应位置的导数值也是一正一负且绝对值相等,那么当X轴方向上以2mm/s的速度向右运动,要得到这个圆弧的轨迹,在任意一个X位置对应的Y的速度是:

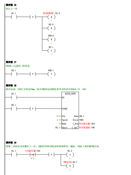
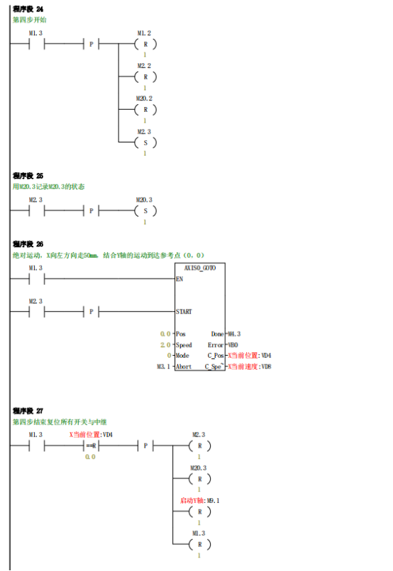
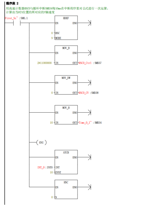
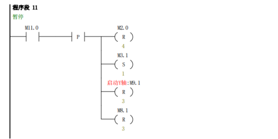
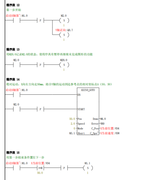
这里都取了X方向的速度为2mm/s,是一个比较慢的速度,再根据Vy的公式(编写入中断程序进行运算),可以编写程序绘制圆形了,只需要注意在在绘制途中X方向和Y方向改变的位置要做一些处理,下面用程序与注释来说明整段程序的过程。(下图是程序建立坐标原点即参考点后实际走出来的轨迹)

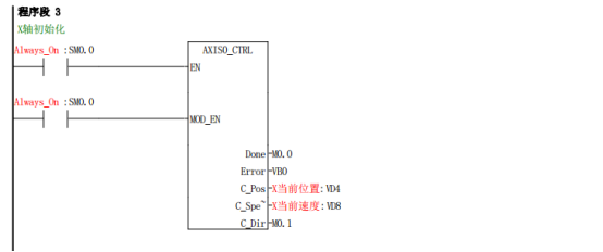
首先画圆形需要的是一个两轴控制台(包括步进电机和画图的平台等),两个驱动器,一台200PLC,笔者视频里用的是一个三轴的平台,驱动器细分调至3200,写程序之前使用运动向导,设置两个轴,测量系统选择工程单位,方便我们计算,也更直观,细分3200,我的步进电机每转一圈前进5mm,如下图所示:

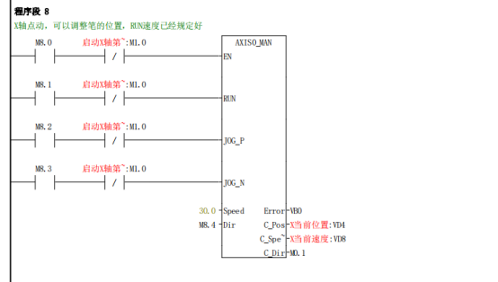
方向控制选项如下图,X轴选择单相2输出,因为画圆过程中X方向上有正有负;Y轴选择单相1输出,因为Y轴运动靠的是点动RUN控制,笔者在调试过程中发现使用单相2输出时,使用点动的Director或者Q0.7来控制方向会有时候不受控制,这是因为手动子程序里包含了方向控制导致程序冲突,所以这里Y轴使用单相1输出,调试结果很稳定。其余对电机速度,JOG选项进行一些常规设置即可。(笔者尝试了为实现Y轴变速运动,使用组态中的相对运动和绝对运动子程序,为其提供变速度且实时改变终点位置,结果是Y轴没有动作,因此用相对和绝对不能控制一个速度和位置的数值实时变化的运动,因此最后选择了点动来实现这个变速的功能)

然后开始写主程序:

这是笔者原创的程序,200smart并没有开发相应的功能,三菱plc有圆弧插补功能,笔者没有接触过三菱plc,通过查阅PLC圆弧插补的资料和原理,对两种方法进行了对比:圆弧插补功能的原理是将圆分解成N段折线来画,其误差在某范围内可控,而以上介绍的方法从纯数学的角度来讲是相当完美的,但是也有缺点,它的完美程度取决于中断运算的时间和X方向上的速度,如果运算时间设计较长,Y轴加速情况下会丢步较多,减速情况下会过冲较多,运算时间短对CPU要求较高,X方向速度过快会导致丢步较多,另外由于是浮点数运算,每一步本身就存在极少量丢步。

尽管有这么多理论上的缺陷,但是由于10ms运算间隙时间极短且X轴方向上走的较慢,实际走的圆非常的光滑接近完美的圆。

大家看完此文应该可以完成很多曲线的编程画自己想画的图形了,但是根据函数的复杂性和求导的难度使得编程有难易程度的区别.

相关问答

PLC如何使用随机函数?

在PLC中使用随机函数可以通过以下步骤:1.首先,找到PLC编程软件中的随机函数或随机数生成器函数。不同的PLC品牌和软件可能会有不同的函数名称和语法,因此您需...

西门子plc运算指令?

西门子PLC的运算指令包括算术运算指令,逻辑运算指令,比较运算指令,移位指令和其他特殊函数指令。这些指令用于在PLC程序中对数据进行操作,满足自动化控制系统...

信捷plc怎样写c语言函数?

要在信捷PLC中写C语言函数,需要按照以下步骤进行:1.安装信捷PLC的开发环境和C语言编译器。信捷PLC目前支持KeilC51和IARC编译器,可以根据需要选择相应的环...

plc例子程序与函数有什么区别?

区别1.PLC例子程序和函数在使用方式和作用上有着不同。2.-PLC例子程序是一种宏观的、完整的解决方案,包含了多个指令的组合,用于实现特定的功能。它可以...

PLC的变量如何与Wincc连接?需要在PLC程序中编程吗?

使用脚本程序,调用内部函数SetTag(“PLC变量”,GetTag(“内部变量”))。SetTag和GetTag函数可详见Wincc帮助说明使用脚本程序,调用内部函数SetTag(“PLC变量....

三菱plc伺服编程实例讲解?

1、编写PLC伺服程序:(1)检查PLC系统技术参数;(2)使用联锁功能进行编程,确保程序中没有语法错误;(3)确定每个控制部件的伺服输入和输出寄存器...1、编写PLC...

PLC(可编程序控制器)一共有几种编程方式?

你说的应该是编程语言分几种吧。一般有以下几种:梯形图(LD语言)也有叫LAD语言、顺序功能图(SFC)语言、功能块图(FBD)语言,指令表(IL)语言和结构文本(S...三、F...

plc暂停和继续功能怎么实现?

在PLC编程中,暂停和继续功能的实现方式取决于具体的PLC品牌和型号。下面以一种常见的方法为例,介绍如何实现PLC暂停和继续功能。1.编写暂停程序:在程序中加...

零基础怎么学PLC编程?

1.学习基础知识:在学习PLC编程之前,需要先学习PLC硬件的基本结构、原理和常见的编程语言,例如LadderDiagram(梯形图)、FunctionBlockDiagram(函数块图......

PLC编程分几种?

PLC编程分为几种不同类型,其中最常见的是基于图形化编程界面的Ladder逻辑编程。除此之外,还有文本式编程、函数块编程和结构化文本程序设计等多种方式。每种编...

 纽莱欣  dingning 
王经理: 180-0000-0000(微信同号)
10086@qq.com
北京海淀区西三旗街道国际大厦08A座
©2026  上海羊羽卓进出口贸易有限公司  版权所有.All Rights Reserved.  |  程序由Z-BlogPHP强力驱动
网站首页
电话咨询
微信号

QQ

在线咨询真诚为您提供专业解答服务

热线

188-0000-0000
专属服务热线

微信

二维码扫一扫微信交流
顶部