课程中心
HOME
课程中心
正文内容
汇川伺服plc编程 PLC伺服控制实例讲解!成功都是可以复制的!
发布时间 : 2026-03-06
作者 : 小编
访问数量 : 23
扫码分享至微信

PLC伺服控制实例讲解!成功都是可以复制的!

设备:

1.永宏PLC: FBS-24MCT 1 台

2.GSK 伺服1 套: Di20-M10B(驱动器)/80SJT-M032E(电机)

3.DC24V 开关电源1 个

4.信号线若干

查看驱动器引脚定义并选择控制模式

位置控制模式:查看伺服引脚定义,这里用最少的信号线实现电机转动。

SON:为ON 时,开启伺服使能。当然伺服使能功能可以通过参数来修改,该信号可由参数PA54 设置。

PA54=0:只有当外部输入信号SON 为ON 时,电动机才能被使能;

PA54=1:驱动单元内部强制电动机使能,而不需要外部输入信号SON。

CCW/CW:驱动禁止信号,一般和行程开关配合使用,避免超程,该信号可由参数PA20 设置。

PA20=0:使用驱动禁止功能;

PA20=1:不使用驱动进制功能。

RDY:驱动单元准备好信号,当电机通电励磁时该信号有输出。

位置指令输入信号

这里位置输入信号可以采用差分驱动或者单端驱动接法,由于选用的FBS-24MCT 为集电极开路

输出形式,所以采用单端驱动接法。

伺服驱动单端驱动方式限定外部电源最大电压为25V 时,需要串接一个限流电阻R

依据:Vcc=24V,R=1.3KΩ~2KΩ;Vcc=12V,R=510KΩ~820KΩ;Vcc=5V,R=0;

频率限制为:

PLS/DIR:最高脉冲频率500KHZ

U/D:最高脉冲频率500KHZ

A/B:最高脉冲频率300KHZ

控制线制作

GSK 随机附带一个44 针插座,依据引脚图,把需要的控制信号接线出来。在这里把有可能用到

的信号线都接出来,但是这些信号在伺服控制中并不都是必要的,下图中用蓝色线表示伺服的输出

信号给PLC 的输入,红色表示PLC 的输出给伺服的输入,另外开关电源的正、负分别用红、蓝表示。

1)选取需要的控制信号

38引脚——24V、33引脚——0V

2)伺服同PLC 的接线图

这里从伺服给PLC 的输入信号只取了SRDY,PLC 给伺服的信号有SON、FSTP(CCW)、RSTP(CW)、PULS/SIGN 这几个信号。

伺服调试

取出驱动器、电机,电机至驱动的编码器连接线和电机至驱动的电源线,出厂都已配置好,这里只要按照指示接好即可。

把PLC 至驱动器的控制信号线接好。

1.伺服的手动调试

1)伺服参数设定

GSK 伺服上电之后,可以先采用驱动器本身自带的手动功能,该功能模式下,伺服的转动由驱动器按键来控制,进入PA 参数菜单,设置一下参数:

PA4=3:手动方式,在SR-菜单下操作,用↑、↓键进行加、减速操作。

PA20=1:驱动禁止功能无效,此时只是利用驱动器本身来调试,所以把CCW\CW 功能先屏蔽。

PA54=1:驱动单元内部强制电机使能,而不需要外部输入信号SON。

参数设置完成以后,保存后下电。

2)手动运行步骤

1.驱动器上电,显示R - 0,是电机运行速度监视窗口。

2.检查PA1 参数是否和使用的电机代码一致。

3.以上2 步都无误后,进入“SR- /SR-RED” 菜单下后,按↑、↓键开始运行电机。

2.PLC 控制运行伺服在手动调试下运行正常,现在进入PLC 的上位控制,该控制中PLC 的从伺服引入的IO 如下:

Input:

SRDY——X2

Output:

PULS-: Y0

SIGN-: Y1

CCW: Y2

CW: Y3

SON: Y4

为了控制方便,这里先把CCW\CW 信号使能屏蔽。

1) 伺服参数设置

PA4=0: 位置方式。

PA12:电子齿轮倍频系数(电子齿轮分子),设为2。

PA13: 电子齿轮分频系数(电子齿轮分母),设为1。

PA14=0:位置方式下,脉冲输入模式:脉冲+方向。

PA15=0: 位置指令方向维持原指令方向。

PA20=1: 驱动禁止功能无效(即屏蔽CCW/CW 使能信号)。

PA54=0: 外部SON 使能。

参数修改完毕后,存储后下电,重新上电。

2) 相关计算

在这里先做一个伺服电机的多段速运行程序,运动过程

1.以速度1000RPM 转10 圈

2.接着以速度1200RPM 转20 圈

3.接着以速度1400RPM 转30 圈

4.接着以速度1600RPM 转40 圈

5.接着以速度1800RPM 转50 圈

6.接着以额定速度2000RPM 运行60 圈

7.停顿一定时间后,从第1 步开始重复。

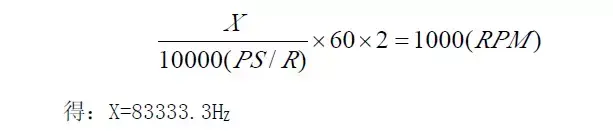
由手册知道,伺服每转1 圈,编码器反馈10000PS,又电子齿轮设定为2,所以PLC 每发出5000PS,伺服就转动1 圈

即第一段行程10 圈对应的脉冲数=10 圈×5000PS/圈=50000PS,其它段的行程脉冲计数同此式。

把伺服需要的速度转化成PLC 的脉冲数,以1000RPM 为例,假设PLC 需要发出的脉冲数为X,

电子齿轮设定是2,则有

由此公式,可求得其它速度所对应的PLC 脉冲数。

3) PLC 参数的设置

FBS-24MCT 的脉冲输出点共有4 轴( 8 点),为Y0~Y7,默认Y0~Y3 为高速200K,Y4~Y7 为中速20K。

要使得PLC 的高速点输出脉冲时,需要先对这几个点的输出进行组态,点击永宏编程软件菜单栏中的“专案\IO 组态”进入组态页面

4) 程序的编写

设置完成之后即可进入程序的编写。

5) NC定位表格的编辑

用鼠标左键点击FUN140 指令,然后在英文输入状态下,按键盘上的Z 键进入NC 定位

表格的编写,最终结果如下

6)子程序内容

INIT 子程序主要是做一些初始化,如下

SPEED 子程序,主要把输入的速度和形成转化成PLC 所需要产生的脉冲个数,这里以第1段速度和行程的换算为例,由于这里伺服的额定转速为2000RPM,所以在速度设定的时候,要防止输入转数超过该值。

7) 上电运行调试

程序编写完成后,让PLC 处于RUN 状态,在输入页中进行数值监控,如下

总结 :由于该示例中PLC 的输入信号只从伺服抓取了SRDY,其它点位的接入同SRDY 的接法一样。PLC输出给伺服的信号只有PLS\DIR、SON 这3 个信号,其它信号的接法类似。GSK 伺服只需要极少的几根控制线就可以实现伺服的运转,永宏PLC 的定位指令全部在NC 表格中填写即可。

附图:

一文看懂汇川伺服接线,超详细

汇川作为国产变频伺服的领军品牌,在工控领域名气很大,一直想找机会学学汇川伺服,这次公司入手了一台ISMH1-10B30CB-U130X伺服电机,配IS600PS1R1I-C驱动器,正好可以让我先把玩把玩,顺便带大家一起来学习一下。

01

我们先来认识一下ISM系列伺服电机的铭牌参数。

由此可以看出ISMH1-10B30CB-U130X的参数为:低惯量、小容量,100W,额定转速3000rpm,电压等级220V,2500线省线式增量编码器,实心、带键、带螺纹孔,没有制动器、减速机、油封,自然冷却。

02

再来认识一下IS100系列驱动器的参数

由此可以看出IS600PS1R1I-C参数为:脉冲型,电压等级220V,额定输出电流1.1A,基板安装,CANlink。

03

主回路接线,L1C、L1和L2C、L2之间接220V交流电源,不接制动电阻时P+和D短接,接制动电阻时断开P+和D,再将电阻接在P+和C之间,U、V、W通过配套的专用电缆连接到电机主线,CN2通过配套的专用电缆连接到电机编码器。

04

伺服驱动器各接口端子内部引脚分布情况,特别时CN1接口。

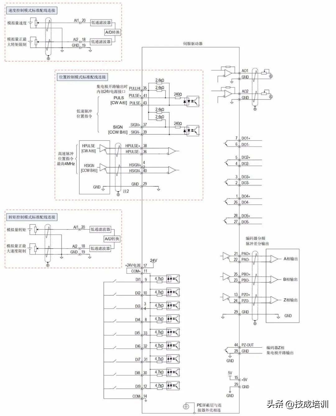
05

伺服驱动器如何与1200 PLC连接,伺服通常有速度控制模式,位置控制模式和转矩控制模式三种,各自连接配线如下图所示,使用最多的是位置控制模式。

伺服驱动器位置控制支持两种脉冲指令输入,一是低速脉冲位置指令输入方式,二是高速脉冲位置指令输入。如下表所示:

低速脉冲指令输入与不同输出类型的上位机装载连接方式不同,如

由于PLC常见信号为DC24V电压等级,使用内部电阻方案接线比较方便,当PLC输出脉冲信号为漏型0V时,采用下图接线方式。脉冲接PULSE-,方向接SIGN-,电压正极接PULLHI,PULSE+和SIGN+空置。也就是常说的工阳接法,三菱,信捷等品牌采用此接法。

西门子PLC输出为源型24V+,所以脉冲接PULSE+,方向接SIGN+,PULLHI接电源负极,PULSE-和SIGN-空置,这就是常说的共阴接法。所以1200PLC采用此接法。脉冲Q0.O接41号,方向Q0.1接37号,35号接电源0V。

也可采用外接电阻的接线方案,当脉冲和方向信号为5V时,不需要接电阻,当脉冲和方向信号为24V,R1和R2必须接2KΩ左右的电阻,否则会造成驱动器损坏。

接好位置输入信号线,接下来就是连接数字输入/输出端子线。

数字量输出电路:

编码器分频输出电路:当需要将伺服编码器信号连接到PLC进行闭环控制时,不可能直接从电机上分线,所以驱动器提供了编码器分频输出。

编码器分频输出电路通过差分驱动器输出差分信号,上位机请使用差分或光耦接收电路接收,最大电流为20ma。

编码器Z相分频输出电路可通过集电极开路信号。通常,为上级装置构成位置控制系统时,提供反馈信号。在上级装置侧,请使用光电耦合器电路、继电器电路或总线接收器电路接收。

看到这里接线应该就没问题了,剩下的就是设置参数和编写发脉冲主程序了,后续的文章再进行讲解。

相关问答

汇川伺服驱动器参数设置?

汇川伺服驱动器的参数设置:1:主频率命令源F0-03=2;2:最大频率F0-10=设成想要电机运行的最高频率;3:上限频率源F0-11=1;4:上限频率F0-12=设成...汇...

汇川伺服怎样通讯控制?

汇川伺服的通讯控制方式有多种,常见的方式有以下三种:1.串口控制方式,通过串口通信(如rs485、rs232等)进行控制,可以通过plc、人机界面等上位机设备实现控...

汇川伺服驱动器位置控制怎么设置?

最基本的是在控制方式的选项中选择位置控制最基本的是在控制方式的选项中选择位置控制

汇川伺服电机接线详解?

汇川伺服电机接线需要根据具体型号进行接线,但一般来说,其接线包括电源接线、电机编码器接线、控制器接线等。需要注意的是,接线时要注意颜色和编号的对应关系...

汇川伺服驱动器参数设置怎么保存-ZOL问答

直接在伺服驱动器上重设伺服的极性,这个您需要参考驱动器的说明书!或者可以通过软件来用PC机修改驱动器的参数也可以。电子齿轮比,调分母,松下好像PN开头的...

伺服控制中,原点回归指令如何编写?汇川或三菱?

你的指令中,K10000就是伺服归零时的速度,K2000是当X1(原点)动作时,伺服电机的爬行速度,X001是指定原点信号由X1给定,Y001是指脉冲输出的起始点,一般用Y0...你...

汇川h5u通过ethercat控制伺服电机步骤?

要通过EtherCAT控制汇川H5U伺服电机,首先需要将EtherCAT通信模块连接到伺服电机控制器上,并确保硬件连接正常。然后,需要编写相应的EtherCAT通信协议,通过控...

汇川伺服电机参数详解?

汇川伺服电机的参数包括静态参数和动态参数两部分。静态参数包括额定扭矩、额定转速、额定电流、峰值转矩、峰值电流等;动态参数包括响应速度、加速时间、减速...

汇川plc可以同时控制八个伺服驱动器,是不是他有八个甚至更多脉冲输出口,扩展模块和脉冲没有关系?

一般来说一个脉冲口对应一个伺服驱动,所以要么就是有八个可以输出脉冲的输出点,要么就是有扩展一般来说一个脉冲口对应一个伺服驱动,所以要么就是有八个可以...

汇川伺服电机的控制模式选择?

你好,汇川伺服电机的控制模式有位置控制模式、速度控制模式、力矩控制模式和压力控制模式等。选择哪种控制模式取决于具体应用场景和需求。例如,位置控制模式...

 华为WATCH GT 3 PRO  双枪哈斯 
王经理: 180-0000-0000(微信同号)
10086@qq.com
北京海淀区西三旗街道国际大厦08A座
©2026  上海羊羽卓进出口贸易有限公司  版权所有.All Rights Reserved.  |  程序由Z-BlogPHP强力驱动
网站首页
电话咨询
微信号

QQ

在线咨询真诚为您提供专业解答服务

热线

188-0000-0000
专属服务热线

微信

二维码扫一扫微信交流
顶部