研选课堂
HOME
研选课堂
正文内容
售货机plc编程 「案例」S7-200SMART PLC饮料自动售货机程序设计
发布时间 : 2026-01-22
作者 : 小编
访问数量 : 23
扫码分享至微信

「案例」S7-200SMART PLC饮料自动售货机程序设计

点击"PLC发烧友"关注我们吧!

饮料自动售货机是根据投入的钱币自动付货的机器。自动售货机是商业自动化的常用设备,它不受时间、地点的限制,能节省人力、方便交易。是一种全新的商业零售形式,又被称为24小时营业的微型超市。作为工控者有没有很好奇,这机器如果用于PLC该如何设计程序呢?

控制要求

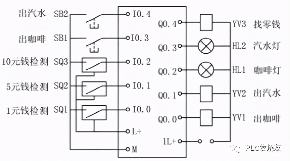
一台饮料自动售货机用于出售汽水和咖啡两种饮料,汽水10元一杯,咖啡20元一,杯。顾客可以投入1元、5元和10元三种硬币。当投入的硬币钱数大于或等于10元,时,汽水灯亮。当投入的硬币钱数大于或等于20元时,咖啡灯亮。按下出汽水按钮,自,动出汽水一杯,并找出多余零钱,按下咖啡按钮,自动出咖啡一杯,并找出多余零钱。

PLC接线图

IO分配表

程序设计

第一步: (当投入1元硬币时,I0.0=1,VW0中的数据加1。)

第二步: (当投入5元硬币时,I0.1=1,VW0中的数据加5。)

第三步: (当投入10元硬币时,I0.2=1,VW0中的数据加10。)

第四步: (大于10元,汽水灯亮,出汽水时灯闪。)

第五步: (大于20元,咖啡灯亮,出咖啡时灯闪。)

第六步: (汽水灯亮Q0.3=1,按下出汽水按钮I0.4 ,Q0.1得电,出汽水10S)

第七步: (咖啡灯亮Q0.2=1,按下出咖啡按钮I0.3,Q0.1得电,出咖啡20S)

第八步: (VW0>=10,按下出汽水按钮I0.4,VW0中的数减去10,结果存放到VW2中。)

第九步: (VW0>=20,按下出咖啡按钮I0.3,VW0中的数减去20,结果存放到VW2中。)

第十步: (VW2不等于0时,Q0.4得电找钱。)

第十一步: (VD01清零)

演示效果

第一步: (当投入1元硬币时,I0.0=1,VW0中的数据加1,当投入5元硬币时,I0.1=1,VW0中的数据加5,当投入10元硬币时,I0.2=1,VW0中的数据加10。)

第二步: (当VW0≥10时,Q0.3得电,汽水灯亮,出汽水时Q0.0常闭接点断开,汽水灯闪,当VW0≥20时,Q0.3也得电,汽水灯亮,当VW0≥20时,Q0.2得电,咖啡灯亮。)

第三步: (出咖啡时Q0.0常闭接点断开,咖啡灯闪。当Q0.3得电,汽水灯亮时,按下出汽水按钮I0.4,Q0.1得电自锁,出汽水,定时器T37得电延时7s关断Q0.1,当Q0.2得电,咖啡灯亮时,按下出咖啡按钮 I0.3,Q0.0 得电自锁,出咖啡,定时器T38得电延时7s关断Q0.0。)

第四步: (VW0≥10,按下出汽水按钮I0.4,VWO中的数减去10,余数存放到VW2中。VW0≥20,按下出汽水按钮I0.3,VW0中的数减去20,余数存放到VW2中,VW2≠0时,Q0.4得电找钱。)

第五步: (取反饮料以后全部清零复位)

来源:PLC发烧友,作者:技成-徐陈爽,转载请注明出处!评论处大家可以补充文章解释不对或欠缺的部分,这样下一个看到的人会学到更多,你知道的正是大家需要的。。。

基于S7-1200PLC控制的自动售货机系统设计

摘要:随着现代化社会的发展,人们对物质水平的要求越来越高,在多种公共场合都有购买各种商品的需求,由于每种商品具有不同的定价,就要求一个无人化、自动化的售卖系统,能够接受投币,计算金额,自动找回零钱等功能,自动售货机应运而生。本文基于西门子S7-1200PLC结合触摸设计了一个自动售货机系统的实施方案,首先针对自动售货机的基本工作原理进行了分析,其次针对具体的设计方案进行了研究。

关键词:PLC;触摸屏;自动售货机;数学运算指令

0 引言

自动售货机作为自动化售卖系统越来越受人们欢迎,贩卖的商品也更是五花八门,几乎囊括了生活里每个所需。从最开始的投币模式,到接受银行卡支付、并连接互联网,自动售货机的运行方式变得多样。自动售货机可以识别投入钱币的面值、兑换同等价格的商品并自动找回零钱。本文应用西门子S7-1200和触摸屏对自动售货机进行了设计研究,并且在实际研究中对自动售货机系统进行了专门的硬件模拟和软件设计,希望可以在实际的自动售货机系统中得到借鉴和应用。

1PLC触摸屏控制自动售货机设计理论

1.1自动售货机基本功能要求

自动售货机应具备投币计算金额、支持一次性投入1元、5元、10元、100元面额的钱币,多次投入不同面额或同一面额的钱币可以进行累加,触摸屏即时显示当前投币总金额数。 自动售货机还应具备比价功能,当投入钱币总值大于商品单价时,可以购买的商品指示灯会亮起,选择商品进行购买后,系统自动计算余额并由触摸屏进行显示。

2 PLC与触摸屏自动售货机控制系统硬件设计分析

2.1 总体设计方案

2.1.1 功能设计

因为自动售货机是一个无人化的系统,由客人自助操作来实现购买商品的功能,所以在这个PLC、触摸屏自动售货机系统的设计中,应该注重系统的交互更加人性化,功能更加丰富完善,基本能够达到传统的人与人面对面交易的便捷程度。售货系统涉及到钱币交易,所以该系统一定还要具备精确的计算功能,可靠的稳定性。基于以上分析,将自动售货机系统的功能要求进行了如下分解:①具有自动投硬币和纸功能,系统自动完成投币总金额的计算并在触摸屏显示金额;②系统自动对投入钱币总金额与商品单价进行比较,单价低于总金额的商品即时显示出可以购买的状态,单价高于投币总金额的商品显示不可购买的状态;③在客人完成商品购买后系统自动计算剩余金额,能够正确找回零钱。

2.1.2 总体设计方案

该任务整体控制要求比较复杂,建议用经验设计法编写程序。完成核心任务可以应用S7-1200型PLC的数学函数类指令,用累加指令INC对单一面额钱币的投入张数进行计数;用乘法指令MUL将钱币张数乘以钱币面额;用加法指令将1元、5元和10元钱币的总额相加得到投币总金额;用减法指令SUB计算找回零钱。

将整体任务分成如下几步编写程序:①用运算指令完成投币金额,商品比价,零钱找回功能的程序编写;②将投币总金额、可购买的商品名称、找回零钱金额即时显示在触摸屏上;③在触摸屏加入相应的商品选择、商品购买、零钱找回指示灯显示和相应的输入按钮;④完成程序的调试,对逻辑错误和不符合任务要求的部分进行修改,达到系统的稳定运行。

2.2硬件系统设计

2.2.1 PLC选型设计

在进行PLC控制自动售货机系统设计中,选用的PLC型号是西门子S7-1200型PLC,CPU1214 AC/DC/RLY。因为本设计结合了触摸屏,客人在使用自动售货机中的人机交互操作基本靠触摸屏实现,所以不需要过多的输入输出点,PLC不再需要扩展模块即能够实现要求。根据设备硬件条件,系统需要220V单相交流电和24V直流电两种模式的电源才能够满足基本的电压应用需求。

2.2.2 触摸屏的选择

触摸屏的选用在自动售货机系统中是非常重要的,因为它是人机交互的主要媒介,所有的指令都要通过触摸屏来实现。因此在实际的系统设计中应该重视触摸屏型号类别的选择。在这个设计中作者选用的是西门子TP700精致面板触摸屏,它具有7.0'' TFT显示屏,800x480像素,可以满足信息显示的需求。该型号触摸屏支持业以太网接口,特别是与西门子PLC能够完美兼容,同时配套使用SIMATIC TIA PROTAL平台,能够将PLC的编程和触摸屏的编程无缝集成在同一平台中,给开发工作带来了极大的便利。

2.3 软件系统设计

2.3.1 I/O端口分配

I/O端口分配是自动售货机系统中PLC变量设置的重要部分,在本设计中要遵循尽可能少的占用PLC的I/O端口,节约系统资源的原则。用传感器检测投入钱币的金额并传输给PLC的输入寄存器I。本文在系统的设计阶段没有采用真是的传感器,而是选用了三个点动按键来模拟三种面值的钱币投入金额。分别设置了四种饮料作为待购买商品,为了节约I/O口资源,饮料购买按键设置在触摸屏上。

输入部分

输出部分

器件名称

符号

作用

输入地址

器件名称

符号

作用

输出地址

点动按键

M1

1元投币

I0.0

数码管

Y

输出给数码管信号

Q0.0

点动按键

M2

5元投币

I0.1

指示灯

A

汽水可购买指示灯

Q0.1

点动按键

M3

10元投币

I0.2

指示灯

B

咖啡可购买指示灯

Q0.2

触摸屏按钮

QS

汽水选择按键

M0.0

指示灯

C

选择购买汽水指示灯

Q0.3

触摸屏按钮

CF

咖啡选择按键

M0.1

指示灯

D

选择购买咖啡指示灯

Q0.4

触摸屏按钮

ZL

矿泉水选择按钮

M0.2

指示灯

E

模拟汽水出货指示灯

Q0.5

触摸屏按钮

GZ

果汁选择按键

M0.3

指示灯

F

模拟咖啡出货指示灯

Q0.6

触摸屏按钮

ZL

找回零钱按键

M0.4

指示灯

G

模拟找零钱指示灯

Q0.7

2.3.2 控制系统程序设计

在软件程序的设计环节,为了后续开发工作更为便捷,整体采用了多个子程序的结构,分别包括初始化子程序,负责对专用寄存器清零和赋值操作;计算投币总金额子程序,首先运用累加指令INC累计同一面额纸币的投入的张数,再用加法指令ADD将三种面额钱币相加得到总钱数并保存在寄存器MB20中;显示购买商品子程序,应用比较指令对四种商品的单价与投币总金额进行比较,小于总金额的商品高亮显示表示可以进行购买,在触摸屏上按下购买键后由售货机送出对应的商品;找回零钱子程序,应用减法指令SUB,总金额减去花费金额显示在触摸屏上,按下找零按键售货机送出零钱。

3 结语

综上所述,在进行PLC控制自动售货机系统设计中,首先要对售货机的实际功能进行认真的调研论证,对于自动售货机的工作原理进行设计理论研究,只有将客人的实际需求考虑充分,才能够实现无人售货的自动化、智能化、人性化。触摸屏的界面既要做到功能的完善,又要达到简单易用的效果,尽可能降低人们学习适应的时间。更要特别注意的是自动售货系统的稳定性,因为售货机涉及到货币和商品的买卖交易,一旦发生运算错误,会给人们带来经济损失,只有一个稳定可靠的系统才能够经受实际应用的检验,给人们的生活带来便利。

参考文献:

[1] 廖常初. S7-1200 PLC编程及应用,机械工业出版社.

[2] 向晓汉. 西门子WinCC V7.3组态软件完全精通教程. 化学工业出版社.

[3]曹啸虎.有关PLC技术应用于机械电气控制装置的探究[J/OL].电子制作,2014,14(01):36.

相关问答

自动礼品售卖机怎么设置?洗衣液自动售卖机服务体验好不好?

[回答]小天鹅全自动洗衣机不脱水的原因有:1、衣物不平衡:当洗涤物不能被调整到平衡时,洗衣机会自动设定一个低转速,在这种转速下的脱水效果会稍显差些。1...

自动空调是嵌入式计算机吗?

算不上自动空调大部分是单片机,还算不上是嵌入式计算机。汽车自动空调基本结构及原理汽车自动空调系统由制冷系统,取暖系统、通风(配气)系统、自动控制系统...

松下FPⅩ与AFPⅩ区别?

您好,松下FPX和AFPX都是PLC系列的产品,但有一些区别。1.功能不同:松下FPX主要用于控制和监控,而AFPX则是专注于过程控制和监控。2.外观不同:松下FPX和AF...

 四川省广元市苍溪县  萧颖 
王经理: 180-0000-0000(微信同号)
10086@qq.com
北京海淀区西三旗街道国际大厦08A座
©2026  上海羊羽卓进出口贸易有限公司  版权所有.All Rights Reserved.  |  程序由Z-BlogPHP强力驱动
网站首页
电话咨询
微信号

QQ

在线咨询真诚为您提供专业解答服务

热线

188-0000-0000
专属服务热线

微信

二维码扫一扫微信交流
顶部