课程中心
HOME
课程中心
正文内容
plc正反转编程案例 6个PLC编程实例,电动机正反转电路怎么编程?老电工一个个讲解!
发布时间 : 2026-01-22
作者 : 小编
访问数量 : 23
扫码分享至微信

6个PLC编程实例,电动机正反转电路怎么编程?老电工一个个讲解!

PLC是使用很广泛的自动化控制设备,在使用PLC之前,我们需要根据现场的工况要求来对PLC进行编程,理论上任何复杂的继电器和交流接触器的控制电路,都可以用PLC来实现,今天我们就通过6个具体的编程实例来看看PLC到底是如何进行编程的:

PLC控制电机正反转的实例讲解,步骤详细的编程讲解

私信“干货”二字,即可领取138G伺服与机器人专属及电控资料!

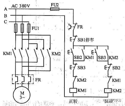
为什么要从电机启停和正反转讲起呢,个人认为这张电路图是一切电气控制的基础,对于初学者熟悉和掌握这张图是必备的,也是我自学plc时做的第一个例子,通过这张图要学会一个理念(启-保-停),也是我们以后深入学习PLC编程的基础。

电路图讲解:从图中应该很简单看出来,当按下SB2,KM1接触器得电,电机正传,KM1常开触点闭合形成自保电路,KM2的常闭触点作为互锁保护,当按下SB1时,电机停止;反转同理。

编程讲解:

新建项目:出现如下界面,

先进行硬件组态,也就是说要将你实际要用的硬件,在这个编程界面中组态出来,要与实际相符,(我们这里没有硬件,我们用的是仿真器),

插入我们所要用的站,这里我插入一个300的系统,

编写变量表

编写程序

启动仿真器

设置PG/PC接口

点击下装硬件和程序,选择整个站下载,当然也可以分别下载硬件和程序

将仿真器中的CPU拨到run,同时建好你要监控的变量,

这样就可以进行仿真。

相关问答

plc程序中如何实现正反转安全转换?

设Y0为ON,电动机正转,这时如果想改为反转运行,可以不按停止按钮SB1,直接按反转起动按钮SB3,X1变为ON,它的常闭触点断开,使Y0线圈“失电”,同时X1的常开触...

plc电动机的正反转的程序代码?

在PLC编程中,实现电动机的正反转功能需要通过设定相应的PLC程序代码。首先,需要定义输入和输出变量,例如定义输入按钮为启动信号,定义输出变量为电动机的正转...

PLC梯形图编程(电机延时正反转)?

有正转,反转,停止功能,按钮.开始时按正转按钮有正转,反转,停止功能,按钮.开始时按正转按钮

对PLC控制电动机正反转概述?

对PLC(可编程逻辑控制器)控制电动机正反转的概述如下:1.**正反转控制需求**:-在实际工业控制中,常常需要对电动机进行正转和反转操作,以控制设备的运...

用plc能实现单按钮控制电机正反转吗?

单按钮长按3秒以上松开,电机停;按少于3秒松开正转变反转,反转变正转。以下语句表使用置位,复位指令的列子,COPY到编程软件,梯形图你自己转换一下。Network...

plc控制的正反转电路只能一个方向自动运行什么原因?

工业控制中PLC控制电机的正反转电路是一个典型的控制电路,如果在电机能够正常运转,PLC逻辑可编程控制器是完好的情况下,首先要确保接线完全正确,线路完全导通...

台达手轮和PLC加定位模块控制伺服电机,手轮正转电机正常,反转时模块输出正反双脉冲电机正反转运行为什么?

你表达不是很清楚,最后那句话应该是你的问题所在吧,应该是说反转时候不正常,伺服电机正反抖动吧,以往我用过这类型手轮,里边就是一个编码器来的,很容易受干...

plc正反转控制指令?

PLC正反转控制指令是一种在PLC程序中使用的指令,用于控制电机或其他旋转设备的正转和反转。这种指令通常使用一个输出位来控制电机的方向,其值可以设置为1或0,...

伺服驱动器CN1接口和PLC相连需要接哪几个位置,要求可以高速正反转,低速正反转?

要根据你的伺服的控制模式确定位置模式要有脉冲pulse方向sign或者双绞线方式速度模式要有模拟量点和方向控制线力矩模式和速度模式相近其他可以...

急求三菱PLC控制步进电机正反转(用基本指令)?

x0按下步进电机正转输出点为y1x1按下步进电机反转松开正传输出为y2x2按下步进电机使能输出为y3(使能为用手能转动步进电机的转子)。x0按下步进电机正转输出点...

 材料采购成本  神威乐斗 
王经理: 180-0000-0000(微信同号)
10086@qq.com
北京海淀区西三旗街道国际大厦08A座
©2026  上海羊羽卓进出口贸易有限公司  版权所有.All Rights Reserved.  |  程序由Z-BlogPHP强力驱动
网站首页
电话咨询
微信号

QQ

在线咨询真诚为您提供专业解答服务

热线

188-0000-0000
专属服务热线

微信

二维码扫一扫微信交流
顶部