研选课堂
HOME
研选课堂
正文内容
怎么把编程录入plc 学习三菱PLC编程,初学者必须掌握的输入接线方法
发布时间 : 2026-02-20
作者 : 小编
访问数量 : 23
扫码分享至微信

学习三菱PLC编程,初学者必须掌握的输入接线方法

导读: 对于学习三菱PLC编程的初学者,熟悉和掌握PLC输入接线是必须的。PLC输入接线,根据输入端可以接的元件大致可以分为两线制和三线制。通过下文学习三菱FXPLC的输入接线。

一、一个基本回路需要哪三个要素?

首先了解完一个基本回路需要的三个要素,然后通过回路分析法更容易理解输入接线。一个基本回路的三要素:电源、开关、负载。如图(1)。

图(1)

二、输入端可以接什么元件?

讲解输入端的接线方法前,先看一下输入端可以接哪些元件。输入端从元件的线制分为两线制和三线制。按钮开关、旋转开关、行程开关、磁簧开关、磁感应开关这些属于两线制开关。U型开关、光纤放大器、光电开关等属于三线制开关。如图(2)。

图(2)

三、输入接线

1.两线制

以三菱FX3UPLC为例。为了方便理解,我们可以把PLC的输入端X点内部想像成连接着一个灯泡。灯泡另外一端全部并在公共端S/S。

普通的两线制开关按钮有一组常开触点,一端接到PLC的输入端及X点,另一端接电源负极。通过回路分析法来分析,一个基本回路具备三个要素。这样形成一个回路,按下开关按钮。电源的正极流向S/S公共端,流向PLC内部灯泡一端。经过X点流向开关按钮触点的一端,再经过另一端流线电源负极。

还有一种比较特殊的两线制磁簧开关,它分棕色线和蓝色线。PLC的公共端S/S接电源的正极,那么磁簧开关的棕色线接到X点,蓝色线接电源负极。这种公共端接电源正极称为漏型接法,公共端接电源负极称为源型接法。假设公共端接电源负极,那么磁簧开关的蓝色线就要接到X点上,棕色线接在电源正极。如图(3)。

图(3)

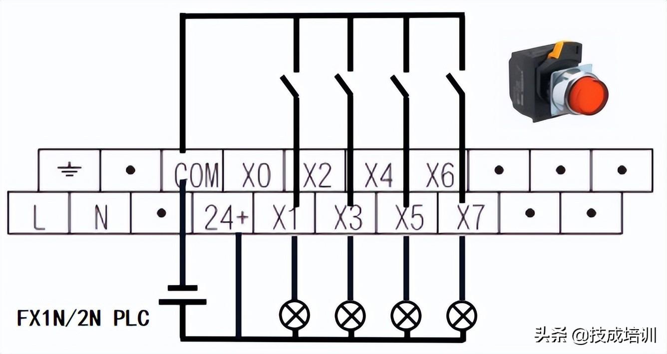
再以三菱FX1N、2N的PLC为例如图(4)。同样,我们把FX1N、2N的PLC输入端内部想像成连接着一个灯泡。FX1N和2N的PLC和FX3UPLC不一样,FX1N和2N的PLC公共端是COM。而且COM端内部串了一个24V电源的负极。那么内部灯泡的另外一端全部并在电源的正极。

图(4)

2.三线制

以NPN型的光电开关为例如图(5)。NPN型光电开关有三根线,分别为棕色先、蓝色线、黑色线。参考光电开关说明书,光电开关要工作就需要给它接上电源。棕色线接电源正极、蓝色线接电源负极。黑色线是输出信号线接到PLC输入端X点。为了方便理解,我们可以把光电开关内部想像成一个简单的常开触点开关。通过回路分析法来分析。电源正极接到S/S端,流向PLC内部灯泡,灯泡的另外一端流向X点。光电开关的黑色线接到X点,再经过光电开关的蓝色线流回电源负极。

图(5)

再以PNP型的光电开关为例如图(6)。同样,PNP型光电开关要工作。先给光电开关供电,棕色线接电源正极,蓝色线接电源负极。光电开关感应到物体,黑色信号线输出信号,把黑色线接到输入端X点上。通过回路分析法来分析,光电开关要形成回路,PLC公共端S/S接电源的负极。当光电开关感应到物体,常开触点闭合。电源正极从光电开关棕色线流向黑色线,到X点连接的灯泡。再从灯泡的另一端流向公共端S/S,经过S/S流回电源负极。

图(6)

以上是三菱FXPLC输入接线的全部讲解。先了解输入端能接什么元件,再通过回路分析法分析两线制和三线制元件的接法。两线制的要注意磁簧开关这类开关,分棕色线和蓝色线。三线制分NPN和PNP型的光电开关,要注意PLC公共端是接电源正极还是电源负极。通过阅读本文,你掌握三菱FXPLC的输入接线了吗?

带你1分钟学会PLC程序编写思路之一,输入输出程序

先不要关心设备是怎么运行的,先来了解编写程序的思路,是从何开始编写的。

下面我们来学习下编程的框架结构,以便养成良好的编程习惯。

不要觉得PLC不同就学不来,其实都是通用的。

建议大家写程序的时候尽量不要用置位和复位,别觉得置位和复位写出来的程序就觉得很高级,其实越简单的方法写出来的程序可读性越强。

下面我们来一起写一份程序,首先

列出设备输入的IO表

设备输出的IO表

新建一个项目,无论你是用什么PLC,打开对应的软件,将做好的IO表内容填到软元件注释,我用的是基恩士PLC,其他PLC都是一样的方法,要学会应变。

在这之后新建两个模块,输入和输出模块,这就是我们写程序的第一步,在这之前是组态,我这节课讲的是编程的思路及框架。

以为PLC的扫描周期是输入、逻辑到输出,然后把输入输出这两个模块的程序写出来

在写程序的时候需要做的就是留备用点

传感器延时信号,防抖动用,防止误判

输入完事以后就开始写输出了,其实方法都一样

下一篇我们来学习,模式选择

相关问答

PLC怎么连接电脑?怎么把在电脑编程好的程序放入PLC运行?

三菱FX系列PLC如何接线及如何通过RS232进行下载程序今天简单给大家介绍下三菱FX系列PLC如何接线和如何通过RS232进行下载程序,简单的说明帮助大家能快速与PLC通...

PLCS300编完程序后怎么将程序输入到PLC中,我用笔记本想输...

gxdeveloper应该是三菱PLC通用编程软件,便写好程序后要保存、编译、然后再上传至plc,另外上传以前还要将plc上的一个小的开关切到ON的位置,这样才能使程序输入...

三菱PLC教程::[2]怎样将程序写入PLC?

三菱plc梯形图定时器写入程序首先输入OUTTxkxx,其中Tx是定时器的标号,kxx是常数取值只能取k0至k32767,至于定时时间用该定时器时基乘以常数。用户程序存储容...

伺服电机怎么连接plc和编程?

伺服电机怎么连接plc和编程,这个首先要看你使用伺服电机的哪种模式,有位置模式、速度模式以及转矩模式,位置模式一般用于定位功能的,最常见最简单的方式就是...

三菱PLC程序怎么输入PLC?

程序检查需要点击工具菜单栏的“程序检查”。3、一般情况下只有提示“没有错误”才能将程序传入PLC,但除一些特殊情况,比如提示有双线圈输出,因为一些“手动...

somachine43如何连接plc?

要连接PLC(可编程逻辑控制器),首先您需要确保您具有正确的通信软件和连接线缆。然后您可以按照以下步骤进行操作:1.确保您的PLC和计算机在同一个局域网内,...

PLC输入输出模块的供电,怎么接线的?-懂得

不管四线制、两线制,所有的传感器都需要外部供电。这个外部供电可以是PLC的直流电源也可以是外部开关电源。二、两线制就是电源和信号用同一组线,而...

plc怎么接线输入输出?

PLC输入端口一般是输入:1,开关量信号:按钮,行程开关,转换开关,接近开关,拨码开关等等。2,模拟量信号:一般为各种类型的传感器,例如:压力变送器,...PLC输...

PLC输入输出模块的供电,肿么接线的?-ZOL问答

1、AI/AO模块需要外部供电,PLC内部提供的电源只是供模块内部信号处理使用的,而非外部信号处理使用的。2、DI模块上不需要外接L+,L+是接在传感器、开关等器件上...

plc编程怎么输入指令?

PLC编程是通过编程软件来输入指令的,一般来说,PLC编程软件会提供以下界面和功能:1.编程软件界面:编程软件提供一个编程界面,开发人员可以在该界面中进行编...

 乡村爱情苏玉红  强电工程师 
王经理: 180-0000-0000(微信同号)
10086@qq.com
北京海淀区西三旗街道国际大厦08A座
©2026  上海羊羽卓进出口贸易有限公司  版权所有.All Rights Reserved.  |  程序由Z-BlogPHP强力驱动
网站首页
电话咨询
微信号

QQ

在线咨询真诚为您提供专业解答服务

热线

188-0000-0000
专属服务热线

微信

二维码扫一扫微信交流
顶部