直播课堂
HOME
直播课堂
正文内容
plc编程控制机构 搭配PLC用的执行机构分哪几类?
发布时间 : 2026-01-31
作者 : 小编
访问数量 : 23
扫码分享至微信

搭配PLC用的执行机构分哪几类?

搭配PLC使用的执行机构可以根据其功能和特性进行分类。以下是一些常见的执行机构类型:

一、电动执行机构:

(1)电机:包括交流电机和直流电机。PLC通过控制电机的启动、停止、转速和方向,实现对各种设备和机械运动的控制。

(2)伺服电机:高精度、高响应速度的执行机构,常用于需要精确定位和速度控制的场合。

(3)步进电机:适用于需要精确角度控制和重复定位的应用,如打印机、数控机床等。

二、气动执行机构:

(1)气缸:通过气压驱动实现直线运动,常用于工业自动化生产线上的夹持、推送等动作。

(2)气动阀门:用于控制气体或流体的流动,实现流量、压力等参数的调节。

三、液压执行机构:

(1)液压缸:通过液压油的压力驱动实现大推力、高精度的直线运动。

(2)液压马达:将液压能转换为机械能,实现旋转运动。

四、机械执行机构:

(1)机械手臂:模拟人类手臂的运动,用于抓取、搬运等操作。

(2)凸轮机构、齿轮机构等:用于实现特定的机械运动和控制。

五、其他执行机构:

(1)电磁铁:通过电磁力控制开关、阀门等设备的动作。

(2)电动推杆:将电机的旋转运动转换为直线运动,实现推、拉等动作。

(3)在选择执行机构时,需要考虑PLC的输出类型(如数字量输出、模拟量输出等)、执行机构的驱动方式(如电压驱动、电流驱动等)、以及执行机构的负载特性(如负载大小、运动速度等)。同时,还需要根据实际应用场景的需求,选择适合的执行机构类型和规格。

如果您需要支持codesys编程的PLC,可以私信评论找我。

晚上,我们“广成工控”直播间也会聊相关内容,欢迎观看。

产品︱基于PLC和传感器技术的C-GIS三工位开关控制方案的研究

中国电工技术学会定于2016年7月10~11日在北京铁道大厦举办“2016第十一届中国电工装备创新与发展论坛”,主题为“电工行业十三五规划研究与解读”。

请感兴趣的读者扫描下方的二维码(或关注微信公众号“电气技术”),浏览会议详情和进行快速注册报名。注册时请准确填写相关信息,会议服务人员将及时与您确认参会事宜。

厦门 ABB 开关有限公司的研究人员林恺,在 2016 年第 1 期《电气技术》杂志上撰文,以 ABB UX2TE 型三工位开关为列,简述其工作原理,介绍了利用 PLC 和传感器技术对三工位开关进行控制的方案。

中压柜式气体绝缘金属封闭开关设备,简称C-GIS(Cubicletype Gas Insulated Switchgear),是一种用于10~35kV或更高电压等级的一次配电系统设备。

大多数C—GIS的主接线方案,并没有采用在空气绝缘开关柜上常见的线路侧隔离与接地开关,而是在母线侧设置三工位开关。三工位开关在合闸位置实现连接功能,在隔离位置实现隔离功能,需要注意的是,三工位开关在接地位置仅仅是预接地,只有当断路器合闸后才真正实现线路侧接地。

这样设计的好处在于:断路器具有比接地开关更优秀的短路关合能力,对故障可进行更多次数的开断和关合操作,且真空开断不会造成SF6气体绝缘品质的劣化。

目前,现有的三工位开关的控制器大多采用分离电路实现,元件数量较多,抗干扰性能也不好[1]。C-GIS三工位开关一般采用手动或电动操作,无论是手动还是电动操作,都需要在出厂前对三工位的位置开关进行调整。

这样做的目的,一是使三工位输出正确的位置状态信号供外部使用,二是在电动操作时,可通过接收三工位开关输出的位置状态信号,电动控制三工位开关到达目标位置。

三工位开关的位置检测多采用传统的有触点辅助开关,由于污染(包括霜结)及触头氧化现象,这种辅助开关触头经常会接触不良甚至失效[2]。而使用感应式接近传感器取代上述传统的有触点辅助开关作为三工位的位置开关,则可有效避免上述弊端。

本文介绍一种利用可编程控制器(即PLC)和传感器技术的控制方案,实现对三工位开关就地(或远方)操作合闸、隔离、接地的控制。该方案具有使用元件少、抗干扰性能好、可靠性高等特点。

本文以S7-224 PLC,以编程软件STEP7-MICO/WIN为设计平台,编写三工位开关的控制程序,控制对象为ABB手动/电动UX2TE型三工位开关。

1 UX2TE 三工位开关简介

1.1 三工位开关结构

UX2TE型三工位开关由本体和操作机构组成,为电机驱动的轴线式开关。本体内置于充气隔室中,利用SF6气体绝缘,为直动的导电杆型,气室内仅有少量可移动部件。

3根拉杆同时带动三相触头水平运动。操作机构外置,有手动和电动2个功能。手动与电动操作可以相互切换,并能实现互锁。

在设计上,要求断路器和三工位开关之间需要机械闭锁装置和电气闭锁。机械闭锁装置的一端位于断路器上方,另一端位于三工位开关上的金属挡板,仅当断路器在分闸情况下三工位开关挡板打开,允许手动操作三工位开关。

当三工位挡板打开后,断路器无法实现手动和电动的合分闸操作。断路器和三工位开关的电气闭锁,分为断路器闭锁三工位开关和三工位开关闭锁断路器两部分。断路器闭锁三工位开关,是通过断路器的合闸信号输出到PLC的IQ7输入口,使断路器的合闸时,闭锁PLC对三工位电机的操作。

三工位闭锁断路器,则是在断路器的合闸闭锁电磁铁回路,加入三工位开关的位置接点信号,仅当三工位开关到位时,允许操作断路器,实现闭锁功能。

1.2 三工位开关位置检测传感器介绍

1)感应式接近传感器

传统的有触点辅助开关则由于污染、潮湿及触头氧化现象,经常会使辅助开关触头接触不良甚至失效。利用感应式接近传感器可有效避免此问题,其结构如图1所示。

图1 感应式接近传感器结构

感应式接近传感器由LC高频振荡回路、脉冲形成级和驱动输出级组成。LC高频振荡器在传感器操作面产生一个交变电磁场,当金属物体接近传感器操作面时,金属物体内部会产生涡流,涡流吸收了感应式接近传感器内振荡器的能量,使振荡衰减。此衰减信号传递到脉冲形成级,脉冲形成级将产生的脉冲信号输入到驱动输出级产生一个110VDC的信号。

在额定工作电压下,传感器内的发光二极管被触发,同时输出被测物体的位置信号。操作人员通过观察发光二极管,判断传感器操作面与被测物的距离是否调整到位。

由于感应式接近传感器比传统的有触点辅助位置开关检测精度高,在实际调整时,往往仅需很少的工作量即可调整到位,而传统的有触点辅助位置则往往需要多次调整才能到位。在传感器调整好后,感应式接近传感器便能精确地将被测物的位置转换成低电压信号并输出。

由于感应式接近传感器所能检测的物体必须是金属物体,故可在设计中,将金属嵌入在被测物体中。

由于感应式接近传感器密封在壳体内,可达到很高的防护等级,具有良好的电磁抗干扰能力。且传感器无机械式触头,避免了触头因表面腐蚀、烧损导致的接触不良等故障。

另外,这种传感器位置检测精度高,比传统的有触点辅助位置开关更易于调整,且体积更小,因此对设计、安装都极为方便。传统检测、输出三工位的位置信号,需要大量的有触点辅助位置开关,因此二次线路部分往往庞大而复杂。

而使用感应式接近传感器,二次回路部分的设计将得到极大的简化,无需繁杂的接线。这种感应式传感器使用寿命长,可运用于频繁操作的场合。在C—GIS中安装这种位置传感器来检测三工位开关的位置,可达到免维护、高寿命,提高了C-GIS的可靠性。

本方案在三工位位置检测上,运用了4个感应式接近传感器作为三工位位置检测开关。传感器通过检测三工位位置,将位置信号输出给中间继电器。中间继电器KA1,KA2,KA3,KA4将隔离合,隔离分,接地合,接地分信号传递给PLC输入口。

该方案的特殊之处在于,把隔离位置分成隔离分和接地分两个信号,只有隔离分和接地分信号都监测到时,才能判断三工位处于隔离位置。

2)磁簧式传感器

磁簧式传感器的结构如图2所示,簧片开关包括2个密封在玻璃管中的铁磁性簧片。玻璃管内充入惰性气体,防止触点被氧化。簧片表面镀有铑或铱。

图2 磁簧式传感器结构

弹簧开关动作原理如图3所示,簧片开关可由通电线圈产生的磁场触发动作闭合,也可由N和S极的永磁铁触发动作闭合。磁场消失后,自身的弹性会使簧片开关断开。

图3 弹簧开关动作原理

本方案在三工位开关接地位置上使用了3个磁簧式传感器,见图4、图5中的B5E1,B5E2,B5E3,分别安装于三工位开关的A、B、C三相接地位置。当三工位开关接地时,弹簧受压迫,将磁铁推出,磁铁通过不锈钢壳体在磁簧式位置传感器周围产生磁场,使传感器簧片开关动作闭合。

将B5E1,B5E2,B5E3这3个传感器的簧片开关信号串联在一起,就可以得到三工位开关A、B、C三相的接地信号。将此接地信号反馈给PLC的IQ0输入口,再加上感应式接近传感器的接地信号KA3(至PLC的IQ4输入口),这样共有2对接地信号传递给PLC。

仅当PLC的IQ0和IQ4输入口都收到接地信号时,PLC才判断三工位处于接地位置。通过2个三工位接地信号形成的冗余设计,增强了系统接地判断的可靠性。

图4 磁簧式传感器应用实例

1.3 三工位开关的功能要求

为了满足电力设备的可靠运行,三工位开关应能实现以下功能要求:

1)通过控制直流电动机正反转,实现开关在合闸(即隔离合)、分闸(即隔离分)、接地(即接地合)三位置的转换。

2)在任意时刻控制电源失电后上电,三工位开关能继续按照原先设定的位置要求到达预定的工位。

3)能实现各位置状态之间的闭锁。在合闸位置时,接地按钮失效;在接地位置时,合闸按钮失效。

4)当断路器处于合闸位置时,不能操作三工位开关。

5)三工位开关处于手动状态时不允许电动操作。

6)输出一对闭锁接点,在三工位开关动作过程中闭锁断路器,使断路器不能操作。

2 电气回路设计

C-GIS三工位开关控制回路电气设计的一个特点是,三工位开关在每个工位,4个感应式接近传感器中仅有2个传感器被触发。

具体为:三工位开关在隔离合位置时,隔离合位置传感器和接地分位置传感器被触发发光,并输出驱动KA1、KA4中间继电器给PLC的IQ2、IQ3输入口;三工位开关在隔离分位置时,隔离分位置传感器和接地分位置传感器被触发发光,并输出驱动KA2、KA4中间继电器给PLC的IQ1、IQ3输入口;三工位开关在接地合位置时,隔离分位置传感器和接地合位置传感器被触发发光,并输出驱动KA2、KA3中间继电器给PLC的IQ1、IQ4输入口。

另外,为了防止误动作,用于控制三工位电机正反转的PLC输出口Q0.1和Q0.2回路之间,做了互锁设计。

PLC各输入输出口设定见表1和表2。

表1 PLC输入口列表

表2 PLC输出口列表

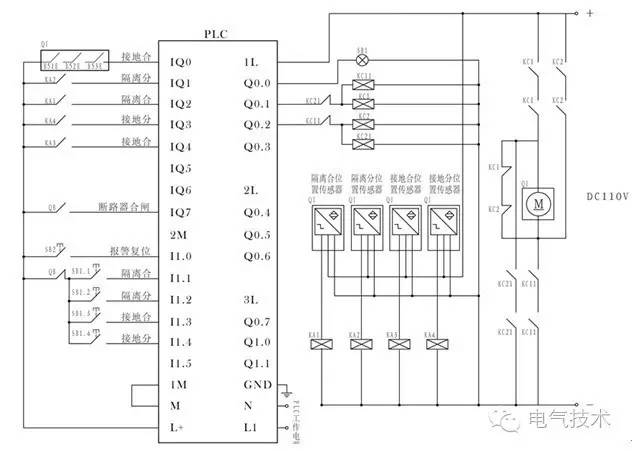
基于S7-224 PLC和传感器技术的C-GIS三工位开关控制回路具体设计见图5。

图5 C-GIS三工位控制回路图

3 结论

本研究介绍了一种用PLC对C—GIS三位开关进行控制的方案。通过对感应式接近传感器和磁簧式传感器结构、工作原理及其应用的研究分析,明确了其在电气工程中的重要作用。实际表明,该设计方案功能完备、抗干扰能力强,适宜于电站现场使用,具有一定的实用推广价值。

《电气技术》杂志社微信群

电气技术

微信号dianqijishu

关注电气工程技术、聚焦学科前沿发展

分布式发电与微电网

微信号dggrid

关注新能源行业技术发展动态

城铁供电技术

微信号ctgdjs

关注轨道交通供电系统技术发展

相关问答

plc中什么是顺序控制?

顺序控制,是指按照生产工艺预先规定的顺序,各个执行机构自动地有秩序地进行操作,在工业生产和日常生活中应用十分广泛,例如搬运机械手的运动控制、包装生产线...

全国十大plc培训机构?

1.龙丰自动化培训中心2.程控教育3.深控PLC培训中心4.八方汇5.富川工程师学院6.技成培训网7.电子科技大学职业技能培训学校8.长沙湖湘职业技术培训学院...

国内比较知名的PLC培训机构有哪些?

联为智能教育、启程教育等plc培训不错。联为智能教育目前开设PLC班,工业机器人班、CCD机器视觉班,运动控制卡班,电工电路班等联为智能教育主要从事计算机软...

plc培训机构排名?

1.龙丰自动化培训中心2.程控教育3.深控PLC培训中心4.八方汇5.富川工程师学院6.技成培训网7.电子科技大学职业技能培训学校8.长沙湖湘职业技术培训学院...

急求学长学姐告知PLC程序的调试方法及步骤?申请方

那就是查线,较麻烦。也可带电查,加上信号后,看电控系统的动作情况是否符合设计的目的。2、检查模拟量输入输出。看输入输出模块是否正确,...也可带...

PLC培训选哪家机构合适?

北有黑龙江省自动化所培训中心(龙江自动化之家),南有启程,这是公认最好的。北有黑龙江省自动化所培训中心(龙江自动化之家),南有启程,这是公认最好的。

个人想开一个如PLC的培训机构,未来前景如何?

可编程序控制器(PLC)是20世纪60年代以来发展极为迅速的一种新型工业控制装置。现代PLC应用综合了计算机技术、自动控制技术和网络通信技术,其应用越来越广泛、深...

在线的朋友,能不能推荐一下:口碑好的PLC编程培训机构,PLC...

[回答]其优点有:性能强大、便于操作、扩展性强,有阶梯图语言、功能模块图语言、结构化文本语言、命令表语言等多种语言类型。为什么说选择一家好的plc培训...

在线的朋友我想了解!放心的西门子plc编程培训机构排名,西...

[回答]1、西门子PLC的基本概念可编程控制器(ProgrammableController)是计算机家族中的一员,是为工业控制应用而设计制造的。早期的可编程控制器称作可编程...

plc培训机构哪家好?

本人在深圳联为智能教育培训过三个月时间,总体来说还挺好的。主要是联为有自己的工厂,自己也做设备,合作的企业比较多,就业这方面有很大的优势,老师教的也很...

 混元雷叉  我的!体育老师 
王经理: 180-0000-0000(微信同号)
10086@qq.com
北京海淀区西三旗街道国际大厦08A座
©2026  上海羊羽卓进出口贸易有限公司  版权所有.All Rights Reserved.  |  程序由Z-BlogPHP强力驱动
网站首页
电话咨询
微信号

QQ

在线咨询真诚为您提供专业解答服务

热线

188-0000-0000
专属服务热线

微信

二维码扫一扫微信交流
顶部