中达plc编程线 如何使用YKBuilder进行编程?

小编 91 0

如何使用YKBuilder进行编程?

YKBuilder是中达优控一种用于快速构造和生产嵌入式计算机监控系统的组态软件。它采用了目前先进的计算机软件技术, 以窗口为单位,构造用户运行系统的图形界面,通过对现场数据的采集处理, 以动画显示、报警处理、流程控制和报表输出等多种方式向用户提供解决实际工程问题的方案, 在自动化领域有着广泛的应用。

打开YKBuilder软件。

点击新建工程。

设置好工程名称、文件保存的位置、一体机的型号还有显示模型。设置完成点击下一步。

一体机的型号选好之后,软件会自动配置好通信连接,保持通信连接默认的设置,直接点击下一步即可。

给画面名称命名,设置自己喜欢的背景,最后点击完成。

进入组态界面。

在菜单栏设定下拉列表选择宏编辑器。

点击新建,就可以进入编程界面了。

先定义变量,在变量设定窗口栏单击右键新定义变量。然后在编辑栏进行编程,编程完后要进行编辑,只有编译成功了才可以下载到一体机进行显示。

编译成功的画面。

需要注意的是在安装软件的时候要安装在电脑的C盘,要不然编译会报错哦!

台达PLC详解(附PLC功能总简介)

一)、可编程控制器的应用

1、开关量逻辑控制:电动机启动与停止

2、运动控制:对步进电动机或伺服电动机的单轴或多轴系统实现位置控制

3、过程控制:对温度、压力、流量等连续变化的模拟量进行闭环控制

4、数据处理:数据采集-运算-传送

5、机械加工机床的数字控制:数控系统

6、机器人控制:

7、通信联网: PLC-计算机,PLC-PLC,PLC-人机界面

二)、可编程控制器的分类与特点

1 、按结构形式分类

(1) 整体式:将电源、I/O点、CPU、储存器等做成1个整体

(2) 模块式:将电源、I/O点、CPU、储存器等做成多个模块

2、按I/O点数及内存容量分类

(1) 、超小型机:I/O点数在64以内,内存容量在256-1k字节

(2)、 小型机:I/O点数在64-256,内存容量在l-3.6K字节

(3) 、中型机:I/O点数在256-2048,内存容量在3.6-13K字节

(4) 、大型机:I/O点数在2048以上,内存容量在13K字节以上

3、按功能分类

(1) 低档机:基本功能,逻辑运算、定时、计数等

(2) 中档机:较强的数据处理、子程序及远程I/O等功能

(3) 高档机:较强的模拟调节、智能控制、过程控制等功能

三)、可编程控制器的特点

1、编程简单并具有很好的柔性

2、功能完善、实用性强

3、可靠性高、抗干扰能力强

4、体积小、重量轻、功耗低

5、机电一体化

四)、PLC的基本组成

1、中央处理器CPU模块(Central Processing Unit)

2、存储器

1)、系统程序存储区

2)、用户程序存储区

3、输入/输出模块

4、 电源模块

5 、编程器和编程软件

6、PLC的工作原理

(1)输入采样阶段

(2)用户程序执行阶段

(3)输出刷新阶段

7、关于梯形图的格式,一般有如下一些要求;每个梯形图网络由多个梯级组成,每个输出元素可构成一个梯级,每个梯级可由多 个支路组成.通常每个支路可容纳11个编程元素。最右边的元素必须是输出元素。每个网络最多允许16条支路。

五)、台达各种PLC系列

目前台达PLC有ES、EX、EH2、PM、SA、SC、SS、SX、SV等系列。各系列机型均由各自特点,可满足不同控制要求。

ES系列性价比较高,可实现顺序控制。

EX系列具备数字量和模拟量I/O,可实现反馈控制。

EH系列采用了CPU+ASIC双处理器,支持浮点运算,指令最快执行速度达0.24μs。

PM系列可实现2轴直线/圆弧差补控制,最高脉冲输出频率达500kHz。

SS系列外形轻巧,可实现基本顺序控制。

SA系列内存容量8k steps,运算能力强,可扩展8个功能模块。

SC系列具有100k Hz的高速脉冲输出和100k Hz的脉冲计数。

SX系列具有2路模拟量输入和2路模拟量输出,并可扩展8个功能模块。

SV系列外形轻巧,采用了CPU+ASIC双处理器,支持浮点运算,指令最快执行速度达0.24μs。

六)、台达PLC的型号

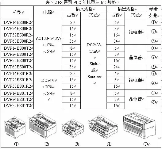
台达PLC型号都以DVP开头,

第1-2位为I/O点数;

第3位为主机或扩展模块标志,

E:E类主机,X:扩展模块,S:S类主机;

第4位为机型标志,C:不可扩展型主机,

S:标准型主机,X:模数混合型主机;

M:输入点扩展模块,N:输出点扩展模块,

P:输入/输出扩展模块;

第5-6位为电源类型,00:交流电源,01:直流电源,11:直流电源;

第7位为输出标志,R:继电器输出,T:晶体管输出,N:无输出模块;

第8位为“2”表示功能提升。

例如:DVP 14ES 00 R 2 表示为台达PLC,共有14个I/O点,E类标准型主机,使用220V交流电源,继电器输出,属于功能提升型;

又如:DVP 16 XM 01 N 表示为使用直流24v电源的16点输入扩展模块。

七)、台达PLC的周边设备

1、程序书写器 目前台达PLC程序书写器的型 号为DVP HPP02。

2、WPLSoft编程软件 使用WPLSoft编程软件可在计算机上将梯形图程序输入PLC,完成编程。WPLSoft编程软件可在台达的官方网站下载。

3、各部连接线

八)、ES系列PLC的构成

ES系列PLC是中达电通股份有限公司生产功能非常强的超小型PLC产品,在某些功能上甚至能与大型机媲美。主机内有高速计数器,可输入频率达20kHz的 脉冲,输出的脉冲频率可达10k Hz。

ES系列PLC还具有4个中断源的中断优先权 管理,以及RS—232C和RS485通讯接口。

台达PLC还有与之配套的扩展模块,如I/O模块、智能模块及温度测量模块等。1台ES系列PLC最多可扩展到256个I/O点。

台达PLC的智能模块主要为A/D、D/A模块,当需要对模拟量进行测量和控制时,可以连接智能模块。

需要对温度进行测量和控制时,可将温度测量模块连接到PLC上,温度测量模块可采用PT100型热电阻或J、K、R、S、T型热电偶作传感器。

1. DIN 固定扣:可将PLC主机锁紧在DIN固定槽上。

2. DIN 固定槽:可将PLC主机安装在DIN固定片上。

3. 螺栓孔:可将PLC主机用螺栓固定在控制箱墙板上。

4. RS-232C通讯接口

5. 扩展模块插座

6-7. 接线端子

8-9. I/O指示灯

10. 状态指示灯

① “Power”:接通电源后,“Power”指示灯亮;

② “Run”:程序运行时,“Run”指示灯亮;

③ “Error”:程序出错时,“Error”指示灯亮;

11、12 塑料盖

13、14 I/O铭牌

15. RS-485通讯口

相关问答

中达优控plc写入程序步骤?

关于这个问题,以下是中达优控PLC写入程序的步骤:1.打开中达优控PLC编程软件,创建一个新工程。2.在新工程中选择PLC型号和通讯口协议,以便软件能够连接到P...

中达优控plc触摸屏一体机能用GXWorks2编程吗?

根据我所了解,中达优控PLC触摸屏一体机通常是使用中达优控自家的编程软件来进行编程的,而不是使用GXWorks2。中达优控的编程软件包括MDT软件(中达触摸屏一体...

PLC一体机哪个牌子好?

PLC一体机哪个牌子好?♛个人观点认为中达优控触摸屏+PLC一体机比较好。并且它有系列不同尺寸的触摸屏给广大用户选择。有3.5英寸、4.3英寸、5.8英寸、7.0英寸、1...

中达优控无法与plc通信是什么意思?

1.需要检查通信线路和设置是否正确,如果正确但仍无法通信,则需要考虑其他原因。2.无法与PLC通信可能是由于PLC程序错误、PLC地址设置错误、通信协议不匹配...

台达plc接线?,台达plc设计怎么样??

[回答]台达PLC除程序密码外,还有程序识别码、子程序密码功能。现行的的密码破解软件多是破解程序密码的,对破解程序识别码的比较小。线圈类负载,切断时会...

怎样把电脑中三菱plc程序下载到中达触摸屏上?

要将电脑中的三菱PLC程序下载到中达触摸屏上,一般需要以下步骤:1.确保连接:使用合适的通信线缆将电脑与中达触摸屏建立物理连接,确保连接正常且驱动...要...

中达变频器恒压供水设置?

变频调速恒压供水变频器参数设置:1、假定PLC的恒压给定为P,2、假定变频器的模拟量输出设置为输出频率F,3、P1为PLC的一个模拟量输出,接到变频器的模拟...

优控触摸屏怎么与三菱plc通讯?

1、三菱plc的型号要确认对,PLC只要是支持MODBUS的协议的基本都是可以跟三菱触摸屏的hmi连接的,这样的情况下三菱PLC类型就选择MODBUSRTU。2、通讯的参数设置...

台达plc编程软件没有plc肿么仿真-ZOL问答

因为,中达电通是卖机电产品的,也就是也卖PLC,他不能搞个很复杂的东西让我们这些准备用他的产品的人感觉到非常困难。台达PLC技术社区:http://bbs.gongkong.com...

怎样将中达优控触摸屏plc一体机程序读出?

1.可以通过以下方法将中达优控触摸屏PLC一体机程序读出。2.首先,连接电脑和中达优控触摸屏PLC一体机,确保两者之间的通信正常。然后,打开中达优控触摸屏PLC...