线下实训
HOME
线下实训
正文内容
经典的PLC编程案例 12个PLC编程实例,老电工教科书级总结,一步步带你入门学PLC
发布时间 : 2026-03-17
作者 : 小编
访问数量 : 23
扫码分享至微信

12个PLC编程实例,老电工教科书级总结,一步步带你入门学PLC

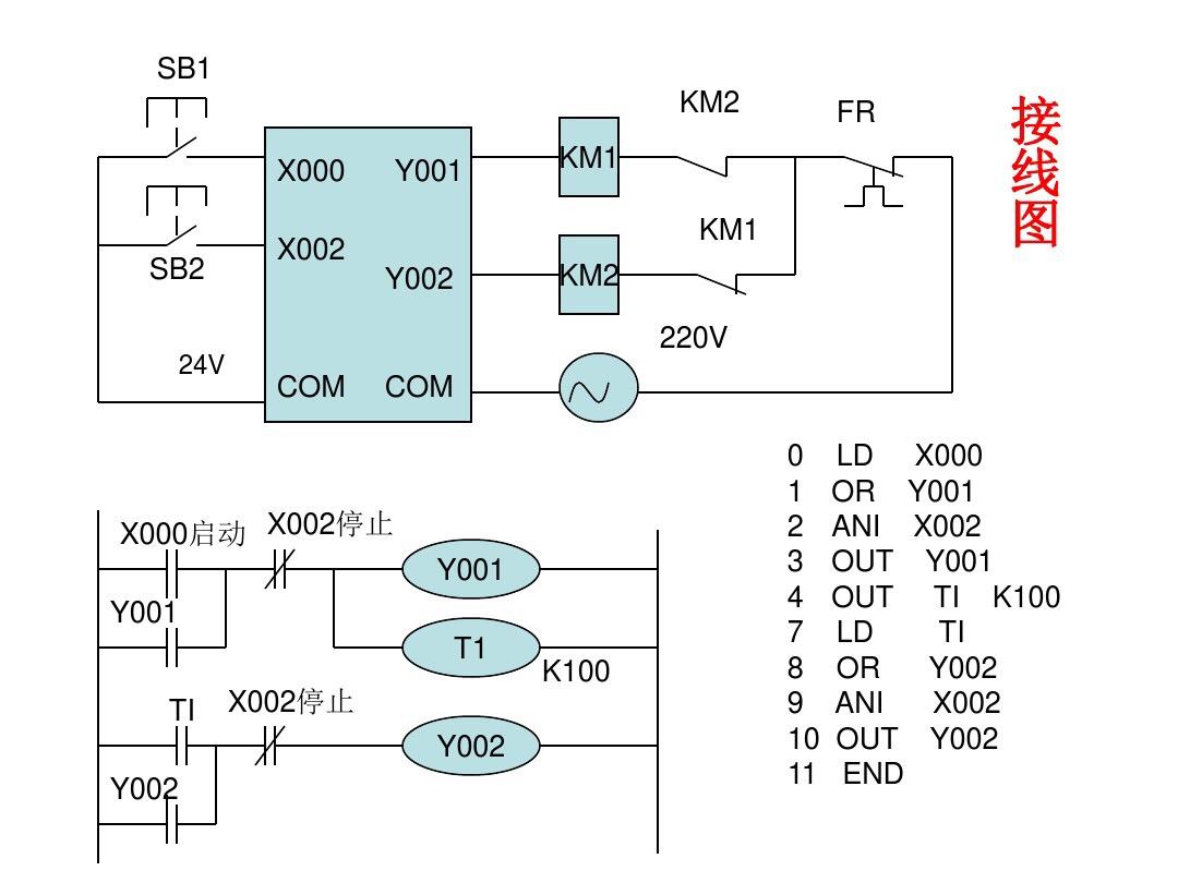
PLC自动化控制的学习,需要理论知识和实践经验的结合,动手能力也很重要,只有不断的实践操作,才能将学到的PLC知识应用在实践和实际电路中,动手实践是PLC初学者快速进步的不二法门,今天我们就分享12个经典的基础的PLC编程电路,想要动手的朋友可以练练:

30个PLC编程实例,助你学习和巩固PLC技术,学PLC,我们认真的!

PLC在学习的过程中,除了需要掌握必备的基础理论知识以外,更需要亲身设计电路来实践,刚开始学习PLC编程的时候,可以先从小的电路小的程序入手,由浅入深,先易后难的进行学习,今天我们就重点来看看具体的基础的PLC编程实例:

相关问答

plc编码器编程实例?

以三菱PLC的脉冲+方向控制为例首先是接线:步进驱动器的脉冲端,分别接到PLC的脉冲输出端Y0,方向端接PLC任意输出端Y3;然后是编程:PLSY发脉冲即可[PLSYD100...

plc编程实例讲解?

当涉及PLC(可编程逻辑控制器)编程实例时,以下是一个简单的案例来说明:假设有一个自动灌装系统,该系统使用PLC来控制液体的进料和排出。系统中有一个传感器...

plc485通讯编程实例?

您好,以下是PLC485通讯编程实例:1.确定PLC通讯口:首先需要确定使用的PLC通讯口,例如COM1口。2.定义串口参数:定义串口参数,包括波特率、数据位、停止...

三菱plc与变频器modbus编程实例?

三菱PLC和变频器之间的通信可以使用ModbusRTU协议通过RS485总线进行通信。以下是使用GXWorks3编写PLC与变频器之间的通信程序的步骤:在GXWorks3中创建一个...

三菱plc伺服编程实例讲解?

1、编写PLC伺服程序:(1)检查PLC系统技术参数;(2)使用联锁功能进行编程,确保程序中没有语法错误;(3)确定每个控制部件的伺服输入和输出寄存器...1、编写PLC...

欧姆龙plc485通讯编程实例?

您好,以下是PLC485通讯编程实例:1.确定PLC通讯口:首先需要确定使用的PLC通讯口,例如COM1口。2.定义串口参数:定义串口参数,包括波特率、数据位、停止...

西门子1200plc编码器编程实例?

西门子1200PLC的编码器可以通过编程实现各种控制功能。以下是一个简单的实例,用于控制一个温度传感器并将其转换为数字信号,以便在PLC中进行计数和计算:1.创...

汇川plc模拟量编程实例?

以下是一个汇川PLC模拟量编程的示例:假设我们要实现一个简单的温度控制系统,通过模拟量输入读取温度信号,并通过模拟量输出控制加热器的工作。1.配置硬件:...

路灯plc编程实例?

您好,下面是一个简单的路灯PLC编程实例:1.确定输入和输出信号输入信号:光敏电阻信号、手动开关信号、定时器信号。输出信号:路灯开关信号、LED指示灯信号...

求西门子plc编程实例?

[回答]S7-200的编程例子可以参考其系统手册附录S7-300/400的例子在其Step7软件安装完毕后已经提供了10个例程。S5基本上已经停产,所以再学习也没有啥意...

 澳洲网球公开赛  洪秀柱民调 
王经理: 180-0000-0000(微信同号)
10086@qq.com
北京海淀区西三旗街道国际大厦08A座
©2026  上海羊羽卓进出口贸易有限公司  版权所有.All Rights Reserved.  |  程序由Z-BlogPHP强力驱动
网站首页
电话咨询
微信号

QQ

在线咨询真诚为您提供专业解答服务

热线

188-0000-0000
专属服务热线

微信

二维码扫一扫微信交流
顶部