线下实训
HOME
线下实训
正文内容
plc伺服编程程序案例 运动控制最高端的伺服系统,怎么使用PLC进行编程?5分钟就学会
发布时间 : 2026-01-02
作者 : 小编
访问数量 : 23
扫码分享至微信

运动控制最高端的伺服系统,怎么使用PLC进行编程?5分钟就学会

原创不易,请勿抄袭!

上篇文章我们学习了变频器和伺服系统的区别。那么今天和大家聊一下,伺服驱动器的接线、编程方法以及注意事项。

伺服驱动器使用方法大体和变频器一样,在这里需要注意的是伺服驱动器的选型不只有功率一个参数,还有低惯量和高惯量。

低惯量类型一般转矩低,转速高,适合一些负载轻,运动频繁的控制。高惯量类型转矩高,转速低,适合一些负载较大的控制。所以需要根据现场情况选择合适的驱动器,否则要不就是转速跟不上,要不就是电机过热影响寿命。

这里我们以松下A5系列伺服驱动器配合西门子S7-200smart为例说明。

第一步,先接线,A5系列伺服驱动器需要接线的端子共有XA(供电电源的控制电源)、XB(电机输出线)、X4(控制线)和X6(电机编码器线)。我们看下接线图。(如果需要使用绝对位置控制,即是使用绝对编码器的话还需要通讯,绝对位置控制本身照比相对位置控制更加准确,且不受外界因素影响,缺点是绝对位置编码器不好维护,出现问题后需要手动复位,复位过程较麻烦,而且松下的驱动器为了保证绝对编码器的精度和安全,通讯使用的是很复杂的多次校验,对于新手很不友好,需要先学习中断,本篇文章不做拓展,如果敢兴趣的话请在评论区留言)

控制端子上有很多保护端子,需要将这些端子都短接才能正常使用

绝对编码器通讯数据图

接完线后我们需要在驱动器上设置控制模式,参数等等。

其中,伺服系统的控制模式分为

一:位置控制模式

二:速度控制模式

三:转矩控制模式

四:全闭环控制模式

根据需要驱动的设备选择模式,每个模式的参数设置方法都不相同,但只要熟悉一个其他的调试起来也很快。

这只是试运行参数,并不是所有参数,参数设置请参考驱动器手册

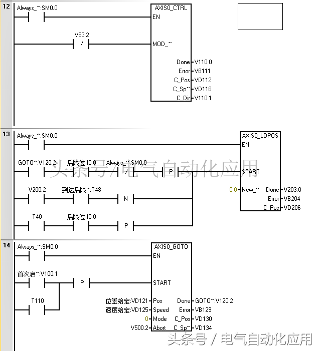
设置完参数后我们看下程序,以前我们说过,西门子s7-200smart系列对运动控制支持得很好,不仅最大脉冲数足够,而且运动控制非常方便,不需要拓展库文件。

打开S7-200smart软件后添加运动向导(轴的区别只在于输出的Q点不同)

按照电机参数和机械尺寸填写实际数据,以便与真实位置对应。

选择一种模式,这种方式便于直观输出。

前后急停限位,安全措施。

手动速度和最大速度,根据电机数据填写。

清零功能

控制端子,按照接线图接线即可

程序注释;第一行为驱动器使能行,没有的话驱动器无法动作,可以用来做紧急制动。

第二行为编码器清零,此文中的编码器为相对式。第三行为控制输出行,其中START端子应该由上升沿控制,文章中的是一个往复运动的例子。除了以上三个程序指令,运动控制还有其他功能,等着您来探索。

每篇文章都倾注了我的心血,请大家支持原创!喜欢的话请点赞并分享,您的支持是我坚持下去的动力!送人玫瑰,手有余香!

首发!三菱PLC编程项目,老工程师编写入门级伺服程序新案例

原创不易,转载注明来源!

最近,收到不少私信说,除了想学西门子系列PLC外,也想要关于三菱系列PLC的项目编程程序,以便学习使用!

今天,应大家的所需,特意分享关于“双伺服攻牙机”“伺服刀程序” 案例,接下来看看俩案例程序有何独特之处吧!

一、双伺服攻牙机

二、伺服刀程序

以上,欢迎分享及收藏!

如需案例的源文件或其他学习PLC的资料可以私信告知小编哦,以便后续为大家分享,一起探讨,一起成长学习!

相关问答

欧姆龙plc控制伺服编程实例?

以下是一个欧姆龙PLC控制伺服的简单实例。假设有一个工控系统需要控制一个伺服电机,实现简单的位置控制。具体实现步骤如下:1.确定控制器和伺服的型号、通...

伺服电机plc程序怎么写?

伺服电机的PLC程序的编写涉及到伺服电机的控制和调节,具体实现方式可能因不同的品牌和型号而有所不同。以下是一些通用的步骤和思路:设置伺服电机的参数:在PL...

三菱plc伺服编程实例讲解?

1、编写PLC伺服程序:(1)检查PLC系统技术参数;(2)使用联锁功能进行编程,确保程序中没有语法错误;(3)确定每个控制部件的伺服输入和输出寄存器...1、编写PLC...

伺服电机plc编程实例?

以下是一个伺服电机PLC编程的实例:假设有一个PLC控制系统,其中包含一个伺服电机和一个编码器,实现了位置控制功能。PLC需要读取编码器的输出并根据设定值控制...

plc与伺服驱动器通讯怎么编写程序?

PLC与伺服驱动器通讯的程序编写步骤通常如下:1.确定通讯方式:根据PLC和伺服驱动器的型号和通讯接口,确定采用何种通讯方式,例如Modbus、Ethernet/IP、Profib...

多段速的伺服plc程序怎么写?

编写多段速的伺服PLC程序需要以下步骤:1.配置伺服驱动器和PLC之间的通信参数。2.设置伺服驱动器的运动参数,包括加速度、减速度和最大速度等。3.在PLC程...

欧姆龙PLC控制伺服电机的程序?

向左转|向右转d202设定值100,d203设定1000,d133设定值50,伺服驱动器设定成脉冲加方向,还有一些细节去看伺服驱动器说明书吧向左转|向右转d202设定值100,d203...

PLC与伺服电机的连接-懂得

一、触摸屏、PLC、伺服控制器、伺服电机之间的连接顺序如下:通过专用的数据线,就可以将他们有机的联系起来,构成一套比较完整的自动化控制系统。二...

哪个plc控制伺服电机程序简单?

一般控制伺服电机,都是以魅族控制而能控制伺服电机的,这个在控制里别让他睡里面都有集成脉冲发生的指令,调用就可以了一般控制伺服电机,都是以魅族控制而能控...

三菱plc伺服定位控制实例讲解?

关于这个问题,三菱PLC伺服定位控制实例的讲解如下:1.系统简介本系统采用三菱PLC和伺服驱动器实现定位控制。PLC采用FX3U-32MR/ES-A型号,伺服驱动器采用MR-J...

 周晓涵个人资料  chris salvatore 
王经理: 180-0000-0000(微信同号)
10086@qq.com
北京海淀区西三旗街道国际大厦08A座
©2026  上海羊羽卓进出口贸易有限公司  版权所有.All Rights Reserved.  |  程序由Z-BlogPHP强力驱动
网站首页
电话咨询
微信号

QQ

在线咨询真诚为您提供专业解答服务

热线

188-0000-0000
专属服务热线

微信

二维码扫一扫微信交流
顶部