ls可编程plc 十年工控人:如何学PLC,弄懂控制程序及项目编程实例无压力

小编 99 0

十年工控人:如何学PLC,弄懂控制程序及项目编程实例无压力

一、系统配线及控制原理:

彩钢瓦是一种建筑材料,出厂成型料长度是固定的(如15米),有些需要的却是长度不一的材料,如用人工裁切,每根长度都需测量,费时费力。用PLC、文本屏、变频器控制实施自动裁切,操作工只要将此三种裁切长度值和裁切数量值从文本屏画面输入,设备就会自动切出这三种长度规格的彩钢瓦来。

原设备是采用西门子变频器和触摸屏进行控制的,但因PLC和触摸屏严重损坏,不宜修复。应用户要求,现在用LS型PLC和YD20型文本屏,对其进行改造式修复。

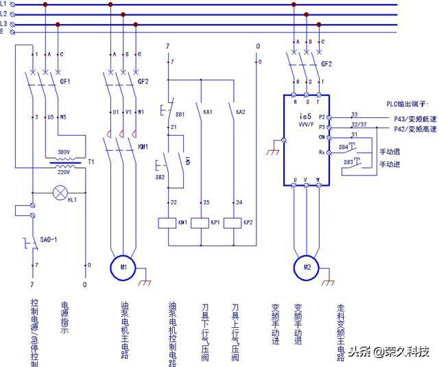
原设备的控制线路的主电路,见图5-45彩钢瓦自动裁切设备主电路,可分为三部分:

油泵控制线路,为常规启、停电路,不受PLC控制,上班后由操作人员进行启/停控制,为气压阀提供压力源;

变频器控制线路,具有手动进、退和自动中的两段速运行控制,由手动和PLC自动控制,完成对彩钢瓦材料的输送;

刀具上行、下行的气压阀控制线路,对彩钢瓦进行裁切和控制刀具复位,由PLC自动控制。PLC的控制过程:裁切长度和数量由文本屏输入到PLC的程序中。由旋转编码器采集彩钢瓦的长度信号,经程序计算,控制变频器的启、停和气压阀的裁切动作。

彩钢瓦自动裁切设备主电路

整机控制电源由空气断路器QF1控制,再由380V/220V隔离变压器供给控制电路,以提高抗干扰性能和操作安全性,也避免了采用火、零二线220V供电时,零线接触不良时的供电不稳。设置SA0急停开关,在系统运行异常时,可快速停掉控制电源,无论手动或自动运行都被中止。

油泵的运行提供裁切刀具的工作压力,油泵的起/停由SB1、SB2按钮手动控制;刀具的上行(抬起归位)、下行(裁切)由PLC的输出接点驱动KA1、KA2两只继电器,再由继电器驱动KP1、KP2两只压力电磁阀;变频器的起/停、运转方向、运行速度均可以有手动/自动两种工作方式。手动裁切时用SB3、SB4按钮实现反转和运行控制,用SB5按钮控制手动下刀裁切。自动裁切时按设置好的两段速——高速和低速进行彩钢瓦输送、裁切前低速运行的控制,用继电器KA1、KA2控制刀具的下切和返回。

对变频器的参数设置。将P2端子设置为A段速运行控制端子,其运行频率为7Hz;将P3端子设置为B段速运行端子,将运行频率设置为35Hz;停车方式:自由停车;加、减速时间的设置,据现场运行要求设定。

彩钢瓦自动裁切设备PLC控制接线图

PLC控制接线图,因原机型为西门子型PLC,输出端子在上部,输入端子在下部,为对应原线路配置和操作工人读图习惯,也将PLC输出端子线路画于上部,将输入端子画于下部了,读图时需予注意。

图中SA1为手动自/动运行方式选择开关,闭合时为自动运行方式,SB4为自动运行暂停开关;P06、P07端子输入刀具下、下限位信号;P0、P1输入高速计数脉冲信号。YD20文本屏的工作电源,取自PLC的24V、24G电源供给端子。

与可调定长裁切装置不同,程序电路的重点,是对多种剪切数量和多种前剪切长度进行处理,按设置要求完成对设置根数和长度的裁切任务。本装置最多能完成8组长度和根数各不相同的裁切任务。当然,如果需要,可完成更多组数的裁切设置。

控制系统的裁切动作,是按屏面设置数据来进行的,因而制作文开屏画面,就成为编写程序的一个重要内容,而且程序电路要与画面内容有机地结合在一起。还是按照先编写程序电路,再依据程序电路的元件地址制作文本屏画面的步骤来进行。

二、PLC程序程序电路与对应画面:

以程序电路左侧的步号为序进行程序电路的讲解。0-9步电路,为一个计数电路、计数清零控制电路。C0为剪切张数计数器,输入信号为剪切动作信号,下刀剪切一次,即输入一次计数信号,计数设定值是来自寄存器D3530(屏)内的剪切张数设定值,此值由第二段程序电路所传送,可为1至8组设定值中的任意一组剪切张数设定值。

彩钢瓦自动裁切设备PLC程序电路第一段

C0当前计数值的清零:1)当计数值等于当前设定值时,对应位元件C0常开触点闭合,计数器复位电路接通,将当前计数值自行清零;2)当自动运行信号接通,M50产生一个扫描周期内的接通信号,“D M50”指令的作用,是将输入信号转变为(上升沿)脉冲输出,将C1计数器内的当前值清零。

在此段电路中,可看出脉冲信号的作用:当手动/自动开关打到自动位置时,P3触点处于常态的接通状态中,若直接用P3触点为C1复位,则因其在常态接通状态——C1复位电路一直在强制复位状态——下,会导致C1不能完成正常计数任务。在这里自动起动后的清零动作,只能是一个瞬态的脉冲信号!将常态信号转化为脉冲信号,大多是为了适应电路对瞬态信号需求的,并非要对其作无谓的转换。

9-15步电路。是完成组计数的功能,当各组的剪切任务都完成后,计数器C1的常闭触点开断,使自动运行停止,C1起到了自动停止的控制作用,见28-32步电路。

15-28步电路。为当前组数监控数据处理电路,将组计数C1中的数据传送至D3592。因监控显示为1-8,最低显示数为1,显示“0组”毫无意义。故采用ADD加法指令,将D3592(监控画面寄存器)之中数值预先加1,使之从数字1开始,显示1-8组数。

下图5-48,34-154步,是传送指令和条件比较指令的应用。对应长度数据为32位数据,传送指令为DMOV,在画面设置中,长度设定值采用的寄存器被定义为32位数据寄存器,以便与高速脉冲计数形成的32位数据相统一,而剪切数量则采用MOV,16位数据传送指令。在对传送指令应用时,要注意其数据形式。

彩钢瓦自动裁切设备PLC程序电路第二段

实际工作中,每一组的长度值和剪切数量(根数)都不一样,在进行长度值和剪切数量的设置时,是以组序为区别,进行设置的,每一组都有两个量需要处理:1)该组剪切数量(根数);2)该组剪切长度。如第一组要求将彩钢瓦剪切长度为5米,剪切数量8根。第二组……。第三组……。那么程序电路是如何进行区别,按设置要求进行自动裁切的呢?

对每组剪切长度和剪切数量的区别,是通过条件比较指令来进行的。第一段程序电路中,剪切组计数器C1的计数输入信号,为剪切张数计数器C0的触点动作信号。当剪切张数与设定值相等时——某一组张数剪切完毕后,C0触点动作,向C1输入一个计数信号。利用计数器C1的当前数值和给定数字值比较,对现在剪切组别进行逻辑判断。

并将设置好的剪切数量传送至计数器C0中,做为其计数设定值;同时也将该组设定值传送到D3510,经第四段程序电路的算术处理,做为对应剪切长度的总脉冲数,与旋转编码器输入脉冲数进行比较,二者相等时,下刀剪切。

34-49步电路,为第一组的组别判断和第一组剪切长度传送电路、第一组剪切张数传送电路。其工作过程是这样的:系统启动时,计数器C1中计数值为0,34-49步数据传送电路的输入回路接通(以下传送电路均无输入回路接通条件而不工作),数据传送电路将第一组剪切长度数据D3560(来自屏设定画面)传送至D3510寄存器。

此时第四段程序电路中的170-220步电路,所计算得出的总脉冲数(对应剪切长度)即为34-49电路所传送的第一组剪切长度值;同时,34-49电路也将剪切数量的数据传送到D3530中,作为第一段程序电路中剪切数量计数器C0的设定值;当实际下刀次数(剪切数量)与第一组设定数量相等时,C0自清零,同时向C1(组计数)输入一个计数信号,使C1的当前计数值为1。

C1的当前计数值为1,从而使49-64步电路被激活,第二组剪切长度与剪切张数传送电路的输入回路接通,将第二组剪切长度数据传送至总脉冲数计算电路,同时也将第二组剪切张数的数据传送至C0,作为CO的计数设定值。也可以认为,D3510、D3530的内部数据同时被刷新为第二组的设定数据。以下各组剪切数据的工作传送方式依此类推,直至剪切完毕,系统自动停机。

每组剪切长度及剪切张数的设置画面如下:

采用文本屏型号为TD20,LS型PLC与电脑的通讯电缆和与文本屏的通讯电缆相同,不必另行更换电缆。第一步,是选择PLC类型,其通讯协议可以用默认配置,不须另设。然后进入画面编辑。按主画面、其它画面的次序逐一进行编辑,定义元件(寄存器),设置画面转换功能键等。其画面编辑方法同上述的YD204VL4文本屏,不予赘述了。

TD20文本屏剪切长度、数量设置画面一

第一组剪切长度:32位数据寄存器D3560,剪切张数:16位数据寄存器D3562;

第二组剪切长度:32位数据寄存器D3564,剪切张数:16位数据寄存器D3566;

第三组剪切长度:32位数据寄存器D3568,剪切张数:16位数据寄存器D3570;

第四组剪切长度:32位数据寄存器D3572,剪切张数:16位数据寄存器D3574。

注意:当指定D3560为32位寄存器时,D3561同时被占用(D3560储存低16位数据,D3561储存高16位数据),D3564(D3565)等数据寄存器,也都被指定为32位数据寄存器。

将SEC定义为隐形键,实现向画面1的转换;将下行箭头键定义为画面跳转功能键,按此键时转换到设置2画面。 因为一个画面只能处理和显示四行文字,须用两个画面才能完成对八组剪切数据的设置。

TD20文本屏剪切长度、数量设置画面二

第五组剪切长度:32位数据寄存器D3576,剪切张数:16位数据寄存器D3578;

第六组剪切长度:32位数据寄存器D3580,剪切张数:16位数据寄存器D3582;

第七组剪切长度:32位数据寄存器D3584,剪切张数:16位数据寄存器D3586;

第八组剪切长度:32位数据寄存器D3588,剪切张数:16位数据寄存器D3590。

将SEC定义为隐形键,实现向画面1的转换;将下行箭头键定义为画面跳转功能键,按此键时,转换到设置1画面。

彩钢瓦自动裁切设备PLC程序电路第三段

彩钢瓦自动裁切设备PLC程序电路第四段

170-220步(见图5-52),为长度脉冲数、减速距离脉冲数及长度监控值(将脉冲数转换为毫米值显示)的算术电路,与本章第三节的可调定长裁切装置的算术电路相同,请读者自行分析电路原理。另外,系统的起动/停止,和变频器高、低速的控制,及与控制相关的逻辑判断电路,也编写在该段程序中。

220-243步程序电路(见图5-53),为高速计数和计数清零电路。247-263步电路,为变频器低速和下刀信号处理电路,与第一节程序电路内容相近,不予赘述。247-277步程序电路,为自动/手动下刀裁切控制电路,下刀信号与上/下限位信号相配合,对下刀电磁阀进行控制。

此处,用SET置位指令“强制”了M10的接通(RST M10指令并没有成对出现),这是因为下刀裁切,只是一个瞬时过程,而抬起刀具,则为一个常态保持动作。在不明了实际的动作要求时,遇到这种不够规则的指令应用现象,就会感到不解。现场调试和程序修改,有点“头疼医头脚疼医脚”的意思,某种情势下,往往不是出于全面的周密的逻辑思考,而是考虑到先把问题解决了再说,因而某些指令用法的不规则和程序电路中偶尔出现的“凌乱”现象,就是在所难免的了。这是我们“读程序”时应该注意的方面了。同时在编程工作中,也要尽量养成一个“按规则编写程序电路”的好习惯。

文本屏的设置画面如下:

TD20文本屏的“机械设定”画面

该画面描述:机械设定画面,用于(主轴)轮周长、编码脉冲、减速长度三个量的设置。

轮周长设置:16位数据寄存器D3512;编码脉冲数/周设置:16位数据寄存器D3514;减速长度设置:16位数据寄存器D3500。

关于此次的PLC与文本屏、编码器、变频器程序案例就分享到这啦!

以上,欢迎动动手分享及收藏!

LS产电PLC Master-K Series系列产品型号说明及功能介绍

产品介绍

Master-K系列有单机功能模块类型和模组类型两种类型,单机功能模块类型有MASTER-K 10S1, 80S, 120S。module type有MK200S, MK300S 和MK1000S 等3种。 单机功能模块的产品,CPU, Digital I/O 和 Power 是在 PLC本体内,因为都是内置,所以在小空间里比较容易设置,功能也相关简单化。 模组类型的产品,Power, CPU, Digital I/O 和有特殊功能的特殊模块都是模块卡化,所以所以可以构成各种客户要使用的系统。

LS产电Master-K Series系列产品

特点及型号说明

K120S

具有强大功能的超小型PLC

K120S产品

特点

K120S产品特点

型号说明

标准型

K120S产品型号说明

K120S产品型号说明

K120S产品型号说明

经济型

K120S产品型号说明

K120S产品型号说明

K200S

高速的处理速度、拥有多种CPU的模块类型

K200S产品

特点

K200S产品特点

型号说明

K200S产品型号说明

K200S产品型号说明

注1)32点输入模块使用时,可以使用384点(P0000-P023F )其他可以使用继电器

注2)12槽基板使用时,不能连接槽号8以上的模块,专用模块必须使用GM6-PAFC

注3)内置RS-232C,信号: 4(RX), 7(TX), 5(SG)

K300S

K300S产品

特点

K300S产品特点

型号说明

K300S产品型号说明

K300S产品型号说明

相关问答

ls-plc怎么编程?

你好,LS-PLC的编程可以使用以下三种方式进行:1.使用LS-PLC专用编程软件:LS-PLC专用编程软件是一种针对LS-PLC开发的编程软件,可以通过官方网站下载并安装。...

ls是什么地方产的plc?

LSPLC有部分产品是在国内无锡工厂生产的,但是还有部分是在韩国生产的。LSPLC有部分产品是在国内无锡工厂生产的,但是还有部分是在韩国生产的。

在线等!急急急!广西靠谱LS可编程控制器PLC模块工程,LS可编...

[回答]PLC模块是将PLC的各功能的单元分别做成象积木一样的模块,可以根据需要进行组合,以适应各种不同的需求。人机通信(MMC)模块西门子802S数控系统采用...

麻烦问一下:口碑好的LS可编程控制器PLC模块多少钱,LS可编程...

[回答]1769-IF16C模块,1769-IF8模块,1769-IM12模块,1769-IQ16F模块,回收输出模块,1769-OF8C模块,1769-OF8模块,1769-OF4NI模块,1769-OW1...

ls系列plc怎么连接电脑?

电脑可以通过以下几种方式连接Is系列PLC:1.串口连接:PLC通常提供串口接口,电脑通过串口线连接PLC,实现数据传输和控制。2.以太网连接:现代的PLC通常都有以...

怎样可以清除LSPLC密码?

楼上说的正解,破密前做好备份最好联系设置密码的编程员要回密码,要不然只能破解密码,这个破解按PLC品牌型号下载破解软件但是有风险,有的软件破解完了程序损...

lg/lsk7m-dt30uplc怎么上传程式?

KGLWIN3.62(Chinese)下这个软件装上,进去新建一个程序,选择相应的型号,然后把PLC上电,插上编程电缆,在程序中选择,在线,联机就可以了。KGLWIN3.62(Chinese)下.....

烦大仙们有谁知道!!陕西专业的LS可编程控制器PLC模块厂商,L...

[回答]可编程控制器,也就是PLC,可以认为是单片机或CPU+接口电路。通常情况下,单片机、CPU,包括IO模块输出的信号都只是低电平的弱信号,想要直接驱动外带负...

m2i触摸屏和lsplc通信设定-ZOL问答

都用默认的设置就可以通讯CP1E自带串口,只需要在触摸屏里把PLC类型选成欧姆龙CP1E对应的N型或是E型,一般其他参数都不用设置,如果没连上触摸屏会有提示通信出...

plc开关是什么?

就是PLC里面的内部继电器,在程序内可以接通和断开,但不能和PLC硬件的外围接线。只在PLC内部改变状态。可编程控制器简称PLC或PC,是从早期的继电器逻辑控制系...