异地控制plc编程图 PLC学前基础课, 用机械方法异地控制电动机启停

小编 86 0

PLC学前基础课, 用机械方法异地控制电动机启停

许多人问我PLC的相关问题,但却对机械控制一无所知。PLC不是单纯的编程,它不是一个APP或者软件,而是一套电子程序。PLC的命令,需要接通或断开触点来实现信号的触发和停止。因此,了解电路所需的通电时间,是学习PLC的第一步。

在PLC的基础电路中,最习惯使用按钮,由于按钮的特点——接通与断开都是瞬间行为,且自动复原。这一点,像极了PLC在工作时的信号传输状态。因此,若想学习PLC,就必须先学习机械控制原理。在学习过程中,要着重理解按钮起到的作用。

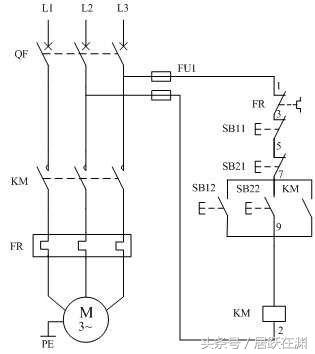
电动机异地控制,接线时有一个重要原则:

停止按钮串联,启动按钮并联。

如上图所示的电动机两地控制电路,SB11和SB12分别为A地的停止和启动按钮,SB21和SB22分别为B地的停止和启动按钮。

运行过程

闭合断路器QF,按下启动按钮SB12或SB22,接触器线圈KM通电,同时,接触器常开触点KM闭合,电动机运行。按下停止按钮SB11或SB21,接触器线圈KM断电,同时,接触器常开触点KM断开,电动机停止。

这里有三点比较难理解:

一、接触器

接触器上,有线圈、常开触点和常闭触点的接线柱, 使用时,将相应的接线柱接入电路即可。

接触器有一个很大的特点——当线圈上不通电时,常开触点处于断开状态,常闭触点处于闭合状态。当线圈上通电时,常开触点闭合, 常闭触点断开。

在电动机异地控制中,没有使用到接触器线圈的常闭触点。主要是通过控制接触器线圈的通电与断电,来控制电动机的启停。

二、按钮

从电路图中可以看出来,停止按钮与启动按钮的画法是不同的,当然它们的功能也不同。

启动按钮的特点,是在不按时,处于断开状态,按下后闭合,松开后又恢复断开。相当于瞬间通电。

停止按钮的特点,是在不按时,处于闭合状态,按下后断开,松开后又恢复闭合。相当于瞬间断电。

而瞬间的通电或断电,直接影响了接触器线圈KM的得电和失电。

三、自锁

仔细观察,并联在一起的,不止是启动按钮,还有接触器常开触点KM。

试想,如果没有并联接触器常开触点KM,那么,当启动按钮按下时,电动机启动,松开后,电动机停止,无法使电动机持续运行。

因此并联了常开触点KM,当启动按钮按下,电动机运行,接触器线圈KM得电的同时,接触器常开触点KM也会闭合。此时,哪怕松开启动按钮,整个电路也是闭合状态,使得电动机可以持续运行。

电脑远程控制异地的plc和触摸屏设备

电脑远程控制异地的plc和触摸屏设备系统的组成部分: 1.被监控的PLC、触摸屏 ,可支持西门子,三菱,欧姆龙等PLC及MODBUS设备。2.华辰智能4G工业级智能网关.3.网络要求:被监控端需要1张4G手机卡或者宽带、WiFi给设备提供网络,服务器端需要一个公网IP(无须固定IP)也可以是云服务平台,控制PC端只需要能够上网.4.软件:湖南华辰智通科技有限公司的思普云软件,PLC对应相关的编程软件.

电脑远程控制异地的plc和触摸屏设备系统的工作方式: 在服务器上配置软件形成一个虚拟的局域网,把4G工业路由器以及路由器后面的PLC和触摸屏设备配置在虚拟局域网中,在pc端配置思普云软件,把要控制的PC也配置在局域网中。此时所有要控制的和被控制的设备都在同一个局域网中,远程控制变成了局域网控制,简单方便!

我们的优势:1.HINET智能网关2012年上市,安全性和系统稳定性以及运算能力更强;2.我们帮客户建立的是一个完整的控制网络,完全由客户掌控整个数据安全,客户可根据项目情况增减控制单元,做到真正的独立!3.使用简单,操作方便:提供统一的WEB配置接口,支持手机或者电脑通过浏览器进行包括联网,系统信息,升级更新,数据采集等所有的网关配置;4.支持更多的采集点数,网关标准版本支持3000个点的数据采集,定制版本最多可支持9000个点的数据采集,报警推送与数据存储无限制。

华辰智通工业级4G网关支持的功能: 1.实现工业现场设备远程控制。2.实现设备固件远程升级,程序上下载。3.实现工业现场PLC远程编程、调试。4.实现工业现场触摸屏远程控制。5.实现工业现场组态画面远程映射。

6.实现西门子、三菱等PLC等主流协议硬件解析7.可灵活接入各种设备管理平台8.可同时与多台PLC或触摸屏远程通讯9.PLC远程监控,PLC远程调试,PLC远程上下载,PLC远程控制,PLC数据采集,PLC远程通讯

湖南华辰智通科技有限公司自主HINET工业智能网关产品为工业企业提供从设备联网、PLC远程监控、PLC远程控制、PLC远程调试、PLC远程编程、PLC数据采集整体解决方案。思普云工业互联网大数据云平台专注于工业设备远程运维与管理,已在全国数万家企业应用。

相关问答

如何通过电气cad图写plc程序?

使用梯形图来进行图纸转换。首先要根据电气控制图纸来确定输入触点、中间继电器及输出继电器,对输入触点(如启动、停止按钮等)直接使用PLC机的输入端来代替,...

触屏,变频器,还有plc三者通讯地址怎么设置啊,台达的,最好能给我个实验程序,谢谢了,别的牌子也行?

主要在于PLC,变频器参数设置成485控制启停PLC要程序通过485通讯控制变频器(注意控制字,每一个变频器的控制字不一样的),在PLC程序中设定一个字(int),连接...

继电控制切换到plc控制时,梯形图程序怎么设计,图一中的第四点是我想要设计的功能?

继电器控制切换到PLC控制时,还可以使用原控制系统时,因为原有的继电器控制系统经过长期使用和考验,已被证明能够完成系统要求的控制功能,而且继电器和梯形图...(...

plc怎么远程控制?

如果现场有网线网络,则可以直接通过网线连接GRM400的网口,将模块接入互联网,GRM400有1个串口和2个RS485接口,如果PLC支持通过RS485接口下载程序,则将模块的R...

求助PLC大神,我要做一个西门子PLC控制风速风压传感器的控制...

控制器全OFF要求干什么ON,OFF要求干什么OFF,ON要求干什么ON,ON要求干什么?梯形图程序大致如下:首先定义DI点为触点状态监控(如M0-M5),当检测到特定风速或压...

plc就地与远程如何编程?

1PLC就地和远程编程的方式不同。2PLC就地编程指的是在现场直接对PLC进行编程,通常是通过连接一台外部设备(如电脑或手持终端)来完成。而PLC远程编程则是通过...

plc怎么设置手动程序?

以西门子plc300为例。有一个旋钮开关,用来选择当前设备手动或者自动的控制模式,当扭到手动控制那个位置,会有一个开关量输入到plc的输入端,然后程序里面就用...

PLC编程初学,最好有LAD图2.用一个按钮控制2盏灯,第1次按下...

[最佳回答]你这是是要用那种信号的plc编程啊,不同信号语句是不一样的

怎么用电脑读写PLC程序并复制到另一台PLC上-ZOL问答

3条回答:【推荐答案】=。=说先你要明白PLC程序是PC机通过串口线写进去的。。你只需要下载相关程序,就能对程序进行编辑、烧录。具体参考PLC设备厂商。比如西门子...

PLC程序结构怎么搭建,自动流程图怎么才能构思缜密没漏洞?

原图文请查看我头条号文章结合项目的实际情况,选用合适的程序设计结构,注意编程常用技巧,可以事半功倍。题图:西门子S7-1200PLC来源:EVERYPIXELPLC...过...