plc扫码枪编程 1756-L73S PLC和Sick扫码枪通讯调试步骤

小编 99 0

1756-L73S PLC和Sick扫码枪通讯调试步骤

一:扫码枪参数设置

1、双击安装调试软件

2、安装完成之后,打开软件连接设备,如出现以下情况,点击OK继续连接

3、设备连接成功后,在快速启动中设置扫描频率,如下图;

点击上图中的启动按钮,将条码以合适的距离对准读头,若读取成功,条码内容会在编码内容一栏中显示。

4、如下图所示,在自动触发控制中设置启动停止触发方式

5、扫码枪头位置固定,所以在聚焦控制中设置聚焦控制模式为固定聚焦,修改对应的聚焦位置

6、在128码中设置条码的长度模式为间隔,并设置间隔长度为18

7、在Ethernet中设置的IP、网关、子网掩码应于设备一致

8、在Filedbus中设置通讯方式为Ethernet IP

9、在数字输出中设置的参数如下图所示:

10、以上参数设置完成后,点击通信,选择将全部参数下载到设备,然后再次点击通信,选择永久保存,参数设置完成。

二: AB Logix 1756—L73S配置及编程

1、组态模块

在IO configuration中建立以太网通讯模块,如下图所示:

2、程序

在Logix5000中添加程序,如下图

程序样例

(1)数据读取:

(2)数据处理

西门子 SMART PLC 扫码串口通讯

西门子 SMART PLC 扫码串口通讯

西门子SMART PLC自集成485端口,另外可以外加一个信号板485/232串口通讯,扫码枪一般的都是232通讯,这时候你需要用485转232串口设备,扫码枪扫码到条码信息后通过232发送到PLC,PLC通过RCV接收报文,并在接收中断中接收后再次使能RCV接收

1. 先要设置通讯格式,集成的485用SMB30,信号板用SMB130设置,如下图设置成9,相当于是无奇偶校验,字符8位,波特率9600,自由端口模式,也可以用2进制写入2#1001

2.0 如下图,148相当于二进制的2#10010100,设置RCV使能,忽略SMB188,SMB189他们是字符开始结束

2.1 设置接收周期,超时时间,接收最大字符数

3.0 如下所示,集成485端口接收完成未23,这里把端口1接收完成后24触发中断程序绑定,ENI中断打开,RCV接收从VB600开始

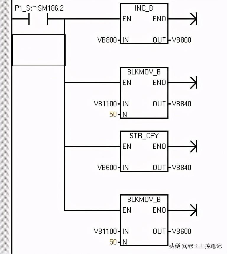
4.0 中断程序,当收到SM86.2为1时代表字符间超时信息接收结束,这时候可以递加VB800,做接收计数,用VB1100擦干净接收的数据区域,然后把接收缓冲区VB600拷贝到VB840接收区中,这里还做了不清空,其实不用也可以

5.0 然后在中断中再次启动RCV接收就行了,PORT就是端口号,SMART的话要么0要么1,0就是集成端口,1就是信号板

另外要处理字符的话,可能会用到这几个指令

1.STR_FIND,寻找字符的指令,在VB900的第AC0位(AC0必须为1)开始寻找跟VB970相同的字符,如果没找到就把AV0为0,如果找到就显示把AC0编程那个位数

示例:

2. 改变字符串某一位的值,依次的注释如下,把&VB900在内存中的地址给到LD10,AC0(累加寄存器即32位暂存数据寄存器)为寻址到位数,把VD1600跟LD10的地址相加,比如AC0为5,减1得VD1600为4,那LD10是指向地址为VB904,而*LD10就是指向VB904这个地址在内存中的值,可以直接赋0到给*LD10,也就是给VB904赋0,LD10为临时双字存储区

相关问答

条码扫描器怎么与松下PLC连接?

是扫条码吗,条码枪接在PLC串口上,无协议通信,都是ASCII码,编程中把接收来的数据放在连续的存储区里,再进行处理是扫条码吗,条码枪接在PLC串口上,无协议通信,...

PLC的LD指令怎样写编程实例与仿真?

1、打开PLC编程软件之后,在左母线右侧双击鼠标,然后在“梯形图输入”对话框中输入LD指令,即:LDX0。然后点击“确定”。2、在X0的触点后需要有一个输出才能...3...

plc打印机编程步骤?

不管什么打印机(常用的办公打印机类的都要安装驱动的)你觉得PLC可能控制的到吗?一,如果你是很牛逼的打印机。那么,首先你要了解你的打印机是什么样的数据...

plc的编码器编程方式?

1.以下是plc编码器编程的方式。2.在使用编码器进行位置检测时,需要对编码器进行初始化和配置,并将其与PLC进行连接。具体的编程方法可以参考西门子PLC编程...

PLC对梯形图的扫描顺序是什么,其工作特点是什么?

PLC的工作方式采用不断循环的顺序扫描工作方式。扫描顺序为从上到下,从左到右,每一次扫描所用的时间称为扫描周期或工作周期。CPU从第一条指令执行开始,按顺...

CP1H使用2路模拟量输入AD模块,如何在PLC里编程?

首先,你需要的PLC中去设定需要的量程,以及对应的分辨率:1、如果你使用内建的AD输入,那么对应的模拟量输入地址就是:200CH~203CH例如如果使用AD0的话,对...

流量计在plc用怎么编程?

例如,使用一个0-20mA的模拟量信号输入,在S7-200CPU内部,0-20mA对应于数值范围0-32000;对于4-20mA的信号,对应的内部数值为6400-32000也就是说如;PIW256读...

plc控制理解和编程的基本方法?

1、所编的顺序要合乎所使用的plc等电子元器件有关的规定主要是对指令要准确地理解,正确地使用。各种plc指令多有类似之处,但还有些差异。对于有plc使用经验的...

plc触摸屏一体机怎么编程_?

要是西门子的,那直接编触摸屏的程序,画面什么的,里面的输入输出点要和PLC的输入输出对应。之后把触摸屏和PLC通讯线连上。这样就实现触摸屏控制PLC了。也可以...

如何实现PLC设备远程监控及远程调试?

这个问题,我来回答一下。这个解决方案,作者在现场实际使用效果比较好,使用也最多。具体可以看下面的介绍。PLC远程下载方案不仅可以流畅地下载调试各种主流...