plc编程工厂实操 告诉你不知道的工业机器人PLC培训实操,超实用

小编 76 0

告诉你不知道的工业机器人PLC培训实操,超实用

每个人都渴望成功,咬紧牙去拼搏,就像一段遥远的徒步旅行,崎岖而漫长的,充满汗水和泪水,不少人虎视眈眈的盯着你,朝你凶猛扑来,而你如何面对呢?这时候很多潜能开始发挥出来,有勤奋,有谦卑,有自信,托尔斯泰曾说:“幸福的家庭都是相似的,不幸的家庭各有各的不幸”,这句话用在学工业机器人PLC编程上,也是恰如其分,学好工业机器人编程的人都是相似的,学不好PLC编程的各有各的借口。

有人说:小时候没有打好基础,错过了学习时机~

有人说:逻辑性特别差,天生不是吃技术这碗饭的~

有人还说:学习环境很差,老师也不关注我,没心情学~

给自己找借口倒是头头是道。而学好PLC编程的人,为什么都是相似的呢?因为敢于尝试,在犯错中找方法。今天电气老司机就来告诉你,学好工业机器人PLC编程,都有哪些技巧,接下来的每句话,每个字都要认真看。

PLC也叫可编程控制器,由输入,输出和控制器三部分组成,控制器是核心,输入和输出是关键,输入,输出有数字信号和模拟信号两种,模拟信号的编程比较复杂,既然没有基础就要花心思,千万不要觉得辛苦,PLC在工业自动化中已形成不可缺少的一部分,学习也不是很难,对设备和自动化有些灵性就没那么复杂,能掌握三菱和西门子的PLC还是很吃香的,所以,PLC学好了找份好点的工作也不是难事。

PLC好学吗?有的人说好学,有的人说难学,电气老司机的看法是入门易,深入难。很多人都从书本上找突破口,但八成还是一脸懵的状态,因为抽象与补脑占据了大半个思维。PLC编程实用技巧如下:

1、认识梯形图和继电器控制原理图符号的区别:

继电器控制原理图中的元件符号,有常开触点、常闭触点和线圈,为了区别它们,在有关符号边上标注如KM、KA、KT等以示不同的器件,但其触头的数量是受到限制。而PLC梯形图中,也有常开、常闭触点,在其边上同样可标注X、Y、M、S、T、C以示不同的软器件。它最大的优点是:同一标记的触点在不同的梯级中,可以反复的出现。而继电器则无法达到这一目的。而线圈的使用是相同的,即不同的线圈只能出现一次。

2、编程元件的分类:

编程元件分为八大类,X为输入继电器、Y为输出继电器、M为辅助继电器、S为状态继电器、T为定时器、C为计数器、D为数据寄存器和指针(P、I、N)。关于各类元件的功用,各种版本的PLC书籍均有介绍,故在此不介绍,但一定要清楚各类元件的功能。

3、缜密的逻辑思维

编程本身就是一种逻辑思维过程。在高级语言中,使用最多的ifthenelse、select这些条件判别语句,这就是逻辑中的因果关系。PLC程序就是由这些因果关系组成的:判别条件是否成立,进而决定执行相应的指令。最初的PLC是用来替代继电器逻辑电路的,所以继承了继电器电路以触点作为触发条件的描述方式。在PLC中,以虚拟触点代替了继电器的金属触点,而继电器电路所表达的逻辑关系还是被完整的保留下来。即使引入了继电器电路难以胜任的数值处理过程,PLC从根本上还是在执行一个个因果关系。

不同型号的PLC编程语言的支持种类也不同,想要成为PLC编程工程师,需要坚持不懈的毅力,通过学习PLC可编程控制器程序设计可掌握PLC可编程序控制器原理和控制系统的方法,编程复杂的PLC程序,也为系统集成设计打下扎实的基础。

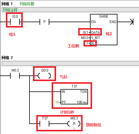
西门子S7-200系列PLC实操(47 残次品分拣案例)

大家好,这节课我们学习残次品分拣案例。

程序设计要求如下:

产品检测分拣机,输送带上的产品经过一台检测装置时,检测装置输出检测结果到I0.0,有产品时为1;I0.1检测产品的好坏,若I0.1为0则产品是好的;若I0.1为1则产品是坏的;在第四个产品位置有一个推出产品的气缸Q0.0。若检测的产品为坏时,到达第四个产品位置时,Q0.0输出气缸动作,产品被推出,1S后气缸断电退回,传送带继续工作,进行产品的检测。

系统的I/O分配如下:

这里我们用到移位指令,详情看下图:

这里,需要说明的一点是,在I0.0收到信号时(检测到产品时),I0.1的值可以是1(检测到次品),也可以是0(良品)。为了验证我们程序是否能够按照要求,就将检测到的次品,及时推出去。

如果需要给定一个次品信号时,记得是要在I0.1=1时,再按下I0.0.才能够顺利的实现移位计数功能,这一点需要大家注意。

下节课,我们学习“三个整数求和

相关问答

plc编程好学吗??四川成都plc编程好学吗?

[回答]四川成都plc编程好学吗?,成都万通高级技工学校PLC编程课程,教学以实操为主,一人多套实操设备,理论结合实操,从PLC编程入门到电气设计,大量的工程实...

PLC编程费多少?

学习plc编程要花费2000-15000元。如果参加PLC线上培训,费用基本在2000元左右,主要是利用空闲时间参加学习,但是学习周期相对较长。而线下的培训基本在4000元...

如何自学电路设计和PLC编程?

06从业自动化控制。机电一体化专业,回想学校学的课程,也就一些用的上。1.模拟电路,数字电路,这是理解电路的基础。2.电力拖动,这是电工实操基础。3.欧姆...

学习西门子PLC编程,触摸屏组态设计,好学吗?

西门子PLC和组态软件的书籍以及网络上的知识比较多,也比较完善,如果你是一个好学的人,那么可以说还是比较好学的!应该说现在学习PLC知识,当对硬件有一些了...西...

PLC编程真的有必要去培训班学习吗?各位过来人给个建议?

[回答]作为过来人我还是建议你去找个培训班系统学习一下,像我刚从学校出来面试,面试官问一个我不会一个,就是都接触过,但是都说不明白也没实操过,详细的也...

对于初学者如何学好PLC编程?

学习就是一件需要持之以恒的事情,要有自己的学习计划和方法,为自己制定一个学习目标,为学习PLC打好电工基础,多实践、多动手实操、有问题多请教、多钻研。学...

机器人编程怎么入门?

1、先学习C语言,这是基础,然后学习单片机,然后就是实验步进电机的控制,译码器的工作原理和编程等等,这些是入门,有基础之后可以学点Arduino之类的,了解当...

plc梯形图编程中,定时器应该怎样编写?

科技引领生活,爱科技的小青年带你在科技的海洋里无限遨游……定时器在PLC系统中是较为常见的指令,相当于我们常用的时间继电器功能,可以进行定时操作。PLC中...

有两年电气柜接线和安装的工作经验,如何学习入手“PLC”和“伺服”相关的工作?

如果以前没有理论基础,配带有PLC和带伺服器的电柜还是可以的,按图纸和说明书施工就可以了,如果想搞维护方面还是要加强理论学习的不知道理论知识咋样,如果可...

plc值得学吗?四川成都plc值得学吗

[回答]四川成都plc值得学吗,四川学PLC编程、plc编程培训、电工培训、PLC电工培训学校有成都万通高级技工学校,开设PLC编程基础知识培训课程,从基础讲起,一...