直播课堂
HOME
直播课堂
正文内容
信捷plc编程电路 最全的PLC通讯电缆编程电缆自制详解(图)
发布时间 : 2026-01-02
作者 : 小编
访问数量 : 23
扫码分享至微信

最全的PLC通讯电缆编程电缆自制详解(图)

一. 前言

八方汇PLC实战培训

随着可编程序控制器(plc)在工业控制领域的广泛应用,plc编程成了电气工程技术人员必须掌握的专业技能。可编程序控制器的品牌众多,欧、美、日、韩及台湾的PLC纷纷抢滩大陆,在给使用者提供了多种选择的同时,也给使用者带来了小小麻烦。由于不同品牌PLC的编程电缆互不通用,买一根原装电缆往往上千元。对于以学习为主要目的以及经常碰到不同品牌PLC的技术人员来说,如果能够有办法花较低的代价自制一根编程电缆,无疑为他们提供了方便。PLC虽然品牌众多,但各种品牌的PLC其编程接口不外乎几种型式,在PLC随机提供的技术手册里一般也都会提供编程口的引脚定义,这就为自制编程线提供了可能。下面我就PLC编程口的几种串行通信接口标准和物理结构,详细说明如何DIY一根适用的编程电缆。

二.PLC编程口的型式

编程电缆一端与PC的COM口相连,另一端与PLC的编程口相连,PC端的COM口均为RS232C接口,DB-9针形插头。而PLC的编程口按接口标准一般可分为三种,即RS232、RS485、RS422 。按物理结构可分为五种,即八针圆口(DIN-8),九针D形口(DB-9),二十五针D形口(DB-25),RJ11口以及专用接口,其中以前两种居多,各接口引脚排列如图一所示。

为了做好编程电缆,首先要大概了解一下这三种串行通信接口标准。RS-232、RS-422与RS-485是三种串行数据接口标准,接口标准只对接口的电气特性做出规定,而不涉及接插件、电缆或协议,所以同样一种接口标准可以有不同的物理结构,如DB-9 、DB-25等。RS-232是PC机与通信工业中应用最广泛的一种串行接口, RS-232C总线标准设有25条信号线,包括一个主通道和一个辅助通道。多数情况下只使用主通道,常用九条信号线(九针D形口),各引脚定义如表一所示。对于一般双工通信,仅需几条信号线就可实现,如发送数据线 TXD 和接收数据线RXD以及逻辑地线GND,RS232C只能点对点通讯,传输距离短,共模抑制能力差。 RS-485采用平衡发送和差分接收,因此具有抑制共模干扰的能力。它使用一对双绞线,将其中一根定义为A(TXD-/RXD-),另一根定义为B(TXD+/RXD+),不需要数字地线。速率在100kbps及 以下时通信距离达1200米以上。RS-485 可以联网构成分布式系统,其允许最多并联32台驱动器和32台接收器。RS-485只能实现半双工通信。表一:RS-232接口引脚定义25 针 9 针 缩 写 描 述2 3 TXD 发送数据3 2 RXD 接收数据4 7 RTS 请求发送5 8 CTS 允许发送6 6 DSR 通讯设备准备好7 5 GND 信号地8 1 CD 载波检测20 4 DTR 数据终端准备好22 9 RI 响铃指示器 RS-422接口标准主要是为克服RS-232接口标准的通讯距离短和传输速率慢而建立的。RS-422标准是一种以平衡方式传输的标准,使用二对双绞线,每个信号以两根信号线来传输,即发送数据TXD+ 、 TXD- ,接收数据RXD+ 、 RXD- ,逻辑电平是由两条传输线之间的电位差来决定的,由于采用了双线传输,大大增强了抗共模干扰的能力,因此最大数据速率可达10MbPs(传送15m时)。若传输速率降到90kbPs时,则最大距离可达1200m,可实现全双工通信。

三. PLC编程电缆的制作

各厂家的编程电缆的作用就是将PLC端的RS485、RS422格式的数据转换为PC端的RS232C格式的数据,PLC端如果是RS232则只要按规则直接连接即可。因此要自制PLC编程电缆,就必须将PLC端的RS485、RS422转换为PC机能够识别的RS232C,PC才能与PLC通信,完成下载、上传、监控等工作,这就涉及到一个接口标准转换的问题。实现接口转换有几种方法:一是用简易的电平转换电路,但一种电路只能针对一种PLC,且功能不全,性能也不太可靠,甚至可能会损坏PC机的串口;二是用专用的接口转换IC ,但业余实现起来比较复杂,不适合自制。这里我们使用一种成品通讯接口转换器,可以实现RS232/RS485/RS422的转换,由于是专用的通讯接口转换器,使用起来很方便且性能可靠,价格也比较低。该类产品市场上比较多,以四川德阳四星电子的产品SC-485C接口转换器为例,该转换器用于RS232到RS485/RS422的通讯转换,体积小巧,只有两个DB-9插头大小,采用串口窃电技术,不需外接电源。SC-485C的结构及引脚定义如图二所示。RS232端为DB-9的孔座,可以直接插在PC机的COM口上,RS485/RS422端为DB-9的针座, RS485时使用3脚和8脚, RS422时用3脚、8脚、1脚和7脚。利用该接口转换器制作编程电缆如图三所示。左侧为SC-485C接口转换器,右侧从上而下分别为DIN-8、RJ11、DB-9和DB25插头的编程电缆,电缆靠近接口转换器一边的插头均为DB-9孔型插头,另一头均为针插头,分别对应不同物理结构的PLC编程口。

接线时根据PLC端是RS485还是RS422选择对应的引脚,按照“发送接接收,接收接发送,正接正,负接负”的规律连接,SC-485C接口转换器与PLC RS485、RS422接口接线图和PC与PLC RS232接口接线见图四。图四

要做好一根编程电缆,除了要进行RS232/RS485/RS422之间的接口转换外,还必须了解PLC编程口各引脚的定义,因为即使是采用同一种接口标准,不同厂家的PLC其引脚分布也是不相同的。表二提供了几种主流PLC的引脚定义,供自制时参考。未列举的PLC可以查找随机的技术手册,也可以到网上找一个通用型人机界面(hmi)的说明书,在HMI与各厂家PLC联机的连线说明中可以找到市场上绝大多数PLC的引脚定义。表二 部份PLC编程口引脚定义PLC型号 接口标准 接口外形 引 脚 定 义S7-200 RS485 DB-9 3B/8ATIWDO/NEZA RS485 DIN-8 1A/2BLGmasterK系列 RS232 DB-9 2RXD/3TXD/5GNDFX2N/FX0N RS422 DIN-8 1RXD-/2RXD+/4TXD-/7TXD+OMRON CH200HS RS232 DB-9 2TXD/3RXD/7GND/4RTS/5CTSAB SLC503/504 RS232 3TXD/2RXD/5GND/7RTS/8CTSABB COMLI RS232 6TXD/ 7RXD/ 5GND(SLAVE MODE)KOYO DIRECT DL RS232 RJ11 4TXD/3RXD/1GND

四、结束语

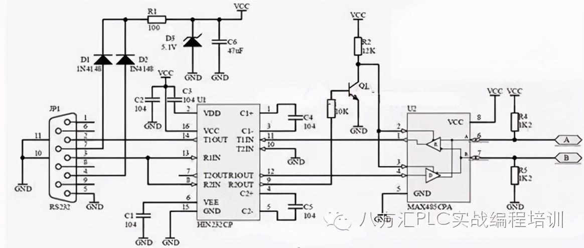
一种原装电缆只能在一种PLC上使用,而一只接口转换器配上不同接插件可以组合成一套编程电缆,几乎可以在任何品牌的PLC上使用。接口转换器和接插件在通信市场都能买到,而且价格便宜,总成本仅需原装电缆价格的十分之一左右,制作也非常简便。自制的编程电缆可以在PC与PLC之间可以完成程序上传、下载、在线监控等功能,在功能和可靠性上比起原装电缆来可以说是毫不逊色。RS232转RS485自制线原理图

串行通讯电缆的制作 RS-232通讯电缆的制作无论是9孔插头,还是25孔插头,其串行通讯电缆连接时都要遵循下列对接关系:  SG←→SG TXD←→RXD RXD←→TXD RTS←→CTS  CTS←→RTS DTR←→DSR DSR←→DTR  根据上述对接关系,就可以非常方便地连接串行通讯电缆。这里顺便介绍一下上述各引脚所代表的含义:  SG英文全称为Signal Ground/Common Return,表示信号地;  TXD指Transmitted Data,表示数据发送;  RXD指Received Data,表示接收数据;  RTS指Request To Send,表示发送请求;  CTS指Clear To Send,表示清除请求;  DTR指Data Terminal Ready,表示数据终端准备就绪;  DSR指Data Signal Rate Selector,表示数据置位准备就绪。  在制作9芯串口连线时,需要2个9孔插头和1.5米长的至少7芯的扁平电缆,引脚连线如下所示。  9孔插头-9孔插头引脚连线为:2-3、3-2、4-6、5-5、6-4、7-8、8-7。  9孔插头-25孔插头引脚连线为:2-2、3-3、4-6、5-7、6-20、7-5、8-4。  25孔插头-25孔插头引脚连线为:2-3、3-2、4-5、5-4、6-20、7-7、20-6。

台达DOP系列触摸屏与各品牌PLC通讯连线1、GE VERMAX 编程电缆制作(电源模件第一个串口):

PLC PC(9 SUB MALE) (9 SUB FEMALE)2 (T) 2 (R)3 (R) 3 (T)5 (G) 5 (G)

2、GE 90—30系列(CPU351/352/363/364) 编程电缆制作(RS232端口 6脚RJ11型):PLC PC(6 RJ11 MALE) (9 SUB FEMALE)2 (T) 2 (R)5 (R) 3 (T)3 (G) 5 (G)3、GE 90-30、90-70、VersaMax 编程电缆制作(RS232端口 6脚RJ11型):PLC RS422/RSRS232 PC(15 SUB MALE) (9 SUB FEMALE)12 (T-) (R+) (T) 2 (R)13 (T+) (R-) (R) 3 (T)10 (R-) (T+) (G) 5 (G)11 (T+) (T-)9 (RT)6 (RTS-)15 (CTS-)6 (RTS+)15 (CTS+)4、GE公司生产的编程电缆(GE 90-30、90-70、VersaMax),在调试过程中不够长,需要延长,延长线的制作为同1注意一下,GE 90-70有两个15 SUB FEMALE串口,用第二个串口方能编程,即使用GE公司生产的编程电缆。

欧姆龙CPM1A編程電纜製作資料

一、 (如图)

二、欧姆龙plc编程电缆

制作三菱FX系列PLC编程电缆

用于三菱FX1S、FX1N、FX2N、FX2NC及A系列PLC编程使用。第一步:制作一根FX-422CABO。

第二步:制作一根F2-232CAB-1

第三步:把上以两根线的25针母接头和公插头对接。上图实际就是计算机的串口直接对应PLC的DIN8孔为;计算机 PLC2 23 75 36和8短接 6好了,一根三菱plc编程电缆SC-09就制作完成了。

三菱FX系列编程电缆 三菱PLC編程電纜製作資料

电脑与PLC/CQM1H系列的编程电缆XW2Z-200S-CV的制作PLC-PC:2-2 3-3 4-8 5-7 9-5LG PLC编程电缆制作方法使用RS232 串行口和屏蔽电缆制作。公2(白)〈-----〉母3(白),公3(黄)〈-----〉母2(黄)公5(红)《-----》母5(红),屏蔽层加护套焊接在金属外壳上。以上颜色为自定。假如线径太细接口卡不牢,可以先用电工胶带固定和加粗厚再安装接口外壳。

富士PLC编程电缆制作

制作方法如下:1.直连编程电缆 ,该制作方法当初是参考三菱PLC编程电缆制作方法。当初网上没有关于富士PLC编程电缆制作的方法,在触摸屏编程手册上看到富士PLC采用RS422通讯,并下载了通讯口图如图所示。开始准备用RS232/422转换器制作,单本地没有买到。想起三菱PLC也是RS422通讯,网上很多三菱编程电缆制作图,就下载了一个三菱接线图并制作了一个富士编程电缆。开始用电阻制作的编程电缆用V1.0中文版富士软件联机成功几率很低,10%左右。在车间用笔记本成功几率为0,就到郑州购买RS232/422模块制作另外一根编程电缆,谁知道用转换器制作的编程电缆在办公室成功几率0,车间就更不用说了。就一直使用电阻连接的编程电缆并把PLC拆到办公室输入程序再安装到车间。直到后来才有好心的工控朋友说V1.0中文版软件是在WIN98系统联机的软件,XP系统必须用V2.0以后的版本。下载安装V2.0版本软件,两种方法制作的编程电缆都可以用。【attach】42【/attach】4 RTX+ -------------------------5 GND6 TXD+ -------------------------5 GND3 RXD— ------2.2K电阻------3 RXD5 TXD— ------2.2K电阻------2 TXD将PLC的4(RXD+).6(TXD+)脚的导线与电脑9芯母头的5脚连接(该脚是RS232的地),3脚(RXD-)通过2.2k欧的电阻与9芯的3脚相连,5脚(TXD-)通过2.2k欧电阻与9芯的2脚相连2.通过RS232-RS422转换头相连到电脑市场购买一个RS232-422转换头(25元左右,比电阻连接的安全),按转换头的说明书的说明与8芯水晶头按RTX+接RTX+;RTX-接RTX-;TXD+接TXD+;TXD-接TXD-连接就可。后有朋友联机不成功,我总结有以下原因导致他们没有成功:1 如果有USB/RS232转换器,注意转换器必须单独供电,如果转换器可以用+5V供电,可以直接用PLC的+5V电源 。如果转换器是+9V供电的可能需要另外增加一个直流电源了;2 软件必须用2.0英文版本,1.0中文版本可以在下面编程用,1.0在WIN98系统可用,在XP 系统联机成功率不高(偶然可以成功一次)。3 判断接线是否正确,可以把水晶头插到PLC编程口(PLC NB2有一个口不是编程口,不要插错)测量+5V是否是1/7和2/8脚。好几个朋友都是把水晶头上下程序弄错 。好几个朋友都是把通讯口1~8的次序弄颠倒了,插到PLC通讯口后测量1脚和2脚+5V极性判断是否接错。

富士spb plc的编程电缆内部接线图!一端8芯水晶头 一端rs232 9孔RJ45端 3-----TD+ ; 4-----TD- ; 5-----RD+ ; 6-----RD- ; 1,2,7,8---NCSPB为RS422模式,因此令一端你需要一个RS232转RS422的转换器~~然后对应著转换器上的引脚分布进行接线。另低版本的软件会导致通讯失败,请使用高版本的软体。

F930GOT-BWD-C的编程电缆PC HMI2--------33--------24--------6.85--------56.8-----44400与OMRON CP1H的通讯电缆制作plc-----------hmi3 32 29 54,5短自制松下PLC(FP0)编程电缆图

「笔记」信捷plc应用,编程前奏篇

关键词:本文目标:以XC5系列为例,了解编程中常用的特殊软元件等

本文目录

一,性能规格

二,特殊软元件

正文开始

一、性能规格

1,XC5系列的性能规格如下

注意:

(1),T定时器的累计与不累计区别。

(2),D数据寄存器,一个“数字”大小为一个字(16位),两个“数字”为双字(32位)。如D0为一个字,D0-D1为双字。

(3),M内部继电器,位写法为M0、M1...,前面加D,如DM0,则意思为M0-M15一共一个字(16位)。D区表示位的方法如下图。

/步骤一结束

二、特殊软元件

2,特殊辅助继电器

3,特殊数据寄存器

注:以上图片来源《XC系列可编程序控制器用户手册(基本指令篇) 》

/步骤二结束

本文目标完成。

往期文章:

【笔记】信捷plc应用,硬件篇

【笔记】三菱FX5U PLC基于ModbusTCP协议与视觉通讯

【C#自习室】1.4 程序中的输入与输出

【C#自习室】1.3控制台、WebForm程序的编写

【C#自习室】1.2 快速入门——对象三要素(下)

【C#自习室】1.2 快速入门——对象三要素(上)

【C#自习室】1.1 快速入门,编写一个触发按钮及弹出窗口

【笔记】网线制作图文详解

【笔记】两台PLC进行无线通讯

【笔记】西门子S7-200Smart与读卡器、温湿度传感器、扫码枪等设备通讯

【笔记】多台西门子S7-200 Smart通过以太网实现通信

【笔记】ABB机器人零基础编程步骤详解

【机器人篇】ABB、库卡、安川、发那科等工业机器人资源汇总

【电工基础篇】电工电子技术、常用仪器、维修等资源汇总

【触摸屏篇】Proface、威纶、三菱、松下、组态王等资源汇总

【PLC篇】西门子、三菱、松下、欧姆龙等品牌的软件、视频、资料下载

【相关软件篇】485参数配置软件、USB转485模块驱动程序等资源下载

相关问答

信捷plc程序编好怎么编译?

编译PLC程序需要使用软件,一般情况下需要按照以下步骤进行:1.打开信捷PLC编程软件;2.导入编写好的PLC程序;3.进行语法检查,确保程序没有错误;4.进行编...

信捷plc编程软件肿么安装帮助指令?-ZOL问答

骤就可以了先找到你的安装路径在你的安装路径下面有一个文件夹是zh-CHS文件夹在这个文件夹里面自己在建一个文件夹命名为help再在这个help文件夹里放入编程...

信捷plc和信捷伺服驱动器怎样接线与设参数?

我截图给你吧,plc的24V接驱动器P+24v,plc的0V接COM0,然后Y0接驱动器P-,Y1接D-。然后把P5.10设置为10,发脉冲就可以转起来了。我截图给你吧,plc的24V接驱动....

信捷plc输入如何接线?

如果器件本身已经接入外电源24v,就不需要了,像关电开关之类的,如果单纯的按钮或是旋钮就需要接com,实际上com点在内部电路是接在0v上的,估计这么说你就能明白...

信捷plccom端怎么接线?

信捷PLC的接线方式如下:1.电源接线PLC的电源接口分别为VCC和GND,需要用导线将其与电源连接。当使用DC电源时,建议使用稳压电源,并在输入电源之前...

信捷plc顺序功能块讲解?

分为普通步与初始步,普通步是由控制过程中分解而成的一个个过程状态,初始步一般是系统等待启动命令的状态。初始步用双线方框表示,每一个顺序功能图至少有一个...

plc怎么联接电脑要安装什么驱动-ZOL问答

因而还需要一个电脑通讯口转PLC通讯口的连接线或是卡,那么就需要安装线或卡的驱动。一般直接连接,配置好通信参数就可以了,不需要什么程序的我记得信捷PLC自带...

信捷PLCXD5-6T10用什么软件编程?

用这个编程软件,信捷的PLC有好几个系列,你从官网上下载就行用这个编程软件,信捷的PLC有好几个系列,你从官网上下载就行

信捷plc计数器程序怎么写?

在信捷PLC中编写计数器程序,首先需要创建一个计数器变量,并设置初始值。接着,在主程序中使用一个循环结构,或者一个指令将计数器自增,每次循环时将计数器的...

信捷plcxc1接线手册?

信捷plc输出端的ab就是485+和485-。你找到usb转485的那根线,然后剪断用才可以,正常信捷plc下载程序,以及和触摸屏连接,很多时候用的是232,西门子485,三菱42...

 剑桥王美莼  岳西十字街某女 
王经理: 180-0000-0000(微信同号)
10086@qq.com
北京海淀区西三旗街道国际大厦08A座
©2026  上海羊羽卓进出口贸易有限公司  版权所有.All Rights Reserved.  |  程序由Z-BlogPHP强力驱动
网站首页
电话咨询
微信号

QQ

在线咨询真诚为您提供专业解答服务

热线

188-0000-0000
专属服务热线

微信

二维码扫一扫微信交流
顶部