课程中心
HOME
课程中心
正文内容
b1 plc编程 西门子数据格式以及寻址,实例讲解清晰易懂,PLC编程必修课
发布时间 : 2026-01-22
作者 : 小编
访问数量 : 23
扫码分享至微信

西门子数据格式以及寻址,实例讲解清晰易懂,PLC编程必修课

PLC在应用时需要处理各种各样的数据,因此为了应付这些数据,它的存储单元就需要有多种格式,今天带大家了解一下,西门子1200PLC的数据格式.

西门子S7-1200 CPU中可以按照位、字节、字和双字,对存储单元进行寻址。二进制数的一位只有0或1两种不同的取值,可以用来表示数字量或称开关量的两种不同的状态,如触点的断开和接通线圈的通电和断电等。

八位二进制数组成一个字节,其中的第0位为最低位,第七位为最高位。

两个字节组成一个字,其中的第0位为最低位,第15位为最高位。

两个字组成一个双字,其中的第0位为最低位,第31位为最高位。

西门子S7-1200 CPU,不同的存储单元都是以字节为单位, 如图所示:

对位数据的寻址由字节地址和位地址组成,如I3.2,其中的区域标识符I表示输入映像区,字节地址为3,位地址为2,这种存取方式称为字节位寻址方式。

对字节的寻址,如MB2,其中的区域标识符M表示为存储区,2表示寻址单元的起始字节地址,B表示寻址长度为一个字节,即寻址为存储区中的第二个字节。

对字的寻址,如MW2,其中的区域标识符M表示为存储区,2表示寻址单元的起始字节地址,W表示寻址长度为一个字,即两个字节,寻址为存储区中从第二个字节开始的一个字,即字节2和字节3。请注意,两个字节组成一个字,遵循的是低地址、高字节的原则。以MW2为例,MB2为MW2的高字节,MB3为MW2的低字节。

对双字的寻址,如MD0,其中的区域标识符M表示为存储区,0表示寻址单元的起始字节地址,D表示寻址长度为一个双字,即两个字四个字节,寻址为存储区中从第0个字节开始的一个双字,即字节0、字节1、字节2和字节3。

寻址方式详解

分类:寻址方式从大的方面可以分成直接寻址和间接寻址。

直接寻址就像甲要和乙说话直接叫乙的名字就可以了,甲直接和乙建立联。

间接寻址就像甲要和乙说话,而乙在另外一个城市,甲就写了一封信通过邮递员送给乙,甲通过邮递员间接和乙建立联系,这就叫间接寻址。间接寻址中指针就充当了邮递员的角色。

直接寻址分为:绝对地址寻址,符号寻址

间接寻址分为:存储器间接寻址,寄存器间接寻址。

一、直接寻址

直接寻址是最简单的寻址方法,也是编程中最常用的寻址方式。

①绝对地址寻址

绝对地址寻址就是直接调用要使用的地址

示例:

I0.0 Q1.0 MW0

②符号寻址

符号寻址就是通过符号表中的绝对地址的命名进行寻址

二、间接寻址★★★★★

间接寻址是比较复杂的寻址方式,也是我们这里重点讲解的地方,间接寻址需重点理解指针的概念。

★指针:理解指针主要需要理解指针的两个特性。

A.存储性:存储性指的是指针也是一段存储空间,它的存储内容是地址。

B.指向性:因为指针存放的内容是地址,那么指针中存放的是哪一个地址,我们就说指针指向了这个地址所对应的存储空间,这就是指针的指向性。

A.存储器间接寻址

【A1】16位指针寻址:

1)16位指针存储空间

16位指针存储空间是16位,2个字节,通过这2个字节的空间来存放变量的地址。

2)16位指针寻址范围

16位指针只能对计时器(T),计数器(C),数据块(DB,DI)的号,程序块(FB,FC)的号进行寻址,也就是这2个字节的存储空间中只能存放计时器的编号,计数器的编号,数据块的编号,程序块的编号。

3)16位指针寻址表示格式

16位指针寻址表示格式为:区域标示符[16位地址指针]

示例:

DB [MW0] //表示对DB块进行寻址,MW0中如果存储的是1,那么该寻址结果为DB1,也就是通过该指令找到了DB1数据块。

T [MW2] //表示对计时器进行寻址,MW2中如果存放的是2,那么该寻址结果为T2,也就是通过该指令找到了计时器T2。

4)16位指针寻址程序示例

例1:

L 2 //将2进行装载

T MW 0 //将2传送到MW0

A I 0.0 //如果I0.0 = True

L S5T#10S //装载时间

SD T [MW0] //T开始计时

例2:

L 1 //将1进行装载

T MW 0 //将1传送到MW0

OPN DB [MW 0] //打开DB1

L 10 //将10进行装载

T DBW 0 //将10传送到DB1.DBW0中

L DBW 0 //将DB1.DBW0进行装载

T MW 2 //将DB1.DBW0传送到MW2中

【A2】32位指针寻址

1)32位指针存储空间

32位指针存储空间是32位,4个字节,通过这4个字节的空间来存放变量的地址。

2) 32位指针寻址范围

32位指针能对I、Q、M、L、数据块的位、字节、字、双字进行寻址,也就是这4个字节的存储空间中能对上述存储类型中的位、字节、字、双字的地址进行存储。

3)32位指针存储格式

4)32位指针寻址表示格式

32位指针寻址表示格式为:地址存储器标示符[32位地址指针]

示例:

I[MD0] //I表示输入存储区,MD0存储地址信息。

Q[MD4] //Q表示输出存储区,MD4存储地址信息。

5)32位指针三种寻址方法

①直接输入10进制数寻址(最复杂最不直观的寻址方式,不推荐使用)。

②将输入的10进制数左移3位进行寻址(比较直观的寻址方式)。

③利用 P#字节.位 格式进行寻址(最直观最方便的寻址方式,推荐使用)。

6)32位指针三种寻址方法举例

★例1 :直接输入10进制数寻址

该程序实现的是两个数相加的功能。

这里我们要重点理解为什么第六句将10传送到了MW4中,而不是MW32中,为什么第八句将15传送到了MW6中,而不是MW48中。

这是因为32,和48存放到指针中是按照32位二进制数进行存放的,下面我们通过将48存放到MD24来进行举例说明

由上图可知将48放进MD24则MW[MD24]指向了MW6

例2:左移3为进行寻址

由于将10进制数对应的2进制数左移三位后,字节存储区的二进制数和该10进制数对应的2进制数又相同了,而位存储区变为0,所以这样的寻址要比例1的寻址方式显得更为直观,便于使用和理解。

例3:以 P#字节.位 格式进行寻址

通过这个实例我们可以发现直接使用P#字节.位的寻址方式是最直观方便的。

B.寄存器间接寻址

寄存器间接寻址使用的是CPU的地址寄存器AR1和AR2

B1)寻址格式

区域标示符[AR1/AR2,P#X]

注:

①AR1/AR2表示地址寄存器AR1或者AR2,地址寄存器中只能存放地址。

②P#X表示偏移量X是偏移具体数值。

B2)寄存器间接寻址示例

干货!常见的PLC程序实例详解,看完就懂(附图)

十字路口的交通指挥信号灯布置:

一、控制要求

(1)信号灯系统由一个启动开关控制,当启动开关接通时,该信号灯系 统开始工作,当启动开关关断时,所有信号灯都熄灭。

(2)南北绿灯和东西绿灯不能同时亮。如果同时亮应关闭信号灯系统, 并立刻报警。

(3)南北红灯亮维持 25s。在南北红灯亮的同时东西绿灯也亮,并维持 20s。到 20s 时,东西绿灯闪亮,闪亮 3s 后熄灭,此时,东西黄 灯亮,并维持 2s。到 2s 时,东西黄灯熄灭,东西红灯亮。同时, 南北红灯熄灭,南北绿灯亮。

(4)东西红灯亮维持 30s。南北绿灯亮维持 25s,然后闪亮 3s 后熄灭。 同时南北黄灯亮,维持 2s 后熄灭,这时南北红灯亮,东西绿灯亮。

(5)以上南北、东西信号灯周而复始地交替工作状态,指挥着十字路口 的交通,其时序如下所示。

二、PLC 接线

三、定义符号地址

四、梯形图程序

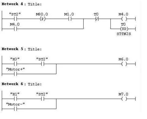
三层楼电梯控制

电梯的上升、下降由一台电动机控制;正 转时电梯上升、反转时电梯下降。各层设一个呼叫开关(SB1、SB2、SB3)、 一个呼叫指示灯(H1、H2、H3)、一个到位行程开关(ST1、ST2、ST3)。

一、控制要求:

(1)各层的呼叫开关为按钮式开关,SB1、SB2 及 SB3 均为瞬间接通有效

(即瞬间接通的即放开仍有效)。

(2)电梯箱体上升途中只响应上升呼叫,下降途中只响应下降呼叫,任何 反方向呼叫均无效,简称为不可逆响应。具体动作要求,如下表。

(3)各楼层间有效运行时间应小于 10S,否则认为有故障、自动令电动机停转。

多种液体自动混合装置的 PLC 控制 如图所示为三种液体混合装置,SQ1、SQ2、SQ3 和 SQ4 为液面传感器, 液面淹没时接通,液体 A、B、C 与混合液阀由电磁阀 YV1、YV2、YV3、 YV4 控制,M 为搅匀电动机,其控制要求如下:

1.初始状态

装置投入运行时,液体 A、B、C 阀门关闭,混合液阀门打开 20s 将容 器放空后关闭。

2.起动操作

按下启动按钮 SB1,装置开始按下列给定规律运转:

①液体 A 阀门打开,液体 A 流入容器。当液面达到 SQ3 时,SQ3 按通, 关闭液体 A 阀门,打开液体 B 阀门。

②当液面达到 SQ2 时,关闭液体 B 阀门,打开液体 C 阀门。

③当液面达到 SQ1 时,关闭液体 C 阀门,搅匀电动机开始搅拌。

④搅匀电动机工作 1min 后停止搅动,混合液体阀门打开,开始放出 混合液体。

⑤当液面下降到 SQ4 时,SQ4 由接通变断开,再过 20s 后,容器放空, 混合液阀门关闭,开始下一周期。

3.停止操作

按下停止按钮 SB2 后,要将当前的混合操作处理完毕后,才停止操 作(停在初始状态)

参考程序:

霓虹灯广告屏控制器的设计

用 PLC 对霓虹灯广告屏实现控制,其具体要求如下:

该广告屏中间 8 个灯管亮灭的时序为第 1 根亮→第 2 根亮→第 3 根 亮→…→第 8 根亮,时间间隔为 1s,全亮后,显示 10s,再反过来从 8→7→…→1 顺序熄灭。全灭后,停亮 2s,再从第 8 根灯管开始亮 起,顺序点亮 7→6→…→1,时间间隔为 1s,显示 20s,再从→2→…→8 顺序熄灭。全熄灭后,停亮 2s,再从头开始运行,周而复始。

参考梯形图程序:

设计程序,使两个气缸顺序动作,其顺序为:A1B1B0A0。

(一)气控回路

(二)位移-步骤图

(三)I 型障碍信号分析

(四)PLC 接线

(五)定义符号地址

(六)梯形图程序

自动售货机的 PLC 控制

如下图所示的自动售货机示意图,其工作要求如下:

1.此售货机可投入 1 元、5 元或 10 元硬币。

2.当投入的硬币总值超过 12 元时,汽水按钮指示灯亮;当投入的硬

币总值超过 15 元时,汽水及咖啡按钮指示灯都亮。 3.当汽水按钮灯亮时,按汽水按钮,则汽水排出 7s 后自动停止,这段时间内,汽水指示灯闪动。 4.当咖啡按钮灯亮时,按咖啡按钮,则咖啡排出 7s 后自动停止,这段时间内,咖啡指示灯闪动。 5.若投入硬币总值超过按钮所需的钱数(汽水 12 元,咖啡 15 元)时,找钱指示灯亮,表示找钱动作,并退出多余的钱。

参考答案:

相关问答

plc通讯端a1.b1代表什么?

在PLC(可编程逻辑控制器)的通讯中,"a1.b1"表示一个标签或地址,用于指代特定的数据或信号。具体代表什么取决于PLC的编程和配置,因为不同的PLC品牌和型号可能...

plc万能公式讲解?

一、说明:公式:Y=K*X+b信号:4-20mAPLC模拟量输入数据范围(变量X):0-32000仪表量程(变量Y):10-100对应关系:4-20mA转换为6400-32000转换为10...

plc怎么连接和控制伺服电机-阿朔与土拨鼠的回答-懂得

plc一般不会直接接伺服电机,而是先接伺服驱动器,由伺服驱动器去控制电机,具体要几根线就要看你的伺服电机和驱动器是什么样的了,这些说明书上都有,...

PLC程序设计方法有几种,各有什么特点?

PLC的编程方法有线性化编程、模块化编程和结构化编程i种。线性化编程是将整个用户程序放在主程序OB1中,在CPU循环扫描时执行()BI中的全部指令。其特点是结构简...

三菱plc,RUn灯不亮,BATTV常亮,有没有可能导致程序丢失?

BATTV常亮有可能程序已经丢失,但只要没有断过电源,应该问题不大,赶紧在不断电源的情况下更换电池试试。BATTV常亮有可能程序已经丢失,但只要没有断过电源,应...

三菱plc编程语言的种类有哪些?

感谢邀请!三菱FX系列的主要是3系包括(FX3S、FX3G、FX3GC、FX3U、FX3UC)可编程控制器支持一下6中编程语言:指令表编程、梯形图编程、SFC步进图编程、ST结构文本...

触摸屏与plc无线通讯怎么样做-ZOL问答

目前如果你想HMI和PLC无线通迅,一种方法是两个都自带以太网接口,然后各自连接AP或者无线路由器。目前西门子提供有自带WIFI的HMI.还有一种就是将串口信号转换...

plcdp头两线怎么接?

...DP线是一根两芯的电缆,一根绿色的,一根红色的。DP插头上面有两个穿线孔一个是进线,一个是出线,正面看:左边是进线,右边是出线,上面有箭头指示的,可以查看...

plc怎么连接和控制伺服电机-184****9185的回答-懂得

通过专用的数据线,可以将plc和控制伺服电机有机的联系起来,构成一套比较完整的自动化控制系统,其连接顺序如图所示:伺服驱动器的响应速度,转矩模式...

三菱AJ65VBTCU2-16T三菱plc和变频器通信怎么操作

[回答]输出点数:16点。OFF时泄漏电流:0.1mA以下。输出保护功能:有。额定负载电压/电流:DC24V/DC24V/0.1A三菱plc和变频器通信。外部连连接:2线式AJ65VBTCU...

 窝窝电影第一时间百度影音  北斗双雄 
王经理: 180-0000-0000(微信同号)
10086@qq.com
北京海淀区西三旗街道国际大厦08A座
©2026  上海羊羽卓进出口贸易有限公司  版权所有.All Rights Reserved.  |  程序由Z-BlogPHP强力驱动
网站首页
电话咨询
微信号

QQ

在线咨询真诚为您提供专业解答服务

热线

188-0000-0000
专属服务热线

微信

二维码扫一扫微信交流
顶部