plc的接线与编程 图文详解 常规PLC接线方法和原理

小编 94 0

图文详解 常规PLC接线方法和原理

今天为大家带来传感器与PLC的接线方法,二十张接线图,是不是超丰厚?快一起来看吧。

1.概述

PLC 的数字量输入接口并不复杂,PLC 为了提高抗干扰能力,输入接口都采用光电耦合器来隔离输入信号与内部处理电路的传输。因此,输入端的信号只是驱动光电耦合器的内部 LED 导通,被光电耦合器的光电管接收,即可使外部输入信号可靠传输。

目前 PLC 数字量输入端口一般分单端共点与双端输入,由于有区别,用户在选配外部传感器时接法上需要一定的区分与了解才能正确使用传感器与 PLC 为后期的编程工作和系统稳定奠定基础。

2.输入电路的形式

1、输入类型的分类

PLC的数字量输入端子,按 电源分直流与交流,按输入接口分类由单端共点输入与双端输入,单端共点接电源正极为SINK(sink Current 拉电流),单端共点接电源负极为SRCE(source Current 灌电流)。

2、词语的概述

SINK漏型为电流从输入端流出,那么输入端与电源负极相连即可,说明接口内部的光电耦合器为单端共点为电源正极,可接NPN型传感器。

SOURCE源型为电流从输入端流进,那么输入端与电源正极相连即可,说明接口内部的光电耦合器为单端共点为电源负极,可接PNP型传感器。

接近开关与光电开关三、四线输出分 NPN 与 PNP 输出,对于无检测信号时 NPN 的接近开关与光电开关输出为高电平(对内部有上拉电阻而言),当有检测信号,内部NPN 管导通,开关输出为低电平。

对于无检测信号时 PNP 的接近开关与光电开关输出为低电平(对内部有下拉电阻而言),当有检测信号,内部 PNP 管导通,开关输出为高电平。

以上的情况只是针对,传感器是属于常开的状态下。

3、按电源配置类型

(1) 直流输入电路

如图1,直流输入电路要求外部输入信号的元件为无源的干接点或直流有源的无触点开关接点,当外部输入元件与电源正极导通,电流通过R1,光电耦合器内部LED,VD1(接口指示)到COM端形成回路,光电耦合器内部接收管接受外部元件导通的信号,传输到内部处理;这种由直流电提供电源的接口方式,叫直流输入电路;

直流电可以由PLC内部提供也可以外接直流电源提供给外部输入信号的元件。R2在电路中的作用是旁路光电耦合器内部LED的电流,保证光电耦合器LED不被两线制接近开关的静态泄漏电流导通。

(2) 交流输入电路

如图2,交流输入电路要求外部输入信号的元件为无源的干接点或交流有源的无触点开关接点,它与直流接口的区分在光电耦合器前加一级降压电路与桥整流电路。外部元件与交流电接通后,电流通过R1,C2经过桥整流,变成降压后的直流电,后续电路的原理与直流的一致。

交流PLC主要适用相对环境恶劣,布线技改变动不大等场合;如接近开关就用交流两线直接替代原来行程开关。

4、按端口类型

(1)单端共点(Comcon)数字量输入方式

为了节省输入端子,单端共点输入的结构是在 PLC 内部将所有输入电路(光电耦合器)的一端连接在一起接到标示为 COM 的内部公共端子,各输入电路的另一端才接到其对应的输入端子 X0、X1、X2、....

com 共点与 N 个单端输入就可以做 N 个数字量的输入(N+1 个端子),因此我们称此结构为"单端共点"输入。用户在做外部数字量输入组件的接线时也需要同样的做法,需要将所有输入组件的一端连接在一起,叫输入组件的的外部共线;输入组件的另一端才接到 PLC 的输入端子 X0、X1、X2、....

SINK输入方式,可接 NPN 型传感器,即 X 端口与负极相连。

SRCE输入方式,可接 PNP 型传感器。即 X 端口与整机极相连。

(外部输入组件可以为按钮开关、行程开关、舌簧开关、霍尔开关、接近开关、光电开关、光幕传感器、继电器触点、接触器触电等开关量的元件。)

(2) SINK(sink Current 拉电流)输入方式

●单端共点SINK输入接线(内部共点端子COM→24V+,外部共线→24V-)。如图3:

(3) SRCE(source Current 灌电流)输入方式

● 单端共点SRCE输入接线(内部共点端子COM→24V-,外部共线→24V+)。如图4:

(4)SINK/SRCE可切换输入方式

S/S端子与COM端不同的是,COM是与内部电源正极或负极固定相连,S/S端子是非固定相连的,根据需要才与内部电源或外部电源的正极或者负极相连。

● 单端共点SINK输入接线(内部共点端子S/S→24V+,外部共线→24V-)。

● 单端共点SRCE输入接线(内部共点端子S/S→24V-,外部共线→24V+)。

(5) 当有源输入元件(霍尔开关、接近开关、光电开关、光幕传感器等)数量比较多,消耗功率比较大,PLC内置电源不能满足时,需要配置外置电源。根据需求可以配24VDC,一定功率的 开关电源。 外置电源原则上不能与内置电源并联,根据COM与外部共线的特点, SINK(sink Current 拉电流)输入方式时,外置电源与内置电源正极相连接;SRCE(source Current 灌电流)输入方式时,外置电源与内置电源负极相连接。

(6) 简单判断SINK(sink Current 拉电流)输入方式,只需要Xn端与负极短路,如果接口指示灯亮就说明是SINK输入方式。共正极的光藕合器,可接NPN型的传感器。SRCE(source Current 灌电流)输入方式,将Xn端与正极短路,如果接口指示灯亮就说明是SRCE输入方式。共负极的光藕合器,可接PNP型的传感器。

(7) 对于2线式的开关量输入,如果是无源触点,SINK与SRCE按上图的输入元件接法,对于2线式的接近开关,需要判断接近开关的极性,正确接入。我公司部分2线式的LJK系列接近开关也有不分极性即可接入接口的,具体参考附带产品说明书。

(8)超高速双端输入电路。主要用于硬件高速计数器(HHSC)的输入使用,接口电压为5VDC,在应用上为确保高速及高噪音抗性通常采用双线驱动方式(Line-Drive)。如果工作频率不高与噪音低也可以采用5VDC的单端SINK或者SRCE接法,串联一个限流电阻转换成24VDC的单端SINK或者SRCE接法。

(9)双输入端双线驱动方式(Line-Drive)。

(10)5VDC的单端SINK或者SRCE接法。

(11)24VDC的单端SINK或者SRCE接法。

注:24VDC供电的传感器,在输入回路上需要串联限流电阻,R1为10Ω,R2为2KΩ,不串联限流电阻,将烧毁接口回路,限流电阻取值2.7KΩ。

3.外部输入元件

1、无源干接点(按钮开关、行程开关、舌簧磁性开关、继电器触点等)

无源干接点比较简单,接线容易。不存在电源的极性,压降等因素,上图3-6中的输入元件正是此类型。这里不重复介绍。

2、有源两线制传感器(接近开关、有源舌簧磁性开关)

有源两线接近开关分直流与交流,此传感器的特点就是两根线,传器输出端导通后,为了保证电路正常工作需要一个保持电压来维持电路工作,通常在3.5-5V的压降,静态泄露电流要小于1mA,这个指标很重要;如果过大,在接近开关没检测信号时,就使PLC的输入端的光电耦合器导通。我公司的LJK系列两线制接近开关静态泄露电流控制在0.35-0.5mA之间适应各类型PLC。

直流两线制接近开关分 二极管极性保护与桥整流极性保护,前者在接PLC时需要注意极性,后者就不需要注意极性。 有源舌簧磁性开关主要用在汽缸上做位置检测,由于需要信号指示,内部有双向二极管回路,因此也不需要注意极性;交流两线制接近开关就不需要注意极性。如图10:

(1) 单端共点SINK输入接线(内部共点端子COM→24V+,外部共线→24V-)。如图11:

(2) 单端共点SRCE输入接线(内部共点端子COM→24V-,外部共线→24V+)。如图12:

(3)S/S端子接法参考图5-图6以及图11-图12。

3、有源三线传感器(电感接近开关、电容接近开关、霍尔接近开关、光电开关等)直流有源三制线接近开关与光电开关输出管使用 三极管输出,因此传感器分NPN和PNP输出,有的产品是四线制,有双NPN或双PNP,只是状态刚好相反,也有NPN和PNP结合的四线输出。

NPN型当传感器有检测信号VT导通,输出端OUT的电流流向负极,输出端OUT电位接近负极,通常说的高电平翻转成低电平。

PNP型当传感器有检测信号VT导通,正极的电流流向输出端OUT,输出端OUT电位接近正极,通常说的低电平翻转成高电平。

电路中三极管的发射极上的电阻为短路保护采样电阻2-3Ω不影响输出电流。三极管的集电极的电阻为上拉与下拉电阻,提供输出电位,方便电平接口的电路,另一种输出的三极管集电极开路输出不接上拉与下拉电阻。

简单说当三极管VT导通,相当于一个接点导通,如图13:

(1) 单端共点SINK输入接线(内部共点端子COM→24V+,外部共线→24V-)。如图14:

(2) 单端共点SRCE输入接线(内部共点端子COM→24V-,外部共线→24V+)。如图15:

(3) S/S端子接法参考图5-图6、图11-图12以及图14-图15。

PLC输入接口电路形式和外接元件(传感器)输出信号形式的多样性,因此在PLC输入模块接线前必要了解PLC输入电路形式和传感器输出信号的形式,才能确保PLC输入模块接线正确无误,在实际应用中才能游刃有余,后期的编程工作和系统稳定奠定基础。

(来源:网络,版权归作者所有)

详解西门子PLC编程接线图,附梯形图程序实例,PLC快速入门

今天给大家分享的是关于PLC编程控制入门常用到的实例。里面包含的知识点是较为齐全的,如:I/O分配表、PLC接线图、梯形图程序等。

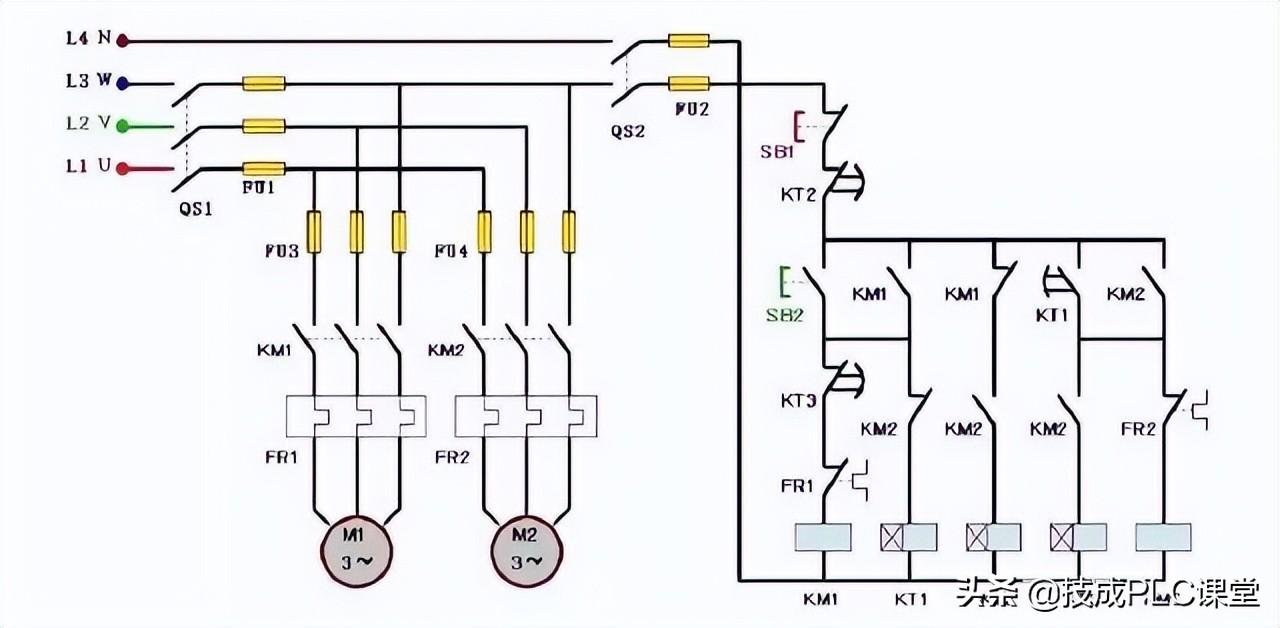
一、电动机顺序启动、顺序停止控制 (I/O分配表、PLC接线图、梯形图程序)

二、电动机的顺序启动、同时停止 (I/O分配表、PLC接线图、梯形图程序)

三、电动机的顺序启动、逆序停止 (I/O分配表、PLC接线图、梯形图程序)

四、电动机延时启动、停止控制 (I/O分配表、PLC接线图、梯形图程序)

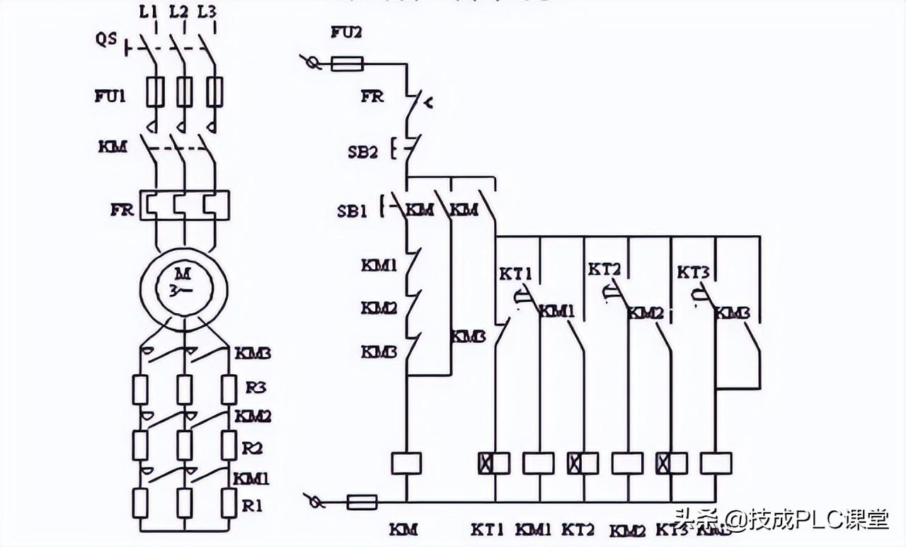
五、笼型感应电动机定子绕组从串电阻降压启动控制系统 (I/O分配表、PLC接线图、梯形图程序)

六、三相绕线感应电动机转子绕组串电阻降压启动控制系统 (I/O分配表、PLC接线图、梯形图程序)

七、Y-△降压启动控制系统 (I/O分配表、PLC接线图、梯形图程序)

Y-△降压启动控制(1)

Y-△降压启动控制(2)

八、自耦变压器降压启动控制系统 (I/O分配表、PLC接线图、梯形图程序)

来源:网络,侵删~

转发是最大的鼓励!谢谢您的支持!

小贴士

PLC专属资料: 含有从入门到高级所有PLC学习资料(三菱/西门子/欧姆龙) ,电气经典18本大全书,历年电气考试真题、电气必备实训仿真软件、电气自动化行业各类型技术手册!

相关问答

plc入门接线?

极...②然后把按钮开关一端接到X3输入端子上(并在同一个公共端的X点都可以),按钮另外一端接外部电源负极。③最后外部电源正极接在S/S端子上。分析一下,电...

plc通讯线接法?

目前看,大部分还都是232、485、现在更多的是以太网接口目前看,大部分还都是232、485、现在更多的是以太网接口

plc与外部设备连接过程及注意事项?

PLC系统的接线主要包括电源接线、接地、I/O接线及对扩展单元接线等。(1)电源接线。FX系列PLC使用直流24V、交流100V~120V或200V~240V的...

plc模块接线方法原理?

plc接线原理:PLC的数字量输入接口并不复杂,PLC为了提高抗干扰能力,输入接口都采用光电耦合器来隔离输入信号与内部处理电路的传输。因此,输入端的信号只是驱...

PLC输入输出模块的供电,怎么接线的?-懂得

不管四线制、两线制,所有的传感器都需要外部供电。这个外部供电可以是PLC的直流电源也可以是外部开关电源。二、两线制就是电源和信号用同一组线,而...

PLC线圈怎样接?

plc线圈接法有两种,接法如下表示:1.plc输入端接线方式:磁性感应器,一般蓝色接GND,棕色接输入端的X,光电感应器,3线,一般蓝色接GND,黑色接输入端的X,棕...plc...

plc接线与控制原理?

PLC(ProgrammableLogicController,可编程逻辑控制器)是一种专门用于工业控制系统中的自动化控制设备。它可以根据预先编写的控制程序来实现对工业生产过程的...

PLC与编码器怎么接线及编程控制?

PLC与编码器的接线方式是将编码器的A、B相输出接到PLC的输入端口,同时连接编码器的Z相信号到PLC的另一个输入端口。在PLC编程中,通过读取编码器的脉冲信号来实...

西门子plc怎么接线?

输入电压接单相AC230v,L接活性,N接零线,还有一个接地线。上面一排是Q点,表示PLC输出,连到负载,比如电磁阀,继电器,灯,喇叭等。L+一般接直流24V正极,M...输入...

plc连接电脑需要什么接口?

一、RS232接口:这是计算机通讯接口之一,通常RS-232接口以9个引脚(DB-9)或是25个引脚(DB-25)的型态出现,一般个人计算机上会有两组RS-232接口,分别称...