直播课堂
HOME
直播课堂
正文内容
plc编程感觉好难学 你是学习plc无头苍蝇的一员吗,看完本文,还觉得plc难学吗?
发布时间 : 2026-01-03
作者 : 小编
访问数量 : 23
扫码分享至微信

你是学习plc无头苍蝇的一员吗,看完本文,还觉得plc难学吗?

#月薪万元—新作者扶植计划开启# PLC好学吗?有的人说好学,更多的人说难学。我的看法是入门易,学精弄懂难。初学容易,总有它易的方法。很多人都买了有关PLC的书,如果从头看起的话,我想八成是学不会的。因为抽象与空洞占据了整个脑子,一个字“晕”!

学这东东要有可编程控制器和简易编程器才好,若无,三个字,学不会。因为无法验证对与错。如何学,我的做法是直奔主题。

做法如下:

1、认识梯形图和继电器控制原理图符号的区别: 继电器控制原理图中的元件符号,有常开触点、常闭触点和线圈,为了区别它们,在有关符号边上标注如KM、KA、KT等以示不同的器件,但其触头的数量是受到限制。而PLC梯形图中,也有常开、常闭触点,在其边上同样可标注X、Y、M、S、T、C以示不同的软器件。它最大的优点是:同一标记的触点在不同的梯级中,可以反复的出现。而继电器则无法达到这一目的。而线圈的使用是相同的,即不同的线圈只能出现一次。

2、编程元件的分类:编程元件分为八大类,X为输入继电器、Y为输出继电器、M为辅助继电器、S为状态继电器、T为定时器、C为计数器、D为数据寄存器和指针(P、I、N)。关于各类元件的功用,各种版本的PLC书籍均有介绍,故在此不介绍,但一定要清楚各类元件的功能。

编程元件的指令由二部分组成:如 LD(功能含意)X000(元件地址),即 LD X000,LDI Y000......。

3、熟识PLC基本指令

(1)LD(取)、LDI取反)、OUT(输出)指令;

(2)触点的串联指令AND(与)ANI(与非);

(3)触点并联指令OR(或)、ORI(或反);

(4)串联电路块的并联指令ORB(或);

(5)并联电路块与块之间的串联指令ANB;

(6)进栈指令MPS、读栈指令MRD、出栈指令MPP和程序结束指令END;

只要熟识和应用以上的指令,我以为入个门应该没什么问题了,也够用了。入了门后再去研究其它的指令就不是很难了。

4、熟知简易编程器各键的功能

(1)液晶显示器;在编程时可显示指令(即指令、元件符号、数据)。在监控运行时,可显示元器件工作状态。

(2)键盘;由35个按键组成,有功能键、指令键、元件符号键和数据键,大多可切换。各键作用如下:

①功能键:RD/WR......读出/写入,若在左下角出现R为程序读出,若出现W则为写入,即程序输入时应出现W,否则无法输入程序。按第一下如为R,再按一下则为W。INS/DEL......插入/删除,若在程序输入过程中漏了一条程序,此时应按该键,显现I则可输入遗漏程序。若发现多输了一条程序,同样按该键,显现D则可删除多余或错误的程序。MNT/TEST......监视/测试,T为测试,M为监视,同样按该键,可相互切换。在初学时要学会使用监视键M, 以监视程序的运行情况,以利找出问题,解决问题。

② 菜单键:OTHER, 显示方式菜单。

③清除键:CLEAR,按此键,可清除当前输入的数据。

④帮助键:HELP,显示应用指令一览表,在监视方式时进行十进制数和十六进制数为转换。

⑤步序键:STEP,监视某步输入步序号。

⑥空格键:,/SP,输入指令时,用于指定元件号和常数。

⑦光标键:↑、↓,用这二键可移动液晶显示屏上光标,作行(上或下)滚动。

⑧执行键:GO,该键用于输入指令的确认、插入、删除的执行等。

⑨指令键/元件符号键/数字键(虚线框内):这些键均可自动切换,上部为指令键,下部为元件符号键或数字键。一旦按了指令键,其它键即切换成元件符号或数字,可以进行选择输入。其它Z/V、K/H、P/I均可同一键的情况下相互切换。

5、熟习编程器的操做

按规定联接好PLC与简易编程器。PLC通入电源,小型指示灯亮。将PLC上的扭子开关拨向STOP(停止)位置。

操作要点:

①清零:扭子开关拨向STOP(停止)位置,会出现英文,别管它。直接按RD/WD(使显示屏左侧出现W即写的状态),此时先按NOP,再按MC/A中的A,接着按二次GO予以确认即可(即:W→NOP→A→GO→GO)。

②输入指令:如指令 LD X000 , 按以下顺序输入 LD→X→0→GO 即可,屏上自动显现 LD X000。其它指令类推。对于ORB、ANB、MPS、MRD、MPP、END、NOP等指令,输入后只要按GO确认即可(ORB→GO)。

③定时器的输入:如指令 OUT T0 K 40 按如下顺序输入即可 OUT→T→0→,/SP→K→40→GO(T0为100ms为单位,其整定值为:100×40=4000ms=4S)。

④ 删除指令:移动光标对准欲删除的指令,将INS/DEL键置于D,再予以GO确认即可。即 :移动光标对准欲删除指令→D→GO。

⑤插入指令:若欲在步序4、5之间插入新的步序,移动光标对准5,将INS/DEL键置于I,予以确认,再输入新的程序再次确认即可。如欲插入AND Y001即:移动光标对准欲插入部位→I→GO→AND→Y→1→GO。

⑥GO键:每一步序输入完毕均应输入GO予以确认。

⑦结束指令:每一程序输入完毕在结束时应输入END指令,程序才可运行。

⑧输入指令完毕应将PLC上的扭子开关拨向RUN于运行状态。若有音响、灯亮则说明输入程序有问题。

6、输入简单的可运行程序在监控状态下运行:

初学时要学会使用监视键M,可以从液晶显示上监视程序的运行情况,加深对PLC各接点运行的认识。并利于找出问题,解决问题的最好办法。 具体操作如下:按MNT/TEST键置于M监视运行方式,移动光标即可观查整个程序的运行情况。若程序中出现■标记表示元件处于导通状态(ON),若无■标记则元件处于断开状态(OFF)。

7、试着编绘简易梯形图:

简易梯形图的编绘,一般以现有的电工原理图,根据其工作原理进行绘制,由浅入深,先求画出,再求简单明了,慢慢领会绘制梯形图心得。首先要理解电工原理图的工作原理,根据电工原理图的工作原理,再按PLC的要求进行绘制。应把握的是,不能简单地将PLC各接点与电工原理图上的各接点一一对应(这是初学者的通病),若是这样的话就有可能步入死胡同,绘制的梯形图只要能达到目的即可。

个人认为学东西是要开窍的,一开窍什么东西都会理解的很快,其实没什么东西真正难的,别人真的比你多聪明吗?理论知识很重要,但是过多的学习理论却不实践很容易走火入魔的。所以我说:“很多人都买了有关PLC的书,如果从头看起的话,我想八成学不成了。”个人很赞同。书呆子也就是那样形成的。#微头条名师团# #我要上头条# #月薪万元—新作者扶植计划开启#@头条热点 @微头条 @进击课堂 @头条公开课 @微头条小秘书

学PLC编程真的很难?真的很麻烦?其实是没掌握这个方法

对于没有编程过PLC程序的小伙伴来说,PLC编程是个麻烦,还是个大麻烦……但是真就这么难吗?真相是没有掌握方法,我们来看这个编程案例,就知道是怎么回事了。

给大家按步骤逐一解答,如果你对这个的程序有疑问,可以在下面留言,小编会解答的哦!

根据下图的三相交流电动机正反转控制的主电路,设计一个PLC控制电动机正停反的控制系统。控制要求如下:

(1)正常情况下,按启动按钮SB1,电机正转,按下反转启动按钮SB2,电机反转。

(2)电机启动后,按下停止按钮SB3并等待5秒钟之后,才可以改变电动机的旋转方向;

(3)如果SB1和SB2同时按下,电动机停止转动,并且不起动,同时报警灯L1亮1秒暗1秒不断闪烁。此时按SB3停止按钮进行复位。

首先我们先确定一下按钮、KM的使用辅助触点情况,这里是正反转的主回路,主回路必须有互锁电路,其他的按钮用常开触点。

下面是PLC的输入输出点表:

根据题意(1)编程:这里根据题意1,只需遍2个自保持电路即可。

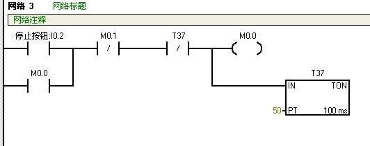
题意2要求按停止按钮5秒后才能改变电机方向,所以这里需设置一个标志位,这里用M0.0。

并且加上程序互锁电路,具体如下:

首先在2个自保持回路中加入互锁电路——网络1的Q0.1常闭点和网络2的Q0.0常闭点。题意2说按下停止按钮后5秒,才能按启动按钮,所以网络3按下I0.2停止按钮后,M0.0得电自保持,计时器T37计时5s后,将M0.0的自保持回路停掉。并且在网络1和网络2中加M0.0的常闭点,使M0.0得电时网络1和网络2即使按了正转按钮或者反转按钮也不会使Q0.0或Q0.1得电。

题意3要求SB1和SB2同时按下,电动机停止转动,并且不起动,同时报警灯L1亮1秒暗1秒不断闪烁。编程如下:

这次增加了网络4/5/6,网络5和6就是利用2个计时器产生一个一秒脉冲的小程序,SM0.0为特殊位,其功能为一直得电。网络4就是利用M0.1将网络1/2/3锁死,也就是说M0.1得电网络1.2.3是不起作用的。其原理与上一小结的M0.0一样。

这个程序小编大约调试了3-4遍,也就是说小编犯了3-4个错误,所以小伙伴们遇见程序错了不要紧,慢慢来一点点调试总能做出来的。小伙伴们,你们说,是么?有疑问的欢迎下方留言哦,我们一起学习、一起进步!

↓↓↓技成PLC课堂领书福利

相关问答

PLC编程难学吗?

没有你想象的那么容易,也没有你想象的那么难,这是一门技术,一定要多钻研,多学习。先学会看梯形图,学会电工基本电路,泡论坛学习看别人的程序学着去做,多...

PLC编程难学吗?-ZOL问答

PLC编程难学吗?讨论回答(7)看你学来干什么的要是只是开数控铣的哪就比较简单了,只要学下基本理论加上去实操一些时日就差不多会了!要是想做编程工程师哪就学...

PLC编程好难啊?

PLC编程的难度因人而异,取决于个人的学习能力和经验。学习PLC编程首先要熟悉PLC原理,了解其基本原理和结构,以及所选择的PLC编程指令及编程软件。其次要学习...

plc编程好学吗?

plc编程好学!其实,PLC很好学,很简单,无非就是常开,常闭,自锁,互锁,定时,计数这几个要素。无论多么复杂的程序,都是这几种要素的组合。但是,我们学...plc编...

学习plc编程会很难吗?

刚开始都觉得很难,入行后很简单的刚开始都觉得很难,入行后很简单的现在不怎么样做这个行业人很多

plc好学吗?

plc编程入门基础知识还是比较好学的特别是对擅长理工科的人来说。plc编程入门基础知识需要先了解继电器控制电路,低压电气的知识要熟练掌握,并会看梯形图,这...

无基础学习plc技术容易吗?

你好,很高兴回答你的问题。首先,学习任何一项技术都不能说容易还是简单,关键看你在这上面花了多少经历。下面说说我个人认为如何学习plc:1.首先学习plc之...

plc好学吗?

相对而言,PLC是比较好学的。因为PLC是一种比较成熟的控制器技术,学习该技术只需要掌握基本的电气知识和编程技巧即可。并且市场上有很多优秀的PLC学习资料和...

西门子PLC编程是什么?难学吗?

梯形图,指令表,还好了不算太难,但是要是编完整的,工业实际需要的,也不是那么简单,要考虑很多东西。要是有高级语言基础。例如c++等,就好学点。编程还必须...

plc编程和c++哪个好学?

PLC与C++不是一个平台上的东西,不能相互比较。PLC的编程是靠电气专业的方式编程的(指的是人与机器之间的交换),人不直接参与处理器内部程序,这一点与C++有...

 李长明  广东兴宁一中 
王经理: 180-0000-0000(微信同号)
10086@qq.com
北京海淀区西三旗街道国际大厦08A座
©2026  上海羊羽卓进出口贸易有限公司  版权所有.All Rights Reserved.  |  程序由Z-BlogPHP强力驱动
网站首页
电话咨询
微信号

QQ

在线咨询真诚为您提供专业解答服务

热线

188-0000-0000
专属服务热线

微信

二维码扫一扫微信交流
顶部