直播课堂
HOME
直播课堂
正文内容
plc编程控制气阀 入门初学PLC控制,详细图文解析PLC实现控制气压系统及其过程
发布时间 : 2026-02-15
作者 : 小编
访问数量 : 23
扫码分享至微信

入门初学PLC控制,详细图文解析PLC实现控制气压系统及其过程

今天我们来讲讲plc与气压控制,主要讲了气阀,气路原理以及用PLC的控制一下用三部分来讲解:

一、基础气压

二、PLC控制气压系统

三、PLC与气压过程控制

一、基础气压

1、气压系统基本架构

2、气压源:工作压力 4~7 bar ( 1 Kg / cm2 = 0.981 bar)

3、三点组合(调理组):调压、滤水、润滑

4、气压缸:单动缸、双动缸

5、方向阀

6、基本气压回路

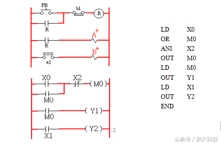
二、以PLC控制气压系统

1、A为单动缸,以单边电磁阀控制

当按钮开关PB ON,则气压缸前进A+

当按钮开关PB OFF,则气压缸后退A-

按钮开关PB可以用训练器上方的仿真开关代替

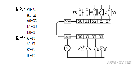
2、A为单动缸,以单边电磁阀控制

当按钮开关PB1 ON,则气压缸前进A+,

此时放开PB1(PB1 OFF)气压缸仍保持在前位状态(自保)

当按钮开关PB2 ON,则气压缸后退A-

LD X1

OR M0

ANI X2

OUT M0

LD M0

OUT Y0

END

想想看,这个程序可以再简化!

3、A为单动缸,以单边电磁阀控制,加上节流阀调整气缸运动速度

当按一下PB(Pulse),则气压缸慢慢前进A+

一直到气压缸触碰到前顶点a1,则气压缸慢慢后退A-

4、A为双动缸,以单边电磁阀控制

当按钮开关PB ON,则气压缸前进A+

当按钮开关PB OFF,则气压缸后退A-

5、A为双动缸,以双边电磁阀控制

当按钮开关PB1 ON(Pulse),则气压缸前进A+

当按钮开关PB2 ON(Pulse),则气压缸后退A-

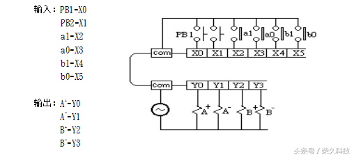
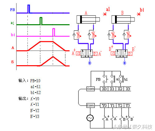
6、A、B皆为单动缸,分别以单边电磁阀控制

动作顺序如图PB ON (Pulse) ,则系统激活一次循环后自动停止

7、A、B皆为双动缸,分别以双边电磁阀控制

动作顺序如图PB ON (Pulse) ,则系统激活一次循环后自动停止

三、PLC与气压过程控制

(一)单一流程

8、A为双动缸,由双边电磁阀控制

当按下激活开关START,则气压缸前进

当气压缸到达前顶点,则气压缸后退

当气压缸到达后顶点时,则系统停止,并等待下一个激活命令

9、A、B皆为双动缸,分别以双边电磁阀控制

动作顺序如图PB ON (Pulse),则系统激活 一次循环后自动停止

(二)选择性分歧

10、A、B皆为双动缸,分别以双边电磁阀控制动作

顺序如图,当PB1ON时,A气压缸来回运动一次当PB2ON时,B气压缸来回运动一次

(三)并进式分歧

11、A、B皆为双动缸,分别以双边电磁阀控制动作

顺序如图,当PB ON时,A气压缸来回运动一次。同时,B气压缸来回运动一次

以上,欢迎转发分享及收藏!

如有其他关于学习PLC的问题也可告知小编哦!

阀门上的信号反馈如何到PLC?

那么,阀门上的信号反馈是如何准确地传递到plc中的 呢?今天,艾德默阀门厂家 将详细解答这一问题。

阀门上的信号反馈如何到PLC?

一、阀门信号反馈的重要性

阀门信号反馈 是阀门控制系统中的一个关键环节,它能够将阀门的实际开度、压力、温度 等状态信息实时反馈给控制系统。这些信息对于plc进行准确控制至关重要,是实现自动化、智能化控制的基础。通过信号反馈,plc可以实时调整控制策略 ,确保阀门按照预定参数运行,提高系统的响应速度和稳定性。

阀门信号反馈的重要性

二、阀门信号反馈的方式

阀门信号反馈到plc的方式主要有两种:模拟信号反馈数字信号反馈

阀门信号反馈到plc的方式主要有两种:模拟信号反馈和数字信号反馈。

三、模拟信号反馈:

模拟信号反馈 通常使用420mA电流信号010V电压信号 。这种信号反馈方式简单直接 ,适用于对信号精度要求不是特别高的场合。阀门上的传感器将阀门的实际状态(如开度)转换为模拟电信号,通过电缆直接传输到plc的模拟量输入模块plc接收到信号 后,进行模数转换,并根据预设的控制逻辑进行相应处理。

模拟信号反馈

四、数字信号反馈:

数字信号反馈 则通过编码器、接近开关 等数字传感器实现。这些传感器将阀门的实际状态转换为数字信号,通过总线或串口等方式传输到plc。数字信号反馈 具有抗干扰能力强、传输距离远、精度高 等优点,特别适用于对信号精度和可靠性要求较高的场合。

数字信号反馈

五、艾德默阀门厂家的解决方案

作为阀门生产厂家艾德默阀门 客户的需求和实际应用场景,量身定制阀门和控制系统,确保信号反馈的准确性和可靠性。

① 高精度传感器 :我们选用高质量的传感器,确保阀门状态的准确测量和转换。

② 可靠信号传输 :采用屏蔽电缆和抗干扰措施,确保信号在传输过程中的稳定性和可靠性。

③ 智能控制系统 :集成先进的plc控制系统,具备强大的数据处理和控制能力,能够实时接收并处理阀门反馈信号,实现准确控制。

艾德默阀门厂家的解决方案

结语

阀门信号反馈到plc 是实现工业自动化控制的重要一环。艾德默阀门厂家 凭借技术和丰富的经验,为客户提供了一整套卓效、可靠的解决方案。

相关问答

plc怎么控制电机和气缸?

一般来说plc不是直接控制气缸,plc是通过控制气阀的开闭来实现气缸动作的,而且气缸动作的位置也需要做限制,这块的逻辑很简单,如果需要气缸动作就通过plc把相...

plc中co指令的用法?

回答如下:PLC中的CO指令是用于将输出位的状态从一个逻辑状态转换为另一个逻辑状态。该指令可以用于控制输出位的开关状态。CO指令的用法如下:1.首先,确定要...

PLC物料自动混合控制指令表和梯形图或fsc要求:1初始化状态:...

[最佳回答]看要什么PLC的

关于风机的plc控制?

PLC是可编程控制器,它具有逻辑、顺序、定时、计数、运算等控制功能的通用自动控制设备。它以体积小、功耗低、速度快、可靠性高、具有较大的灵活性和扩展性而...

【PLC编程,求指导,GE的按下启动按钮START,装置开始按下列...

[最佳回答]昨天看到你的提问还有梯形图,回答后没有被显示出来。你的梯形图中有三个问题:1、STOP按钮没有用,只要Y1自锁,你任何时候按STOP都对程序执行无影响。...

实现阀门控制及自动调节是用单片机还是PLC?

阀门控制及自动调节可以使用单片机或PLC来实现。单片机适用于简单的控制任务,成本低、响应速度快,适合小规模系统;而PLC适用于复杂的工业控制系统,具有较强的...

200plc起保停控制电路接法?

200PLC的起保停控制电路接法通常包含以下几个步骤:连接输入设备:将传感器、按钮、开关或其他输入设备连接到PLC的数字输入端子上,以便检测目标设备的状态或执...

接触器用PLC怎么去控制?

这个属于plc与上位机通信和应用的问题,也就是所谓的数据采集与监控SCADA。不同的品牌或者型号的plc所使用的软件也是不同的,例如AB的5000系列要在计算机里面安...

怎样用PLC控制恒温?

采集温度,输入plc,内部pid控制,控制输出数值控制阀门或调功器的等。也可以用温度控制器控制,开关量或模拟量输出控制接触器或阀门等采集温度,输入plc,内部pi...

一个三菱PLC,一个气缸,一个电磁阀,怎么编程?

气缸两头的感应器是感应气缸位置的磁感应器(霍尔开关),类似于阀门的开到位和关到位,可用于程序的联锁或保护,不是一定要用的。电磁阀用于控制气源驱动气缸动...

 羊肉汤锅  邱启明身高 
王经理: 180-0000-0000(微信同号)
10086@qq.com
北京海淀区西三旗街道国际大厦08A座
©2026  上海羊羽卓进出口贸易有限公司  版权所有.All Rights Reserved.  |  程序由Z-BlogPHP强力驱动
网站首页
电话咨询
微信号

QQ

在线咨询真诚为您提供专业解答服务

热线

188-0000-0000
专属服务热线

微信

二维码扫一扫微信交流
顶部