plc编程怎么输入k PLC的输入输出端怎么连接?

小编 85 0

PLC的输入输出端怎么连接?

导读

PLC常见的输入设备有按钮、行程开关、接近开关、转换开关、拨码器、各种传感器等,输出设备有继电器、接触器、电磁阀等。正确地连接输入和输出电路,是保证PLC安全可靠工作的前提。

1. PLC与主令电器类设备的连接

如图6-4所示是与按钮、行程开关、转换开关等主令电器类输入设备的接线示意图。图中的PLC为直流汇点式输入,即所有输入点共用一个公共端COM,同时COM端内带有DC24V电源。若是分组式输入,也可参照图6-4的方法进行分组连接

2. PLC与旋转编码器的连接

旋转编码器是一种光电式旋转测量装置,它将被测的角位移直接转换成数字信号(高速脉冲信号)。因些可将旋转编码器的输出脉冲信号直接输入给PLC,利用PLC的高速计数器对其脉冲信号进行计数,以获得测量结果。不同型号的旋转编码器,其输出脉冲的相数也不同,有的旋转编码器输出A、B、Z三相脉冲,有的只有A、B相两相,最简单的只有A相。

如图6-7所示是输出两相脉冲的旋转编码器与FX系列PLC的连接示意图。编码器有4条引线,其中2条是脉冲输出线,1条是COM端线,1条是电源线。编码器的电源可以是外接电源,也可直接使用PLC的DC24V电源。电源“-”端要与编码器的COM端连接,“+ ”与编码器的电源端连接。编码器的COM端与PLC输入COM端连接,A、B两相脉冲输出线直接与PLC的输入端连接,连接时要注意PLC输入的响应时间。有的旋转编码器还有一条屏蔽线,使用时要将屏蔽线接地。

3. PLC与传感器的连接

传感器的种类很多,其输出方式也各不相同。当采用接近开关、光电开关等两线式传感器时,由于传感器的漏电流较大,可能出现错误的输入信号而导致PLC的误动作,此时可在PLC输入端并联旁路电阻R,如图6-8所示。当漏电流不足lmA时可以不考虑其影响。

式中:I为传感器的漏电流(mA),UOFF为PLC输入电压低电平的上限值(V),RC为PLC的输入阻抗(KΩ),RC的值根据输入点不同有差异。

4. PLC与多位拨码开关的连接

如果PLC控制系统中的某些数据需要经常修改,可使用多位拨码开关与PLC连接,在PLC外部进行数据设定。如图6-5所示为一位拨码开关的示意图,一位拨码开关能输入一位十进制数的0~9,或一位十六进制数的0~F。

图6-5 一位拨码开关的示意图

如图6-6所示4位拨码开关组装在一起,把各位拨码开关的COM端连在一起,接在PLC输入侧的COM端子上。每位拨码开关的4条数据线按一定顺序接在PLC的4个输入点上。由图可见,使用拨码开关要占用许多PLC 输入点,所以不是十分必要的场合,一般不要采用这种方法。

5. PLC与输出设备开关的连接

PLC与输出设备连接时,不同组(不同公共端)的输出点,其对应输出设备(负载)的电压类型、等级可以不同,但同组(相同公共端)的输出点,其电压类型和等级应该相同。要根据输出设备电压的类型和等级来决定是否分组连接。如图6-9所示以FX2N为例说明PLC与输出设备的连接方法。图中接法是输出设备具有相同电源的情况,所以各组的公共端连在一起,否则要分组连接。图中只画出Y0-Y7输出点与输出设备的连接,其它输出点的连接方法相似。

6. PLC与感性负载的连接

PLC的输出端经常连接的是感性输出设备(感性负载),为了抑制感性电路断开时产生的电压使PLC内部输出元件造成损坏。因此当PLC与感性输出设备连接时,如果是直流感性负载,应在其两端并联续流二极管;如果是交流感性负载,应在其两端并联阻容吸收电路。如图6-10所示。

图6-10 PLC与感性输出设备的连接

图中,续流二极管可选用额定电流为1A、额定电压大于电源电压的3倍;电阻值可取50~120Ω,电容值可取0.1~0.47μF,电容的额定电压应大于电源的峰值电压。接线时要注意续流二极管的极性。

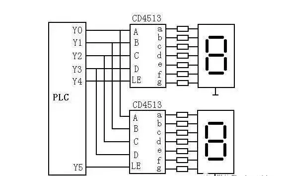
7. PLC与七段LED显示器的连接

PLC可直接用开关量输出与七段LED显示器的连接,但如果PLC控制的是多位LED七段显示器,所需的输出点是很多的。

如图6-11所示电路中,采用具有锁存、译码、驱动功能的芯片CD4513驱动共阴极LED七段显示器,两只CD4513的数据输入端A~D共用PLC的4个输出瑞,其中A为最低位,D为最高位。LE是锁存使能输入端,在LE信号的上升沿将数据输入端输入的BCD数锁存在片内的寄存器中,并将该数译码后显示出来。如果输入的不是十进制数,显示器熄灭。LE为高电平时,显示的数不受数据输入信号的影响。显然,N个显示器占用的输出点数为P=4+N。

如果PLC使用继电器输出模块,应在与CD4513相连的PLC各输出端接一下拉电阻,以避免在输出继电器的触点断开时CD4513的输入端悬空。PLC输出继电器的状态变化时,其触点可能抖动,因此应先送数据输出信号,待该信号稳定后,再用LE信号的上升沿将数据锁存进CD4513。

0基础不怕,PLC接线和控制图看一遍就会,马上入门!

有网友留言说看不懂plc梯形图,不知道如何将电气控制原理图转化为plc接线图,今天就系统的来看一下plc的原理和接线,再转化为plc接线图,我们需要借助一个最简单的单向过载保护的自锁控制电路。

来看一下电路元器件,FR热机电器,SB一启动按钮,KM, 交流接触器的常开点作为自锁点和启动按钮并联,交流接触器线圈,当SB启动按钮按下的时候,交流接触器KM线圈导电相应的KM常开点,闭合形成自锁回路,当SB弹开的时候,电路通过自锁回路依然倒通,电机持续运行,这个是他的电气控制原理图和他的动作原理。

图1:

来对它进行地址编码,将SB一启动按钮,地址编码为x0,对应的梯形图x 0与母线相连,长开点逻辑指令,热机电器这一对长臂点,地址编码为x1,x 1逻辑的b点,有一斜杠,开点没有斜杠,您的这一对搜索点和电器原理图是11对应的,x 1 f2用的是逻辑b点,ANI指令,同样的,SB二停止按钮,改编码为x2x2串联逻辑指令使用ANI,接着是输出继电器Y0。

下面是梯形图的N的指令,梯形图和电气控制原理图是对应的,下面我们来看一下简单的plc接线图,画了一个plc的简单的图,我们用到的x 0 x 1 x 2, ,x0x1x2下面是com公共线,左边输入,右边输出Y0和KM,作为输出。

图2:

下面是详细的plc接线图,外面的按钮SB启动按钮,FR热机电器,SB二停止按钮,这里值得注意的是,plc的接线图,在外面全部都是接的,常开点,注意看是常开点。SB启动按钮是常开点,plc,外部接线常开点,FR热机电器电器原理图上面用的是长b点,但是在plc接线图,外围的时候用的也是常开点,这一点非常重要,SB二停止按钮电器原理图,用的是常闭点,plc接线图用的是常开点,plc外部接线用的是常开点。

也就是说,接线图里面外部的输入信号一般都用常开点,24V控制的输入信号,这边的电器原理图上面的常闭点常开点和梯形图里面的逻辑开点,逻辑b点是一一对应的,在plc的程序里面已经写入了逻辑,b点和逻辑开一点,所以外部输入的时候我们都用常开点,这一点一定要分清,非常的重要,这个常开常闭,对应的是plc逻辑上的k点和逻辑上的b点,这个是外部的接线都用常开,这一点一定要区分清楚,右边是输出输出继电器Y0控制交流接触器,com1, 接入的是220V的电源,控制交流接触器的吸合,在实际的应用中热计电器,这一对点一般都不进行编程,而是直接作为皮老师的输出端和交流接触器km串联。

图3:

一般而言,将FR放置在KM,交流接触器这一个回路里面,为了便于演示过载保护时候的状态,这点也要非常注意,正常接线,FR大部分的情况,都和交流接触器的线圈作为输出端来使用这个视频,我们把热机电器也作为编程写入了plc程序,这点要分清,我们来进行一下基本的电路演示,x1热机电器保护x 2停止停止,看一下具体的电路效果,现在plc已经带电,power指示灯亮,运行指示灯亮,首先,启动x0,SB1 ,plc接线图SB一按下启动,交流接触器得电自锁,运行指示灯亮,现在x1地址编码,是作为f2热机电器保护的,来看一下,票据接线图上面FR,给plc一个信号作为过载保护来演示一下,x1过载保护的时候交流接触器失电,电机停止运行,我们启动SB二,电器原理图停止,地址编码x2,p lc接线图,用的也是常开点,外部的输入主要是给plc一个信号,就像停止按钮,交流接触器失电,电机停止,这个就是plc的工作原理。

来看一下plc的详细接线,首先三个按钮全部用的是常开点来看一下他们的背面,红色表示长臂,绿色表示常开,来看一下都用的是绿色的,常开点,常开点的一端,这条黑色的线接的是24V的负端,这三根线分别对应x0x1x2进行接线,x0,这两这两条线是plc输入端的公共24V正,这个24V可以使用外公的电源,也可以使用plc自带的24V输出,我这个用的是plc自带的24V输出,作为输入信号的电源。

图4:

再看一下plc输出端的接线。这根线从空气开关过来的火线,这根是24伏的零伏接了火线接了com,之后Y0出现,这跟Y0的出现220V出来,跳接线在交流接触器的一对常开点上面敞开一点,出现接了灯,运行指示灯,零线接了交流接触器零线接了灯,这个就是具体的电路接线,下面我们再来看一下实际的plc控制的电路效果,电源指示灯和运行指示灯亮,一定要处在运行状态,这个为热机电器的保护,停止按钮x2,这个就是完整的plc电气原理图梯形图,地址编码,逻辑语言和plc接线和使用。

相关问答

plc的k指令怎么用?

K指令是加工整圆时用的指令,通常配合G02,G03实用。格式为G02/G03XYI/J/K。一个是以Y轴为中心,另一个是以X轴为中心。H指令是刀具长度补偿的指令,当你对好Z...

PLC里面k是什么意思?

在PLC(可编程逻辑控制器)中,K通常指的是常数或系数。K的值用于控制逻辑运算、数学计算或调整控制器的行为。它可以是一个固定的数值,也可以是根据系统需求进...

plc数字上下怎么输入?

plc数字上下输入方法步骤如下:1.32位一般用计数器的设置范围:K-2,147,483,648~K2,147,483,647。(ES/EX/SS主机不支持)2.32位一般用加减算计数器切...

三菱plck指令怎么输入?

1.输入三菱plck指令的方法有多种。2.一种常见的方法是在编程软件中打开指令输入界面,选择需要使用的指令类型,然后按照指令格式输入相应的参数和数值。3.另...

三菱PLC编程正负数比较编程方法?

要在上位机可以直接输入负数,只要在变量类型类型上选择双极性整数就可以了。plc中也是可以直接输入负数的,例如三菱plc就可以输入k-10来输入十进制-10,要注意...

plcout怎么输入?

在使用信捷PLC编程软件时,最常用的就是OUT输出指令1.打开信捷PLC编程软件,在菜单栏中选择【显示】并点击打开。2在显示下拉菜单中选择【指令提示框】并打开...

PLC里面K表示什么数?

在PLC中,K通常表示一个常数或者比例系数。这个常数用来调整输入信号的值,使其符合实际需求。在控制系统中,K常常被用作控制器的增益系数,用来调整输出信号的...

PLC如何与常用输入输出电气元件连接?

PLC外表硬邦邦,看起来是个黑盒子,一般厂家只会给出输入输出端子接线图,根据端子接线图就可以了。而电路的本质还是要形成回路,每个输入端对应一个回路,同样...如...

PLC程序,里的【FROMK2H0AK4M0K1】是什么意思?

将第三块扩展模块中缓冲区BFM编号为H0A的内容读入K4M0中,H0A中的内容需要参考具体模块型号FROM,代表从模块中读取K2,代表第三块模块,K0第一块,最多K7,也就...

【求解三菱PLC程序:FROMK2K29K3M540K1中的K3M540得意思是M54...

[最佳回答]你说的没错