课程中心
HOME
课程中心
正文内容
plc编程的上面符号 西门子工程师!纯图文干货,你知道PLC编程中程序符号怎么用吗
发布时间 : 2026-01-02
作者 : 小编
访问数量 : 23
扫码分享至微信

西门子工程师!纯图文干货,你知道PLC编程中程序符号怎么用吗

此次主要是让刚入门PLC的各位学习并了解绝对地址和符号地址、局部符号和全局符号、符号优先和绝对地址优先之间的差别,能够独自编辑全局符号表,从容的掌握LAD/STU/FBD编辑器编辑全局符号。让你在学PLC的道路上有更全面的认知。

以上,欢迎动动手分享及收藏!

PLC编程很难么?但如果有人把每一个符号的意义都讲清楚了呢?

又是一个阳光明媚的天气,新的一天又是这么可爱,大家好,我是“电气知识”小编,今天为大家带来不一样的精彩内容,希望各位看官给小编动手评论点赞喔!您的每一次评论点赞都会带来好运气喔~

PLC编程很难么?但如果有人把每一个符号的意义都讲清楚了呢?

要求按以下要求编写程序:

一台电动机要求在按下起动按钮后,电动机运行5秒,停3秒,重复3次后, 电动机自动停止。

同时设置有手动停机按钮和过载保护。

要求过载后,电机自动停止,复位后,再次按下启动按钮后,电机继续未完成的过程。

这里有以下几个要点:

1.电动机运行5秒,停3秒,重复3次后停止。

2.过载复位后,启动时是继续过程,而不是重新开始。

首先确定输入输出表:

下面是具体程序:

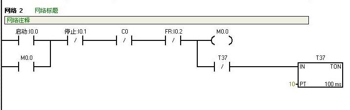
这里是利用计数器C0在复位之前所计数值不会清零的特点,当I0.0(启动按钮)启动后,正常情况下M0.0得电,T37每隔1秒发出一个高电平,随后又被自己复位重新计时。而计数器C0得到T37的高电平后向上计数一个。只有当I0.1(停止按钮)启动及C0计数到24后,C0才被复位。C0复位时,将M0.0也复位。

网络3就是根据C0的计数值进行输出,因为T37为1秒动作一次,所以C0的计数也是一秒,那么电机运行5秒后,停3秒,重复3次。就是24秒,电机在0-5秒,8-13秒,16-21秒运行。所以当C0大于等于0及小于5、大于等于8及小于13、大于等于16及小于21时Q0.0得电动作。

当I0.2(FR)置位时,切断M0.0电路,使输出停止。但是C0不复位,所以当再次启动时,C0接着刚才的计数值继续计数。

好了这就是小编这个电机的题目,这一次小编不但给小伙伴们准备了图文说明,在视频里小编打算录制2期。第一期主要讲接线及演示,第二期主要讲程序。希望大家能够喜欢。

看完小编的这篇文章,你们有什么想说的呢?欢迎评论区下方评论留言喔,您的每一次评论点赞就是对小编的肯定与鼓励,明天小编将会继续为大家带来更多好的内容,希望大家不要错过喔,小编给你们比心了喔!

相关问答

plc里头有几种符号-ZOL问答

2、复合数据:复合数据是指字长大于2个字(32位)的数据,数据可以通过基本数据组合而成。3、参数在SIEMENS公司的S7系列PLC中,在逻辑块之间进行相互传递的数据称为...

plc符号表示的含义?

1、PLC是指可编程逻辑控制器。2、可编程逻辑控制器是种专门为在工业环境下应用而设计的数字运算操作电子系统。它采用一种可编程的存储器,在其内部存储执行逻...

plc符号表怎么填?

符号表格写入的时候要先打开表格,一行一行的进行填入才可以。定义符号时应遵守以下语法规则:符号名可包含字母数字字符、下划线以及从ASCII128到ASCII...

西门子plc符号怎么显示在程序段?

在西门子PLC编程中,PLC符号通常显示在程序段的左侧或右侧。符号通常用来表示输入、输出、中间变量、定时器、计数器等。每个符号都有其特定的命名规则和数据类...

plc中的号符表示什么?

1.I/O符号I/O符号是指输入和输出符号。在PLC编程中,输入符号通常用于表示传感器、开关、按钮等设备,输出符号则用于表示执行器、继电器、电磁阀等设备。I/O...

plc状态表里面的符号是什么意思?

1.I/O符号I/O符号是指输入和输出符号。在PLC编程中,输入符号通常用于表示传感器、开关、按钮等设备,输出符号则用于表示执行器、继电器、电磁阀等设备。I/O...

plc逻辑符号及其含义?

PLC输入控制输出的一种逻辑关系,PLC,ProgrammableLogicController,可编程逻辑控制器,专为工业生产设计的一种数字运算操作的电子装置,它采用一类可编程的存...

plc接线端子符号说明?

PLC接线端子符号有三种:I/O连接符号、电源连接符号和接地连接符号。其中,I/O连接符号用于表示输入/输出模块和其他设备之间的连接;电源连接符号用于表示电源连...

西门子PLC编程时怎么输入上升沿指令符号?

在西门子PLC编程中,输入上升沿指令符号需要使用特殊字符“↑”。以下是具体步骤:1.打开西门子PLC编程软件,创建一个新的程序。2.在程序中选择要添加上升沿...

plc如何改符号?

在PLC(可编程逻辑控制器)中,改变符号通常是指更改变量或标记的名称。要改变符号,你需要进入PLC编程软件,并按照以下步骤进行操作:打开PLC编程软件,例如Si...

 sd3000  南就水村 
王经理: 180-0000-0000(微信同号)
10086@qq.com
北京海淀区西三旗街道国际大厦08A座
©2026  上海羊羽卓进出口贸易有限公司  版权所有.All Rights Reserved.  |  程序由Z-BlogPHP强力驱动
网站首页
电话咨询
微信号

QQ

在线咨询真诚为您提供专业解答服务

热线

188-0000-0000
专属服务热线

微信

二维码扫一扫微信交流
顶部