线下实训
HOME
线下实训
正文内容
plc典型的编程思路 PLC编程时常用的5个编程技术方法
发布时间 : 2026-02-19
作者 : 小编
访问数量 : 23
扫码分享至微信

PLC编程时常用的5个编程技术方法

PLC 的编程方法大体上有 5 种:经验法、解析法、图解法、技巧法及计算机辅助设计法。

(1)经验法 :

运用已掌握的成功设计经验,结合实际的情况,选择与实际情况类似的一个或若干个成功的程序,或具有一些典型功能的标准程序作为“样机”,对“样机”逐一修改,直至满足新的任务要求。在工作过程中,应多收集与积累这些“样机”,从而不断丰富自己的经验。

(2)解析法 :

PLC用于逻辑控制的编程方法可根据组合逻辑或时序逻辑的理论,并运用相应的解析方法,对其进行逻辑关系的求解。然后,再根据求解的结果,或画成梯形图,或直接编写指令表。解析法比较严密,可以运用一定的标准,使程序优化与算法化,并可避免编程的盲目性,是一种比较有效的方法。

(3)图解法:

图解法是靠画图进行PLC程序设计。

常见的主要有3种方法:梯形图法、波形图法及流程图法

梯形图法 是最基本的方法。无论是经验法,还是解析法,若用梯形图编写PLC程序,就要用到梯形图法。

波形图法 很适合于时序控制电路。它先把对应信号的波形画出,再根据时间用逻辑关系去组合,就可以很容易地把电路设计出来。

流程图法 是用框图来表示PLC程序的执行过程及输入条件与输出间的关系。在步进控制中,用它进行设计是很方便的。

(4)技巧法

技巧法是在经验法及解析法的基础上,运用技巧进行编程,以提高进行编程的质量。巧妙地使用PLC所提供的多种功能指令进行编程,是对已有经验的“升华”,做到熟能生巧,实现创造性的编程。

(5)计算机辅助设计

PLC可通过上位连接单元与微型计算机连接,并运用微型机进行联机辅助编程。计算机辅助编程,应有相应的软件做支持。现有的编程软件可把梯形图翻译成指令表。编程时,可先在计算机屏幕上设计梯形图,然后再将该梯形图转换成对应的指令表。这种编程软件有现成的,例如,日本三菱公司的MEDOC和GPP等

总结以上5种编程方法是不能截然分开的。如经验法、解析法、技巧法都要用到图解法,而技巧法又是经验法的升华。

PLC编程很难吗?其实用对方法,就很容易!附5大PLC编程技术方法

根据下图的三相交流电动机正反转控制的主电路,设计一个PLC控制电动机正停反的控制系统。控制要求如下:

(1)正常情况下,按启动按钮SB1,电机正转,按下反转启动按钮SB2,电机反转。

(2)电机启动后,按下停止按钮SB3并等待5秒钟之后,才可以改变电动机的旋转方向;

(3)如果SB1和SB2同时按下,电动机停止转动,并且不起动,同时报警灯L1亮1秒暗1秒不断闪烁。此时按SB3停止按钮进行复位。

首先我们先确定一下按钮、KM的使用辅助触点情况,这里是正反转的主回路,主回路必须有互锁电路,其他的按钮用常开触点。

下面是PLC的输入输出点表:

根据题意(1) 编程:这里根据题意1,只需2个自保持电路即可。

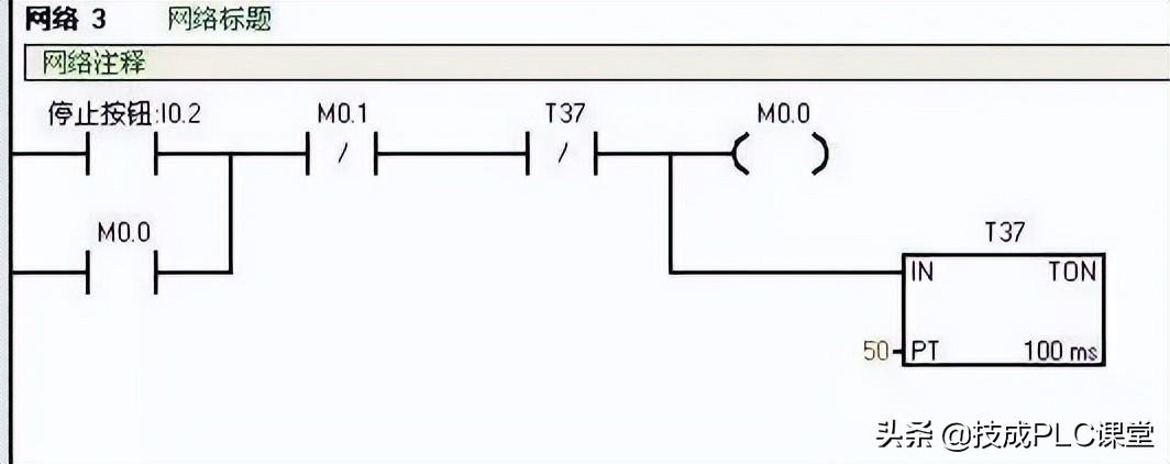
题意(2) 要求按停止按钮5秒后才能改变电机方向,所以这里需设置一个标志位,这里用M0.0。

并且加上程序互锁电路,具体如下:

首先在2个自保持回路中加入互锁电路——网络1的Q0.1常闭点和网络2的Q0.0常闭点。题意2说按下停止按钮后5秒,才能按启动按钮,所以网络3按下I0.2停止按钮后,M0.0得电自保持,计时器T37计时5s后,将M0.0的自保持回路停掉。并且在网络1和网络2中加M0.0的常闭点,使M0.0得电时网络1和网络2即使按了正转按钮或者反转按钮也不会使Q0.0或Q0.1得电。

题意(3) 要求SB1和SB2同时按下,电动机停止转动,并且不起动,同时报警灯L1亮1秒暗1秒不断闪烁。编程如下:

这次增加了网络4/5/6,网络5和6就是利用2个计时器产生一个一秒脉冲的小程序,SM0.0为特殊位,其功能为一直得电。网络4就是利用M0.1将网络1/2/3锁死,也就是说M0.1得电网络1.2.3是不起作用的。其原理与上一小结的M0.0一样。

以上就是这个实例的全部编程。

正所谓万丈高楼平地起,如果你叫小编一口气编出来,小编也是很为难的。但是,将题意一点点拆分,一点点地把所需的功能写入,最后一定可以合你心意。最后你看看编完的程序与最初的程序差了多少?

接下来,小编给大家介绍5种PLC编程方法:经验法、解析法、图解法、技巧法及计算机辅助设计法。

(1)经验法 :

运用已掌握的成功设计经验,结合实际的情况,选择与实际情况类似的一个或若干个成功的程序,或具有一些典型功能的标准程序作为“样机”,对“样机”逐一修改,直至满足新的任务要求。在工作过程中,应多收集与积累这些“样机”,从而不断丰富自己的经验。

(2)解析法 :

PLC用于逻辑控制的编程方法可根据组合逻辑或时序逻辑的理论,并运用相应的解析方法,对其进行逻辑关系的求解。然后,再根据求解的结果,或画成梯形图,或直接编写指令表。解析法比较严密,可以运用一定的标准,使程序优化与算法化,并可避免编程的盲目性,是一种比较有效的方法。

(3)图解法:

图解法是靠画图进行PLC程序设计。

常见的主要有3种方法:梯形图法、波形图法以及流程图法。

梯形图法是最基本的方法。无论是经验法,还是解析法,若用梯形图编写PLC程序,就要用到梯形图法。

波形图法很适合于时序控制电路。它先把对应信号的波形画出,再根据时间用逻辑关系去组合,就可以很容易地把电路设计出来。

流程图法是用框图来表示PLC程序的执行过程及输入条件与输出间的关系。在步进控制中,用它进行设计是很方便的。

(4)技巧法

技巧法是在经验法及解析法的基础上,运用技巧进行编程,以提高进行编程的质量。巧妙地使用PLC所提供的多种功能指令进行编程,是对已有经验的“升华”,做到熟能生巧,实现创造性的编程。

(5)计算机辅助设计

PLC可通过上位连接单元与微型计算机连接,并运用微型机进行联机辅助编程。计算机辅助编程,应有相应的软件做支持。现有的编程软件可把梯形图翻译成指令表。编程时,可先在计算机屏幕上设计梯形图,然后再将该梯形图转换成对应的指令表。这种编程软件有现成的,例如,日本三菱公司的MEDOC和GPP等

总结以上5种编程方法是不能截然分开的。如经验法、解析法、技巧法都要用到图解法,而技巧法又是经验法的升华。

转发是最大的鼓励!谢谢您的支持!

小贴士

PLC专属资料: 含有从入门到高级所有PLC学习资料(三菱/西门子/欧姆龙) ,电气经典18本大全书,历年电气考试真题、电气必备实训仿真软件、电气自动化行业各类型技术手册!

相关问答

plc编程高级思路?

再开始编程会简单点。...4、合理分配主程序、子程序和定时中断程序等;5、合理分配数据块,定时器,计数器,存储器变量等,注意变量位置不能重叠。七、软件内部...

plc程序编写步骤及技巧?

方法/步骤1/4第一步:打开GXWorks2软件,新建程序,选择你的PLC型号,然后请选择程序语言为SFC,点击确定,跳出块信息设置。标题不填写,块类型选择梯形图块...

plc编程没有思路怎么办?

思路嘛其实也并不难,你输入的是一个设定值和一个斜坡时间两个变量,另有一个变量是当前输出值,一个变量是当前计时时间,一共四个变量,对象模型就是在本次扫描...

plc的编程方式有几种?

PLC的编程方式有梯形图语言(LD)、指令表语言(IL)、功能模块语言(FBD)、顺序功能流程图语言(SFC)、连续功能图(CFC)、结构化文本语言(ST)。但现目前在工业运用...

如何学习PLC?

如何学习PLC我来分享一下之前自己学习PLC的经历。读书的时候没有接触过PLC实物,看看书了解了一下梯形图。但具体怎么样,系统架构和工作原理怎样都不懂。后来参...

plc编程知识点?

1、低压电器是指工作电压在直流1500V或交流1200V以下的各种电器。2、触器按其主触头通过电流的种类,可分为直流接触器和交流接触器。3、继电接触器控...

1200plc的编程方法有哪几个?

这个问题,不好回答。我只能说一下思路。控制都容易,温度传感器变送出4---20mA信号,给PLC模拟量模块,然后模拟量输出模块输出4---20mA信号给你要控制的设备...

怎样提高PLC编程能力?

怎样提高PLC编程能力?所谓“天下文章一大抄”,想要提高PLC的编程能力,除了基础知识掌握以外,最有有效直接的方法,就是多去看看别人的程序,或者别的公司的...怎...

什么是plc编程?

PLC编程是一种数字运算操作的电子系统,专为在工业环境下应用而设计。它采用可编程序的存储器,用来在其内部存储执行逻辑运算、顺序控制、定时、计数和算术运算...

如何学习plc编程?

学习可编程控制器(PLC)编程我提出以下几点建议供大家参考,到目前为止我学过三款PLC及其编程软件,每一种PLC都大同小异。学习PLC我认为需要学习一些关于PLC的...

 大威德金刚坛城  封闭抗体检查 
王经理: 180-0000-0000(微信同号)
10086@qq.com
北京海淀区西三旗街道国际大厦08A座
©2026  上海羊羽卓进出口贸易有限公司  版权所有.All Rights Reserved.  |  程序由Z-BlogPHP强力驱动
网站首页
电话咨询
微信号

QQ

在线咨询真诚为您提供专业解答服务

热线

188-0000-0000
专属服务热线

微信

二维码扫一扫微信交流
顶部