线下实训
HOME
线下实训
正文内容
单按钮控制plc编程 学PLC编程的第1个关卡:单按钮启停程序
发布时间 : 2026-01-02
作者 : 小编
访问数量 : 23
扫码分享至微信

学PLC编程的第1个关卡:单按钮启停程序

原标题:单按钮启停程序,加深对程序扫描的理解,学习编程的第一个关卡

——技成陈育鑫

今天给大家介绍一些单按钮启停的控制程序(也叫一键启停程序),就是使用一个点动按钮,按一下启动一个灯泡点亮,再按一次,熄灭灯泡,再按一次,点亮再按一次,熄灭... ...

看是很简单的一个程序,仔细想想可能很多人还做不出来,这个题目也是我当年刚毕业时面试的时候,考官出的一个题目。

其实这个程序的写法有很多种,通过分析这些写法,可以加深我们对PLC的工作扫描方式的理解。

PLC的工作过程分为3步:

1、输入检测 ,检测各种按钮开关的状态

2、程序扫描 ,穿透到位扫描一遍程序,执行对应的运算

3、输出刷新 ,把程序的运行结果输出控制对应的负载,比如指示灯

下面我们来看看各种写法吧

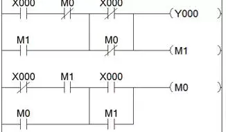
写法1

通过一条交替输出指令,可以达到效果,这是最简单的控制方式,不需要分析也能看的懂。

写法2:使用计数器

按下第一次按钮后

第一个扫描周期,x0的上升沿会导通(上升沿只导通1个扫描周期),导通Y0的线圈,注意,这个周期的Y0常开触点并不会闭合,因为程序是从上往下,从左往右循环的,然后继续往下,C0的常开触点不闭合,继续下一行扫描,X0的上升沿会导通C0计数器,记1。

第二个扫描周期,由于上一个周期Y0的线圈导通了,所以Y0的常开触点会导通,这时形成自锁由于上升沿只能导通一个扫描周期,所以这一个周期里面的X0全部都不会导通,计数器保存的数据还是1,下一个周期执行的结果和第二个周期时一样的,这时Y0常亮

按下第二次按钮

第一个扫描周期,第一行,X0继续导通Y0的线圈,Y0继续自锁;第3行,计数器的常开触点依然断开;第4行,X0的上升沿又导通了一次,致使C0计数器有记了一个数,计数为2。最终输出结果Y0还是点亮的。

第二个扫描周期,,第一行程序,由于上个周期C0计数器记了2,使得我们的C0常闭触点断开,Y0的自锁解除,熄灭;第3行,C0的常开触点会闭合,把C0的计数器复位,由于上升沿只能导通一个扫描周期,这个周期里面的X0点全部时断开的,这是,结果是Y0断开,C0计数器复位,程序回复导初始状态。

以下还有好多的写法,同样能够实现这个功能,由于解说太长,我们就在后面再给大家解说

写法3

写法4

写法5

写法6

写法7

写法8

写法9

其实还有好多写法,真正写出来应该有30多种,后面老师会给大家一一介绍,你们想听哪一种写法的也可以后台私信留言喔!

PLC编程-单按钮启停控制

单按钮实现设备的启停控制是自动化项目开发过程中经常遇到的问题。熟练处理此类控制处理是自动化工程师设计能力的基本功要求。对PLC实现单按钮启停控制的方法,总结如下:

1、使用继电器方法实现

2、使用置位复位方法实现

3、使用反转功能指令

4、使用加法功能指令实现

5、使用继电器方法实现

6、使用置位复位方法实现

7、使用计数器指令实现

8、使用定时器指令实现

9、使用继电器方法实现

10、使用置位复位方法实现

单按钮启停控制的方式多种多样,除以上列举以外,还有很多方法。欢迎大家补充分享!

相关问答

plc单按钮启停的十种方法?

plc单按钮启停十种方法1.设计PLC控制方案在设计PLC控制方案时,我们应考虑如何减少所需PLC的输入点数问题。为了减少所需PLC的输入点数,区别不同情况,其实实...

fx系列plc中,遇到单按钮起动开关,可以选用哪个指令?

ATL/ALTP交替输出指令,LDPX1(P是上沿触发,防止按钮抖动误输出)ALTY1这样按一下为开,再按一下为关。又或者LDX1ALTPY1ATL/ALTP交替输出指令,LD...

plc如何使按钮只发出一个信号?

PLC如何使按钮只发出一个信号,取决于按钮与PLC的连接方式,具体说明如下:如果按钮连接到PLC的输入端口,按一次按钮,信号只会传递一次,再次按下,信号不会重...

三菱plc单键控制方法?

答:三菱plc单键控制方法有两种第一,可以用带自锁功能的按钮开关。这个控制最简单,而且不需要PlC。第二,可以用复位按钮开关(不具备自锁),这个需要接PLC...

三菱plc一个按钮控制多个输出实现多种功能用哪个指令,怎么编辑程序?

用单按钮启停方法(很多方法,可上网查)控制Y1,取反后给Y2。可编程逻辑控制器,它采用一类可编程的存储器,用于其内部存储程序,执行逻辑运算、顺序控制、定时、计...

三菱plc的一键启动指令?

一键启停也称为单按钮启停,可以用应用指令pls实现,也可以用交替指令ALT实现,方法多种。三菱Q系列PLC重启方法?三菱PLC在规定日期定时停机,这个程序非常好编...

按钮怎么于plc连接?

1)继电器控制的电机的启保停电路看懂。2)把启动按钮和停止按钮连接到plc上,用T形图实现。3)启动和停止按钮分别用常开和常闭的四种组合方式实现上述功能。...

PLC如何单键控制启停-何以沉默的回答-懂得

用一个SR触发指令实现,其I0.0为启动按钮,Q0.0为控制输出端。Q0.0=1为启动运行。Q0.0=0为停止运行。扩展资料:PLC如何单键控制启停方式一、用SR触发...

这个Plc梯形图,实现单按钮控制电动机启停,(即第一次按下电动机转,第二次按下电动机停),看不懂?

网络1243的顺序看1,第一次按I0.0,M0.0得电,2,M0.0得电,M0.1置位保持,4,M0.1置位,Q0.0电机输出保持,Q0.1常开点闭合,Q0.1常闭点断开3,第二次按I0.0,M...

plc控制器拨动一个小开关会怎样?

PLC控制器拨动一个小开关会改变输入端口的电平状态,这个电平信号会被传输到PLC控制器中进行处理。根据程序的逻辑,PLC控制器可能会触发一系列操作,如控制其他...

 超级大首映  渔政311 
王经理: 180-0000-0000(微信同号)
10086@qq.com
北京海淀区西三旗街道国际大厦08A座
©2026  上海羊羽卓进出口贸易有限公司  版权所有.All Rights Reserved.  |  程序由Z-BlogPHP强力驱动
网站首页
电话咨询
微信号

QQ

在线咨询真诚为您提供专业解答服务

热线

188-0000-0000
专属服务热线

微信

二维码扫一扫微信交流
顶部