深圳plc编程是什么 PLC编程语言及工作原理

小编 90 0

PLC编程语言及工作原理

一、PLC的软件系统1.系统软件:系统管理程序、用户指令解释程序、标准程序模块和系统通用2.用户程序二、PLC编程语言1.梯形图编程语言梯形图编程语言是一种图形语言

来源网络

2.语句表编程语言

来源网络

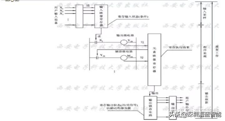
三、可编程控制器的工作原理1.PLC控制系统的等效工作电路可分为三部分。输入部分采集输入信号,输出部分就是系统的执行部件,这两部分与继电器控制电路相同,内部控制电路通过编程方法实现控制逻辑,用软件编程代替继电器电路的功能。四、PLC的工作过程PLC工作过程就是程序执行过程,PLC投入运行后,便进入程序执行过程,分为3个阶段进行,输入采样阶段、程序执行阶段以及输出刷机阶段。

来源网络

以上就是PLC编程语言及工作原理,更多自动化文章分享请关注海蓝智能科技,私信“进群”,加入三菱PLC技术交流群,我们有专业的技术人员帮你解答。

三菱PLC编程软件如何使用注释、声明、注解

对PLC程序添加注释、声明、注解是PLC编程者自身的一个标记,对本身来说,特别是在大型的程序中,能及时的找到问题进行维护和修改,或者拓展。对程序阅读者或者交接给另外一个人时,这是一种解释,能让除你之外的人能更快更透彻的了解程序和开发者的思路。对企业也能确保在人员交接时能更快更稳定的过渡。那么今天来讲讲三菱编程软件GX Works2的快捷键:

注释、声明、说明的具体定义:注释:描述软元件的意义;声明:描述梯形图功能的文字描述;注解:描述应用指令的文字描述。

三菱PLC编程软件如何使用注释、声明、注解

三菱plc编程软件GX Works2里有“注释”、“声明”、“注解”的快捷键

三菱PLC编程软件如何使用注释、声明、注解

注释的操作步骤: 1、在三菱plc编程软件中选中注释快捷键,点击2、在需要注释的软元件中双击鼠标3、软元件/标签注释后点击确认完成

三菱PLC编程软件如何使用注释、声明、注解

声明的操作步骤: 1、在三菱plc编程软件中选中声明快捷键,点击2、在需要添加行间注释的程序位置,双击鼠标3、编辑声明后点击确认完成

三菱PLC编程软件如何使用注释、声明、注解

注解的操作步骤: 1、在三菱plc编程软件中选中注解快捷键,点击2、在需要添加注解的地方双击鼠标3、编辑注解后点击确认完成

三菱PLC编程软件如何使用注释、声明、注解

当前,为了和大家交流三菱PLC技术等相关问题,我们海蓝机电三菱PLC技术交流社群 已经超过800人,并且创建了第2个群,2群目前可以再纳新100人,欢迎技术小哥们继续加入以及正在学习PLC小哥申请加入。

如何进入海蓝技术交流群?关注海蓝头条号,私信“进群”即可。

相关问答

PLC是什么?

深圳市星科研自动化培训属下的培训部开设课程广,课程体系完善,教学设备齐全。本星科研自动化培训以诚信为本,理论加实操,让您在尽可能短的时间内学...

老师们有谁能回复一下吗!深圳产品出色的plc编程哪家公司经验...

[回答]现在主流的plc有三菱、西门子、欧姆龙,西门子用的是最多的,但以上三种都不是国产的,国产的就是台达和信捷用的比较多,但都是三菱的,属于小型plc你要...

PLC培训哪里好?

科技引领生活,爱科技的小青年带你在科技的海洋里无限遨游……PLC培训哪里好,这个问题可能是所有初学者都会问的,是想着通过一个好的培训更早的掌握PLC的知识...

技成网教学靠谱吗?

靠谱。技成有100多门专业课,3000多个课时,技成的课,特别适合PLC编程入门。线下实操教学主要是由技成实训联盟举办的,旗下有19个遍布全国的实训点。分别是:武...

各位资深人士求答案!深圳西门子PLC编程培训位置,西门子PLC...

[回答]CPU224XPCN是型号,6ES7214-2AD23-0XB8是订货号,它是西门子SIMATICS7-200CN系列可编程控制器(PLC)产品家族中的一个,数字量输入为24VDCx14,数字量输.....

麻烦回答一下!深圳入门级PLC自动化编程培训,PLC自动化编程...

[回答]火炬开发区有家叫名师高徒的学校,应该是专门培训这些的,我厂里两个编程师傅都是那里学出来的,等我把操机做熟了,我也去学。坦洲这边没听说过,可以去...

西门子s7-300/400系列的plc有哪些编程

1PLC编程中西门子过流继电器用什么表示说明如下1.在PLC中有一个概念叫存储区,在存储区域中划分为I输入、Q输出、M内部内存位、SM特殊内存位、V变量内存等等...

深圳plc培训公司哪家好?

[回答]深控PLC培训中心【隶属于深圳市深控电气工程有限公司】由深圳市宝安区工商局认证的自动化PLC编程培训教育中心!(专业培训PLC)培训中心跟西门子、三...

如何远程将自己的电脑连接到plc设备电脑上?

远程PLC通讯需要以下条件1,一般使用VPN----虚拟专用网络(VirtualPrivateNetwork),搭建这个平台的方式有很多,可以参考以下带VPN功能的路由器或搭建服务器...

PLC培训哪里好?

深圳启程智能技术有限公司(简称启程自动化培训)成立于2012年,由工控老鬼创立的一家专业从事工业机器人,PLC编程,机器视觉、高级系统开发、电气设计、工程项...