线下实训
HOME
线下实训
正文内容
自制plc编程器 怎么用PLC制作抢答器?
发布时间 : 2026-01-10
作者 : 小编
访问数量 : 23
扫码分享至微信

怎么用PLC制作抢答器?

1.1 交替输出回路 (输出具停电保持)

【控制要求】

第 1 次按下按钮,灯被点亮,第 2 次按下按钮,灯熄灭,第 3 次按下按钮,灯被点亮,第 4 次按下按钮,灯熄灭;如此,按钮在 1、3、5 次被按下时,灯被点亮并保持;而 2、4、6 次被按下时,灯熄灭。重新上电后,指示灯仍保持断电前的状态。

【元件说明】

【控制程序】

【程序说明】

第 1 次(单次)按下按钮:

按下按钮后,X1=On,[PLS M10]指令执行,M10 导通一个扫描周期。M10=On,且 Y1=Off

(Y1 常闭接点导通),所以第 2 行程序的 SET 和 RST 指令执行,M512 被置位,M513 被复位,而第 3 行程序中,Y1 常开接点断开,所以 SET 和 RST 指令不执行。最后一行程序中, 因 M512=On,M513=Off,所以 Y1 线圈导通,灯被点亮,直到再次按下按钮。从第 2 个扫描周期开始,因 M10=Off,所以第 2 行和第 3 行的 SET 和 RST 指令都不执行,M512 和 M513 的状态不变,灯保持点亮的状态,直到再次按下按钮。

第 2 次(双次)按下按钮:

按下按钮后,X1=On,M10 导通一个扫描周期。因 Y1 的状态为 On,与第 1 次按下按钮相反, 第 3 行的 SET 和 RST 将被执行,M513 被置位,M512 被复位,而第 2 行的 SET 和 RST 指令因 Y1 常开接点断开而不被执行。因 M512=Off,M513=On,所以 Y1 线圈断开,灯熄灭。从第 2 个扫描周期开始,因 M10=Off,所以第 2 行和第 3 行的 SET 和 RST 指令都不执行, M512 和 M513 的状态不变,灯保持熄灭的状态,直到再次按下按钮。利用 API 66 ALT 指令也可实现 On/Off 交替输出功能。

1.2 条件控制回路

【控制要求】

车床主轴转动时要求先给齿轮箱供润滑油,即保证油泵电机启动后才允许启动主拖动电机。

【元件说明】

【控制程序】

【程序说明】

本程序是一个条件控制回路的典型应用,按下供油泵启动按钮时,Y0=On,供油泵启动,开始给主拖动电机(Y1)的齿轮箱供润滑油。在供油泵启动的前提下,按下主拖动电机启动按钮时,Y1=On,主拖动电机启动。主拖动电机(Y1)运行过程中,供油泵(Y0)要持续地给主拖动电机(Y1)提供润滑油。按钮供油泵停止按钮和主拖动电机停止按钮分别停止供油泵和主拖动电机运行。

1.3 先入信号优先回路

【控制要求】

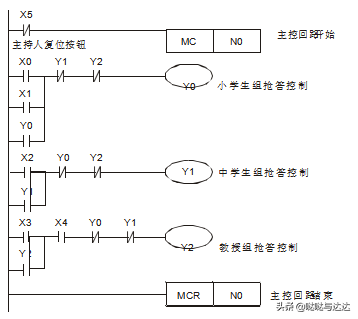
有小学生、中学生、教授 3 组选手参加智力竞赛。要获得回答主持人问题的机会,必须抢先按下桌上的抢答按钮。任何一组抢答成功后,其它组再按按钮无效。小学生组和教授组桌上都有两个抢答按钮,中学生组桌上只有一个抢答按钮。为给小学生组一些优待,其桌上的 X0 和 X1 任何一个抢答按钮按下,Y0 灯都亮;而为了限制教授组,其桌上的 X3 和 X4 抢答按钮必须同时按下时,Y2 灯才亮;中学生组按下 X2 按钮,Y1 灯亮。主持人按下 X5 复位按钮时,Y0,Y1,Y2 灯都熄灭。

【元件说明】

【控制程序】

【程序说明】

主持人未按下按钮时,X5=Off,[MC N0]指令执行,MC~MCR 之间程序正常执行。小学生组两个按钮为并联连接,教授组两个按钮为串联连接,而中学生组只有一个按钮,任何一组抢答成功后都是通过自锁回路形成自保,即松开按钮后指示灯也不会熄灭。其中一组抢答成功后,通过互锁回路,其它组再按按钮无效。支持人按下复位按钮后,X5=On,[MC N0]指令不被执行,MC~MCR 之间程序不被执行。Y0、Y1、Y全部失电,所有组的指示灯熄灭。主持人松开按钮后,X5=Off,MC~MCR 之间程序又正常执行,进入新一轮的抢答。

1.4 后入信号优先回路

【控制要求】

4 个按钮对应到 4 个指示灯,按下一个按钮后,对应的指示灯亮,同时之前点亮的指示灯熄灭。

【元件说明】

【控制程序】

【程序说明】

按下任何按钮后,对应的 X 装置由 Off→On 变化一次,在这个扫描周期里,PLS 指令执行, 对应的一个 M 辅助继电器接通一个扫描周期,则 K1M0>0,CMP 指令执行后的结果使得M11=Off,M11 的常闭接点导通,[MOV K1M0 K1Y0]指令执行,M 装置的状态将被传送到外部相应的一个输出点上,同时原来点亮状态的指示灯将熄灭。从第二次扫描周期开始,PLS 指令将不执行,M0~M3 值为 0,CMP 指令执行的结果将使M11=On,M11 的常闭接点关断,[MOV K1M0 K1Y0]指令不被执行,M 装置为 0 的状态也不会被传送到外部输出点,所以 Y 装置仍保持原来状态,直到再次按下按钮。

1.5 地下停车场出入口进出管制

【控制要求】

地下停车场的进出入车道为单车道,需设置红绿交通灯来管理车辆的进出。红灯表示禁止车辆进出,而绿灯表示允许车辆进出。当有车从一楼出入口处进入地下室,一楼和地下室出入口处的红灯都亮,绿灯熄灭,此时禁止车辆从地下室和一楼出入口处进出,直到该车完全通过地下室出入口处(车身全部通过单行车道),绿灯才变亮,允许车辆的从一楼或地下室出入口处进出。同样,当车从地下室处出入口离开进入一楼时,也是必须等到该车完全通过单行车道出,才运行车辆从一楼或地下室出入口处进出。 PLC 一开机运行时,一楼和地下室出入口处交通灯初始状态:绿灯亮,红灯灭。

【元件说明】

【控制程序】

【程序说明】

一楼和地下室的红灯共享信号 Y1,绿灯共享信号 Y2。程序的关键是当 M1 导通驱动 Y1 时,必须先判断是从一楼出入口处进入单车道还是离开单车道,因为两个方向车辆通过一楼出入口处时,[PLS M1]指令都执行,M1 都导通一个扫描周期, 所以需用一个确认信号 M20 来确认车辆是从一楼进入单行车道的状态。 同样,当 M2 导通时,必须先判断是从地下室出入口处离开单车道还是处进入单车道,因为两个方向车辆通过地下室出入口处时,[PLS M2]指令都执行,M2 都导通一个扫描周期,所有需用个确认信号 M30 来确认车辆是从地下室进入单行车道的状态。

自制编程器,白手玩单片

暂停展示收藏,展示一些维修实例。当年找了个女朋友,为了高薪,苦学单片机,可惜女朋友等不到我学会的那天了。这是自制的编程器,第二版,图一是原始资料,图六是自制过程。自制编程器,大大提高了我检修自动化设备的能力。到后来看PLC梯形图,感觉太容易了。

相关问答

如何做自动抓手器?

制作自动抓手器需要一定的机械和电子知识,以下是一些大致步骤,供您参考:设计抓手器结构:根据需求,设计抓手器的整体结构,包括手指开合的设计、传动机构的...

信捷PLC编程电缆怎样制作?

要对照它的硬件手册提供的图来接线,一般是232口,你到电脑城购买这些接头要对照它的硬件手册提供的图来接线,一般是232口,你到电脑城购买这些接头

eplanp8怎么创建plc宏?

简单说就是:1,使用plc盒子及其连接点等符号绘制。2,选中需要创建为宏的部分,编辑,创建窗口宏。即可创建窗口宏至所选目录。3,使用的时候,插入,窗口宏,...简...

如何自己搭建机械手?

这个分硬件软件,简单的机械手搭建可以通过PLC带动伺服电机实现,说白了一个伺服电机就是一个轴,通过轴与轴之间的配合达到所需要的动作。硬件部分自己应该是做...

plc制作生产看板?

[回答]你那老师真是聪明,自己都做不出来,还挖苦让学生做,1首先plc芯片编程,(plc的cpu)2然后设计(零件的设计与布置,兄弟多者上百个,小的有牙签左右,)3连接...

西门子PLC自制编程电缆通讯不上。高手来?

如果通信走得是USB转串口,协议还是串口类(如:ASTM系列)的话,还是可以使用的,如果通信协议也是USB的,那就用不到MSComm了。用VB写USB通信有点别扭,建议换VC...

PLC西门子S7-200串口线怎么样制作?-ZOL问答

用RS232线+RS485转接头,用3,8两个接线端子就可以了,连接到S7-200PLC的通讯端...你也可以购买标准的25转九针的转换器,在九针口上是1收2发5地6条回答:【推荐...

和泉公司的可编程控制器有哪些类型?

其实可以自己查到,和泉公司的可编程逻辑控制器包括如下几个系列:SmartAXIS系列:FT1A,是将PLC功能和小型显示器结合的一种PLC,采用3.8英寸大屏幕TFT彩色LCD显...

步科MT500系列触摸屏与LGk120s系列plc通讯线肿么制作-ZOL问答

再一个,PLC的通信口设置以及MT500的通信相关设置也要正确。在MT500随机的使用...就使用三菱plc编程线即可232通讯协议5条回答:【推荐答案】通信线可能是正确...

西门子plc编程必须用专用线吗?

西门子plc编程不一定需要用专用线。通常情况下,西门子plc可以通过以太网、USB、串口等多种方式进行编程和连接。如果您使用的是以太网连接,则可以使用普...

 boss老公别使坏  北京大学私募班 
王经理: 180-0000-0000(微信同号)
10086@qq.com
北京海淀区西三旗街道国际大厦08A座
©2026  上海羊羽卓进出口贸易有限公司  版权所有.All Rights Reserved.  |  程序由Z-BlogPHP强力驱动
网站首页
电话咨询
微信号

QQ

在线咨询真诚为您提供专业解答服务

热线

188-0000-0000
专属服务热线

微信

二维码扫一扫微信交流
顶部