plc联锁电路编程教学 电工:老师傅一步步教你入门PLC编程,这样你总可以学会了吧!

小编 89 0

电工:老师傅一步步教你入门PLC编程,这样你总可以学会了吧!

电力作业人员都知道,PLC的在工业生产和自动化发展中的应用越来越广泛,作为繁重的交流接触器配电柜和继电器控制柜的替代者,PLC具有体积小,反应快,能耗低,操作简单,维护方便,集中控制等优点。在实际的操作中,受到了广大电气人的喜爱,掌握PLC相关知识是电力作业人员的必备技能,但是还是有很多的电工师傅对于PLC不是很了解,甚至没有入门,其实想要入门学习PLC是很简单的。

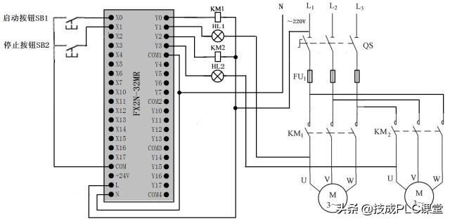
为了能够更好的理解PLC控制过程,我们以最经典最简单的:电动机双重连锁正反转控制电路来分析说明,电动机控制电路图如下所示:

一,PLC工作电源的接入:PLC上有电源标识,按要求接入电源即可。

二,电动机双重连锁正反转PLC编程说明:

电路图中:SB1—停止按钮—X0—红按钮。

电路图中:SB2—正转按钮—X1—黄按钮。

电路图中:SB3—反转按钮—X2—蓝按钮。

PLC外部接线图如下图所示:

三,PLC编程的工作逻辑(和电路图逻辑一样)。

四,PLC的I/O点分配表及系统编程功能的逐步实现(熟练后可以直接写出来编程语言,不用一步步画和写)。

五,PLC编程的逐步实现。

六,最终PLC双重联锁正反转控制程序完成,输入PLC程序运行即可。

七,关于PLC常用的控制过程解析:

以上仅为PLC入门篇,说的不合适的地方还请见谅!PLC是电力作业人员的基本技能之一,入门简单,精通却不容易,需要坚持学习,不断练习,欢迎关注,一起交流学习电气电工知识!

PLC编程基本功:梯形图与控制线路(附1164个三菱PLC实用案例)

PLC的软件编程语言与一般计算机语言相比,具有明显的特点,它既不同于高级语言,也不同于一般的汇编语言,且要满足易于编写和调试的要求。

早期的PLC仅支持梯形图编程语言和指令表编程语言,现根据国际电工委员会制定了五种能支持PLC编程的语言,分别是:梯形图Delete(LD)、指令表Delete(IL)、功能模块图Delete(FBD)、顺序功能流程图Delete(SFC)、结构化文本Delete(ST)等等,今天给大家分享一些PLC的控制线路和梯形图,这算是比较基础实用的部分,一起来看看吧!

起动、自锁和停止控制的PLC线路与梯形图

起动、自锁和停止控制能使用驱动指令(OUT),也能够使用置位指令(SET、RST)来实现。

关注+私信,后台回复【资料】

立即免费领取三菱软件+手册+案例

1、采用线圈驱动指令实现起动、自锁和停止控制

线路与梯形图说明:

点击起动按钮SB1时,PLC内部梯形图程序中的起动触点X000闭合,输出线圈Y000得电,输出端子Y0内部硬触点闭合,Y0端子与COM端子之间内部接通,接触器线圈KM得电,主电路中的KM主触点闭合,电动机得电起动。

点击停止按钮SB2时,PLC内部梯形图程序中的停止触点X001断开,输出线圈Y000失电, Y0、COM端子之间的内部硬触点断开,接触器线圈KM失电,主电路中的KM主触点断开,电动机失电停转。

关注+私信,后台回复【资料】

立即免费领取三菱软件+手册+案例

2、采用置位复位指令实现起动、自锁和停止控制

其PLC接线图与上面类似。

线路与梯形图说明:

点击起动按钮SB1时,梯形图中的起动触点X000闭合,[SET Y000]指令执行,指令执行结果将输出继电器线圈Y000置1,相当于线圈Y000得电,使Y0、COM端子之间的内部硬触点接通,接触器线圈KM得电,主电路中的KM主触点闭合,电动机得电起动。

点击停止按钮SB2时,梯形图程序中的停止触点X001闭合,[RST Y000]指令被执行,指令执行结果将输出线圈Y000复位,相当于线圈Y000失电,Y0、COM端子之间的内部硬触点断开,接触器线圈KM失电,主电路中的KM主触点断开,电动机失电停转。

正、反转联锁控制的PLC线路与梯形图

关注+私信,后台回复【资料】

立即免费领取三菱软件+手册+案例

线路与梯形图说明如下:

1)正转联锁控制

点击正转按钮SB1→梯形图程序中的正转触点X000闭合→线圈Y000得电→Y000自锁触点闭合,Y000联锁触点断开,Y0端子与COM端子间的内部硬触点闭合→Y000自锁触点闭合,使线圈Y000在X000触点断开后仍可得电;Y000联锁触点断开,使线圈Y001即使在X001触点闭合(误操作SB2引起)时也无法得电,实现联锁控制;Y0端子与COM端子间的内部硬触点闭合,接触器KM1线圈得电,主电路中的KM1主触点闭合,电动机得电正转。

2)反转联锁控制

点击反转按钮SB2→梯形图程序中的反转触点X001闭合→线圈Y001得电→Y001自锁触点闭合,Y001联锁触点断开,Y1端子与COM端子间的内部硬触点闭合→Y001自锁触点闭合,使线圈Y001在X001触点断开后继续得电;Y001联锁触点断开,使线圈Y000即使在X000触点闭合(误操作SB1引起)时也无法得电,实现联锁控制;Y1端子与COM端子间的内部硬触点闭合,接触器KM2线圈得电,主电路中的KM2主触点闭合,电动机得电反转。

3)停转控制

点击停止按钮SB3→梯形图程序中的两个停止触点X002均断开→线圈Y000、Y001均失电→接触器KM1、KM2线圈均失电→主电路中的KM1、KM2主触点均断开,电动机失电停转。

多地控制的PLC线路与梯形图

1)单人多地控制

甲地起动控制。在甲地点击起动按钮SB1时→X000常开触点闭合→线圈Y000得电→Y000常开自锁触点闭合,Y0端子内部硬触点闭合→Y000常开自锁触点闭合锁定Y000线圈供电,Y0端子内部硬触点闭合使接触器线圈KM得电→主电路中的KM主触点闭合,电动机得电运转。

甲地停止控制。在甲地点击停止按钮SB2时→X001常闭触点断开→线圈Y000失电→Y000常开自锁触点断开,Y0端子内部硬触点断开→接触器线圈KM失电→主电路中的KM主触点断开,电动机失电停转。

关注+私信,后台回复【资料】

立即免费领取三菱软件+手册+案例

2)多人多地控制

起动控制。在甲、乙、丙三个地点一起点击按钮SB1、SB3、SB5→线圈Y000得电→Y000常开自锁触点闭合,Y0端子的内部硬触点闭合→Y000线圈供电锁定,接触器线圈KM得电→主电路中的KM主触点闭合,电动机得电运转。

停止控制。在甲、乙、丙三个地点一起点击SB2、SB4、SB6中的某个停止按钮时→线圈Y000失电→Y000常开自锁触点断开,Y0端子内部硬触点断开→Y000常开自锁触点断开使Y000线圈供电切断,Y0端子的内部硬触点断开使接触器线圈KM失电→主电路中的KM主触点断开,电动机失电停转。

定时控制的PLC线路与梯形图

1、延时起动定时运行控制的PLC线路与梯形图

它能实现:按下起动按钮3秒钟后,电动机起动工作,工作5秒钟后自行叫停。

PLC线路与梯形图说明如下:

2、多定时器组合控制的PLC线路与梯形图

它可以实现:点击起动按钮后电动机B马上运行,30秒钟后电动机A开始工作,70秒后电动机B停转,100秒后电动机A停转。

关注+私信,后台回复【资料】

立即免费领取三菱软件+手册+案例

PLC线路与梯形图说明如下:

定时器与计数器组合延长定时控制的PLC线路与梯形图

三菱FX系列PLC的最长定时时间为3276.7s(约54min),使用定时器和计数器能够拉长定时时间。

PLC线路与梯形图说明如下:

图中的定时器T0定时单位为0.1s(100ms),它与计数器C0搭配用之后,它的定时时间T=30000×0.1秒×30000=90000000秒=25000小时。如果需要重新定时,可以把开关QS2断开,让[2]X000常闭触点闭合,然后“RST C0”指令执行,之后计数器C0进行复位,然后再闭合QS2,就会重新开始250000小时定时。

关注+私信,后台回复【资料】

立即免费领取三菱软件+手册+案例

多重输出控制的PLC线路与梯形图

PLC线路与梯形图说明如下:

1)起动控制

2)停止控制

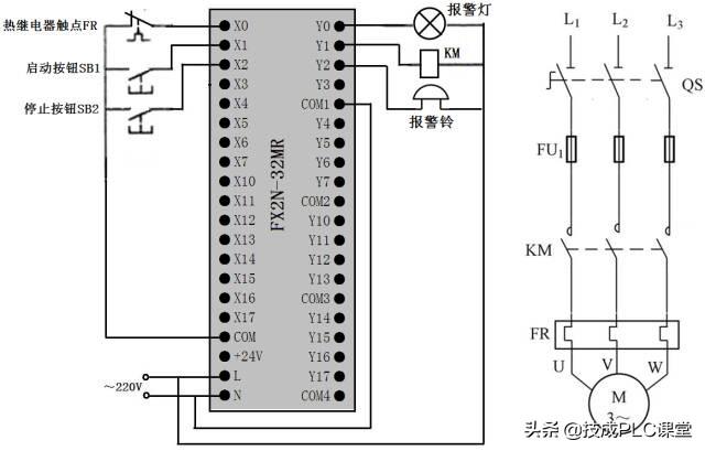
过载报警控制的PLC线路与梯形图

PLC线路与梯形图说明:

1)起动控制

点击起动按钮SB1→[1]X001常开触点闭合→[SET Y001]指令执行→Y001线圈被置位,即Y001线圈得电→Y1端子内部硬触点闭合→接触器KM线圈得电→KM主触点闭合→电动机得电运转。

2)停止控制

点击停止按钮SB2→[2]X002常开触点闭合→[RST Y001]指令执行→Y001线圈被复位,即Y001线圈失电→Y1端子内部硬触点断开→接触器KM线圈失电→KM主触点断开→电动机失电停转。

关注+私信,后台回复【资料】

立即免费领取三菱软件+手册+案例

3)过载保护及报警控制

闪烁控制的PLC线路与梯形图

线路与梯形图说明:

把开关QS闭合→X000常开触点闭合→定时器T0开始3s计时→3s后,定时器T0动作,T0常开触点闭合→定时器T1开始3s计时,与此同时Y000得电,Y0端子内部硬触点闭合,灯HL点亮→3s后,定时器T1动作,T1常闭触点断开→定时器T0复位,T0常开触点断开→Y000线圈失电,同时定时器T1复位→Y000线圈失电使灯HL熄灭;定时器T1复位使T1闭合,因为开关QS依旧是闭合状态,所以X000常开触点也是闭合,定时器T0又开始重新3s计时。

之后重复上述过程,灯HL保持3s亮、3s灭的频率闪烁发光。

相关练习

喷泉的PLC控制

系统要求用两个按钮来控制A、B、C三组喷头工作(通过控制三组喷头的电动机来实现),三组喷头排列如图4-32所示。系统控制要求具体如下:

当按下起动按钮后,A组喷头先喷5s后停止,然后B、C组喷头同时喷,5s后,B组喷头停止、C组喷头继续喷5s再停止,而后A、B组喷头喷7s,C组喷头在这7s的前2s内停止,后5s内喷水,接着A、B、C三组喷头同时停止3s,以后重复前述过程。按下停止按钮后,三组喷头同时停止喷水。

相关问答

plc联锁和互锁是一个意思吗?

PLC联锁和互锁不是完全相同的概念,但它们经常在工业自动化领域中一起使用。PLC联锁是一种编程技术,用于确保不同的操作在正确的时间执行,以防止设备出现危险...

plc联锁自锁工作原理?

...一般来说,在启动按钮和辅助触点并联之外,还要在串联一个按钮,起停止作用。点动开关中作启动用的选择常开触点,做停止用的选常闭触点。互锁,说的是几个回...

plc安全联锁系统目的和意义?

安全锁长闭模式,任一一个门打开,线路不通,保证安全,安全锁长闭模式,任一一个门打开,线路不通,保证安全,

请问联锁停车系统中的延时保护环节在PLC中如何实现?-盖德问...

这和你延时继电器触发的优先级有关,你要是能设计好联锁逻辑图,就能解决这个问题.学习中!!!!!!!!!!!!!!!!!!!!!!!!!!!!!!!!!!!!!延时保护这个step...

接触器联锁正反控制接线法?

以下是一般的接线法:主接触器:选择一个主接触器,通常用于控制设备的正常运行。将主接触器的线圈(控制电路)连接到适当的控制开关或自动控制装置。反接触...

PLC什么情况下需要使用互锁?

正确!但是提醒一点,以正反转控制回路来说,除了PLC编程的软联锁,接触器的硬联锁也不可少。对热继电器过载保护来说,可以做软控制,也可以做硬控制。、PLC自锁...

关于联锁摘除问题-盖德问答-化工人互助问答社区

“模拟量联锁如何摘除和开关量联锁摘除”请问是已经编好程序并且是在运行的程序吗?问原来编程的人吧!我估计恐怕别人知道,也不会告诉你的。这是...

PLC接FR有什么用?

FR热继电器实现过载保护,热继电器开路作为DI信号进PLC系统可做电机过载报警或者停电机联锁。DI点进PLC以后可能只做报警显示,也可以做联锁逻辑再DO输出停电机...

电动机正反转的plc控制电路中,为什么采用软硬件双重互锁?

“PLC软件程序中的正反转互锁,只能保证PLC本身不会同时输出正反转信号,但无法避免硬件接触器有可能同时吸合。例如正转接触器因故主触头粘连,当PLC停止发出正...

如何使用一体化的PLC对旧控制器进行改造?

说一些个人意见吧,通常对旧的电气控制设备改造的时候,如果希望改动比较小,那么通常是利用PLC去替代之前的二次控制回路中的继电控制部分,这样能最大限度的利...