34个plc编程实例 30个PLC编程实例,助你学习和巩固PLC技术,学PLC,我们认真的!

小编 92 0

30个PLC编程实例,助你学习和巩固PLC技术,学PLC,我们认真的!

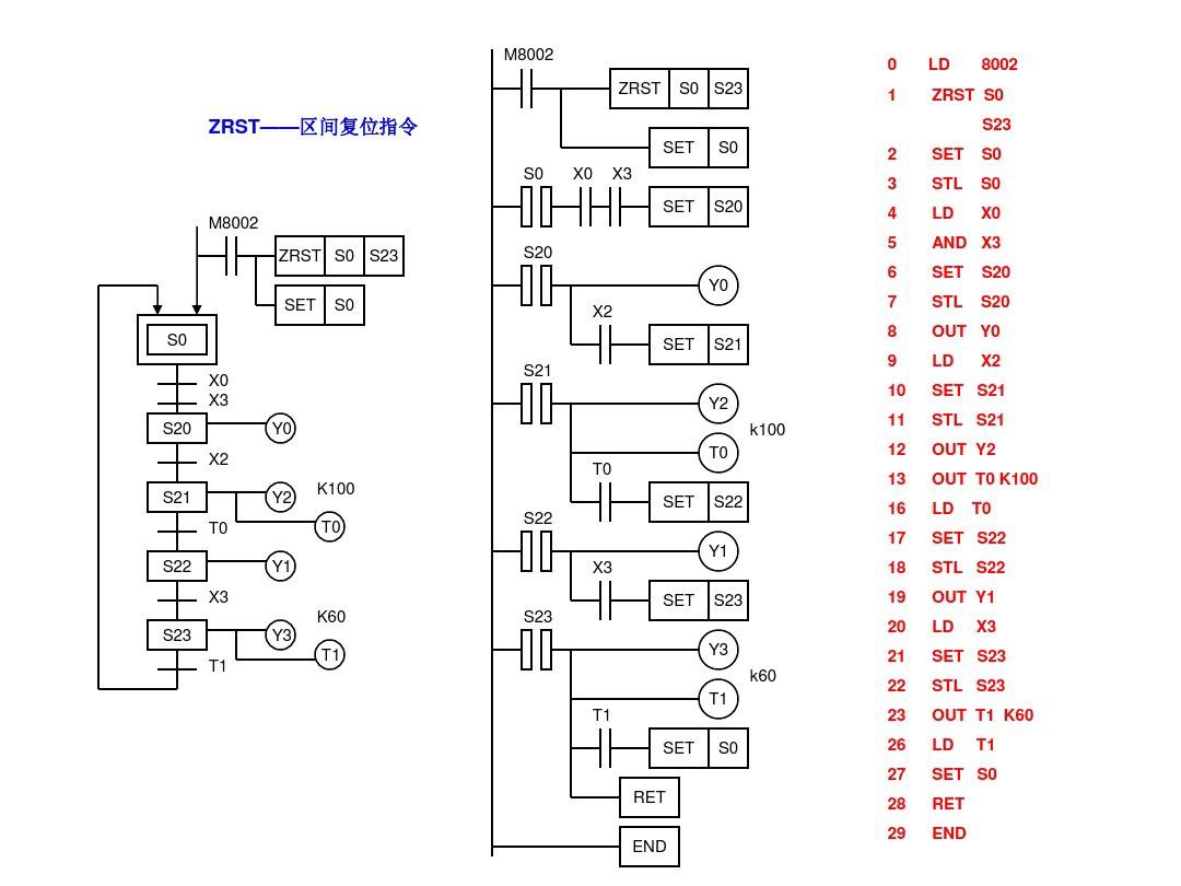
PLC在学习的过程中,除了需要掌握必备的基础理论知识以外,更需要亲身设计电路来实践,刚开始学习PLC编程的时候,可以先从小的电路小的程序入手,由浅入深,先易后难的进行学习,今天我们就重点来看看具体的基础的PLC编程实例:

30个PLC编程实例,老电工带你由浅入深,由易到难,一步步学习PLC

PLC在学习的过程中,除了需要掌握必备的基础理论知识以外,更需要亲身设计电路来实践,刚开始学习PLC编程的时候,可以先从小的电路小的程序入手,由浅入深,先易后难的进行学习,今天我们就重点来看看具体的基础的PLC编程实例:

相关问答

plc模拟量编程实例详解?

给大伙分享的是关于西门子S7-300PLC模拟量方面的实例,包含了以下几个方面的要点:1、对变送器进行取值,并进行控制2、对模数功能块FC105进行调用3、对AI...

海为plc模拟量编程实例?

以下是一个简单的PLC模拟量编程实例,该例程使用海为(Haiwell)PLC编程软件工具(如HaiwellHMIStudio)进行编写:1.首先,创建一个新的PLC项目,并选择合适的...

步进电机驱动plc编程实例?

回答如下:以下是一个步进电机驱动PLC编程实例:1.设定步进电机控制状态:将PLC的输出端口与步进电机的输入端口连接,设定步进电机的控制状态(正转、反转、停...

西门子1200模拟量输入编程实例?

以下是使用西门子S7-1200PLC进行模拟量输入编程的示例代码:1.配置模拟量输入模块在S7-1200PLC的硬件配置中,添加模拟量输入模块,并配置其参数。例如,如...

谁有plc模拟量编程实例?

PLC模拟量编程实例可以参考以下案例:利用PLC实现温度控制系统,通过读取温度传感器的模拟量信号,将其转换成数字量信号,并与设定的温度值进行比较,控制加热器...

不同的PLC编程有什么不同。怎么学习不同的PLC编程。-ZOL问答

怎么学习不同的PLC编程。讨论回答(7)区别主要是一些符号、代码的区别,这个主要决定于厂商;当然还有各PLC所支持的功能有所区别,这个主要决定于金钱,梯形图学会...

三菱plc产量统计编程实例?

三菱PLC产量统计编程实例可以通过以下步骤实现:1.定义计数器:使用C235指令定义一个计数器,例如C235K1。2.定义触发条件:使用X指令定义一个触发条件,例...

plc调用子程序编程实例?

plc调用子程序的编程实例在nc里有个子程序文件夹,在子程序文件夹里面新建子程序,格式为SPF,然后子程序的命名,直接取名为字母L加上数字,比如L105,L247。当...

多工位转盘plc编程思路?

在多工位转盘的PLC编程中,可以采用以下思路:1.确定转盘的运行方式:根据转盘的工作流程和规则,确定转盘的转动方式,例如顺时针或逆时针旋转、单步转动还是连...

三菱编码器编程实例?

以下是三菱编码器编程的简单实例:首先,将编码器接入PLC的高速计数器输入端口,然后在编程软件中设置高速计数器模块和相关参数。接着,使用LADDER语言编写程...