研选课堂
HOME
研选课堂
正文内容
plc编程遵循的原则 PLC编程的基本原则和方法,64页内容介绍PLC编程,值得收藏
发布时间 : 2026-01-02
作者 : 小编
访问数量 : 23
扫码分享至微信

PLC编程的基本原则和方法,64页内容介绍PLC编程,值得收藏

PLC编程概述

在PLC编程之中,我们需要了解下面这两个方面的内容;

一、逻辑指令编程基本规则

二、典型控制程序

对于第一类来说,简单来说需要注意:1、输入/输出继电器、内部辅助继电器、定时器、计数器等器件的触点可重复使用,无需用复杂的程序结构来减少触点的使用次数。2、梯形图的每一行都是从左母线开始,线圈接在最右边,触点不能放在线圈的右边。在继电器的原理图中,热继电器的触点可以加在线圈的右边,而PLC的梯形图是不允许的。

64页内容介绍PLC编程(文末有获取)

1000G机械必备设计资料内容目录

专栏中的这1000G资料涉及的范围很广,具体来说包括模具、机械加工、材料类、电气行业、各种零件模型和非标等等领域,具体内容表现形式:文档类(各类机械设计手册、液压类手册、自动化类手册等等,所有历史文章的PPT源文件等)、常用的设计工具(一些自动计算表格)以及视频教程类,我相信专栏的这些资料对于提升你的能力一定会有很大的帮助。同时在你工作中遇到相关问题的时候,这些资料也能提供很好的指导作用。购买专栏后即将1000G机械资料发送给你,获取专栏资料也可以私信咨询我。

获取方式

PLC编程原则、语言、方法、常用指令及实例

PLC的编程原则

1.梯形图的每一逻辑行(梯级)均起始于左母线,然后是中间接点,终止于右母线。各种元件的线圈接于右母线一边;任何触点不能放在线圈的右边与右母线相连;线圈一般也不允许直接与左母线相连。正确的接线如图1a所示。

2.编制梯形图时,应尽量按“从左到右、自上而下”的执行程序的顺序,并易于编写指令语句表。图1b所示的是合理的接线方法。

3.在梯形图中应避免将触点画在垂直线上,这种桥式梯形图无法用指令语句编程,应改画成能够编程的形式,如图1c所示。

图1 正确接线示意图

4.继电器线圈和触点的使用。同一编号的继电器线圈在程序中只能使用一次,不得重复使用,否则将引起误操作,但其常开常闭触点可重复多次使用,如图1c中的X1、X2、X3。由此可以看出,在同一逻辑支路中,串联和并联触点数目是无限的。

5.不允许几条并联支路同时运行。当PLC处于运行状态时,PLC就开始按照梯形图符号排列的先后顺序(从上到下,从左到右)逐一进行处理,PLC对梯形图是按扫描方式顺序执行,因此不存在几条并列支路同时动作的因素,所以在设计上可减少许多约束关系的联锁电路,从而使程序简单化。

6.计数器、计时器在使用前要赋值。

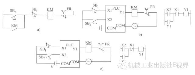
7.外部输入设备常闭触点的处理。图2a是电动机直接起动控制的继电器接触器控制电路,其中停止按钮SB1是常闭触头。如用PLC来控制,则停止按钮SB1和起动按钮SB2是它的输入设备。在外部接线时,SB1有两种接法。

如图2b所示的接法,SB1仍接成常闭,接在PLC输入继电器的X1端子上,则在编制梯形图时,用的是常开触点X1。因SB1闭合,对应的输入继电器接通,这时它的常开触点X1是闭合的。按下SB1,断开输入继电器,它才断开。

如图2c所示的接法,将SB1接成常开形式,则在梯形图中,用的是常闭触点X1。因SB1断开时对应的输入继电器断开,其常闭触点X1仍然闭合。当按下SB1时,接通输入继电器,它才断开。

图2 电动机直接起动控制的继电器接触器控制电路

在图2c的外部接线图中,输入端的直流电源E通常是由PLC内部提供的,输出端的交流电源是外接的。“COM”是两边各自的公共端子。

从图2a和图c可以看出,为了使梯形图和继电器接触器控制电路一一对应,PLC输入设备的触点应尽可能地接成常开形式。

此外,热继电器FR的触头只能接成常闭的,通常不作为PLC的输入信号,而将其直接接通断接触器线圈。

PLC的编程语言

1.逻辑语言

逻辑功能图表达方式基本上沿用了数字逻辑电路的“与”、“或”、“非”门电路的逻辑语言来描述,用逻辑框图形式表示。对每一种功能都使用一个运算方块,其运算功能则由方块内外的符号确定,如图3所示。

图3 简单的逻辑图

如,“&”表示逻辑“与”运算;“≥1”表示逻辑“或”运算;“o”(框图右边的小圆圈)表示逻辑“非”。

图3a是一个简单的逻辑功能图。一般与功能块有关的输入信号画在方块的左边,与功能块有关的输出信号画在方块的右边。在左边和右边应分别写上标志符和地址码。图中,X000、X001、M100为输入信号的标志符和地址码;Y030为输出信号的标志符和地址码。功能块表示如下的逻辑关系:

Y030=X000•X001•M100

采用逻辑功能图来描述程序,易于描述较为复杂的控制功能,表达直观,查错容易。因此它是编程中较为常用的一种表达方式。但它必须采用带有显示屏的编程器才能描述,而且连接范围也受到显示屏幅面的限制。

2.梯形图

(1)常用符号

PLC梯形图图形符号借助于继电器接触器的常开触头、常闭触头、按钮、线圈以及它们的串联、并联的术语和符号,两者对照,则直观明了。和电路图一样,在绘制梯形图之前首先熟悉绘制梯形图的有关符号,如表1所示。

表1 梯形图常用符号

对输入信号和被控制对象必须标上相应的标志符和地址码,如图4(与或门)中的X000、X001、X002和Y030。图中所表示的逻辑关系为

Y030=X000•X001+X002

图4 符号在梯形图中

(2)梯形图的绘制

采用触点梯形图来表达程序的方法,看上去与传统的继电器电路图非常类似。因此它比较直观形象,对于那些熟悉继电器电路的设计者来说,易被接受。

另外,为了在编程器的显示屏上直接读出触点梯形图所描述的程序段,构成触点梯形图的图案电流支路都是一行接一行地横着向下排列的。每一条电流支路的触点符号为起点,而最右边的线圈符号为终点,如图5所示。触点梯形图多半适用于简单的连接功能的编程。

图5 多条支路的梯形图

3.语句表

语句表形式是使用助记符来编制PLC程序的语言,表示程序的各种功能。语句表类似于计算机的汇编语言,但比汇编语言容易得多。每一条指令都包含操作码和操作数两个部分,操作数一般由标志符合地址码组成。下面是一个简单的语句表。

LD X000

AND M100

OR Y030

ANI X002

OUT Y030

语句表中各部分含义如表2所示

表2 语句表

采用这种类似计算机语言的编程方式,可使编程设备简单,逻辑紧凑,而且连接范围也不受限制。上述三种程序的表达方式各有所长,在比较复杂的控制系统中,这三种方式可能会同时使用,但对于简单的控制系统采用一般的可编程序控制器进行人工编程时,大多采用触点梯形图编制程序。当设计好触点梯形图后再根据接口、梯形图写出语句表,最后便可将语句表键入可编程序控制器中进行调试。

PLC的常用指令

表3 常用的基本指令表

PLC的编程方法

以图6所示的交流电动机正反转控制电路为例来介绍用PLC控制的编程方法。

图6 交流电动机的正反转控制电路

1.确定I/O点数及其分配

停止按钮SB1、正传起动按钮SB2、反转起动按钮SB3这3个外部按钮须接在PLC的3个输入端子上,可分别分配为X0、X1、X2来接收输入信号;正转接触器线圈KM1和反转接触器线圈KM2须接在两个输出端子上,可分别分配为Y1和Y2。共需用5个I/O点,如表4所示。

表 4 I/O点数

外部接线如图7所示。按下SB2,电动机正转;按下SB3,电动机则反转。在正转时如要求反转,必须先按下SB1。至于自锁和互锁触点是内部的“软”触点,不占用I/O点。

图7 外部接线

2.编制梯形图和指令语句表

表5 语句表

图8 梯形图

PLC的编程举例

用PLC对喷漆机械手的定位控制

喷漆机械手是采用步进顺序器分步控制的,首先介绍步进顺序控制器。

(1)步进顺序控制器

步进顺序器(SS)能够按顺序逐一启动后续的7个内部继电器线圈(ST),组成一个步进顺序器。当第一个标有(SS)的内部继电器得电后,使随后的7个线圈均处于释放状态。随后当其后一个标有(ST)的内部继电器得电时,这组步进顺序器带的其他继电器均释放,通电顺序必定是由小至大,逐一轮流。因此,步进顺序器是把连续的几个内部继电器组合起来,协调行动,它们在梯形图中的图形符号如表6所示。

表6 步进顺序器图形符号

在EPS软件中并不规定步进顺序器从哪个内部继电器编号开始,也不一定在(SS)线圈后要跟随7个(ST)继电器,但最多是7个。如果需要超过8步时,可以把2个步进顺序器串接起来。

(2)喷漆机械手定位控制电路

若有一个带有红、绿、蓝三种颜色油漆喷枪的机械手在一条有4个工位的通道中移动。机械手能喷出三种颜色,在四工位要喷刷四段颜色,如图9a所示。每个工位的交界处都设置一个位置传感器,此外,在起点及终点也各设一个位置传感器,总共5个位置传感器,其梯形图如图9b所示。

喷漆机械手由X0位置传感器启动控制。红色喷枪由输出点Y2控制,绿色喷枪及蓝色喷枪分别由Y3及Y4控制。R0~R5组成一组步进顺序器。输出点YO控制机械手前进,Y1控制机械手返回。

首先,X0位置传感器发出启动信号,使步进顺序器启动,这时R0内部继电器吸合,其余5个线圈释放。由于R0接通,使R10置位,驱动输出点Y0。于是机械手前进,同时R0触点驱动输出点Y2,使机械手上的红色喷枪工作。当机械手行进到X1处,X1位置传感器发出信号,使X1触点接通,内部继电器R1吸合,同时R0断开。因为R0是步进顺序器的第一个线圈。R1触点驱动输出点Y3,使机械手上的绿色喷枪工作。当机械手继续前进到X2处,X2位置传感器动作,使R2吸合,同时断开R1。与此类同,直至机械手到达终点,R4使R10复位,于是机械手停止前进。当R4接通Y1线圈,机械手便返回起始点。起始点X0的位置传感器X0又发出信号,于是PLC的R0又接通,机械手又开始下一次的喷漆工作。

图9 喷漆机械手的定位控制

相关问答

西门子plc语句表编写原则?

在编写西门子PLC语句表时,应注意以下原则:首先,应根据实际需求合理设计程序结构;其次,应采用模块化设计,使程序结构清晰、易于维护;再次,应注重代码的...

plc运行的三个阶段是什么啊?

当PLC处于正常运行时,它将不断重复扫描过程。分析上述扫描过程,如果对远程I/O、特殊模块和其他通讯服务暂不考虑,这样扫描过程就只剩下“输入采样”、“程序执...

plc编程知识点?

1、低压电器是指工作电压在直流1500V或交流1200V以下的各种电器。2、触器按其主触头通过电流的种类,可分为直流接触器和交流接触器。3、继电接触器控...

plc编程用电脑的多核还是单核?

编程不怎么吃配置,就是编译的时候要吃CPU,CPU核心越多越快,具体要看编译软件。编程对电脑配置没要求的。如果指的是程序运行,那看你有没有做多核优化,没有的...

plc编程技巧口诀?

PLC中无非就是三大量:开关量、模拟量、脉冲量。只在搞清楚三者之间的关系,你就能熟练的掌握PLC了。1、开关量也称逻辑量,指仅有两个取值,0或1、ON或OFF。它...

plc编程是时候外部开关用常开写程序的时候写成常闭,开关作用会是反的吗?

对程序的运算结果是反的。PLC不认你外部开关是常开还是常闭,它只认输入端收到高电平信号时为准,也就是输入端子上有电的时候为准。但是也可以利用这个信号在程...

简易plc怎么编程?

1.编程简易PLC是可以的。2.因为简易PLC相对于复杂的PLC而言,功能较为简单,编程也相对容易上手。它通常具有简单的指令集和易于理解的编程界面,不需要过多的...

plc电机控制算法?

PLC中无非就是三大量:开关量、模拟量、脉冲量。只在搞清楚三者之间的关系,你就能熟练的掌握PLC了。PLC编程算法(一)1、开关量也称逻辑量,指仅有两个取值,0...

西门子plc程序控制指令?

关于这个问题,以下是一些常见的西门子PLC程序控制指令:1.LD:加载指令,将一个变量或者寄存器的值加载到一个寄存器中。2.AND:逻辑与指令,将两个逻辑值进...

如何编写plc程序?

编写PLC程序需要先了解PLC的基本原理和功能,然后选择合适的编程语言和软件平台,根据实际需求设计程序结构和流程图,编写具体的代码实现控制逻辑和功能模块,进...

 卡姆托马斯  宠物定位器 
王经理: 180-0000-0000(微信同号)
10086@qq.com
北京海淀区西三旗街道国际大厦08A座
©2026  上海羊羽卓进出口贸易有限公司  版权所有.All Rights Reserved.  |  程序由Z-BlogPHP强力驱动
网站首页
电话咨询
微信号

QQ

在线咨询真诚为您提供专业解答服务

热线

188-0000-0000
专属服务热线

微信

二维码扫一扫微信交流
顶部