直播课堂
HOME
直播课堂
正文内容
维控PLC编程咋样 新手是否还在纠结学习那款PLC?来看看这篇文章可能对你有帮助。
发布时间 : 2026-01-23
作者 : 小编
访问数量 : 23
扫码分享至微信

新手是否还在纠结学习那款PLC?来看看这篇文章可能对你有帮助。

各位朋友好

对于现在想学习PLC的朋友,面对各种各样品牌的PLC是不是有些眼花缭乱不知所措,PLC的品牌有欧系、日系、美系、德系,不知道选择哪一款学习好,有人说学习日系的(三菱,欧姆龙等),编程思维方式与国人类似,容易理解容易学习,有人说学德系(西门子系列)。西门子市场占有量大,学会了就业机会更多。但是编程偏于西方化,而且还会涉及到一些计算机知识点,学习难度相对大些。

图片来源网络

对于怎么选择,首先你现在所处的工作单位,是否用到PLC,如果用到PLC,你看下用到的什么型号的PLC就直接学习这款,原因不用多说。对于没有接触过PLC的朋友来说,不是说必须先学日系的再学德系的,也不是说先学德系的再学日系的,不用纠结,直接选择一款小型的PLC学就对了,如三菱的FX3U,西门子的smart200.作为入门学习都不错。对于新手来说,所有的都一样,刚开始没有难易之分,只要一款学好了,学精了,在换其他系列的PLC也会很快上手,学习PLC不是为了学习PLC而学PLC,学习PLC主要是要学习的编程理念与方法,所有PLC的原理都是想通的,学会其中一款其他的也基本熟悉下就可以上手了。所以不用纠结,

就我个人而言我更偏向于西门子系类PLC,其原因是模块化编程,调用调试方便。对于三菱FX系类来说程序都要写到主程序里面,程序少了还好,多的话调试比较费劲。还一个原因,现在西门子主推博途编程软件,在博途下可以对300.400.1200.1500PLC进行编程,还有触摸屏wincc等,软件做的也比较人性化,使用也比较方便功能也很强大,而且还支持结构化文本编程。

我说下我个人的学习过程,大学的时候主要是学习日系的PLC,欧姆龙和三菱FX2N的,工作以后第一个项目就是西门子300PLC,使用的step7编程,第一次用的时候,也是一脸懵,不知从何下手,后来用的多了熟悉了,就发现方便了,当然300系列属于中型PLC,可能大家觉得没可比性,后期用西门子200plc,200smart,1200PLC,国产的有信捷PLC,维控PLC,台达DVP系列的,像国产的这些PLC编程方式基本上与三菱一样。我感觉是不如西门子的来的方便。也可能是西门子用的多用的比较熟悉的缘故吧。各有各的优点。

大家觉得应该是从哪款学起呢?请大家留言讨论。

案例|维控HMI和PLC在打孔切带机上的应用,功能齐全、编程简洁

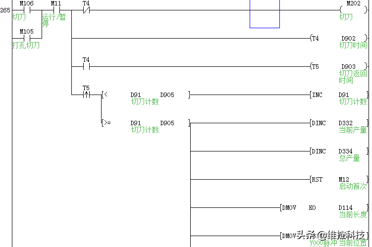
一、简介 该设备应用于带子上固定位置打孔和固定长度带子的剪切,可用于剪切条形的丝带、织带、松紧带、尼龙带等;使用超声波剪切和打孔,切口和孔边完整美观,边缘整齐平滑,无毛边、不散边,剪切打孔效果佳。

二、工艺要求 有孔切和切带两种模式选择,孔切模式根据每个设定的孔距进行打孔,打完孔切刀,一条带子最多可以打20个孔,切刀模式只有单纯的切带。输入点有启动/暂停、物料检测、点动按钮;输出部分有送料步进电机、打孔、切刀气缸和打孔、切刀超声波。三、方案 该控制系统主要采用维控人机界面LEVI700LK,PLC主机采用LX3V-0806MT。简要方案如下:自动运行开始后先执行一次切刀,通过判断切刀和打孔的距离哪一个更小,来判断下一次是执行切刀还是打孔。四、程序简要介绍

1、操作画面(监控设备状态及设置机器运行参数部分参数设置)

2、系统参数(主要是机械运行的时间设置和机械参数设置)

以上为触摸屏的部分画面,以下为PLC部分程序:

五、工程总结 该设备动作简单,主要在于对脉冲数的处理,切刀和打孔的位置准确。维控PLC各种功能都非常强大,运行可靠、稳定,编程上简单易学。维控的HMI功能齐全、编程简洁,与其他HMI产品相比,界面更美观,给用户编程和维护都带来极大方便。

相关问答

维控PLC如何判断好坏?知道的请回答

[回答]维控PLC在不接任何设备和线的情况下,把步进电机的每根线分开,不要碰线,用手转动转轴,好电机,应该是只需要一定的力,就可以顺利的转动,中间无卡的现...

问一下:维控PLC如何判断好坏?

[回答]维控PLC在不接任何设备和线的情况下,把步进电机的每根线分开,不要碰线,用手转动转轴,好电机,应该是只需要一定的力,就可以顺利的转动,中间无卡的现...

维控PLC编程怎么转换到三菱PLC模式?

维控就是用三菱的开发平台,直接连就可以了维控就是用三菱的开发平台,直接连就可以了

维控PLC的远程教程?

维控PLC的远程教程?

维控plc特殊寄存器d8146什么意思?

绝对位置控制指令DRVA---三菱FX系列PLC应用指令绝对位置控制指令DRVA是很实用的一个脉冲指令,应用时关键是理解D8140或是D8142寄存器的用法。绝对位置控制指...

mcgs编程中没有维控plc怎么办?

如果在MCGS编程中没有维控PLC,可以考虑以下几种解决方案:1.使用虚拟PLC:有些编程软件提供了虚拟PLC的功能,可以模拟PLC的行为,让程序在没有实际的PLC装置下...

在线的各位知道吗,维控PLC的主要作用是什么?十万火急!

[回答]维控PLC可使控制速度,位置精度非常准确,可以将电压信号转化为转矩和转速以驱动控制对象。伺服电机转子转速受输入信号控制,并能快速反应,在自动控制...

lx3ve系列是什么牌的plc?

lx3ve系列是触控科技有限公司生产的PLC。因为lx3ve系列PLC是触控科技有限公司推出的一款新型PLC产品,主要用于工业自动化控制系统,具有高性能、功能强大、稳定...

请问:维控PLC有哪几种类型?感谢回答

[回答]维控PLC用户通过对伺服驱动器的控制操作,伺服驱动器转换为对应的三相电输出进行控制。对伺服驱动器的控制操作方式,有三种的控制方式位置,速度和转...

维控plc原点回归如何控制方向?

要控制维控plc原点回归的方向,首先需要在plc程序中确定原点回归的方向,正常情况下原点是从右开始转到左,然后再从左转到右。然后根据PLC的程序,确定相应的输...

 竹叶参  jianailiang 
王经理: 180-0000-0000(微信同号)
10086@qq.com
北京海淀区西三旗街道国际大厦08A座
©2026  上海羊羽卓进出口贸易有限公司  版权所有.All Rights Reserved.  |  程序由Z-BlogPHP强力驱动
网站首页
电话咨询
微信号

QQ

在线咨询真诚为您提供专业解答服务

热线

188-0000-0000
专属服务热线

微信

二维码扫一扫微信交流
顶部