直播课堂
HOME
直播课堂
正文内容
工业帮PLC编程100 工业机器人ABB编程常用指令,直接教你0基础学会编程
发布时间 : 2026-01-22
作者 : 小编
访问数量 : 23
扫码分享至微信

工业机器人ABB编程常用指令,直接教你0基础学会编程

哈喽,大家上午好呀~

小智又来更新技术文章咯!这次是工业机器人ABB系列,大家可以结合之前的学习内容,我会放在文章末尾~跟进现在的内容继续学习哈!

在之前的文章中,相信你已经对ABB机器人的MOVE指令以及常用专属名词有一定的了解了,而从这篇文章开始,继续学习新的

编程常用指令

1.Procall调用程序。

在ABB的编程中,一个程序可以被多次调用,而在示教器中,可以通过Procall调用其他的程序。

用法如下:

在主程序中,选中proccall。

点击PROCCALL之后,会出现如下弹窗:

“弹窗中显示的都是可以被调用的程序,如图所示,可调用的程序共2个:main主程序以及一个routine子程序。值得注意 的是,在主程序中,也是可以调用主程序的

根据需要来选择程序即可,在这次的讲解中,以调用routine1为例:

选中routine1 后,点击确定即可。

确定完成之后,就可以在示教器的主程序中看到刚刚调用的子程序routine1了(如下图所示)

值得注意的是,在示教器中编程调用程序的话,是可以通过proccall,而在robstudio中编程,则可以直接通过复制程序的名称,然后粘贴到main主程序中。

当然了,proccall调用子程序的数量也并非是无限 的:

“程序可相互调用,也可反过来调用另一个程序。程序亦可自我调用,即递归调用。允许的程序等级取决于参数数量。通常允许10级 以上”

2.stop指令。

熟悉英语的人应该都清除,stop就是停止的含义,而在ABB编程中,stop指令同样也是如此:

“在ABB编程中,stop指令就是停止程序的运行相当于示教器中的停止键

通常,也是在程序段的末尾使用stop指令,在执行完该指令后,机器人的程序就会处于停止状态,直到再次启动程序的运行。

好了,这就是本篇文章所介绍的机器人常用指令中的2个:proccall以及stop,在下一篇文章中,我会继续其他的ABB常用的指令。

如果遇到问题或者不能理解的地方可以私信我们。

9个PLC编程案例,你都能看明白吗?

一、小车往返运动用S7-200实现小车往返的自动控制 ,控制过程为按下启动按钮 ,小车从左边往右边(右边往左边运动) 当运动到右边(左边)碰到右边(左边)的行程开关后 小车自动做返回运动,当碰到另一边的行程开关后又做返回运动 。如此的往返运动,直到当按下停车按钮后小车停止运动。

▲电气接线图

I/O分配表

梯形图程序

PLC接线图

程序调试及结果分析

▲控制平台操作面板

当按下SB2即i0.0(鼠标点击i0.0f)接通后,Q0.0接通,小车右行(即指示 灯 Q0.0 亮)。当小车运行碰到右限位开关SQ2即i0.4(用鼠标点击i0.4f,模拟SQ2被压下)接通,此时小车左行(指示灯Q0.0灭,指示灯Q0.1亮),当运行到左边碰到左限位SQ1即i0.3(鼠标点击i0.3f)接通,此时小车又往右运行(指示灯Q0.1灭,指示灯Q0.0 亮)。如此往返运动下去直到按下SB1即i0.2(鼠标点i0.2f)接通,小车停止运行。

附:

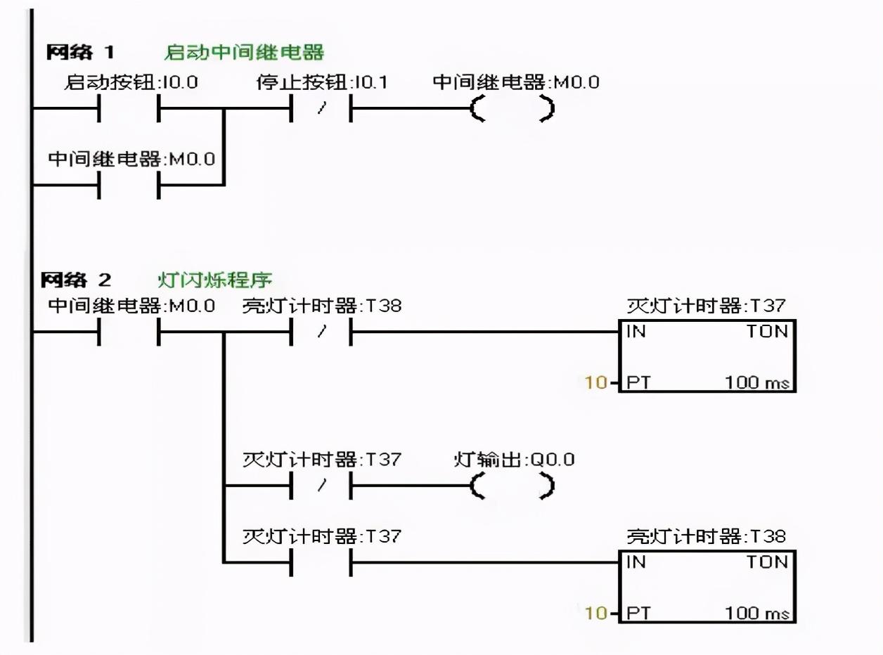
二、闪光电路当按下启动按钮后,要求在两秒钟内有一秒亮有一秒灭,如此反复,灯一闪一闪 发光。

I/O分配表

梯形图程序

PLC接线图

程序调试及结果分析

把编写好的程序下载到西门子s7-200PLC中进行调试。观察运行结果和实验要求 是否相同。通过在线控制面板进行调试,当按下在线控制面板上的I0.0f(即 I0.0 接通)此时Q0.0有输出,Q0.0所接负载灯就亮,同时启动定时器T37开始计时, 当计时一秒后因T37动作,其常闭触点断开,所以Q0.0无输出,所接负载灯灭。灯灭的同时启动定时器 T38,T38 计时一秒后,把串联在定时器T37的常闭触点 断开,所以T37复位,T37常闭触点恢复常闭。此时Q0.0 又有输出, 所接负载灯又亮。这样,输出Q0.0上所接的负载灯以接通一秒,断开一秒频率不停地闪烁,直到按下在线控制面板上的 I0.1f(即I0.1接通),闪光电路不再继续工作。若想改变灯闪烁的频率只要改变定时器的时间就能够达到改变要求。

三、星三角降压启动利用西门子S7-200的PLC实现星三角接法的降压启动。

星三角降压启动的电路图与控制图

流程框架图如下

I/O分配表

梯形图程序

PLC接线图

程序调试及结果分析

把编写好的程序下载都西门子S7-200的PLC中进行调试,下载好后我们打开在线控制面板进行调试,看运行结果是否符合要求。首先把控制面板上的i0.2f置位为按钮按下去,即i0.2 接通,表示断路器QF合上。按下启动按钮i0.0f(SB2)即i0.0接通此时电动机星形启动,Q0.0和Q0.1有输出,实验接线图中表示这两个的灯L1和L2都亮同时驱动时间计数器,当计时器计到10S时切换为三角型启动,此时Q0.1无输出,Q0.2有输出,则此时Q0.0和Q0.2 有输出,电机三角星运行。接线面板上的L 1和L3灯亮。按下在线面板上的i0.1f后(i0.1接通)此时电动机停止运行。所以的输出点都无输出。

四、彩灯控制利用PLC的Q0.0到Q0.7八个输出端控制八个彩灯,使其每隔一秒亮一个并循环。当接通I0.0后所有的灯都熄灭。当接通I0.1后又重新从Q0.0开始循环。

I/O分配表

梯形图程序

PLC接线图

程序调试及结果分析

把编写好的程序下载都PLC中进行调试,下载好后我们打开在线控制面板进行调试,看运行结果是否符合要求。

PLC一上电后sm0.0一直保持接通。所以t37进行延时计时,延时到后启动t38计时,t38计时到后t38常闭触点断开所以t37断开计时,t37常开触点恢复为常开所以t38也断开计时。此时t38的常闭触点恢复为常闭所以t37又重新计时,同时计数器C0开始计数一次。如此的反复计数。当计数为1时,Q0.0接通。计数器计数为2时Q0.1接通……如此下去当计数器计数到8时Q0.7接通。当计数器计到9时计数器C0清零。当按下在线控制面板上的I0.0f(即I0.0)接通,此时计数器,和Q0.0~Q0.7都清零,即没有一个灯亮。当按下在线控制面板上的I0.1f(即I0.1接通)此时计数器开始重新计数,灯又从Q0.0开始重新一个接一个地往下亮。

五、比较指令对进出仓库的货物进行记录。仓库最多可放6000箱货物,货物多于1000箱灯L1亮,多于 5000箱时灯L2亮。

I/O分配表

梯形图程序

PLC接线图

程序调试及结果分析

把程序下载到S7-200的PLC中进行调试。在下载的之前我们先把程序中的数字进行缩小处理,以便在实验中我们能够更好的更快的观看到实验结果。我们把L1的灯亮的时候设置为5。把L 2灯亮我们设置为10。这样我们就能够更快的看到实验结果。

当按下在线控制面板上的I0.0f的时候即I0.0接通,表示有货物进去。当我们点击在线控制面板上的I0.0f五次后,此时计时器中的计数值为5,(即表示仓库中已经有1000箱物品了)则灯L1要亮,即Q0.0有输出。当继续点击I0.0f后点 击有十次后此时计数器的计数值位10(即表示仓库中有5000个物品),此时灯L2也亮即Q0.1有输出当继续点击在线控制面板上的I0.0f。计数器中的计数值就继续往上增加。当按下在线控制面板上的I0.1f后计数器就开始往下减。点击一次,计数器中的计数值就减少一次。当计数器中的值小于10时即表示仓库中的物品少有5000箱,此时灯L2灭(即Q0.1没有输出)当继续点击I0.1f时计数器 中的计数值继续减少,当减少到小于5次时。表示仓库中的物品少于1000,此时灯L1灭。Q0.0就没有输出。当按下在线控制面板上的I0.2f时计数器清零。L1和L2都不亮,(即Q0.和Q0.1都没有输出)。

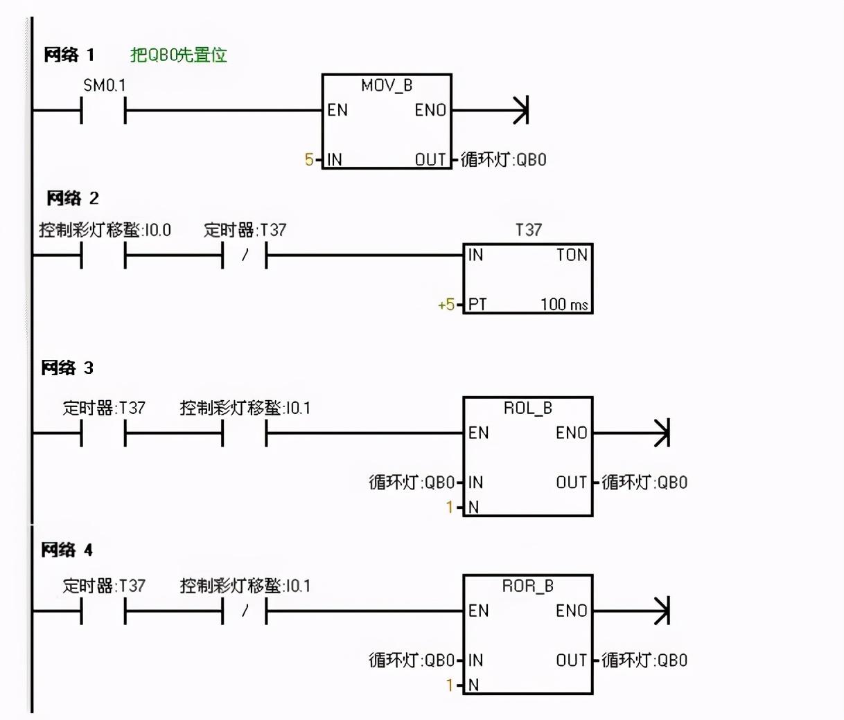
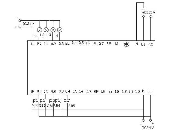
六、8个彩灯移位控制用IO导线控制接在Q0.0到Q0.7上的八个彩灯循环移位,用t37定时,每0.5S移位一位,首次扫描时给Q0.0到Q0.7置初值,让Q0.0和Q0.2先有输出。用I0.1来控制彩灯位移的方向。

I/O分配表

梯形图编程

PLC接线图

程序调试及结果分析

把程序下载到西门子S7—200的PLC中进行调试,PLC一上电Q0.0和 Q0.2 就有输出,则Q0.0和Q0.2亮。当把在线面板上的I 0.0f(表示 I0.0 有输入)置位开关按下后定时器T37开始计时每0.5秒后彩灯以Q0.0和Q0.2作为基础向右每次移移位。当按下在线控制面板上的I0.1f(表示I0.1有输入)使其置位时彩灯以同样的方式向左移动。

七、跳转指令利用跳转指令控制两个灯L1和L2,分别接于Q0.0和Q0.1,切换开关位I0.0,两个灯的控制开关位I0.1和 I0.2.。手动时分别用两个灯的控制开关来控制。自动时,两个灯每隔一秒交替亮。

I/O分配表

梯形图编程

程序调试及结果分析

把编写好的程序下载到s7-200的PLC中进行调试。当I0.0为OF时,PLC运行手动程序按下在线控制面板上的置位按钮I0.1f和I0.2f 即表示(I 0.1和I0.2闭合)灯L1和L2亮,Q0.0 和Q0.1有输出。当我们按下在线控制面板上的I0.0f时,此时I0.0为ON,此时程序跳转到自动程序运行。两个灯每隔一秒循环亮。先L1亮一秒后L2亮。当在按下在线控制面板上的 I0.0f后即此时I0.0为OFF程序跳转到手动程序运行。

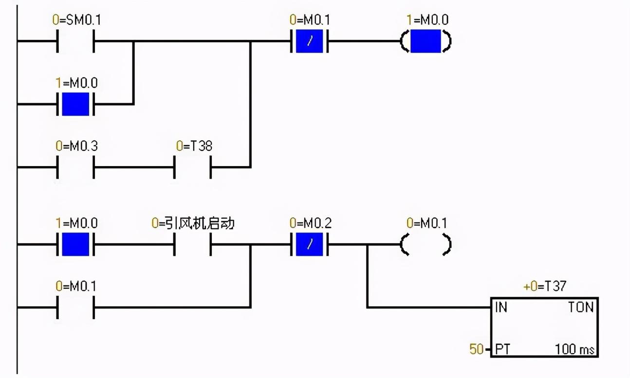
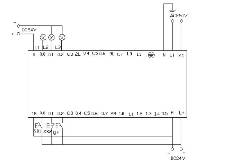
八、鼓风机和引风机的顺序启动控制

I/O分配表

梯形图编程

PLC接线图

▲PLC上电时的程序监控图,蓝色表示接通

程序调试及结果分析

Sm0.1的特点在扫描的第一个周期接通,以后不接通。当按下在线控制面板上的i0.0f时即 i0.0接通,此时Q0.0接通输出,(即指示灯Q0.0亮)引风机启动,同时定时器T37接通并开始计时,当定时器计数到50即(即指示灯Q0.1亮)鼓风机启动。此时两台风机都运行。当按下在线控制面板上的I0.1f时,即接通I0.1此时鼓风机停止运行,(即指示灯Q0.1灭)同时定时器T38接通并开始计时,定时5s后引风机停止运行。(即指示灯Q0.0灭)。

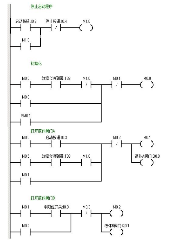
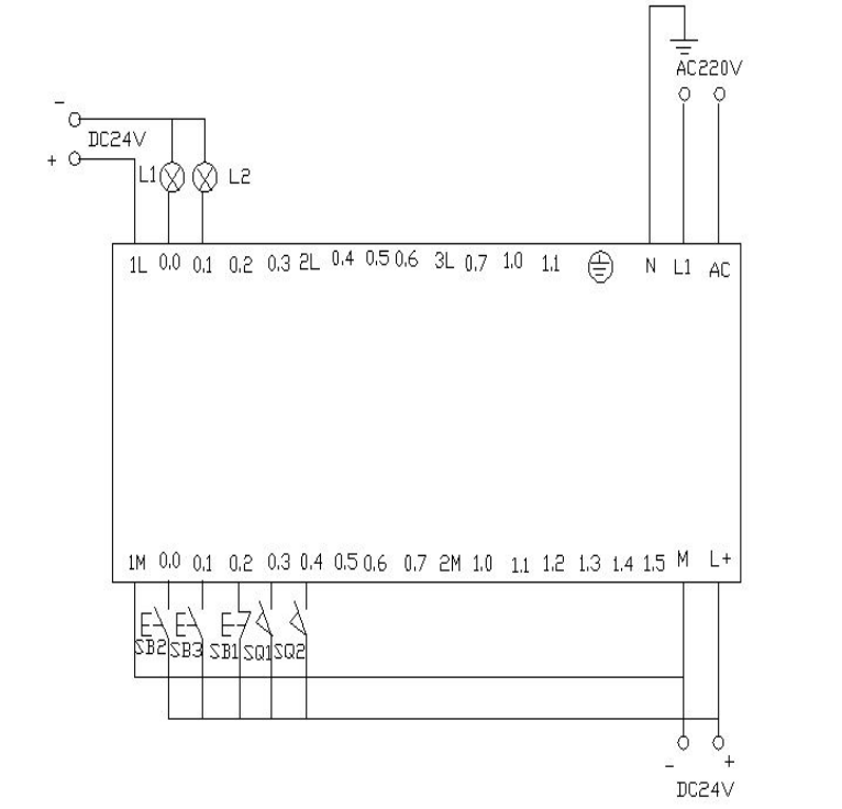
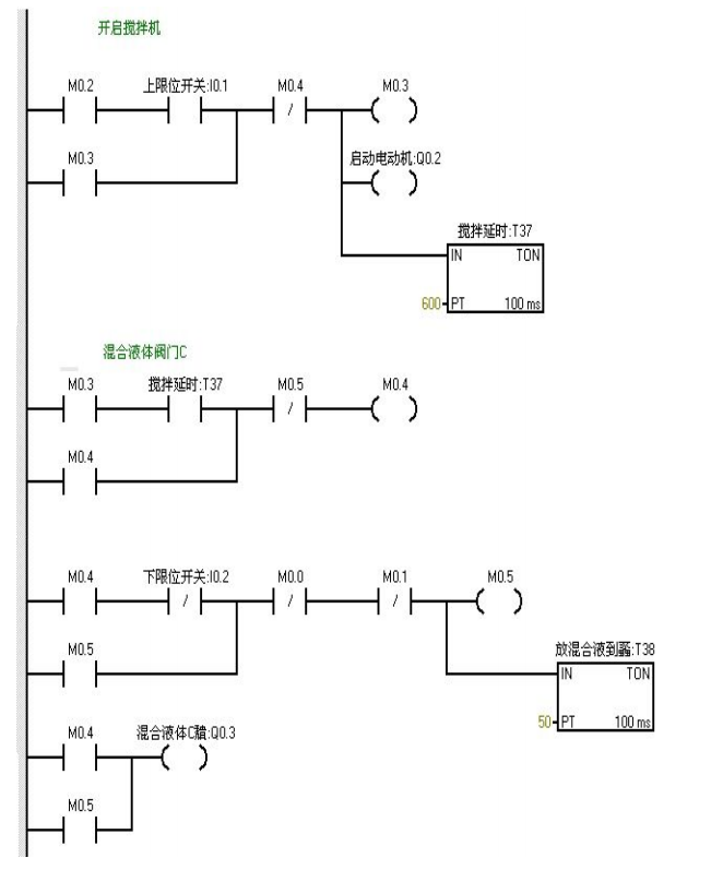
九、液体混合用S7-200实现液体混合的自动控制。当按下启动按钮后,液体阀A 打开,液体A流入搅拌机里面。当液位达到中限位时阀A关闭,同时打开液体阀B,液体B流入搅拌机里面。当液位达到上限位时,阀B关闭,此时启动电动机进行搅拌。搅拌一分钟后电动机停止同时阀门C打开,混合液体流出。当液位到达下限位时再过5S容器放空,关闭阀门C。同时打开阀门A,注入液体A。如此周期性的循环。若按下停止按钮后必须要等一个周期循环完后才停止。

I/O分配表

梯形图编程

PLC接线图

程序调试及结果分析

当按下在线控制面板上的I0.03f 即(I0.3闭合)阀A打开(即Q0.0亮),当按下在线控制面板上I0.0f(即I0.0中限位闭合)阀A关闭,阀B打开(即Q0.0灭,Q0.1 亮)当按下在线控制面板上I0.1f(即上限位I0.1闭合)此时阀B关闭,电动机启动开始进行搅拌,(即Q0.1灭,Q0.2亮)同时定时器T37开始定时一分钟,一分钟后搅拌机停止搅拌,阀C打开(即Q0.2灭,Q0.3亮)当液位到达下限位后阀C继续打开(即Q0.3亮)同时定时器T38开始定时。5s后阀C关闭。阀A打开,(即Q0.3灭,Q0.0亮),进入下一个循环周期。按下在线控制面板上的I0.4f(即表示停止的I0.4闭合)此时系统不会立即停止,而是当运行完一个周期后才停止

相关问答

plc每分钟脉冲100个怎么编写程序?

[最佳回答]编写PLC程序时,需要先配置输入点和输出点,输入点接收脉冲信号,输出点控制执行器动作。程序中需要设定计数器,每接收到一个脉冲计数器加1,当计数器达到一定...

plc编程能连续编100步是什么水平?

[最佳回答]1.连续编100步是一种较高水平。2.这是因为PLC编程需要对控制逻辑进行精确的设计和编写,而连续编100步意味着需要处理较为复杂的控制任务。这需要具备扎实的...

网上工业帮plc培训怎么样?

[最佳回答]关于网上的“工业帮PLC培训”,这可不好说啊!毕竟网上的培训质量参差不齐,很难一概而论。不过呢,有些因素你可以考虑一下。首先,看看他们的课程内容和教学...

武汉工业帮PLC培训到底怎么样?

[最佳回答]很坑人,不要去那里,宣传说有产线,其实是别人学校的,根本就不给我们用,用的话,还要交钱,广告打得挺好的,没学到什么东西,坑坑坑坑坑坑,大写的坑爹,千万...

工业帮的PLC编程方面的书品类全吗?

[回答]工业帮的肯定全啊,全国知名的PLC行业专家,我也一直就在工业帮买PLC相关的工具书,不仅更新快,而且里面的知识点专业,还会送U盘和教材同步,售后这些也...

武汉工业帮plc培训咋样啊?

[最佳回答]我是他们的会员,可以负责任告诉你,他们说的比唱的好听,西门子300的高速计数都不会,语句表也不会,还什么培训机构。服务上,你交钱后基本不会再联系你

在哪找工业PLC编程培训多少钱一节课

[回答]其中,美国是PLC生产大国,有100多家PLC厂商,著名的有A-B公司、通用电气(GE)公司、莫迪(MODICON)公司

plc控制步进电机的单步10步100步连续怎么实现?

[最佳回答]以1.8度两相电机为例,单步就是200步转一圈,10步就是十分之一步所以一圈要2000步,这个是细分是靠驱动器来实现的

工业帮中级plc工程师证书国家承认吗?

[最佳回答]注册中级plc工程师是国家认可的职业资格才有用,或者评职称的工程师、高级工程师证。工业帮工程师证只是工业邦颁发的证书,对外作用有限

 四川网络教育学院  铁门坎 
王经理: 180-0000-0000(微信同号)
10086@qq.com
北京海淀区西三旗街道国际大厦08A座
©2026  上海羊羽卓进出口贸易有限公司  版权所有.All Rights Reserved.  |  程序由Z-BlogPHP强力驱动
网站首页
电话咨询
微信号

QQ

在线咨询真诚为您提供专业解答服务

热线

188-0000-0000
专属服务热线

微信

二维码扫一扫微信交流
顶部