直播课堂
HOME
直播课堂
正文内容
plc编程自动测量长度 三菱plc编码器测速原理
发布时间 : 2026-01-30
作者 : 小编
访问数量 : 23
扫码分享至微信

三菱plc编码器测速原理

三菱PLC英文名又称:Mitsubishi Programmable Logic Controller,是三菱电机在大连生产的主力产品。 它采用一类可编程的存储器,用于其内部存储程序,执行逻辑运算、顺序控制、定时、计数与算术操作等面向用户的指令,并通过数字或模拟式输入/输出控制各种类型的机械或生产过程。三菱PLC在中国市场常见的有以下型号: FR-FX1N FR-FX1S FR-FX2N FR-FX3U FR-FX2NC FR-A FR-Q)。

一、硬件部分:

编码器的A、B和PLC的X0和X1接口连接,电源与24V相连,PLC内部高速计数器,电机运行电路中设置复位开关。当设备运行到这里时,可以消除复位计数器的内部值,从而可以消除累积误差。

二、软件:

1、思想:内部高速计数器的上限设置足够,使设备在复位计数之前运行到复位开关复位,造成不必要的麻烦。此外,对于速度测量,主要用于三菱PLC的SPD指令(速度测量)。指令的应用格式是:SPD D1 D2 D3,以及D2中输入的脉冲数(例如,X0或X1,如X0)在D2中(例如K1000,参照)。输入的脉冲数。另外,你可以计算出旋转编码器每星期通过电机旋转输出多少脉冲,马达旋转一周多少米,并计算一个脉冲装置运行多少米,假设k米,那么,d3的值乘以k,即距离。从1S设备内部,那就是速度。2。关键程序:SPD X0K1000 D3;每1秒,将X0输入脉冲的数目给予D3。

另外,复位计数器在运行到复位开关(长开)时复位。

旋转编码器是一种光电旋转测量装置,它直接将测量的角位移转换成数字信号(高速脉冲信号)。因此,旋转编码器的输出脉冲信号可直接输入PLC,脉冲信号由PLC的高速计数器计数,并使用三菱PLC获得测量结果。它

不同类型的旋转编码器,输出脉冲的相位数也不同,有的旋转编码器输出A、B、Z三相脉冲,有的只有A、B相,最简单的只有一个相位。

三菱PLC高速计数器应用案例(电机测速、流量计、伺服同步等)

更多精彩,点击关注“技成微课堂”

案例1 电机测速应用

如何测量下面电机的速度(编码器的分辨率为400个脉冲每转)(单位:转/分钟)。

这个编码器属于NPN输出的,输出低电平,AB相输出接入到plc的X0和X1,plc的公共端接入24V。

本案例只需要测量速度,没有测量距离的要求,因此可以不用高速计数器,只需要使用SPD指令(脉冲密度测量),第一个参数指定X0作为测量电,规定时间为1000ms,即1s,把每1s接收到的脉冲数读取到DO里。

通过FLT指令把D0的数据类型转换成浮点数,正常的转速度定位是转/分钟,把秒转换成分钟,要乘以60,编码器分辨率是400个脉冲每转,因此需要除以400,因此D0的结果需要乘以60除以400,也就是乘以0.15,得到的结果才是正确的单位。

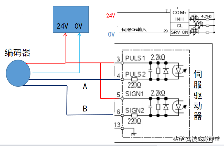
案例2 伺服电机的同步控制

如下,编码器(分辨率400,输出低电平)接到伺服电机的脉冲输入口(伺服选择松下A5型号),要实现这个普通电机和伺服电机的同步,该如何实现电机和伺服同步。

需要接入的信号有伺服使能、脉冲口A/B相,给电机驱动器7号和29号引脚一个24V,让电机上电就一直使能,编码器为NPN输出类型,给到伺服的信号为低电平信号,因此接到对于两个信号口的负端4号和6号引脚,信号的正端3号和5号直接接24V电源。

伺服驱动器需要把模式设置为位置模式(PR0.01设置为0)

把每转脉冲和编码器分辨率一一对应,设置为400

最后,因为编码器发生的脉冲是AB线的交替差分信号,伺服电机就要选择对应的输入模式,把PR0.07设置为0或者2

案例3 光栅尺位置信息获取

如下,有一个光栅尺,使用三菱FX3U的plc如何获取到光栅尺的位置信息,并且计算出实际距离。

光栅尺输出的信号为高电平,把A、B、Z相信号接到X0、X1、X2这3个点,plc公共端接入负电源。

使用高速计数器C252,X0 、X1作为AB相记录脉冲位置,X2作为复位信号,这个是光栅尺里面特定的一个点,碰到了,就是自动复位C252,这个点作为原点。

据脉冲当量20um,也就是0.02mm,读取出来的脉冲数,需要用FLT指令转换成浮点数,去乘以脉冲当量,就得到实际的位置。

案例4 流量计的应用

如下,有一个流量计,使用三菱FX3U的plc如何获取到流量计的流量速度(若需要或者流过液体的总体积,该如何计算)

PLC公共端接入正24V,因此X点接收端的信号应为负,所以把负电压接入流量计负端,流量计正端信号接到X0即可。

下面程序可以计算出对于的流量,使用SPD测量速指令测量出1s的脉冲数,1s的脉冲数也就是脉冲的频率,0~10000对应的是流量0~10,是1000倍的关系;因此,该数据需要去除以1000才得到真实的流速(单位

M8013每隔1s导通1次,做个加法累加一次,得到的就是总流量,上面求出的值的单位需要转换为秒,因此需要除以3600s,得出的才是实际的流速,保存在D2,然后用加法指令去累加,得到的就是累计流量。另外设置了一个清空按钮X1,按下即可清空累计流量。

思考

1.案例2中,如果要编码器自动6圈,伺服电机自动7圈,应该如何设置才能更加精准(提示:电子齿轮比)

2.案例3中,没有5V电压,只有24V电压,应该怎么处理?

3.案例1不使用SPD指令,而使用高速计数器,该如何去计算?

免费领取

小编今天整理了1117例三菱PLC项目实操案例,里面包含了各行各业的一些经典项目应用, 喜欢的朋友下方免费领取学习!

三菱PLC案例/例程1117个

点击立即领取↑↑↑

相关问答

PLC自动测量长度的方法?

PLC测量长度一般都是使用电子尺或接线式编码器。电阻尺可以直接测量出绝对长度、测量精确、使用简单等特点。我用的是良石技术的LS21-E4KT电阻尺模块,将电子...

请教编程时候PLC扫描周期该怎么理解?

这个问题看书上的解释就是最权威的解释了,如果不太理解就多读几遍!其实,在编程的时候,一般是不会特意去在意这个扫描周期的,当然有的程序的确会超出扫描周...可...

plc一个扫描周期一般小于多少毫秒?

一般小于10毫秒。因为PLC的实时性要求比较高,扫描周期越短,控制系统响应的速度就越快。而且在每个扫描周期内,PLC需要完成大量的控制逻辑和数据传输等任务,时...

编码器怎么连接到plc测量距离?

编码器几线的?我已常见的编码器接法为例:黑白两根线接PLC的输入,(AB两相,具体那两个输入要看你用的什么品牌PLC,以及用的哪个高速计数器),棕色接电源24V...

plc的run模式,扫描周期有哪五个阶段?

plc(可编程逻辑控制器)的运行模式通常包括扫描周期的五个阶段。以下是每个阶段的详细介绍:1.输入扫描阶段:在这个阶段,plc会读取外部输入信号,例如传感器...

plc怎么控制距离?

用编码器。编码器是按脉冲数分类,也就是转一圈发出多少个脉冲,有几十的,也有上千的,按需要的精度选择,把你需要的移动距离,大概需要多少脉冲数写入PLC,可...

PLC的扫描周期和什么有关系?

可编程控制器的工作过程包括两部分:自诊断及通信响应的固定过程和用户程序执行过程.PLC在每次执行用户程序之前,都先执行故障自诊断程序、复位、监视、定时等...

信捷pLc,编码器计数长度值,值等于设定值时切割机工作,计数值归O重新计数?

用C630硬件计数器,X0接编码器A,X1接编码器B,D10存放计数器长度的当前值,D5000存放长度的目标值,切割输出是Y0,切割完成限位接X2用C630硬件计数器,X0接编码器A...

简述PLC循环扫描的工作过程及特点?

PLC的工作方式采用不断循环的顺序扫描工作方式。每一次扫描所用的时间称为扫描周期或工作周期。CPU从第一条指令执行开始,按顺序逐条地执行用户程序直到用户...

plc字节长度?

PLC中的字节是二进制数据的单位。一个字节通常8位长。作为一个单位来处理的一个二进制数字串,是构成信息的一个小单位。最常用的字节是八位的字节,即它包含...

 毛荣楷  云南个旧市 
王经理: 180-0000-0000(微信同号)
10086@qq.com
北京海淀区西三旗街道国际大厦08A座
©2026  上海羊羽卓进出口贸易有限公司  版权所有.All Rights Reserved.  |  程序由Z-BlogPHP强力驱动
网站首页
电话咨询
微信号

QQ

在线咨询真诚为您提供专业解答服务

热线

188-0000-0000
专属服务热线

微信

二维码扫一扫微信交流
顶部