简单plc车库进出编程 PLC 控制车库自动门开启和关闭,梯形图!

小编 155 0

PLC 控制车库自动门开启和关闭,梯形图!

上一文,我们提到了,PLC控制车库自动门的开启和关闭,所涉及的逻辑关系和电路原理图,那么它的软件控制是什么样的呢?梯形图该如何编写?

1、编写PLC控制程序

启动STEP 7-Micro/WIN编程软件,编写满足控制要求的梯形图程序,编写完成的梯形图如下图所示。

(2)出库控制过程

(1)入库控制过程

今天与大家分享的是梯形图和控制逻辑,希望大家能更好的分析,逻辑搞清楚。如有什么疑问,请与我联系

西门子PLC编程实现车库空位显示系统?

任务要求

用PLC编程实现空位控制显示系统,并进行模拟调试。车库共有停车位10个,进、出库传感器各一个,进出口自动栏杆(指示灯代替)各一个,进口取卡/出口还卡(按钮)各一个,2个7段数码管。

控制要求:

1.用两个自复位按钮模拟进、出车库传感器。七段数码管显示空余车位1数0个;

2.当车准备进库,触发进库传感器后,按下取卡按钮,当车库有空余位置时,栏杆开启,延时3秒后关闭;同时剩余车位数显示减1;当车库没有空余位置时,栏杆不打开;

3.当车准备出库,触发出库传感器后,按下还卡按钮, 栏杆开启,延时3秒后关闭;同时剩余车位数显示加1;

4.剩余车位数显示数字在0~10之间。

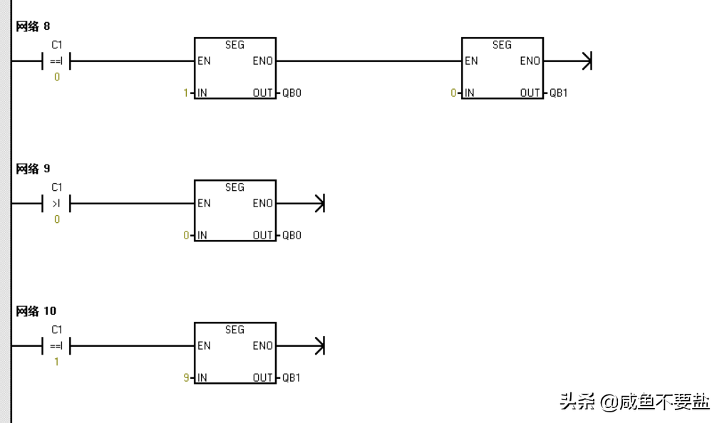
I/O地址分配

梯形图

PS: 对西门子S7-200PLC、C51单片机、电机电气控制、MCGS组态、CAD画图,solidworks软件等略有了解!对机电一体化技术的专业知识有一定了解。需要代写的同学们可以向我咨询呀!或者需要我分享出来项目的原文件的也可以向我咨询。

相关问答

升降横移车库如何使用,真的很方便吗

升降横移车库采用与立体仓库类似的原理和结构,在系统的每一层都有至少一台横移车负责本层的车辆存取,由升降机将不同的停车层与出入口相连,车辆只需...

山东立体车库怎么存取车?巷道堆垛怎么进行?垂直循环怎么运行?

[回答]立体车库的自动存取车控制系统包括弱电与强电两套系统。弱电系统主要包括各种信号的采集、报警与控制输出。PLC输出信号给接触器线圈,控制接触器的...

标准车库门多少平?

20—22平米车库的最小尺寸是3.5米*5.5米,大概在20—22平米之间。现在的车库门大多采用铝合金材料制成的,车库门门面厚度在5mm—10mm之间,一些特殊环境下的车...

平面移动立体车库安全防护措施有哪些

[回答]3、PLC连锁装置PLC程式设定升降及横移定位点相互连锁,以防升降载车板与横移载车板产生重叠或碰撞之情形。1、防火措施:在车库中安装有温烟传感器,...

山东立体车库怎么停车?巷道堆垛怎么进行?垂直循环怎么运行?

[回答]立体车库的自动存取车控制系统包括弱电与强电两套系统。弱电系统主要包括各种信号的采集、报警与控制输出。PLC输出信号给接触器线圈,控制接触器的...

麻烦在座的老铁请解答一下!!关于立体车库英文简写?

日本的机械立体车库泊位占全国总泊位的60%,而我们只有1%不到。你说发展空间大不大?立体车库技术于80年代后期从国外引进,90年代国内开始边引进边开...

家用车库标准尺寸?

一般家用车库的尺寸标准,如下:1、大车停车位:大车停车位宽4米,长度7米到10米,视车型定。2、小车停车位:小车停车车位,宽度2.2米到2.5米,长度5米。3、...一...

车库有哪些安全装置

[回答]3、PLC连锁装置PLC程式设定升降及横移定位点相互连锁,以防升降载车板与横移载车板产生重叠或碰撞之情形。4、防止超限运行装置:停车设备在升降过程...

大佬们,请回答,地下车库堵漏的具体步骤是什么?

(1)建筑规模的确认。车库规模是设计的首要问题。《太原市城市规划管理技术规定》中拒绝:商住楼0.8车位,户,普通住宅0.5车位/户。《建筑工程技术措施...

左倒库先看到的库角是哪个_车坛

左倒库先看到的库角是右库角。以下是关于车库的相关介绍:1、车库的简介:车库,一般是指人们用来停放汽车的地方。2、车库的分类:传统车库,即为砖混土...