线下实训
HOME
线下实训
正文内容
plc 编程完如何接线 弄懂PLC输入端和输出端怎么接线,再提加工资的事情吧
发布时间 : 2026-02-04
作者 : 小编
访问数量 : 23
扫码分享至微信

弄懂PLC输入端和输出端怎么接线,再提加工资的事情吧

目前,PLC在工业生产和自动化控制中是使用率非常高的集中控制设备,PLC代替了繁重的继电器柜,交流接触器柜等,逐渐的在生产和控制中普及使用。PLC 控制系统的设计中,虽然接线工作占的比重较小,大部分工作还是PLC 的编程设计工作,但它是编程设计的基础,只要接线正确后,才能顺利地进行编程设计工作。 PLC的正确接线是PLC发挥功能的前提条件,熟练的掌握PLC输入端口和输出端口的接线是每一个电力作业人员所必需的。

一般情况下,PLC电源输入端接AC220V,是为了给PLC提供运行电源。PLC输出电源端口一般为DC24V,是PLC自带的电源输出。PLC使用过程中,输入端和输出端正确的接线是非常重要,接线正确是PLC工作的前提。

下面我们重点来分析一下PLC的输入端,输出端常见的接线类型:

一,输入端口常见的接线类型和对象:

PLC输入端口一般是输入:

1,开关量信号:

按钮,行程开关,转换开关,接近开关,拨码开关等等。

举个简单的例子更加容易说清楚:

按钮或者接近开关的接线所示:PLC开关量接线,一头接入PLC的输入端(X0,X1,X2等),另一头并在一起接入PLC公共端口(COM端)。

2,模拟量信号:

一般为各种类型的传感器,例如:压力变送器,液位变送器,远传压力表,热电偶和热电阻等等信号。

模拟量信号采集设备不同,设备线制(二线制或者三线制)不同,接线方法也会稍有不同。如图所示:

二,输出端口接线。

PLC输出端口接线一般可以分为以下三种情况:

1,继电器输出。

2,晶体管输出。

3,晶闸管输出。

PLC输出方式不同,输出负载所接的电源类型也不同。如图所示:这是PLC输入端和输出端的基本接线,属于PLC基本知识。

三,PLC接线过程中的三点常识:

1,PLC电源电路。

PLC控制系统的电源除了交流电源外,还包括PLC直流电源,一般而言,PLC交流电源可以由市电直接供应,而输入设备(开关,传感器等)的直流电源和输出设备(继电器)的直流电源等,最好采取独立的直流电源供电。大部分的PLC自带24V直流电源,只有当输入设备或者输出设备所需电流不是很大的情况下,才能使用PLC自带直流电源。

2,PLC输入口和输出口的电流定额。

PLC自带的输入口电源一般为DC24v,输入口每一个点的电流定额在5mA-7mA之间,这个电流是输入口短接时产生的最大电流,当输入口有一定的负载时,其流过的电流会相应减少。PLC输入信号传递所需的最小电流一般为2mA,为了保证最小的有效信号输入电流,输入端口所接设备的总阻抗一般要小于2K欧。

也就是说当输入端口的传感器功率较大时候,需要接单独的外部电源。

3,PLC输出端口一般所能通过的最大电流随PLC机型的不同而不同,大部分在1A~2A之间,当负载的电流大于PLC的端口额定电流的最大值时,一般需要增加中间继电器才能连接外部接触器或者是其他设备。

PLC正确接线是PLC有效运行的前提,也是PLC的基本技能 ,熟练的掌握PLC的接线常识是十分有必要的。

图文详解 常规PLC接线方法和原理

今天为大家带来传感器与PLC的接线方法,二十张接线图,是不是超丰厚?快一起来看吧。

1.概述

PLC 的数字量输入接口并不复杂,PLC 为了提高抗干扰能力,输入接口都采用光电耦合器来隔离输入信号与内部处理电路的传输。因此,输入端的信号只是驱动光电耦合器的内部 LED 导通,被光电耦合器的光电管接收,即可使外部输入信号可靠传输。

目前 PLC 数字量输入端口一般分单端共点与双端输入,由于有区别,用户在选配外部传感器时接法上需要一定的区分与了解才能正确使用传感器与 PLC 为后期的编程工作和系统稳定奠定基础。

2.输入电路的形式

1、输入类型的分类

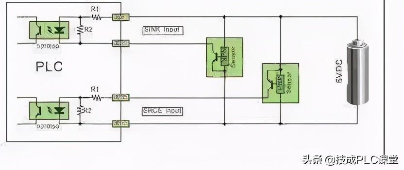
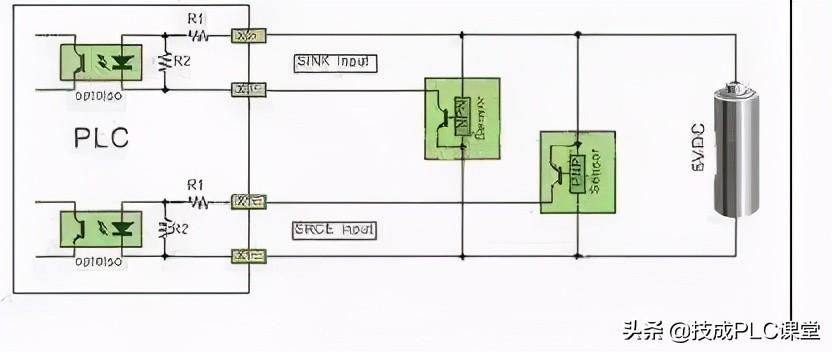
PLC的数字量输入端子,按 电源分直流与交流,按输入接口分类由单端共点输入与双端输入,单端共点接电源正极为SINK(sink Current 拉电流),单端共点接电源负极为SRCE(source Current 灌电流)。

2、词语的概述

SINK漏型为电流从输入端流出,那么输入端与电源负极相连即可,说明接口内部的光电耦合器为单端共点为电源正极,可接NPN型传感器。

SOURCE源型为电流从输入端流进,那么输入端与电源正极相连即可,说明接口内部的光电耦合器为单端共点为电源负极,可接PNP型传感器。

接近开关与光电开关三、四线输出分 NPN 与 PNP 输出,对于无检测信号时 NPN 的接近开关与光电开关输出为高电平(对内部有上拉电阻而言),当有检测信号,内部NPN 管导通,开关输出为低电平。

对于无检测信号时 PNP 的接近开关与光电开关输出为低电平(对内部有下拉电阻而言),当有检测信号,内部 PNP 管导通,开关输出为高电平。

以上的情况只是针对,传感器是属于常开的状态下。

3、按电源配置类型

(1) 直流输入电路

如图1,直流输入电路要求外部输入信号的元件为无源的干接点或直流有源的无触点开关接点,当外部输入元件与电源正极导通,电流通过R1,光电耦合器内部LED,VD1(接口指示)到COM端形成回路,光电耦合器内部接收管接受外部元件导通的信号,传输到内部处理;这种由直流电提供电源的接口方式,叫直流输入电路;

直流电可以由PLC内部提供也可以外接直流电源提供给外部输入信号的元件。R2在电路中的作用是旁路光电耦合器内部LED的电流,保证光电耦合器LED不被两线制接近开关的静态泄漏电流导通。

(2) 交流输入电路

如图2,交流输入电路要求外部输入信号的元件为无源的干接点或交流有源的无触点开关接点,它与直流接口的区分在光电耦合器前加一级降压电路与桥整流电路。外部元件与交流电接通后,电流通过R1,C2经过桥整流,变成降压后的直流电,后续电路的原理与直流的一致。

交流PLC主要适用相对环境恶劣,布线技改变动不大等场合;如接近开关就用交流两线直接替代原来行程开关。

4、按端口类型

(1)单端共点(Comcon)数字量输入方式

为了节省输入端子,单端共点输入的结构是在 PLC 内部将所有输入电路(光电耦合器)的一端连接在一起接到标示为 COM 的内部公共端子,各输入电路的另一端才接到其对应的输入端子 X0、X1、X2、....

com 共点与 N 个单端输入就可以做 N 个数字量的输入(N+1 个端子),因此我们称此结构为"单端共点"输入。用户在做外部数字量输入组件的接线时也需要同样的做法,需要将所有输入组件的一端连接在一起,叫输入组件的的外部共线;输入组件的另一端才接到 PLC 的输入端子 X0、X1、X2、....

SINK输入方式,可接 NPN 型传感器,即 X 端口与负极相连。

SRCE输入方式,可接 PNP 型传感器。即 X 端口与整机极相连。

(外部输入组件可以为按钮开关、行程开关、舌簧开关、霍尔开关、接近开关、光电开关、光幕传感器、继电器触点、接触器触电等开关量的元件。)

(2) SINK(sink Current 拉电流)输入方式

●单端共点SINK输入接线(内部共点端子COM→24V+,外部共线→24V-)。如图3:

(3) SRCE(source Current 灌电流)输入方式

● 单端共点SRCE输入接线(内部共点端子COM→24V-,外部共线→24V+)。如图4:

(4)SINK/SRCE可切换输入方式

S/S端子与COM端不同的是,COM是与内部电源正极或负极固定相连,S/S端子是非固定相连的,根据需要才与内部电源或外部电源的正极或者负极相连。

● 单端共点SINK输入接线(内部共点端子S/S→24V+,外部共线→24V-)。

● 单端共点SRCE输入接线(内部共点端子S/S→24V-,外部共线→24V+)。

(5) 当有源输入元件(霍尔开关、接近开关、光电开关、光幕传感器等)数量比较多,消耗功率比较大,PLC内置电源不能满足时,需要配置外置电源。根据需求可以配24VDC,一定功率的 开关电源。 外置电源原则上不能与内置电源并联,根据COM与外部共线的特点, SINK(sink Current 拉电流)输入方式时,外置电源与内置电源正极相连接;SRCE(source Current 灌电流)输入方式时,外置电源与内置电源负极相连接。

(6) 简单判断SINK(sink Current 拉电流)输入方式,只需要Xn端与负极短路,如果接口指示灯亮就说明是SINK输入方式。共正极的光藕合器,可接NPN型的传感器。SRCE(source Current 灌电流)输入方式,将Xn端与正极短路,如果接口指示灯亮就说明是SRCE输入方式。共负极的光藕合器,可接PNP型的传感器。

(7) 对于2线式的开关量输入,如果是无源触点,SINK与SRCE按上图的输入元件接法,对于2线式的接近开关,需要判断接近开关的极性,正确接入。我公司部分2线式的LJK系列接近开关也有不分极性即可接入接口的,具体参考附带产品说明书。

(8)超高速双端输入电路。主要用于硬件高速计数器(HHSC)的输入使用,接口电压为5VDC,在应用上为确保高速及高噪音抗性通常采用双线驱动方式(Line-Drive)。如果工作频率不高与噪音低也可以采用5VDC的单端SINK或者SRCE接法,串联一个限流电阻转换成24VDC的单端SINK或者SRCE接法。

(9)双输入端双线驱动方式(Line-Drive)。

(10)5VDC的单端SINK或者SRCE接法。

(11)24VDC的单端SINK或者SRCE接法。

注:24VDC供电的传感器,在输入回路上需要串联限流电阻,R1为10Ω,R2为2KΩ,不串联限流电阻,将烧毁接口回路,限流电阻取值2.7KΩ。

3.外部输入元件

1、无源干接点(按钮开关、行程开关、舌簧磁性开关、继电器触点等)

无源干接点比较简单,接线容易。不存在电源的极性,压降等因素,上图3-6中的输入元件正是此类型。这里不重复介绍。

2、有源两线制传感器(接近开关、有源舌簧磁性开关)

有源两线接近开关分直流与交流,此传感器的特点就是两根线,传器输出端导通后,为了保证电路正常工作需要一个保持电压来维持电路工作,通常在3.5-5V的压降,静态泄露电流要小于1mA,这个指标很重要;如果过大,在接近开关没检测信号时,就使PLC的输入端的光电耦合器导通。我公司的LJK系列两线制接近开关静态泄露电流控制在0.35-0.5mA之间适应各类型PLC。

直流两线制接近开关分 二极管极性保护与桥整流极性保护,前者在接PLC时需要注意极性,后者就不需要注意极性。 有源舌簧磁性开关主要用在汽缸上做位置检测,由于需要信号指示,内部有双向二极管回路,因此也不需要注意极性;交流两线制接近开关就不需要注意极性。如图10:

(1) 单端共点SINK输入接线(内部共点端子COM→24V+,外部共线→24V-)。如图11:

(2) 单端共点SRCE输入接线(内部共点端子COM→24V-,外部共线→24V+)。如图12:

(3)S/S端子接法参考图5-图6以及图11-图12。

3、有源三线传感器(电感接近开关、电容接近开关、霍尔接近开关、光电开关等)直流有源三制线接近开关与光电开关输出管使用 三极管输出,因此传感器分NPN和PNP输出,有的产品是四线制,有双NPN或双PNP,只是状态刚好相反,也有NPN和PNP结合的四线输出。

NPN型当传感器有检测信号VT导通,输出端OUT的电流流向负极,输出端OUT电位接近负极,通常说的高电平翻转成低电平。

PNP型当传感器有检测信号VT导通,正极的电流流向输出端OUT,输出端OUT电位接近正极,通常说的低电平翻转成高电平。

电路中三极管的发射极上的电阻为短路保护采样电阻2-3Ω不影响输出电流。三极管的集电极的电阻为上拉与下拉电阻,提供输出电位,方便电平接口的电路,另一种输出的三极管集电极开路输出不接上拉与下拉电阻。

简单说当三极管VT导通,相当于一个接点导通,如图13:

(1) 单端共点SINK输入接线(内部共点端子COM→24V+,外部共线→24V-)。如图14:

(2) 单端共点SRCE输入接线(内部共点端子COM→24V-,外部共线→24V+)。如图15:

(3) S/S端子接法参考图5-图6、图11-图12以及图14-图15。

PLC输入接口电路形式和外接元件(传感器)输出信号形式的多样性,因此在PLC输入模块接线前必要了解PLC输入电路形式和传感器输出信号的形式,才能确保PLC输入模块接线正确无误,在实际应用中才能游刃有余,后期的编程工作和系统稳定奠定基础。

(来源:网络,版权归作者所有)

相关问答

plc先接线还是先编程?

PLC的接线和编程是没有严格意义上的先后顺序的。接线是属于安装的过程,编程是属于软件编写过程,可以同时进行,也可以先把线全部接好,再进行编程,也可以先把...

plc的输出电源接法?

PLC(可编程逻辑控制器)的输出电源接法通常是通过输出模块来实现的。具体的接法可能因不同的PLC型号和制造商而有所不同,但基本原理是相似的。一般来说,PLC的...

plc输出端怎么接线?

PLC输出端口接线一般有以下三种模式:1,继电器输出。2,晶体管输出。3,晶闸管输出。PLC输出方式不同,输出负载所接的电源类型也不同,PLC有输出和输入,输...

PLC输出端如何接线?

将开关电源的DC24V+端接PLC输出端公共端,一般是COM,也有几个输出公用的,看清楚再接(如有的机型是Y0~Y4共一个COM1),公用COM的要注意其他公用端头Y所接负载...

plc输入端接线方法有哪两种?

1、输入公共端共阳极接线:PLC输入公共端COM接开关电源正极,按钮接开关电源负极,按钮另一端接PLC输入X点;2、输入公共端共阴极接线:共阴接法与共阳接法相反...

plc通讯线接法?

目前看,大部分还都是232、485、现在更多的是以太网接口目前看,大部分还都是232、485、现在更多的是以太网接口

plc编程里面有接线端子怎么外部还要接外端继电端子台如何接线?

科技引领生活,爱科技的小青年带你在科技的海洋里无限遨游……PLC的应用已经很广泛了,多用于工业生产控制,很多初学者,看到老前辈配出来的柜子都会问一个问题...

plc接线原理及接线方法?

plc接线原理:PLC的数字量输入接口并不复杂,PLC为了提高抗干扰能力,输入接口都采用光电耦合器来隔离输入信号与内部处理电路的传输。因此,输入端的信号只是驱...

【西门子S7-200PLC怎样接线cpu226,L端接24v正,M端接0v.还是L...

[最佳回答]如果你的PLC是继电器输出型的,则输出端的L24V的正负都可以接,但如果L接24V正,负载的公共端就接负;L接负,负载的公共端就接正.输入端M和输出端L一样,...

PLC输入端接线?

将开关电源的DC24V+端接PLC输出端公共端,一般是COM,也有几个输出公用的,看清楚再接(如有的机型是Y0~Y4共一个COM1),公用COM的要注意其他公用端头Y所接负载...

 张筱兰  iphone5什么时候出 
王经理: 180-0000-0000(微信同号)
10086@qq.com
北京海淀区西三旗街道国际大厦08A座
©2026  上海羊羽卓进出口贸易有限公司  版权所有.All Rights Reserved.  |  程序由Z-BlogPHP强力驱动
网站首页
电话咨询
微信号

QQ

在线咨询真诚为您提供专业解答服务

热线

188-0000-0000
专属服务热线

微信

二维码扫一扫微信交流
顶部