正运动怎么编程plc 工厂中常见的精确运动控制,5分钟后您就能使用PLC编程编码器

小编 97 0

工厂中常见的精确运动控制,5分钟后您就能使用PLC编程编码器

原创不易,每篇文章都倾注了我的心血,大家喜欢的话请点赞并分享,您的支持是我坚持下去的动力!

编码器将信号或数据进行编制、转换为可用以通讯、传输和存储的信号形式的设备。编码器把角位移或直线位移转换成电信号。

编码器按照工作原理可分为增量式和绝对式两类。

增量式编码器是将位移转换成周期性的电信号,再把这个电信号转变成计数脉冲,用脉冲的个数表示位移的大小,增量式编码器一般用于非全闭环系统,工业中大多数编码器都是增量式的。

绝对式编码器的每一个位置对应一个确定的数字码,因此它的示值只与测量的起始和终止位置有关,而与测量的中间过程无关。绝对式编码器一般用于比较频繁的往复运动,多次重复下依然可以保持高准确性,这一点优于增量式的,所以一些精确度比较高的伺服电机配置的就是绝对式编码器。

伺服电机后部的装置就是编码器

按照功能分类编码器大体可以分为测位移编码器和测角度编码器。

测位移编码器是最常见的,使用起来比较方便,只要通过联轴器将编码器安装在轴承的中心,使得运动时编码器一起同心转动即可,比如伺服电机或者车辆控制等等场合。

测角度编码器则是测量物体旋转角度,一般只适用于圆周运动的物体。

在工厂中,编码器与PLC配合使用;对于一般的PLC,比如西门子S7-200,200SMART或者其他品牌的PLC,需要使用高速计数器功能,即物体行走的轴承旋转一圈,编码器旋转一圈,而编码器旋转一圈会向PLC发送固定的脉冲(每个编码器不一样)。而PLC接收信号后需要测量到达目的地时的脉冲数量,如果使用变频器驱动电机的话,可以设置快慢速,提前减速,然后慢速开到目标位停车,以此达到精准定位的目的。

那么编码器是如何接入PLC系统的呢?

首先确认编码器是什么类型的?需要接到PLC的哪个通道上?

我们以西门子S7-200smart配合常见的AB正相交编码器为例;

西门子S7-200smart共有四个高速计数器通道,为:HSC0/HSC1/HSC2/HSC3。其中HSC0和HSC2可接的编码器种类较多,我们将编码器接到HSC0通道。

接线;上述的编码器为五根线,其中有24V,0V,A+,B+和屏蔽线,按照图纸将A+,B+接到I0.0和I0.1上。

接完线后,我们需要在PLC里配置编码器信息;S7-200smart有两种方式可以配置编码器信息;

1 高速计数器向导,向导体现了西门子的人性化,使用起来比较方便,按照编码器参数输入进去后会生成一个子程序,直接调用该子程序即可。

通过向导设置参数

2 通过程序设置,如果通过程序本身,我们需要按照编码器参数对两个系统存储器进行赋值。

参数说明,请按照编码器参数设置

程序编程

编程说明;在PLC上电时SBR0对编码器进行系统设置,并且将上次停机时的数值记录进去,即保存上次PLC停机前的状态。然后将编码器值发送给VD350进行计算,在I0.7触发的情况下跳入SBR1进行清零操作,如果需要进一步计算的话请使用VD350进行转换。

最后使用编码器大家需要谨记;

1 编码器本身分为PNP和NPN,使用时请注意区分。

2 编码器属于精密设备,需要单端接地,即接到PLC侧的地线上。

3 编写程序时,请先将编码器设置,即用上电后置位一个周期的功能,原因之前我们也讲过,大家可以翻看。

4 如果干扰过大请使用程序滤波,以前的文章有怎么滤波,但滤波后需测试是否存在丢数据现象。

5 编码器的运动属于圆周运动,安装非常严格,否则会影响编码器使用寿命。

这是一个非常好的可以停机保存编码器记录的程序例子。希望大家可以以此学会编码器。

(如果喜欢这篇文章,请点赞并关注,更多原创的工业应用以及PLC学习的文章等着你)

运动控制最高端的伺服系统,怎么使用PLC进行编程?5分钟就学会

原创不易,请勿抄袭!

上篇文章我们学习了变频器和伺服系统的区别。那么今天和大家聊一下,伺服驱动器的接线、编程方法以及注意事项。

伺服驱动器使用方法大体和变频器一样,在这里需要注意的是伺服驱动器的选型不只有功率一个参数,还有低惯量和高惯量。

低惯量类型一般转矩低,转速高,适合一些负载轻,运动频繁的控制。高惯量类型转矩高,转速低,适合一些负载较大的控制。所以需要根据现场情况选择合适的驱动器,否则要不就是转速跟不上,要不就是电机过热影响寿命。

这里我们以松下A5系列伺服驱动器配合西门子S7-200smart为例说明。

第一步,先接线,A5系列伺服驱动器需要接线的端子共有XA(供电电源的控制电源)、XB(电机输出线)、X4(控制线)和X6(电机编码器线)。我们看下接线图。(如果需要使用绝对位置控制,即是使用绝对编码器的话还需要通讯,绝对位置控制本身照比相对位置控制更加准确,且不受外界因素影响,缺点是绝对位置编码器不好维护,出现问题后需要手动复位,复位过程较麻烦,而且松下的驱动器为了保证绝对编码器的精度和安全,通讯使用的是很复杂的多次校验,对于新手很不友好,需要先学习中断,本篇文章不做拓展,如果敢兴趣的话请在评论区留言)

控制端子上有很多保护端子,需要将这些端子都短接才能正常使用

绝对编码器通讯数据图

接完线后我们需要在驱动器上设置控制模式,参数等等。

其中,伺服系统的控制模式分为

一:位置控制模式

二:速度控制模式

三:转矩控制模式

四:全闭环控制模式

根据需要驱动的设备选择模式,每个模式的参数设置方法都不相同,但只要熟悉一个其他的调试起来也很快。

这只是试运行参数,并不是所有参数,参数设置请参考驱动器手册

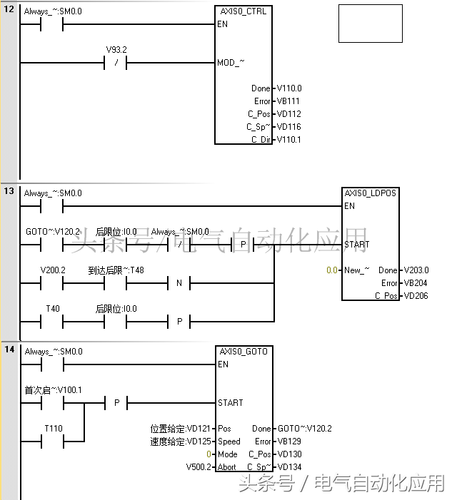
设置完参数后我们看下程序,以前我们说过,西门子s7-200smart系列对运动控制支持得很好,不仅最大脉冲数足够,而且运动控制非常方便,不需要拓展库文件。

打开S7-200smart软件后添加运动向导(轴的区别只在于输出的Q点不同)

按照电机参数和机械尺寸填写实际数据,以便与真实位置对应。

选择一种模式,这种方式便于直观输出。

前后急停限位,安全措施。

手动速度和最大速度,根据电机数据填写。

清零功能

控制端子,按照接线图接线即可

程序注释;第一行为驱动器使能行,没有的话驱动器无法动作,可以用来做紧急制动。

第二行为编码器清零,此文中的编码器为相对式。第三行为控制输出行,其中START端子应该由上升沿控制,文章中的是一个往复运动的例子。除了以上三个程序指令,运动控制还有其他功能,等着您来探索。

每篇文章都倾注了我的心血,请大家支持原创!喜欢的话请点赞并分享,您的支持是我坚持下去的动力!送人玫瑰,手有余香!

相关问答

用PLC控制两个单动气缸先后运动,怎么控制?

Y1控制气缸1,单向气缸的话,只能断开Y1,气缸缩回;Y2控制气缸2,可以用Y1与Y2实现互锁,Y1闭合,气缸2断,Y2闭合,气缸1断;如果要等气缸就位后再动,只...Y1控...

机械手plc控制程序详解?

机械手PLC控制程序是指通过编程控制工业机械手的运动路径、速度和动作序列,实现对生产线上产品的抓取、放置和装配等操作。该控制程序通常使用PLC(Programmab...

步进电机闭环plc如何编程?

以下是步进电机闭环PLC编程的基本流程:1.确定系统的控制目标和规划。这一步需要定义程序需要控制的步进电机的型号、控制器和其他参数。2.确定系统的输入...

用c++编写程序可以驱动plc工作吗?

你所提的两个方案不同点只在于选用运动控制卡或者PLC,最好做一下方案对比,如果价格相差不大,还是坚持选用你熟悉的方案为好。否则,你需要学会PLC编程,要取...

plc怎么实现自动循环?

用按钮触发后,用延时器控制自动无限循环运动,配合计数器可实现有限循环。例:用两个按钮一开(X0)一闭(X1)控制一个线圈Y0并自锁Y0的电路谁都会做吧。先...用...

plc怎么连接和控制伺服电机-霓为衣summer的回答-懂得

plc连接和控制伺服电机通过专用的数据线,就可以将他们有机的联系起来,构成一套比较完整的自动化控制系统,其连接顺序如图所示:就伺服驱动器的响应速...

plc如何控制伺服电机?

你好,PLC可以通过以下步骤来控制伺服电机:1.首先,需要将伺服电机连接到PLC的数字输出端口或模拟输出端口。2.然后,在PLC中设置输出信号的频率和幅度,以...

用三菱plc(FX2N)编程控制线性的运动,输出模块FX2N-4DA?

编程思路:1、初始化输出模块:参照FX2N-4DA手册用TO指令设置参数,模块置为-10v~10v输出模式。这样数字量0~1000对应输出0~5V。2、赋值D1=0,D2=1000,将用...

plc如何实现位置控制的正反转?

为了方便操作和保证Y0和Y1不会同时为ON,在梯形图中还设置了“按钮联锁”,即将反转起动按钮X1的常闭触点与控制正转的Y0的线圈串联,将正转起动按钮X0的常闭触点...

plc脉冲输出的例子?

PLC(可编程逻辑控制器)的脉冲输出用于控制外部设备的动作、工作节奏或执行特定的操作。以下是几个PLC脉冲输出的例子:1.控制电机:PLC可以通过脉冲输出信号...