直播课堂
HOME
直播课堂
正文内容
plc顺序控制编程列子 PLC顺序控制,行业大牛的图文案例讲述
发布时间 : 2026-01-02
作者 : 小编
访问数量 : 23
扫码分享至微信

PLC顺序控制,行业大牛的图文案例讲述

什么是顺序控制,顾名思义,就是按照一定的顺序,执行相应的动作。

普通的动作,我们只需要根据一定的逻辑,去编写程序,想到什么,就写什么,写法非常灵活。但是,假设一套设备,动作非常多,非常复杂,用普通对的编程逻辑去写的话,会非常麻烦,这个时候就需要使用到顺序控制。

顺序控制的优点有以下几点,一是可以更清晰、简洁地去分布程序的动作,方便编程;二是监控程序的时候能够清晰的知道程序运行到哪一步了,出问题了能很快找到问题点,方便维护。

每个类型的plc都会有对应的顺序控制的编程方法。三菱plc专门用来做顺序控制的是使用SFC程序;当然,这只是顺序控制的其中一种方法,还可以使用数据寄存器D来保存程序的动作;也可以通过中间继电器M作为标志位,记录程序的动作。

今天,我们重点讲解用数据寄存器D保存程序动作的方法,下面看具体案例:

如下图,有两台电机M1、M2,分别能够控制A、B两个平台进行左移右移动作,每个平台都有左右限位,具体I/O分布如表所示

要求动作如下表所示

拿到这样一道题目,不是马上就开始写程序,要做的第一步是把状态转移图画出来,如下图:

上图中的红色文字指的是步号,第一步是A右行,第二步是B左行,我们可以用一个数据寄存器D0对其动作进行记录,用MOV指令进行给定。比如按下X4按钮时,用mov指令给寄存器D0传送一个K1的数值,表示进入了第一步,这些。用等于指令,当D0等于1时,输出Y1的动作,让A平台右行。

下面我们来看下具体程序的编写(程序里面还使用了暂停功能,使用X5输出控制M8034,这样Y点就暂停输出了,设备就停止动作,但是,动作的记录寄存器D0并没有复位,只要再次按下启动按钮X4,接触M8034的自锁,设备就能按照原本的动作执行动作。程序也有停止功能,按下X6时,所有输出的Y点都停止,同时复位D0寄存器,这样设备就只能重新开始动作)

(以上内容为均为技成原创,作者:陈育鑫,未经授权不得转载,违者必究!)

往期优秀文章回顾:

新手学西门子PLC,要从哪开始?「附PLC与电动机控制精品讲解」

3分钟轻松学会一个经典的PLC编程案例:三台电机顺序启动逆序停止

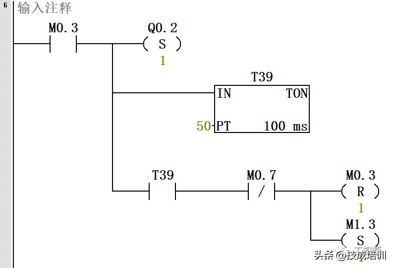
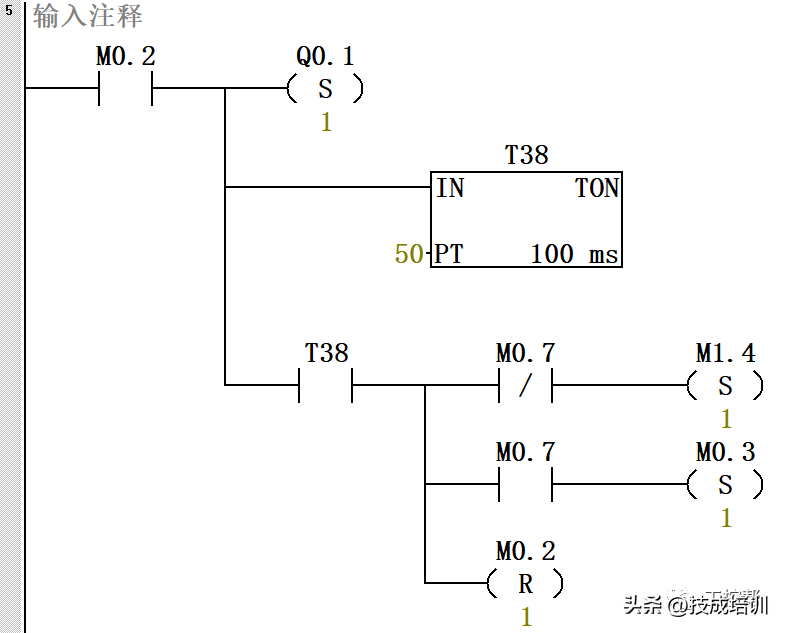
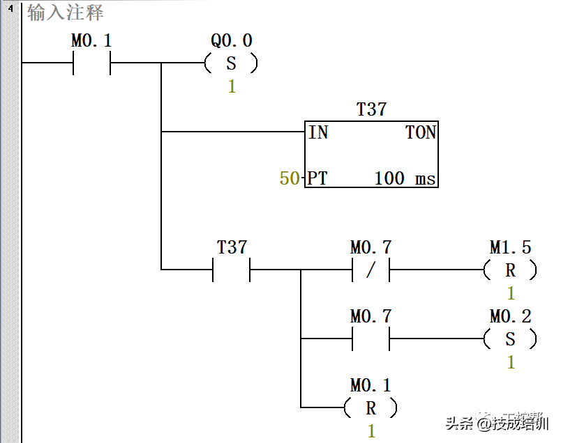
本文给大家分享一个PLC编程中很经典的应用案例,电机顺序启动逆序停止。在实际生产中我们经常会碰到多台电机运行,启动时,后面的电机必须在前面电机启动后才能运行,而停止的时候,后启动的先停止。程序如何编写呢?今天小编就给大家介绍一种简单实用的方法。

控制要求如下:

三台电机通过西门子S7-200SMART SR20 PLC的Q0.0~Q0.2控制,按下启动信号I0.0,每隔5秒顺序启动三台电机,按下停止信号I0.1时每个3S逆序停止3台电机,如果三台电机还没有全部启动完,按了停止按钮则每隔3S逆序依次停止已经启动的电机。

程序如下:

1.先写初始化,清除M区的状态,启动后在没有按停止前按启动按钮无效。

2.启动第一台电机,如果此时按下了停止则接通第九段程序,停止运行。

3.同理启动第二台电机,如果此时按下了停止则接通第八段程序,逆序停止。

4.启动第三台电机:

免责声明:本文转自网络,版权归原作者所有,如涉及作品版权问题,请及时与我们联系删除,谢谢!

相关问答

PLC顺序控制梯形图的编程方法?

1.顺序控制梯形图是一种常用的PLC编程方法,用于控制机器或设备的运行流程。2.编程方法包括以下几个步骤:-明确控制流程和需要控制的设备或机器的输入输出信号...

step7micro/win能绘制plc顺序功能图吗?

西门子200中是有顺序控制的专门指令的,但是你说的顺序功能图,可能西门子200的会和你期望的不大一样,但是,其实顺序控制的功能实现了,视图习惯不习惯,就不那...西...

西门子PLC顺序控制指令的简介?

西门子S7-200系列PLC提供了顺序流程的相关指令,即顺序控制继电器指令LSCR、SCRT、SCRE。LSCRn是标记一个顺序控制器段(SCR)的开始,n为顺序控制器S的地址,当n...

博途plc顺序控制方式?

关于这个问题,博途PLC的顺序控制方式包括:1.程序控制:程序控制是通过程序实现顺序控制的一种方式,可以根据实际需要编写相应的程序,实现对工艺流程的控制...

用PLC实现彩灯的顺序循环点亮控制?

要用PLC实现彩灯的顺序循环点亮控制,可以按照以下步骤进行:1.确定需要控制的彩灯数量和控制顺序,设计电路连接方式,并将彩灯的正极连接到PLC的输出端口上。...

西门子S7-200PLC控制三台电动机隔一定时间次序启动,求梯形图...

PLC里的定时器既是电动机启动的条件同时也是顺序转移的满足条件,注意输出Q不要放在顺序段里用M驱动Q,Q加上自保我前年帮人做了一套这样的设备,可惜没存档S7-2...

plc的run模式下执行顺序是?

在PLC的RUN模式下,执行顺序如下:首先,PLC会读取输入信号,包括传感器和开关状态。然后,PLC会根据程序逻辑进行数据处理和运算。接下来,PLC会根据程序中的...

plc实现顺序控制要用SFC吗?

PLC(ProgrammableLogicController)实现顺序控制时,并不一定要使用SFC(SequenceFunctionChart)。SFC是一种图形化编程工具,用于描述和设计顺...

plc顺序图的优缺点?

一.顺序图的缺点1.没有特別明确的表达与对象之间的关系。2.在表示并发出控制流方面有很大的困难。二.顺序图的优点1.描述了交互过程中的时间顺序与排列。2...

plc电动机顺序启停控制原理?

用plc编程序,一个启动开关,一个停止开关,两个继电器,两个接触器,3个输入点,两个输出点,启动+停止+启动开关自锁=1个输出,控制继电器线圈,线圈常开点接控...用...

 演艺圈悲惨事件种子  赖声川话剧 
王经理: 180-0000-0000(微信同号)
10086@qq.com
北京海淀区西三旗街道国际大厦08A座
©2026  上海羊羽卓进出口贸易有限公司  版权所有.All Rights Reserved.  |  程序由Z-BlogPHP强力驱动
网站首页
电话咨询
微信号

QQ

在线咨询真诚为您提供专业解答服务

热线

188-0000-0000
专属服务热线

微信

二维码扫一扫微信交流
顶部