研选课堂
HOME
研选课堂
正文内容
三菱plc编程编程手册 三菱PLC编程软件使用方法,程序编写及仿真调试教程
发布时间 : 2026-01-09
作者 : 小编
访问数量 : 23
扫码分享至微信

三菱PLC编程软件使用方法、程序编写及仿真调试教程

今天给大家分享三菱PLC编程软件的使用方法,有需要的可收藏,小编整理不易,希望多多转发点赞评论~

【文末免费领取PLC学习资料】

【文末免费领取PLC学习资料】

【文末免费领取PLC学习资料】

【文末免费领取PLC学习资料】

【文末免费领取PLC学习资料】

【文末免费领取PLC学习资料】

【文末免费领取PLC学习资料】

【文末免费领取PLC学习资料】

【文末免费领取PLC学习资料】

(来源:网络,版权归原作者所有,侵删)

PLC编程基本功:梯形图与控制线路(附1164个三菱PLC实用案例)

PLC的软件编程语言与一般计算机语言相比,具有明显的特点,它既不同于高级语言,也不同于一般的汇编语言,且要满足易于编写和调试的要求。

早期的PLC仅支持梯形图编程语言和指令表编程语言,现根据国际电工委员会制定了五种能支持PLC编程的语言,分别是:梯形图Delete(LD)、指令表Delete(IL)、功能模块图Delete(FBD)、顺序功能流程图Delete(SFC)、结构化文本Delete(ST)等等,今天给大家分享一些PLC的控制线路和梯形图,这算是比较基础实用的部分,一起来看看吧!

起动、自锁和停止控制的PLC线路与梯形图

起动、自锁和停止控制能使用驱动指令(OUT),也能够使用置位指令(SET、RST)来实现。

关注+私信,后台回复【资料】

立即免费领取三菱软件+手册+案例

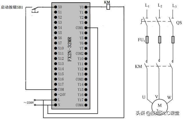
1、采用线圈驱动指令实现起动、自锁和停止控制

线路与梯形图说明:

点击起动按钮SB1时,PLC内部梯形图程序中的起动触点X000闭合,输出线圈Y000得电,输出端子Y0内部硬触点闭合,Y0端子与COM端子之间内部接通,接触器线圈KM得电,主电路中的KM主触点闭合,电动机得电起动。

点击停止按钮SB2时,PLC内部梯形图程序中的停止触点X001断开,输出线圈Y000失电, Y0、COM端子之间的内部硬触点断开,接触器线圈KM失电,主电路中的KM主触点断开,电动机失电停转。

关注+私信,后台回复【资料】

立即免费领取三菱软件+手册+案例

2、采用置位复位指令实现起动、自锁和停止控制

其PLC接线图与上面类似。

线路与梯形图说明:

点击起动按钮SB1时,梯形图中的起动触点X000闭合,[SET Y000]指令执行,指令执行结果将输出继电器线圈Y000置1,相当于线圈Y000得电,使Y0、COM端子之间的内部硬触点接通,接触器线圈KM得电,主电路中的KM主触点闭合,电动机得电起动。

点击停止按钮SB2时,梯形图程序中的停止触点X001闭合,[RST Y000]指令被执行,指令执行结果将输出线圈Y000复位,相当于线圈Y000失电,Y0、COM端子之间的内部硬触点断开,接触器线圈KM失电,主电路中的KM主触点断开,电动机失电停转。

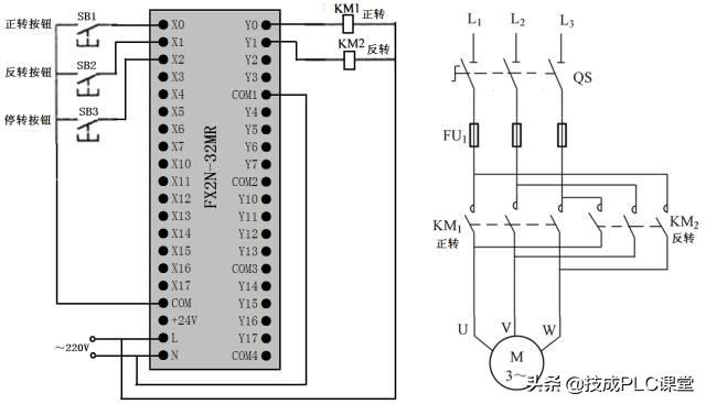
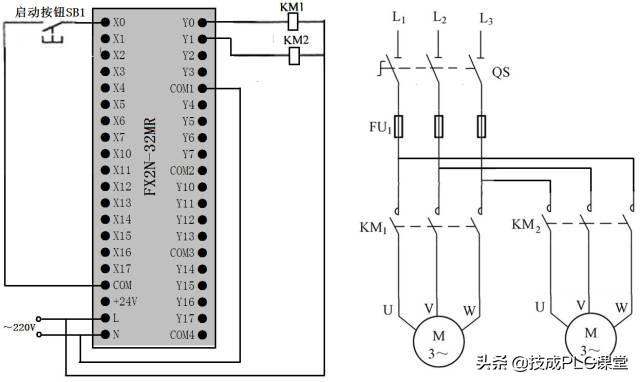
正、反转联锁控制的PLC线路与梯形图

关注+私信,后台回复【资料】

立即免费领取三菱软件+手册+案例

线路与梯形图说明如下:

1)正转联锁控制

点击正转按钮SB1→梯形图程序中的正转触点X000闭合→线圈Y000得电→Y000自锁触点闭合,Y000联锁触点断开,Y0端子与COM端子间的内部硬触点闭合→Y000自锁触点闭合,使线圈Y000在X000触点断开后仍可得电;Y000联锁触点断开,使线圈Y001即使在X001触点闭合(误操作SB2引起)时也无法得电,实现联锁控制;Y0端子与COM端子间的内部硬触点闭合,接触器KM1线圈得电,主电路中的KM1主触点闭合,电动机得电正转。

2)反转联锁控制

点击反转按钮SB2→梯形图程序中的反转触点X001闭合→线圈Y001得电→Y001自锁触点闭合,Y001联锁触点断开,Y1端子与COM端子间的内部硬触点闭合→Y001自锁触点闭合,使线圈Y001在X001触点断开后继续得电;Y001联锁触点断开,使线圈Y000即使在X000触点闭合(误操作SB1引起)时也无法得电,实现联锁控制;Y1端子与COM端子间的内部硬触点闭合,接触器KM2线圈得电,主电路中的KM2主触点闭合,电动机得电反转。

3)停转控制

点击停止按钮SB3→梯形图程序中的两个停止触点X002均断开→线圈Y000、Y001均失电→接触器KM1、KM2线圈均失电→主电路中的KM1、KM2主触点均断开,电动机失电停转。

多地控制的PLC线路与梯形图

1)单人多地控制

甲地起动控制。在甲地点击起动按钮SB1时→X000常开触点闭合→线圈Y000得电→Y000常开自锁触点闭合,Y0端子内部硬触点闭合→Y000常开自锁触点闭合锁定Y000线圈供电,Y0端子内部硬触点闭合使接触器线圈KM得电→主电路中的KM主触点闭合,电动机得电运转。

甲地停止控制。在甲地点击停止按钮SB2时→X001常闭触点断开→线圈Y000失电→Y000常开自锁触点断开,Y0端子内部硬触点断开→接触器线圈KM失电→主电路中的KM主触点断开,电动机失电停转。

关注+私信,后台回复【资料】

立即免费领取三菱软件+手册+案例

2)多人多地控制

起动控制。在甲、乙、丙三个地点一起点击按钮SB1、SB3、SB5→线圈Y000得电→Y000常开自锁触点闭合,Y0端子的内部硬触点闭合→Y000线圈供电锁定,接触器线圈KM得电→主电路中的KM主触点闭合,电动机得电运转。

停止控制。在甲、乙、丙三个地点一起点击SB2、SB4、SB6中的某个停止按钮时→线圈Y000失电→Y000常开自锁触点断开,Y0端子内部硬触点断开→Y000常开自锁触点断开使Y000线圈供电切断,Y0端子的内部硬触点断开使接触器线圈KM失电→主电路中的KM主触点断开,电动机失电停转。

定时控制的PLC线路与梯形图

1、延时起动定时运行控制的PLC线路与梯形图

它能实现:按下起动按钮3秒钟后,电动机起动工作,工作5秒钟后自行叫停。

PLC线路与梯形图说明如下:

2、多定时器组合控制的PLC线路与梯形图

它可以实现:点击起动按钮后电动机B马上运行,30秒钟后电动机A开始工作,70秒后电动机B停转,100秒后电动机A停转。

关注+私信,后台回复【资料】

立即免费领取三菱软件+手册+案例

PLC线路与梯形图说明如下:

定时器与计数器组合延长定时控制的PLC线路与梯形图

三菱FX系列PLC的最长定时时间为3276.7s(约54min),使用定时器和计数器能够拉长定时时间。

PLC线路与梯形图说明如下:

图中的定时器T0定时单位为0.1s(100ms),它与计数器C0搭配用之后,它的定时时间T=30000×0.1秒×30000=90000000秒=25000小时。如果需要重新定时,可以把开关QS2断开,让[2]X000常闭触点闭合,然后“RST C0”指令执行,之后计数器C0进行复位,然后再闭合QS2,就会重新开始250000小时定时。

关注+私信,后台回复【资料】

立即免费领取三菱软件+手册+案例

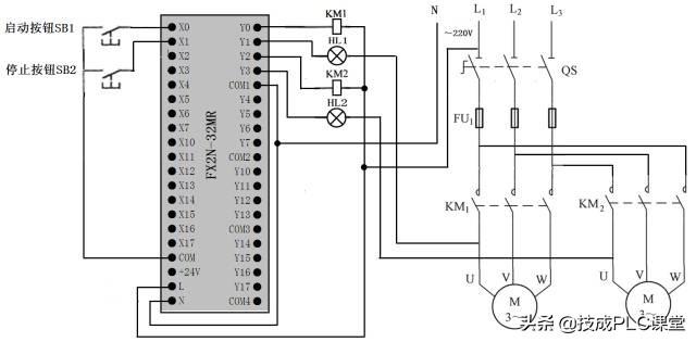
多重输出控制的PLC线路与梯形图

PLC线路与梯形图说明如下:

1)起动控制

2)停止控制

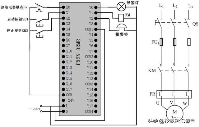
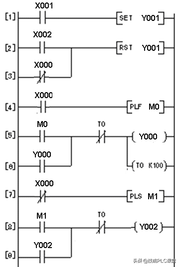
过载报警控制的PLC线路与梯形图

PLC线路与梯形图说明:

1)起动控制

点击起动按钮SB1→[1]X001常开触点闭合→[SET Y001]指令执行→Y001线圈被置位,即Y001线圈得电→Y1端子内部硬触点闭合→接触器KM线圈得电→KM主触点闭合→电动机得电运转。

2)停止控制

点击停止按钮SB2→[2]X002常开触点闭合→[RST Y001]指令执行→Y001线圈被复位,即Y001线圈失电→Y1端子内部硬触点断开→接触器KM线圈失电→KM主触点断开→电动机失电停转。

关注+私信,后台回复【资料】

立即免费领取三菱软件+手册+案例

3)过载保护及报警控制

闪烁控制的PLC线路与梯形图

线路与梯形图说明:

把开关QS闭合→X000常开触点闭合→定时器T0开始3s计时→3s后,定时器T0动作,T0常开触点闭合→定时器T1开始3s计时,与此同时Y000得电,Y0端子内部硬触点闭合,灯HL点亮→3s后,定时器T1动作,T1常闭触点断开→定时器T0复位,T0常开触点断开→Y000线圈失电,同时定时器T1复位→Y000线圈失电使灯HL熄灭;定时器T1复位使T1闭合,因为开关QS依旧是闭合状态,所以X000常开触点也是闭合,定时器T0又开始重新3s计时。

之后重复上述过程,灯HL保持3s亮、3s灭的频率闪烁发光。

相关练习

喷泉的PLC控制

系统要求用两个按钮来控制A、B、C三组喷头工作(通过控制三组喷头的电动机来实现),三组喷头排列如图4-32所示。系统控制要求具体如下:

当按下起动按钮后,A组喷头先喷5s后停止,然后B、C组喷头同时喷,5s后,B组喷头停止、C组喷头继续喷5s再停止,而后A、B组喷头喷7s,C组喷头在这7s的前2s内停止,后5s内喷水,接着A、B、C三组喷头同时停止3s,以后重复前述过程。按下停止按钮后,三组喷头同时停止喷水。

相关问答

三菱宏程序编写方法?

没有明确的结论,因为编写方法因编程语言和应用场景而异,下面仅给出一个参考。解释具体是什么,需要考虑三菱PLC使用哪种编程语言,以及宏程序的具体应用场景。...

三菱PLC怎么编程和读取程序。具体的型号是:电源的型号是Q61P...

如果是自己写的,利用三菱PLC编程软件可以进行编程以及对PLC进行程序的上传。就可以将PLC里的程序保存在电脑里。1、电脑安装GXDeveloperV7.5以上的编程软件...

三菱plc怎么编程?

1、三菱plc编程方法首先,我们需要在开始菜单中打开三菱PLC编程软件GXDeveloper:2、然后,需要从工程菜单中创建新工程,并选择使用plc的系列及类型:3、接...

三菱亚龙plc编程程序?

三菱PLC编程软件的安装步骤如下:1、鼠标右键点击下载好的三菱PLC安装包,把安装包解压到指定文件夹。2、解压压缩包之后,会有一个文件夹出现,打开文件夹,找...

如何实现三菱plc的示教编程?

实现三菱PLC的示教编程,需按以下步骤进行:1.连接PLC至电源并通过编程器连接至计算机。2.在浏览器中打开编程软件并创建新工程。3.配置PLC参数(例如CPU型...

三菱plc编程指令?

展开全部以下是三菱plc常用的指令,还有不懂的可以问我一程序流程控制指令—FNC00~0900CJ条件转移01CALL子程序调用02SRET子程序返回03IRET中断...

三菱plc编程指令?

三菱PLC编程指令是用于控制和操作三菱PLC的特定命令。常见的指令包括:LD(逻辑与)、LDP(逻辑与带优先级)、OR(逻辑或)、AND(逻辑与)、OUT(输出)、SET(...三菱P...

求文档:三菱PLC编程用电脑怎么样直接用指令语言写-ZOL问答

有专门的编程软件,为什么还要用指令语言?重新安装一个版本5条回答:【推荐答案】以前旧版本的FXwin32就可以用指令语言编写,现在新版本确实找不到。

三菱PLC是怎么写程序的?

三菱PLC的程序编写可以使用GXDeveloper软件进行,用户可以选择不同的编程语言进行编写,包括LadderDiagram、FunctionBlockDiagram、Structured...

三菱plc程序调试?

恩,是的,您说的是对的。1.用三菱plc编程软件通过编程软件将plc连接起来,PLC上电,上传plc程序,然后在线监控,您可以看到plc内部程序里存储器,软元件情况...

 造粒  吉姆布朗 
王经理: 180-0000-0000(微信同号)
10086@qq.com
北京海淀区西三旗街道国际大厦08A座
©2026  上海羊羽卓进出口贸易有限公司  版权所有.All Rights Reserved.  |  程序由Z-BlogPHP强力驱动
网站首页
电话咨询
微信号

QQ

在线咨询真诚为您提供专业解答服务

热线

188-0000-0000
专属服务热线

微信

二维码扫一扫微信交流
顶部