学了数控编程会plc编程吗 森玛德数控:教你如何让在短时间内学会数控机床的PLC编程

小编 97 0

森玛德数控:教你如何让在短时间内学会数控机床的PLC编程

森玛德数控:教你如何让在短时间内学会数控机床的PLC编程,必看

  工业机器人是由很多电机来执行动作的,其实控制工业机器人本质上就是控制那几个电机正转、反转、转快点、或者转大力点等。

  这个相信大家都可以理解吧。

  那么为了控制这几个电机按你的意思动作,自然就需要PLC作为一个控制平台,给你编写程序咯。

  数控机床也是一样的,想要数控机床通过一系列逻辑指令来运作,自然也是需要进行编程的。

  那么大家知道数控机床是怎么运作的吗?今日与大家分享的是数控机器人的PLC编程。

  数控机床的PLC提供了完整的编程语言,利用编程语言,按照不同的控制要求可编制不同的控制程序。

  梯形图方法是现在使用最广泛的编程方法,在形式上类似于电器控制电路图,简单、直观、易读、好懂。

  数控机床中的 PLC 编程步骤如下:

(1) 确定控制对象 ;

(2) 制作输入和输出信号电路原理图、地址表和 PLC 数据表 ;

(3) 在分析数控机床工作原理或动作顺序的基础上,用流程图、时序图等描述信号与机床运动之间的逻辑顺序关系,设计制作梯形图 ;

(4) 把梯形图转换成指令表的格式,然后用编程器键盘写入顺序程序,接下来用仿真装置或模拟台进行调试、修改 ;

(5) 将经过反复调试并确认无误的顺序程序固化到 EPROM 中,并将程序存入软盘或光盘,同时整理出有关图纸及维修所需资料。

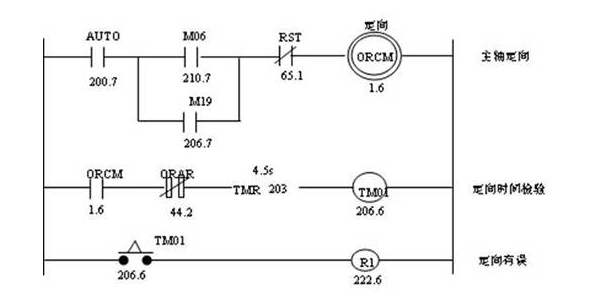
  下面以数控机床主轴定向控制为例说明PLC在数控机床上的应用。

  在数控机床进行加工时,自动交换刀具或精镗孔都要用到主轴定向功能。图1所示为主轴定向功能的PLC控制梯形图。

  图中AUTO为自动工作状态信号,手动时AUTO为“0”,自动时为“1”。

M06是换刀指令,M19是主轴定向指令,这两个信号并联作主轴定向控制的控制信号。

RST为CNC系统的复位信号。

ORCM为主轴定向继电器。

ORAR为从机床输入的定向到位信号。

  另外,这里还设置了定时器TMR功能,来检测主轴定向是否在规定时间内完成。

  通过手动数据输入(MDI)面板在监视器上设定4.5秒的延时数据,并存储在第203号数据存储单元。

  当在4.5秒内不能完成定向控制时,将发出报警信号。

Rl为报警继电器。图中的梯形图符号边的数据表示PLC内部存储器的单元地址,如200.7表示数据存储器中第200号存储单元的第7位,这些地址可由PLC程序编制人员根据需要来指定。

PLC通过一系列逻辑指令来控制机器的动作。

PLC只是一种控制的手段,通过PLC来控制电机运转,控制机器人动作。

  所以,学会了PLC编程就可以让数控机床听你指挥。

学CNC操机有前途吗?就业前景怎么样?

数控机床编程其实包括两大类,一类就是造机床的需要编程,就是针对一种数控系统,进行功能开发或者功能追加,比如发那科系统就要针对专门的PLC(PMC)进行编程,进行机床功能开发,另外一种就是用数控机床加工零件或者模具的编程,我猜你应该是第二种。直接数控(DNC)操作:在DNC数控加工前要先装夹好工件,定好零位,设定好参数。数据对于驱动CNC机器甚至3D打印过程的使用方式至关重要。数控加工是当今机械制造中的先进加工技术,是一种具有高效率、高精度与高柔性特点的自动化加工方法。沙迪克集团在其制造理念的基础上,支持各种制造工程,包括:模具加工的CAD/CAM产品设计、模具零部件的放电加工、高速铣削中心、精加工面的电子束精加工以及注塑成型加工和线性加工技术。CNC 数控加工工艺也遵守机械加工切削规律,与普通机床的加工艺大体相同。

1.是脱离纯打工处境的捷径,为什么这么讲,大家知道,学铣床你必须学会编程你才算真正独立工作,而冲床就不一样,会SETUP就已经可以了,编程则作为专门的职位,有专人在编程,你要做的就是把程序那里把零件加工出来,反过来讲,一旦你成为programmer就不要在车间干活了,你就到office,到技术部门去编程了,不再属于labor,而这个过程,如果你努力的话,有1年时间就可以达到。

2.就业面广,具有turret punch machine的工厂肯定有CNC punch press, CNC brake press machine, 相当部分公司还会有laser cutting system(CNC),一部分公司有AMADA等全自动punch machine,它们全部是CNC, 所以工作机会非常多,一旦有操作全自动punch machine(如AMADA)经验,工资起薪可达到18/小时,即使是junior再低也要15元/小时,也就是说在这几种工作中你可以不局限在某一个机种,只要找到其中一种机器,你就和CNC挂上钩了,也和冲床挂上钩了。如想提升自己,可以学一下编程,它能让你更高效地完成您的工作,让您的发展更上一个台阶,随时找到满意的工作。

相关问答

数控机床上的plc编程如何去学习?

数控机床现在有很多的控制系统,比如FANUC,三菱或者西门子的数控系统,所以你要学习数控机床中的PLC编程,首先你要确定一个品牌,然后去学习它的PLC编程知识!...数...

是学plc好还是数控好?

是学plc好还是数控好这两个的差别还是蛮大的虽说都是做编程的,一个是plc系统的编程,一个是CNN系统的。相比较而言plc学习掌握的东西比较多,强电、弱电以及最...

学习数控编程好还是plc编程好?

数控编程和PLC编程各有其独特的优势。数控编程更适合用于控制机器工具进行精密加工和制造,涉及到复杂的三维加工路径和高精度的加工要求。而PLC编程更适用于工...

数控编程与plc编程的区别?

PLC编程与数控编程不同点:1.plc主要是用于非标自动化设备,而数控是针对标准机台(如车床、铣床,磨床等)。2.plc编程是开放的平台,可以根据自己的想法随意...

大专机械制造专业里面能学到数控方面的吗?

在大专机械制造专业中,通常会学习数控方面的知识。数控是现代制造业中不可或缺的技术,因此在此专业学习过程中,学生会接触到数控编程、机床操作和数控加工等内...

高职录到数控技术专业,好多朋友都说这专业不好,希望这方面的朋友们给我点建议?

数控机床是科技现代化的产物,它融合了机械,电路,自动化等多门学科,学好数控技术前景十分不错,国外跟多国家像日本,德国的数控机床技术更加先进,他们吸收工...长...

机械或电气及自动化专业需要学编程吗?-xx_小飞俠xx的回答...

机械类主要学习CAD,SolidWorks,Pro\E等制图软件,这是必须的基础。如果向上还可以学习Ansys(做分析的软件,如零件强度等等,这个比较高端,大学里用的...

西门子802S数控系统,可以用WINPIC传文件,但不能用PLC编程软件,上载和下载文件为什么?

要传输PLC软件当然不行,需要下载专用软件Programming_Tool_PLC802。这个通常是TOOLBOX盒中,可以在网上下载。ProgrammingToolPLC802是西门子数控系...

数控编程初学者怎样入门?

如果机械加工方面的基础已经具备,那么第一步是学习数控原理,然后是数控机床坐标系,再学数控编程基本指令,编写简单的数控程序,学习数控机床操作。相关的书...

电气行业好还是编程行业?

我是做电气的,从事电气PLC自动化有十多年了,电气也有编程,主要是PLC自动化编程,而你所说的编程行业,估计是数控编程。老实说,电气PLC应用更加广,而数控编...