plc编程画圈是怎么编程的 PLC试验台的相关接线解答

小编 97 0

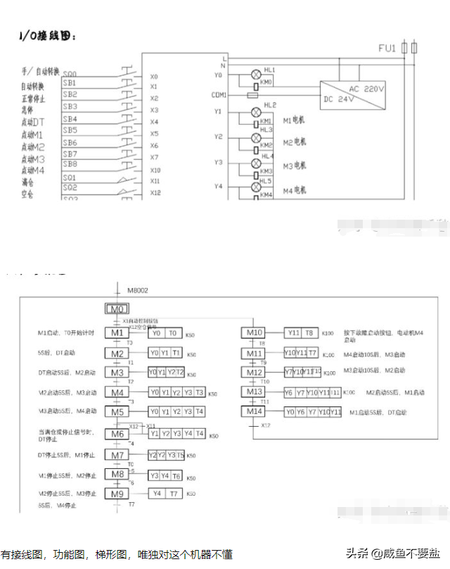
PLC试验台的相关接线解答

问题:

谁能指导我一下,plc程序怎么接线啊?让我们做一个皮带运输机PLC控制系统,要求接线,可是面对这个机器一窍不通。上学期疫情影响,plc实训推后,这学期来啥也不知道了。

解答:

接线根据I/O接线图来接即可。不过这I/O接线图有些问题(这里先不管接线图的对错了)。

类似学校的这种实训台,只是用来仿真的,里面都是LED,功率都不大,且都是直流24的电压。这种设备的话随便接直流24的电源,接错了也没关系,PLC烧坏可能性不大。只要别接交流220V。

1、接公共端(所有画圈的全部要与“公共端M”相连,这里的M应该就是DC0V。不确定的可以用万用表量一下电压)

2、+24V与V+相连。

3、其余的点根据I/O地址一一对应就行了。

简而言之就是个连线题。比如SB1就与X1相连、SB2与X2相连、M1与Y1相连。都是重复的过程且太多了就不细说了。

不用plc你能做一个电梯吗?Arduino创意智能电梯 #arduino

智能电梯。

想知道会用 PLC 做电梯的话,会不会用 Arduino 做一个电梯呢?今天哥们儿就用 Arduino 给你做一个智能电梯。

1. 硬件部分的准备也不多,根据哥们儿画好的接线图接上线,多番调试。

2. 功能测试没问题后给它 3D 打印个外壳,基本上整体就完成。

3. 我后面还给它加了个红外传感器,检测有没有人进入电梯。我只要在远处上下挥手就能控制电机转动,实现电梯的上下运行。当然这个功能用在模型上可以,实际运用这个还是挺危险的。

4. 右边的手势传感器也不让它闲着,画圈就能指定楼层,手掌一推就能启动 RUN,继续换楼层。

点击关注。

相关问答

请问电压互感器电压转换开关或二次空开损坏,应如何更换

买和原来一样的型号更换即可,没有需要注意的什么事项。一梦三只鸭1天前扩展回答1浴缸转换开关如何使用淋浴应该是连着浴缸的,淋浴下面的是控制淋浴的旋钮...