研选课堂
HOME
研选课堂
正文内容
PLC高效编程之步进SFC编程 通过实例玩转三菱PLC之小车往返控制的SFC编程
发布时间 : 2026-01-21
作者 : 小编
访问数量 : 23
扫码分享至微信

通过实例玩转三菱PLC之小车往返控制的SFC编程

通过一个简单的例子看看三菱PLC的SFC编程,也就是步进顺控程序怎么编程,如下图,在新建项目选择SFC程序类型。

双击块,选择块的类型是SFC还是梯形图块

虽然我们在建项目时已经设定了SFC编程,但在程序中也可以更改为梯形图。如下图所示。

简单介绍到这,下面举个简单的离子来看看怎么编程。

控制要求:运料小车如下图所示,当按下启动按钮,小车在SQ1处,电机正转,小车前进到SQ2处,小车反转后退,后退到SQ1后,小车电机停止转动,小车停止30s后,小车第二次前进到SQ3处,再次返回到SQ1处停止。

根据控制要求:顺序功能图如下图所示:

下面我们来根据顺序功能图来编程:

首先选择0#块,设置成梯形图快,双击,编写初始化程序。如下图

之后选择1#块,设置成SFC块,开始编写SFC程序。

在S0下添加转移条件,并编写转移条件梯形图。如下图所示

在转移条件下添加步,并设置步号,并编写梯形图,如下图所示

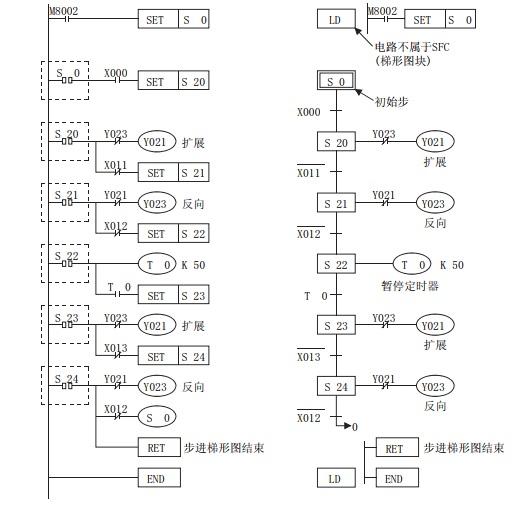
不一一列举了,根据顺序功能图来编写。编完的程序如下所示

是不是看着很别扭,每一步需要点进去才能开到,没有西门子那么直观,没事,我们可以转换成梯形图,那么就直观了,上图图中已经介绍了怎么转换成梯形图,那么,改变完程序类型的程序如下图所示

下面我做了一个西门子博途GRAPH的程序,大家可以参考下。

西门子可能更直观一些,还是那句话无论是什么品牌的PLC,只是软件有所区别,但本质是一样的,都是用同一个顺序功能图。

写文不易,我的文章都是我亲手编程的,希望大家能支持,给小编点赞、评论及转发。

史上最实用的步进梯形图(SFC图)状态转移图使用方法

1.步进梯形图的指令说明

例1

例2

例3

相关问答

PLC编程有梯形图还有FSC,请问FSC是什么图,我不会?

FSC指令助记符的编程方式,就像C语言编单片机样SFC是步进编程方式,适用于复杂的动作控制FSC指令助记符的编程方式,就像C语言编单片机样SFC是步进编程方式,适用...

用博途编写步进顺控程序?

您好,以下是使用博途编写步进顺控程序的步骤:1.打开博途软件,选择PLC项目,创建一个新的程序。2.在程序中,选择适当的模块作为步进电机的驱动器。比如,...

三菱PLC编程软件GXDeveloer中怎么输入步进梯形指令?资料中...

三菱PLC编程软件GXDeveloer中怎么输入步进梯形指令?资料中介绍的步进梯形图和我编的不一样,电源骨伽讨论回答(4)新版的步进指令STL单独占用一行,不再表示...

台达plc编写sfc程序,转移到下一个状态,满足条件的转移指令,我知道三菱的是tran,台达的我?

你可以在梯形图上面写用STL指令你说的是在步进状态下编写的TRAN这个也是转移指令你可以在梯形图上面写用STL指令你说的是在步进状态下编写的TRAN这个也是转移...

PLC编程语言有哪三个?

1、PLC有五种标准化编程语言顺序功能图(SFC)、梯形图(LD)、功能模块图(FBD)三种图形化语言和语句表(IL)、结构文本(ST)两种文本语言,最常用的两种编程...1、P...

ABPLC有没有步进指令,或顺序功能图的编法?

有的,你在建立程序段的时候选择SFC形式的即可啊,然后就可以按照顺序功能图来编了。平常我们都选择LD或者是FBD的形式。有的,你在建立程序段的时候选择SFC形式...

西门子S7-200PLC控制三台电动机隔一定时间次序启动,求梯形图...

PLC里的定时器既是电动机启动的条件同时也是顺序转移的满足条件,注意输出Q不要...接着用置位和复位指令配合计数器或者步进寄存器来管理次序循环即可持续运行不...

西门子smart200怎么控制步进电机?smart200通讯适合新手吗?

[回答]通过PWM输出控制或通过通讯链路控制或IO控制。用PUT/GET的方式进行通讯既简单又方便,国产的plc很多都做得挺不错的了,福建的耐特电子还蛮不错的。...

在座的老师,求答案 喷涂设备脉冲控制器品牌厂家,脉冲控制...

[回答]现在PLC有自带两轴高速脉冲输出口,配两个伺服驱动器或步进控制器,加个触摸屏就行了!如果要多轴了,就在PLC后面加个定位模块,最多可以搞4轴。直接用...

PLC是什么?

深圳市星科研自动化培训属下的培训部开设课程广,课程体系完善,教学设备齐全。本星科研自动化培训以诚信为本,理论加实操,让您在尽可能短的时间内学...

 顾城的诗门前  新修订的《军事立法工作条例》发布 
王经理: 180-0000-0000(微信同号)
10086@qq.com
北京海淀区西三旗街道国际大厦08A座
©2026  上海羊羽卓进出口贸易有限公司  版权所有.All Rights Reserved.  |  程序由Z-BlogPHP强力驱动
网站首页
电话咨询
微信号

QQ

在线咨询真诚为您提供专业解答服务

热线

188-0000-0000
专属服务热线

微信

二维码扫一扫微信交流
顶部