课程中心
HOME
课程中心
正文内容
plc编程实现过程 电工:老师傅一步步教你入门PLC编程,这样你总可以学会了吧!
发布时间 : 2026-01-02
作者 : 小编
访问数量 : 23
扫码分享至微信

电工:老师傅一步步教你入门PLC编程,这样你总可以学会了吧!

电力作业人员都知道,PLC的在工业生产和自动化发展中的应用越来越广泛,作为繁重的交流接触器配电柜和继电器控制柜的替代者,PLC具有体积小,反应快,能耗低,操作简单,维护方便,集中控制等优点。在实际的操作中,受到了广大电气人的喜爱,掌握PLC相关知识是电力作业人员的必备技能,但是还是有很多的电工师傅对于PLC不是很了解,甚至没有入门,其实想要入门学习PLC是很简单的。

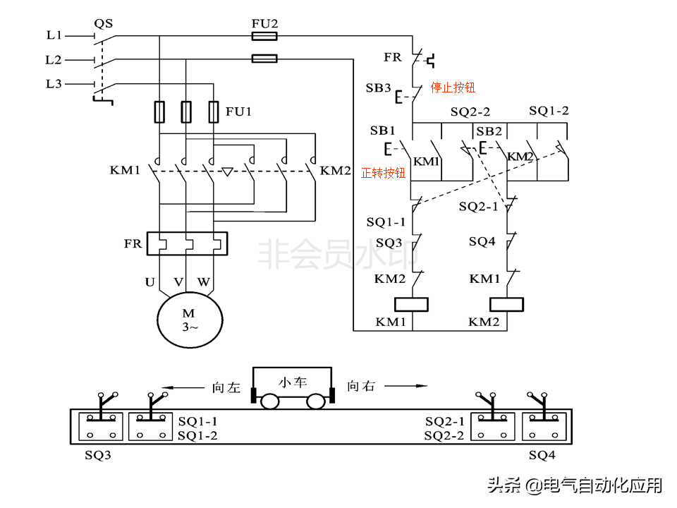
为了能够更好的理解PLC控制过程,我们以最经典最简单的:电动机双重连锁正反转控制电路来分析说明,电动机控制电路图如下所示:

一,PLC工作电源的接入:PLC上有电源标识,按要求接入电源即可。

二,电动机双重连锁正反转PLC编程说明:

电路图中:SB1—停止按钮—X0—红按钮。

电路图中:SB2—正转按钮—X1—黄按钮。

电路图中:SB3—反转按钮—X2—蓝按钮。

PLC外部接线图如下图所示:

三,PLC编程的工作逻辑(和电路图逻辑一样)。

四,PLC的I/O点分配表及系统编程功能的逐步实现(熟练后可以直接写出来编程语言,不用一步步画和写)。

五,PLC编程的逐步实现。

六,最终PLC双重联锁正反转控制程序完成,输入PLC程序运行即可。

七,关于PLC常用的控制过程解析:

以上仅为PLC入门篇,说的不合适的地方还请见谅!PLC是电力作业人员的基本技能之一,入门简单,精通却不容易,需要坚持学习,不断练习,欢迎关注,一起交流学习电气电工知识!

PLC编程其实很简单,按照这个步骤一步步进行就可以!

相关问答

plc程序编写步骤及技巧?

方法/步骤1/4第一步:打开GXWorks2软件,新建程序,选择你的PLC型号,然后请选择程序语言为SFC,点击确定,跳出块信息设置。标题不填写,块类型选择梯形图块...

plc编程步骤方法?

常用的PLC编程方法有经验法、解析法、图解法。经验法:即是运用自己的或别人的经验进行设计,设计前选择与设计要求相类似的成功的例子,并进行修改,增删部分功...

PLC开发流程?

4.I/O配置:将PLC的输入和输出连接到相应的传感器和执行器。这可能涉及布线、连接到输入和输出模块,并确保正确配置。5.调试和测试:完成PLC程序之后,进行...

PLC研发过程?

PLC的发展历程在工业生产过程中,大量的开关量顺序控制,它按照逻辑条件进行顺序动作,并按照逻辑关系进行连锁保护动作的控制,及大量离散量的数据采集。传统...

plc手动和自动怎样编写?

其实呢,基本上的写法是这样的。方法1:使用主控指令(有些PLC厂家叫做互锁指令)来区分自动段还是手动段。方法2:使用跳转指令来跳转到自动段和手动段的程序...

plc程序如何编译?

PLC程序的编译通常是通过PLC编程软件完成的。以下是一般的PLC程序编译步骤:1.打开PLC编程软件:根据PLC品牌和型号选择相应的编程工具,打开对应的编程软件。...

plc程序处理的工作流程?

1、输入刷新阶段:PLC以扫描工作方式,输入电路时刻监视着输入状况,并将其暂存于输入映像寄存器中。2、程序执行阶段:PLC按顺序对程序进行串行扫描处理,并分...

plc编程思路框架和工艺流程?

PLC(可编程逻辑控制器)编程思路框架和工艺流程可以根据具体的应用和需求有所不同,但一般可以遵循以下基本步骤:1.确定需求:了解控制系统的具体需求和目标...

plc编程思路怎么建立?

设计好电路图,统计好需要用的PLC输入输出点数及各点功能,然后根据控制要求编写程序,再检验与电路图之间是否合理,相互修改,然后进行程序模拟调试,调试中根...

plc编程是什么?

PLC编程是一种用于数字计算操作的电子系统,专为工业环境应用而设计。它使用可编程存储器,存储用于执行逻辑运算,顺序控制,定时,计数和算术运算等操作的指令...

 a798t  olivia wilde 
王经理: 180-0000-0000(微信同号)
10086@qq.com
北京海淀区西三旗街道国际大厦08A座
©2026  上海羊羽卓进出口贸易有限公司  版权所有.All Rights Reserved.  |  程序由Z-BlogPHP强力驱动
网站首页
电话咨询
微信号

QQ

在线咨询真诚为您提供专业解答服务

热线

188-0000-0000
专属服务热线

微信

二维码扫一扫微信交流
顶部