直播课堂
HOME
直播课堂
正文内容
plc编程入门符号 PLC编程很难么?但如果有人把每一个符号的意义都讲清楚了呢?
发布时间 : 2026-01-25
作者 : 小编
访问数量 : 23
扫码分享至微信

PLC编程很难么?但如果有人把每一个符号的意义都讲清楚了呢?

又是一个阳光明媚的天气,新的一天又是这么可爱,大家好,我是“电气知识”小编,今天为大家带来不一样的精彩内容,希望各位看官给小编动手评论点赞喔!您的每一次评论点赞都会带来好运气喔~

PLC编程很难么?但如果有人把每一个符号的意义都讲清楚了呢?

要求按以下要求编写程序:

一台电动机要求在按下起动按钮后,电动机运行5秒,停3秒,重复3次后, 电动机自动停止。

同时设置有手动停机按钮和过载保护。

要求过载后,电机自动停止,复位后,再次按下启动按钮后,电机继续未完成的过程。

这里有以下几个要点:

1.电动机运行5秒,停3秒,重复3次后停止。

2.过载复位后,启动时是继续过程,而不是重新开始。

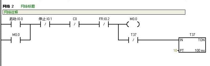
首先确定输入输出表:

下面是具体程序:

这里是利用计数器C0在复位之前所计数值不会清零的特点,当I0.0(启动按钮)启动后,正常情况下M0.0得电,T37每隔1秒发出一个高电平,随后又被自己复位重新计时。而计数器C0得到T37的高电平后向上计数一个。只有当I0.1(停止按钮)启动及C0计数到24后,C0才被复位。C0复位时,将M0.0也复位。

网络3就是根据C0的计数值进行输出,因为T37为1秒动作一次,所以C0的计数也是一秒,那么电机运行5秒后,停3秒,重复3次。就是24秒,电机在0-5秒,8-13秒,16-21秒运行。所以当C0大于等于0及小于5、大于等于8及小于13、大于等于16及小于21时Q0.0得电动作。

当I0.2(FR)置位时,切断M0.0电路,使输出停止。但是C0不复位,所以当再次启动时,C0接着刚才的计数值继续计数。

好了这就是小编这个电机的题目,这一次小编不但给小伙伴们准备了图文说明,在视频里小编打算录制2期。第一期主要讲接线及演示,第二期主要讲程序。希望大家能够喜欢。

看完小编的这篇文章,你们有什么想说的呢?欢迎评论区下方评论留言喔,您的每一次评论点赞就是对小编的肯定与鼓励,明天小编将会继续为大家带来更多好的内容,希望大家不要错过喔,小编给你们比心了喔!

西门子工程师!纯图文干货,你知道PLC编程中程序符号怎么用吗

此次主要是让刚入门PLC的各位学习并了解绝对地址和符号地址、局部符号和全局符号、符号优先和绝对地址优先之间的差别,能够独自编辑全局符号表,从容的掌握LAD/STU/FBD编辑器编辑全局符号。让你在学PLC的道路上有更全面的认知。

以上,欢迎动动手分享及收藏!

相关问答

PLC编程语言中的基本符号?

您好,在PLC(可编程逻辑控制器)编程语言中,有一些基本的符号用于表示不同的操作和逻辑。以下是一些常见的基本符号:1.圆括号:用于控制运算的优先级和改变...

plc输入符号有哪些?

回答如下:PLC的输入符号主要包括以下几种:1.X:表示输入端口,通常用来接入传感器或开关等输入设备,例如X0、X1等。2.Y:表示输出端口,通常用来接入执行...

plc指令符号?

答:1位逻辑指令1.1位逻辑指令概述1.2-||-常开接点(地址)1.3-|/|-常闭接点(地址)1.4XOR位异或1.5-|NOT|-信号流反向1.6-()输出线圈...

plc符号地址是什么?

PLC是指可编程逻辑控制器,它是一种电子设备,常用于工业自动化控制。在PLC控制系统中,符号地址被用来标识各种输入输出信号、内部寄存器、计数器、定时器,以及...

PLC梯形图所有指令符号是什么意思?

PLC(可编程逻辑控制器)梯形图中的指令符号表示不同的功能和操作。以下是常见的PLC梯形图指令符号及其含义:1.X(输入):表示输入信号或状态,例如传感器信...P...

编程PLC时,X.Y.M.T.C.S各代表的是什么?

按照一般PLC的规则理解,以上标志均出现在位操作指令中:X:输入接点,有的PLC用"I"标志;Y:输出接点,也可指输出线圈,有的PLC用"Q"标志;M:内...

请问PLC编程的常开、常闭的符号是怎样画的?谢谢?

编程软件里有功快捷健,如最常用的三菱GX软件,常开符号是F5健,常闭是F6健,等,打开软件在菜单的下方就看到了。编程软件里有功快捷健,如最常用的三菱GX软件,常...

plc里头有几种符号-ZOL问答

PLC控制系统,ProgrammableLogicController,可编程逻辑控制器,专为工业生产设计的一种数字运算操作的电子装置,它采用一类可编程的存储器。用于其内部存储程序...

西门子plc符号表怎么写?

西门子PLC的符号表可以按照以下格式进行编写:|名称|地址|数据类型|备注||:---:|:---:|:---:|:---:||变量1|DB1.DBX0.0|BOOL|注释||变量2|DB1....

欧姆龙plc数据类型符号?

1、BOOL,比如OMRON的IR区,是bit(位)的概念,它只有两个状态,0或1,实际等同于开关量输入信号;可与现场的开关量连接,用于逻辑处理;2、WORD是字,一个字...1、BO...

 地球通行证怎么回事  育才都市家园 
王经理: 180-0000-0000(微信同号)
10086@qq.com
北京海淀区西三旗街道国际大厦08A座
©2026  上海羊羽卓进出口贸易有限公司  版权所有.All Rights Reserved.  |  程序由Z-BlogPHP强力驱动
网站首页
电话咨询
微信号

QQ

在线咨询真诚为您提供专业解答服务

热线

188-0000-0000
专属服务热线

微信

二维码扫一扫微信交流
顶部