直播课堂
HOME
直播课堂
正文内容
大型物流plc编程 一个自动化的物流线PLC控制系统
发布时间 : 2026-03-22
作者 : 小编
访问数量 : 23
扫码分享至微信

一个自动化的物流线PLC控制系统

触摸屏的自动画面

手动操作画面

电机感应器情报画面

电机布局

部分IO

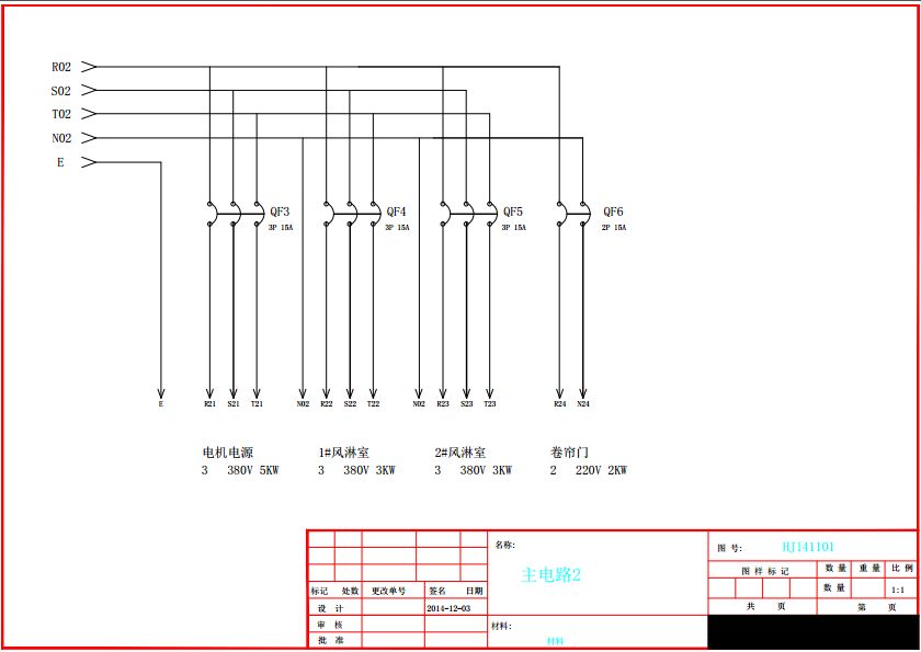
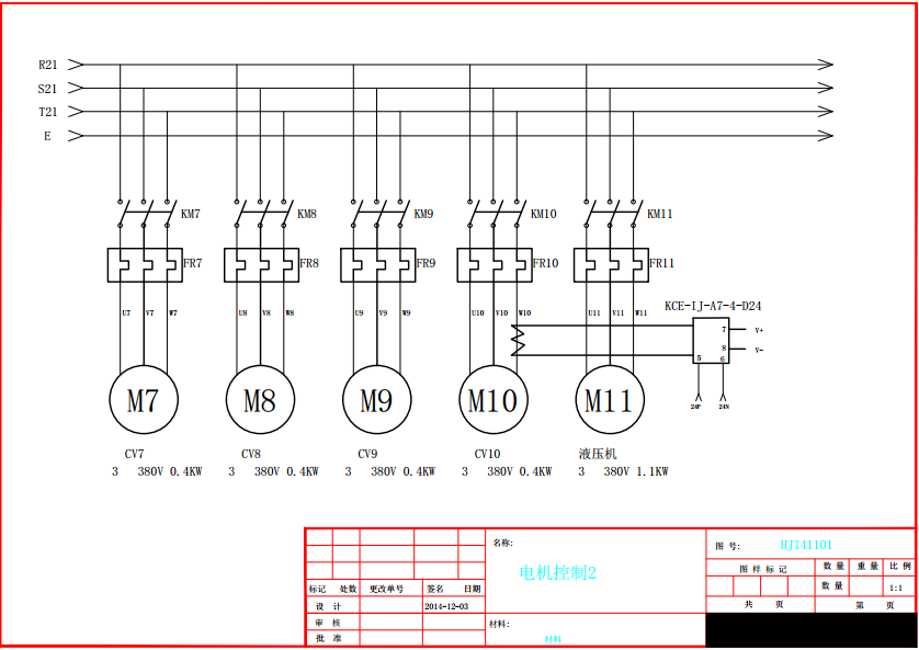
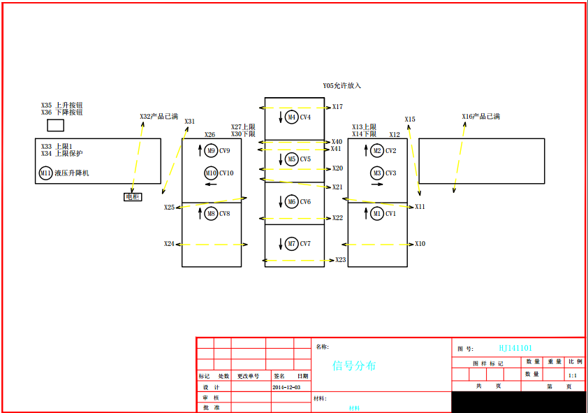
这是一套物流线控制,是本人经手的一套非标设备,PLC是的的三菱FX3GA,触摸屏是普洛菲斯的,很明显是个日企使用的,下面分享一下电气图纸,黑框是屏蔽了公司名字,避免麻烦请见谅,如果有伙伴感兴趣的话可以私信我提供PLC带注释程序和触摸屏程序,这个简单项目适合新手学习。

以上是完整图纸,小伙伴们可以一起讨论哦。

「西门子案例」西门子1200PLC 传送带控制升级版

点击上方“PLC发烧友”关注我吧

动作描述动作描述:

此案例基于《传送带控制简单案例》(私信小编可以领取简单案例文章),并做了控制流程的强化,要求如下:

1.我们在模拟软件上搭建了一个多段带移栽机的传送带,并配置了控制面板;

2.通过模式选择开关,可以选择自动/手动模式;

3.自动模式下按自动启动按钮,引入传送带自动运行,当货物触碰A传感器时,长传送带正方向运转;如果A传感器和B传感器20秒内没有货物经过,则停止此传送带;

4.物品触碰B传感器,移栽机正方向运转,直到货物触碰C传感器停止;

5.货物触碰C传感器,移栽机延时启动移栽;货物离开D传感器,移栽停止;

6.货物触碰D传感器,短传送带正方形运转;直到货物离开E传感器,运转停止。

7.按停止按钮,整条线停止;

8.手动模式可以控制传送带手动运行。

硬件设备硬件设备

1.一台装有博途及其仿真软件、FACTORY IO软件的PC。

软件软件

1.西门子plc编程软件:TIA 博途V16

2.博途仿真软件:PLCSIM V16

3.FACTORY IO软件

I/O分配I/O分配

输入点

注释

输出点

注释

I0.0

开始按钮

Q0.0

开始指示灯

I0.1

停止按钮

Q0.1

停止指示灯

I0.2

传感器A

Q0.2

长传送带正方向

I0.3

传感器B

Q0.3

短传送带正方向

I0.4

手动前进

Q0.4

引入传送带运行

I0.5

手动后退

Q0.5

塔灯绿

I0.6

自动模式

Q0.6

塔灯黄

I0.7

手动模式

Q0.7

移栽机正方向

I1.0

传感器C

Q1.0

移栽机移栽运行

I1.1

传感器D

I1.2

传感器E

程序编写及思路程序编写及思路

同样,为便于后期修改,我们把外围设备统一做成DB块,如图:

并通过一个FC块,来完成DB块和实际IO变量表的映射:

接下来我们开始写程序:

首先我们定义传感器的沿信号:

同样的再定义延时定时器,一个用来计时长传送带空闲时间,一个用来做移栽延时:

然后通过旋钮选择运行模式:

分自动模式和手动模式分别编写程序,首先编写自动程序:

在自动模式下按下启动按钮,则启动自动运行;按下停止按钮则停止自动运行。

在自动运行模式下,引入传送带直接运行,然后判断货物是否触碰传感器。触碰传感器A,则传送带正方向运行;如果A传感器和B传感器空闲20秒,停止传送带:

B传感器和C传感器控制移栽机的正方向运行和移栽动作,其中延时定时器在程序开头已经定义:

D传感器和E传感器控制短传送带运行,其中D传感器的下降沿触发移栽的停止运行:

接着写手动模式,手动模式简单用按钮控制:

最后相应信号输出指示灯:

程序完成,在主程序里进行调用即可。

总结: 此程序在逻辑控制上相对简单,主要介绍沿指令和定时器的用法,在SCL程序中,沿指令和定时器通常写在程序开头,直接调用,而通过输入管脚来控制定时器,与LAD调用逻辑有所区别,大家可以结合之前《传送带简单控制案例》来理解,达到事半功倍。

来源:PLC发烧友,作者:技成培训网-徐陈爽,转载请注明出处!文章源程序可免费提供,回复:源程序 免费领取! 评论处大家可以补充文章解释不对或欠缺的部分,这样下一个看到的人会学到更多,你知道的正是大家需要的。。。

相关问答

三菱ddvit指令应用?

三菱ddvit指令是一种在PLC编程中广泛应用的指令,具体应用包括:三菱ddvit指令可以用于数据处理和逻辑控制等相关领域。在自动控制系统中,常常需要对不同类型的...

学PLC编程有没有前途?

相对一些发展迅速的朝阳产业,个人很难获得行业发展的红利。如果想找个有前景的工作,建议往机器人、智能物流这些已经落地的行业上靠拢。像AI、智能制造个人保...

PLC主要应用在哪些行业?

PLC使用场景很多的,从简单非标设备,到专用设备,从复杂点流水线,到大型的生产设备从有广泛应用。下面列举几个方面谈谈具体的应用:1.开关量逻揖控制,这是P...我...

PLC在哪些行业用到?

PLC产品应用领域广阔大型龙头企业占据主导地位PLC,被称为可编程控制器,是一种采用微处理器,整合了自动控制技术、计算机技术、通信技术、先进制造技术的...具...

各位大佬谁能回答!PLC自动装车系统如何实现装车数据统计功...

[回答]20年专注提供非标物流自动化解决方案。主要生产各种输送系统、分拣系统、仓储系统、自动化生产线以及特种专机等。伸缩机可以在长度方向上自由伸缩;...

线边仓的四种模式及原理?

线边仓是一种常用于仓储物流的货架系统,主要分为以下四种模式:1.静态存储模式:静态存储模式是线边仓最基本、最常用的存储模式,其原理是按照物料种类、编号...

忙各位资深人士!你们谁清楚!!PLC自动装车系统如何实现装车数...

[回答]20年专注提供非标物流自动化解决方案。主要生产各种输送系统、分拣系统、仓储系统、自动化生产线以及特种专机等。本公司可根据行业特性及客户具体...

三菱PLC中置位和复位怎么用?

在三菱PLC中,置位和复位是用于控制逻辑的指令,具体方法如下:1.置位:将指定的位设为1。指令格式:SETXXXX示例:SETY0说明:将Y0这个输出位设为1。2.复...

PLC自动装车系统如何实现装车数据统计功能?,自动装车系统安...

[回答]20年专注提供非标物流自动化解决方案。主要生产各种输送系统、分拣系统、仓储系统、自动化生产线以及特种专机等。目前,公司的主要生产各种输送系统...

物业管理概念股一览表,物业管理股票龙头股有哪些?-ZOL问答

详情智能物流是近期关注度比较高的热门赛道,但很多股友不知道智能物流概念股有哪些,今天理财君为股民朋友梳理出智能物流概念龙头股一览表供大家参考。三羊马...

 马云上市  健尔玛 
王经理: 180-0000-0000(微信同号)
10086@qq.com
北京海淀区西三旗街道国际大厦08A座
©2026  上海羊羽卓进出口贸易有限公司  版权所有.All Rights Reserved.  |  程序由Z-BlogPHP强力驱动
网站首页
电话咨询
微信号

QQ

在线咨询真诚为您提供专业解答服务

热线

188-0000-0000
专属服务热线

微信

二维码扫一扫微信交流
顶部